Valitse kieli:
English
Suomi
Tervetuloa, Vieras. Ole hyvä ja
kirjaudu
tai
Rekisteröidy
Koti
Ohjeita
Haku
Kirjaudu
Rekisteröidy
Liity SRHS:n jäseneksi
SRHS Forum
›
Suomen Radiohistoriallinen Seura ry - Keskustelufoorumi
›
Kotimaiset radiot, televisiot ja äänentoistolaitteet
› Celeston Regina ULA kelojen säätö
‹
Edellinen aihe
|
Seuraava aihe
›
Sivu:
[1]
Lähetä aihe
Tulosta
Celeston Regina ULA kelojen säätö (Luettu 940 kertaa)
Mael
YaBB Newbies
Poissa
Viestejä: 14
Celeston Regina ULA kelojen säätö
02.03.2026 klo 19:41:04
Tulosta viesti
Miten kuvassa vasemmaalla olevat punaiset kelat säädetään ?
Vaikuttavat säröiseen ääneen ?
On pyöritelty ennen minua ja olen sekoittanut lisää...
Signaaligeneraatori ja ylesmittareita on, mutta ei muita mittalaitteita.
t Markku
Ndyttc.jpg
( 137 KB | 15 latausta )
IP kirjattu
Timohannes
Senior Member
Poissa
Viestejä: 334
Sijainti: Lievestuore
Re: Celeston Regina ULA kelojen säätö
Vastaus #1 -
02.03.2026 klo 21:04:57
Tulosta viesti
Eikös tuossa vasemmassa reunassa ole am-alueen keloja, lienee lyhytaaltoalueen kelat kysessä. Jos keloja on yleisestikin pyöritelty, niin välitaajuudethan sitten pitäisi säätää ja ilmasin. Ja tietysti ulapurkkikin.
IP kirjattu
Timohannes
Senior Member
Poissa
Viestejä: 334
Sijainti: Lievestuore
Re: Celeston Regina ULA kelojen säätö
Vastaus #2 -
02.03.2026 klo 21:10:33
Tulosta viesti
Välitaajuuspurkithan näkyy esmes Timon sivujen kuvissa hyvin:
https://www.timonradiosivut.fi/Celeston_Regina.html
. Ovat nelikulmaisia alumiinipurkkeja putkien väleissä.
IP kirjattu
Mael
YaBB Newbies
Poissa
Viestejä: 14
Re: Celeston Regina ULA kelojen säätö
Vastaus #3 -
02.03.2026 klo 22:06:24
Tulosta viesti
Laajempi kuva.
Kolme laitimmaista on AM alueen säätö.
"Punaiset" jotka kytketty ULA purkkiin ?
Ndyttc2.jpg
( 64 KB | 17 latausta )
IP kirjattu
Timohannes
Senior Member
Poissa
Viestejä: 334
Sijainti: Lievestuore
Re: Celeston Regina ULA kelojen säätö
Vastaus #4 -
02.03.2026 klo 22:27:59
Tulosta viesti
Hetken piti tuumailla asiaa ja on mulla varaa olla väärässäkin
Mutta kun lasken am-alueitten kelat kytkennästä, niin saan niitä 7 kpl ja tuossa kuvassa keloja on 7 kpl. Ula-purkista tulee signaali keltasella joholla 'TV'-painonapille. Jolla siis valitaan jonkun tv-kanavan ääni (on lisälaite, jonka liitin näkyy sassiksen yläpuolella, takaa katsottuna vasemalla). Siinä on lisäksi vaihtokytkin fm/am, josta signaali menee suoraan ECH81:lle. Ei ole siinä välissä mitään keloja. Tämä siis kytkennän mukaan. Tuo valkonen johto ula-purkilta, joka menee niille punasille keloille taitaa olla lyhytaaltoalueen hienosäätökelan johto. Joka hienosäätökela on siis siellä ula-purkin sisällä, eikä vaikuta ula-alueella mitenkään.
IP kirjattu
Mael
YaBB Newbies
Poissa
Viestejä: 14
Re: Celeston Regina ULA kelojen säätö
Vastaus #5 -
02.03.2026 klo 23:25:53
Tulosta viesti
Kiitos Timo !
Oli jo unohtunut TV, tähän laitteeseen liittyvänä.
IP kirjattu
VjpA
God Member
Poissa
SRHS
Viestejä: 2679
Sijainti: Vantaa
Re: Celeston Regina ULA kelojen säätö
Vastaus #6 -
03.03.2026 klo 19:46:54
Tulosta viesti
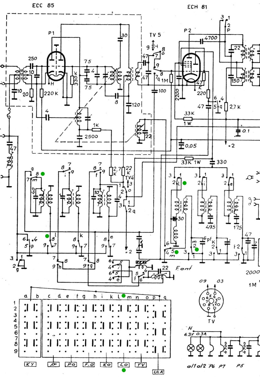
Vielä tuohon kelajuttuun; liitteen kuvassa on vihreällä pisteillä merkattu kykinpakan vaihtokontaktit joihin on noi kahden punaisten kelojen langat liitetty (LA-aluevalinta).
Ulapurkista puuttuu ruuvi (aloitusviestissä) ja ko purkin kelat on sen sisällä.
Säröinen ääni voi johtua ilmaisimen virityksestä tai viallisesta = arvonsa menettäneestä osasta (vatus tai konkka, ehkä kela; harvemmin)
Regina_-kelat.jpeg
( 240 KB | 20 latausta )
t. // Jukka
IP kirjattu
apaija
Full Member
Poissa
SRHS
Viestejä: 219
Sijainti: Loimaa
Re: Celeston Regina ULA kelojen säätö
Vastaus #7 -
04.03.2026 klo 07:19:57
Tulosta viesti
Minulla oli yksi Helvar (...Royal?) jossa lyhytaalto levityksen piirin kytkimessä oli ylimenovastusta ja vaikutti Ula:n viritykseen. Irroita kytkimen m4,5,6 johto joka menee Ula-purkkiin ja paraneeko ääni. Olisikohan tuo valkoinen.
IP kirjattu
Mael
YaBB Newbies
Poissa
Viestejä: 14
Re: Celeston Regina ULA kelojen säätö
Vastaus #8 -
05.03.2026 klo 19:08:27
Tulosta viesti
Kiitos tiedosta.
Ulapurkin ruuvin puutos on jäljiltäni. Puhdistin purkin sisällön.
Kuva ennen putsausta.
Sen mitä irroitamatta osia mittasi.
Mitään selvää vikaa en havainnut.
Suhdeilmaisimen nollaa en saanut aikaiseksi elkon jännitteen puolittamisen jälkeen. Jäi nollasta vajaaksi 0,15V.
Törön kirjan ohjeen mukaan tehtynä.
Väärä mittauspiste signaalijohdossa ?
Melkei kaikki komponentit suhdeilmaisinputken ympäriltä vaihdettu.
Epäsymmetrisessä kytkennässä jotain mikä pitää huomioida ?
Johtimen irroitus kytkimen m 6 nastasta ei paranna ääntä.
Ulapurkin_lika.jpg
( 119 KB | 18 latausta )
IP kirjattu
Jorma Raita
God Member
Poissa
Viestejä: 1730
Sijainti: Helsinki
Re: Celeston Regina ULA kelojen säätö
Vastaus #9 -
05.03.2026 klo 20:22:04
Tulosta viesti
Kun oikein tarkkaan katsoo, niin näyttäisi tuossa kuvassa etualalla oikealla oleva putkikonkka plevan poikki?
terv- Jorma
IP kirjattu
Timohannes
Senior Member
Poissa
Viestejä: 334
Sijainti: Lievestuore
Re: Celeston Regina ULA kelojen säätö
Vastaus #10 -
05.03.2026 klo 20:54:19
Tulosta viesti
"Melkei kaikki komponentit suhdeilmaisinputken ympäriltä vaihdettu." Oletkin siis varmaan jo vaihtanut sen 4 mikron elkon, mutta varmistan nyt vain? Tuo konkka on yleensä ihan kuivahtanut. Niin ja EABC80-putken myös?
IP kirjattu
Timohannes
Senior Member
Poissa
Viestejä: 334
Sijainti: Lievestuore
Re: Celeston Regina ULA kelojen säätö
Vastaus #11 -
05.03.2026 klo 20:56:07
Tulosta viesti
Siis tuon konkan:
Konkka_003.jpg
( 483 KB | 12 latausta )
IP kirjattu
Mael
YaBB Newbies
Poissa
Viestejä: 14
Re: Celeston Regina ULA kelojen säätö
Vastaus #12 -
05.03.2026 klo 22:20:58
Tulosta viesti
Toki, muutkin elkot on vaihdettu.
Kiilekonkia ei. Jonkun kiilekonkan pistokokeena irroitanut ja mitannut toimivaksi arvot oikein ja mekaohmeja vastus.
Ihan kaikkia vatuksia ja pieniä putkikonkkia vielä vaihtamatta.
t: Markku
IP kirjattu
Timohannes
Senior Member
Poissa
Viestejä: 334
Sijainti: Lievestuore
Re: Celeston Regina ULA kelojen säätö
Vastaus #13 -
06.03.2026 klo 00:24:39
Tulosta viesti
No niin arvelinkin
Kiillekonkat on kyllä stabiileja, ei tarvitse vaihtaa, ellei ole fyysisesti särkynyt.
Lienet kokeillut pelkän äänipääteasteen? Eli jotain äänisignaalia sisään levysoitinliitäntään ja virtakytkimen vierestä levysoitinnappi alas.
IP kirjattu
RJL
God Member
Poissa
SRHS 612
Viestejä: 2768
Re: Celeston Regina ULA kelojen säätö
Vastaus #14 -
06.03.2026 klo 09:08:38
Tulosta viesti
Kyllä se nollakohta pitäisi ihan selvästi löytyä, ja sydämen pienellä liikkeellä pitäisi päästä nollakohdan positiiviselle ja negatiiviselle puolelle. Näyttäisi siltä, että nyt viritys on S-käyrän jommalla kummalla sivuluiskalla. Veivaa kelasydän rohkeasti kokonaan ulos, jolloin mittariin jää joku lukema. Sitten takaisin kiertäessä lukema ensin kasvaa, kunnes jossain vaiheessa jännite alkaa nopeasti lähestyä nollaa. Tämä on se oikea S-käyrän nollakohta. Luepa vielä tämäkin:
https://www.radiohistoria.fi/cgi-bin/yabb2/YaBB.pl?num=1750676113
Reijo Liljedahl - SRHS 612 - OH3AVA - SDXL 8092
IP kirjattu
Mael
YaBB Newbies
Poissa
Viestejä: 14
Re: Celeston Regina ULA kelojen säätö
Vastaus #15 -
06.03.2026 klo 12:32:14
Tulosta viesti
Åken ohje on/ollut huoneentauluna ohjeena ( näytöllä ).
Olen nyypänä kiitolinen ohjeista.
Myös Marssianteenin ASA tyylistä ohjetta yrittänyt.
Toision säätävara ei vaan riitä nollatasoon vaikka ruuvaa läpi kelarungon. Ruuvailun lopputulos joka kerta säätöruuvit kiinni toisissaan.
Putkia vaihdettu, EABC80 tilalle Radiomarketista 6T8A.
Äänenvärin pikavalinta kytkinpakaan vaihdettu 2 kpl pikikonkkaa, joku kytkentävirhe tullut ?
t: Markku
IP kirjattu
RJL
God Member
Poissa
SRHS 612
Viestejä: 2768
Re: Celeston Regina ULA kelojen säätö
Vastaus #16 -
06.03.2026 klo 13:46:30
Tulosta viesti
Mahtaako sitten ilmaisimen ensiön kelaruuvi olla väärässä asennossa, eli kierretty liian syvälle? Ensiöhän on vireessä kelaruuvin kahdessa asennossa, eli kelan keskellä, ja sitten kelan ulkopäässä. Kierrä ensiökin ulos, ja sitten sisään 10,7 MHz kohdalle.
Reijo Liljedahl - SRHS 612 - OH3AVA - SDXL 8092
IP kirjattu
akenyh
God Member
Poissa
SRHS 257
Viestejä: 1155
Sijainti: Halikko (Salo)
Re: Celeston Regina ULA kelojen säätö
Vastaus #17 -
06.03.2026 klo 16:44:47
Tulosta viesti
RJL kirjoitti
06.03.2026 klo 13:46:30:
Mahtaako sitten ilmaisimen ensiön kelaruuvi olla väärässä asennossa
Ensiöpiirissä kapasitanssi koostuu EF80 anodikasitanssista ja "hajoista". Vastaavanlaisissa tapauksissa olen joskus havainnut, että "hajat, (esim. kelassa?) ovat muuttuneet niin ettei kunnon maksimia löydy. Lisäämällä n 5pF kondensaattori joko kelan rinnalle tai putken anodilta maahan tilanne korjaantuu.
Kelapurkissa ensiö on yläpäässä ja toisio alapäässä(viritys komponenttipuolelta). Tämä yleinen käytäntö, oletettavasti myös Helvareissa.
Käytätkö viritykseen jotain generaattoria? Jos ei, niin mitä sitten.? Liian voimakas signaali "hävittää" selvän maksimin.
Terv Åke
IP kirjattu
Mael
YaBB Newbies
Poissa
Viestejä: 14
Re: Celeston Regina ULA kelojen säätö
Vastaus #18 -
06.03.2026 klo 21:37:04
Tulosta viesti
Ensiön kelaruuvi uppoaa syvälle, yli kelan (vihreän konkan alpäässä kuvassa ) ennenkuin mitään tapahtuu volttimittareissa.
Vastusta ja konkkaa ei pääse mittaamaan iroitanatta niitä.
Signaalia syötän FY6900 :llä.
AM moduloituna toimii loogisesti ko. generaatorilla.
FM moduloituna en ole vakuutunut mitä se oikeasti syötää,
manuaali ja laite toimii jotenkin eri tavalla.
Pakissa pienin konkka 100 pF... 8 cm kytkentälänka paria kokeiltu.
Vasta toinen talvi menossa tämän kimpussa.
t: Markku
iRwhWYAN.jpg
( 233 KB | 16 latausta )
IP kirjattu
RJL
God Member
Poissa
SRHS 612
Viestejä: 2768
Re: Celeston Regina ULA kelojen säätö
Vastaus #19 -
06.03.2026 klo 22:07:35
Tulosta viesti
2...5 cm toisiinsa tiukasti kiedottua eristettyä kytkentälankaa muodostaa sopivan konkan kokeilua varten. Kyllä sillä kelasydämellä pitäisi löytyä selkeä terävä maksimikohta kun kelasydän on osittain kelan sisällä. Samalla generaattorilla minäkin operoin, ja kyllä se hyvin FM-modulaatiotakin lähettää, mutta tässä virityksessä ei tarvita muuta kuin pelkkä moduloimaton 10,7 MHz signaali.
Reijo Liljedahl - SRHS 612 - OH3AVA - SDXL 8092
IP kirjattu
Mael
YaBB Newbies
Poissa
Viestejä: 14
Re: Celeston Regina ULA kelojen säätö
Vastaus #20 -
12.03.2026 klo 21:30:05
Tulosta viesti
Kiitos neuvoista !
Soi vihdoin hyvin ja suhdeilmaisimen nollapistekin löytyi.
Aiemman kuvan 100 Ohm vastus oli 148 Ohm ja yhden vääränkokoisen konkan vaihto auttoi.
Kissansilmä ei avudu paljon mutta soi kuitenkin.
Ohjeistus, neuvo edetä järjestelmällisesti on näköjään itse todettava jotta oppi menee perille.
Vielä on tehtävää, mutta aurinko paistaa jo.
t: Markku Elo
Ndyttckuva.jpg
( 78 KB | 6 latausta )
IP kirjattu
Sivu:
[1]
Lähetä aihe
Tulosta
‹
Edellinen aihe
|
Seuraava aihe
›
Foorumihyppy »
Koti
» 10 viimeisintä viestiä
» 10 viimeisintä aihetta
Suomen Radiohistoriallinen Seura ry - Keskustelufoorumi
Suomen Radiohistoriallinen Seura ry
Jäsenalue
Yleistä radiohistoriasta
Kotimaiset radiot, televisiot ja äänentoistolaitteet ««
Ulkomaiset radiot, televisiot ja äänentoistolaitteet
Muut radio- ja elektroniikkalaitteet
Entisöinti ja kunnostus yleisellä tasolla
Omatekoiset laitteet ja rakentelu
Sotilasradiot ja Perinneradiot
Yleinen keskustelualue
Niitä Näitä
Haku päällä
« Koti
‹ Alue
SRHS Forum
» Powered by
YaBB 2.6.12
!
YaBB Forum Software
© 2000-2026. Kaikki oikeudet pidätetään.