Valitse kieli:
English
Suomi
Tervetuloa, Vieras. Ole hyvä ja
kirjaudu
tai
Rekisteröidy
Koti
Ohjeita
Haku
Kirjaudu
Rekisteröidy
Liity SRHS:n jäseneksi
SRHS Forum
›
Suomen Radiohistoriallinen Seura ry - Keskustelufoorumi
›
Ulkomaiset radiot, televisiot ja äänentoistolaitteet
› Tandberg kelanauhuri, kumpi parempi?
‹
Edellinen aihe
|
Seuraava aihe
›
Sivu:
1
2
[3]
4
5
6
Lähetä aihe
Tulosta
Tandberg kelanauhuri, kumpi parempi? (Luettu 42891 kertaa)
VjpA
God Member
Poissa
SRHS
Viestejä: 2679
Sijainti: Vantaa
Re: Tandberg kelanauhuri, kumpi parempi?
Vastaus #30 -
05.07.2017 klo 22:15:45
Tulosta viesti
Tuossa voi olla myös tuumamittainen hihna; 2,7 mm = 7/64 in. Jos hihna on 600 mm pitkä tarkittaa se 191 mm halkaisiaista O-rengasta. Takertumisesta uraan; riippuu uran muodosta jos pohjan kulma on noin 90 ast. takertumisen vaaraa ei ole, jos vanha on pyöreää profiilian niin o-rengas on ok. Paksumpin venyy vähemmän, joten mitta on tarkempi. Mittaa se pituus langalla ja vertaa 5 % säännön mukaan tuohon katkenneeseen sekä katso minkä pituisia (halkaisian) renkaita on saatavilla.
Nuo kuvat myyjillä on mitä sattuu, niihin ei kannata takertua.
t. // Jukka
IP kirjattu
RJL
God Member
Poissa
SRHS 612
Viestejä: 2768
Re: Tandberg kelanauhuri, kumpi parempi?
Vastaus #31 -
05.07.2017 klo 22:30:30
Tulosta viesti
Muusta en tiedä, mutta Ebay myyjät tyypillisesti ottavat yhden tyyppikuvan jostain hihnasta, tiivisteestä, O-renkaasta jne, ja käyttävät samaa kuvaa jokaisessa myymässään tuotteessa, oli mitat sitten mitä tahansa.
Reijo Liljedahl - SRHS 612 - OH3AVA - SDXL 8092
IP kirjattu
OH3NWD
God Member
Poissa
Viestejä: 632
Re: Tandberg kelanauhuri, kumpi parempi?
Vastaus #32 -
06.07.2017 klo 10:12:07
Tulosta viesti
Nauhurihuollon ammattilaisen mielipidettä oikeista puhdistusmetodeista voisin kysyä. Isopropanolihan on yleisesti käytetty aine ainakin äänipäihin. Kahdenlaista mielipidettä on olemassa sen soveltumiseen kumiosiin. Kyllähän alkoholeilla on vaarana vaikuttaa kumiosiin, josta syystä esimerkiksi reilummin etanolia sisältävan polttoaineen käyttöä ei suositella vanhempiin moottoreihin. Mitenkä nuo vanhat pinttyneet painotelat ja välipyörät saisi kunnolla puhdistettua tärvelemättä niitä?
t: Eeli
IP kirjattu
Maja
God Member
Poissa
SRHS 478
Viestejä: 3372
Sijainti: Lounais-Suomi
Re: Tandberg kelanauhuri, kumpi parempi?
Vastaus #33 -
06.07.2017 klo 15:50:13
Tulosta viesti
Nauhurin kumiosia ei pidä liottaa millään puhdistusaineella, isopropanoli lyhentää niiden ikää huomattavasti, hihnan tai painotelan pintakulumaa
ei saa pesemällä pois. Tämä tieto on peräisin Into Oy:n keskushuollosta jonka kanssa olin paljon tekemisissä 80-luvulla. Itse olen puhdistanut
painotelat ja muut kumiosat kuivana vesihiontapaperilla 1200...1500. Sillä saa pinnasta irtolian helposti kuluttamatta itse materiaalia. Mitään
tahkoamista se ei tarvitse, vaan ihan muutama pyöräytys riittää.
Markku
IP kirjattu
LGL.
God Member
Poissa
Viestejä: 1352
Re: Tandberg kelanauhuri, kumpi parempi?
Vastaus #34 -
07.07.2017 klo 17:24:54
Tulosta viesti
Eräissä Tandberg nauhureissa on välipyörään merkitty tussilla vihreän ristin. Se on ihan hyvä merkki, koska tarkoittaa että pyörän kumi on NEOPRENE-kumia eikä ADIPRENEä, joka osoittautui huonoksi siitä syytä että alkoi "hikoilla". ADIPRENE soveltuu paremmin Adidaksen lenkkeily tossuihin. Jossain vaiheessa otettiin käyttöön ADIPRENE kumia mutta siirrettiin takaisin NEOPRENE-kumiin. Tämä virhe huomattiin Tandbergilla joskus 60-luvun loppupuolella.. Omassa TB 4000X nauhurissa on just tämä vihreä risti.
LGL
TB_4000X_wheel.jpg
( 241 KB | 0 latausta )
IP kirjattu
Ruokki
God Member
Poissa
Viestejä: 1781
Re: Tandberg kelanauhuri, kumpi parempi?
Vastaus #35 -
07.07.2017 klo 20:17:41
Tulosta viesti
No niin sopiva vetohihna löytyi kotimaasta kumialan liikkeestä. O-rengas kokoa 185x3,0 neopreenikumia. Osoittautui sopivan kokoiseksi. Pääsin näin vihdoin kokeilemaan miten stereo Tandberg 1600x (16-41) toimii. Mutta ei hyvin käynyt. Mekaanisesti ihan jees mutta kuulokkeista kuului kovaa hurinaa R-kanavasta. Ilman että mikään edes liikkui. L-kanava oli ihan hiljainen. Mutta nauhaa toistettaessa musiikki kuului L-kanavasta hyvin ja R-kanavasta edelleen hurinaa johon sekottui vaimeasti musiikkia.
Voiko tämä liittyä siihen R-kanavan 47kohmin trimmeriin, joka on vielä säätämättä?
Input potikoiden kääntämisellä ei ole vaikutusta.
Ruokki
IP kirjattu
VjpA
God Member
Poissa
SRHS
Viestejä: 2679
Sijainti: Vantaa
Re: Tandberg kelanauhuri, kumpi parempi?
Vastaus #36 -
07.07.2017 klo 23:56:38
Tulosta viesti
Voisi olla kuivuneita lyyttejä oikean kanavan vahvistimessa?
t. // Jukka
IP kirjattu
Jorma Raita
God Member
Poissa
Viestejä: 1730
Sijainti: Helsinki
Re: Tandberg kelanauhuri, kumpi parempi?
Vastaus #37 -
08.07.2017 klo 00:02:53
Tulosta viesti
Ei liity siihen 47 kohmin trimmeriin, mutta säädä se trimmeri ensin aluksi suunnilleen puoliväliin, niin ei ainakaan ole pahasti pielessä.
Kuvailemasi vika voisi liittyä rec/play-kytkimien kontaktien hapettumiseen. Puhdista ensin alkuun nuo kytkimet hapettuman liuotusaineella, huuhtele liuenneet mönjät pois rasvattomalla puhdistusprayllä ja sen jälkeen kontaktiainetta kytkimiin.
Nuo painokytkimet ovat siinä laitteen etureunassa olevat painonapit. Ison piirilevyn keskellä pystyssä olevat liukukytkimet.
Yleensäkin kaikki kytkimien kontaktit kaipaavat saman puhdistuksen. Sen jälkeen testaa auttoiko puhdistustoimenpiteet.
Jorma
IP kirjattu
Ruokki
God Member
Poissa
Viestejä: 1781
Re: Tandberg kelanauhuri, kumpi parempi?
Vastaus #38 -
08.07.2017 klo 13:56:49
Tulosta viesti
Kaikenmaailman tököttiä on tullu spreiattua eri laitteisiin vuosien varrella. Pitääpä vielä hankkia nuo kolme pulloa ( k60, kWL, 7-78). Vaikuttaa järkevältä toimenpiteeltä. Täytyy vielä selvittää mikä taho niitä edullisesti kauppaa!?
Ruokki
IP kirjattu
Ruokki
God Member
Poissa
Viestejä: 1781
Re: Tandberg kelanauhuri, kumpi parempi?
Vastaus #39 -
10.07.2017 klo 19:23:16
Tulosta viesti
Nyt on kytkimet ja liittimet putsattu ja voideltu. Hurina jatkuu edelleen R kanavasta.
Seuraavaksi ajattelin lähteä tutkimaan virtalähdettä ja siitä eteenpäin. Mutta eihän se vika voi olla virtalähteessä sillä L kanavasta ei hurinaa kuulu. Output powerin elkot on ok.
Ruokki
IP kirjattu
Jari
God Member
Poissa
SRSH
Viestejä: 808
Sijainti: Oulu
Re: Tandberg kelanauhuri, kumpi parempi?
Vastaus #40 -
10.07.2017 klo 22:13:17
Tulosta viesti
Vähän ihmettelen mistä Ruokki on onnistunut löytämään neopreenikumisen O-renkaan? Selailin isoimmat toimittajat läpi enkä löytänyt mainintaa. Yleisimmin O-renkaat ovat NBR kumia, joka alkaa haurastua nopeasti jos se joutuu venytykseen.
Kuuluuko viallisesta kanavasta muuta kuin hurinaa? Jos ei oletko tarkistanut äänipään johdot?
Laitan vielä liitteeksi kuvan IBM:n nauha-yksiköiden puhdistusainepullosta, joka on ollut minulla muutaman kymmenen vuotta. Nyt se tosin alkaa olla tyhjä. Sisältää mm. isopropanolia.
Jari
IBM_cleaner.jpg
( 428 KB | 0 latausta )
IP kirjattu
VjpA
God Member
Poissa
SRHS
Viestejä: 2679
Sijainti: Vantaa
Re: Tandberg kelanauhuri, kumpi parempi?
Vastaus #41 -
10.07.2017 klo 22:21:43
Tulosta viesti
Nytpä muistui mieleeni triklorietyleeni, oli varmaan erinomainen äänipäiden ja kumin puhdistaja - taitaa vaan olla sellaista myrkkyä, ettei sitä enää myydä edes apteekissa. Nuorena töissä sillä pestiin kaikki, nahkahanskatkin - sitten se joutui pannaan ja tilalle tuli cloroteeni, ei ollut yhtä tehokasta.
Ehkä noi nimet ei ole ihan oikein kirjoitettu
t. // Jukka
IP kirjattu
Ruokki
God Member
Poissa
Viestejä: 1781
Re: Tandberg kelanauhuri, kumpi parempi?
Vastaus #42 -
11.07.2017 klo 13:20:04
Tulosta viesti
Tein vähän mittauksia. R kanavasta kuuluu n 130Hz hurina. Kun käännän playback valitsimen L kanavaan loppuu hurina, eikä skooppikaan näytä hurinoita enää ennen valitsinta (siis päätepowerista). Mistä tämä 130Hz on peräisin?
Huom! mittaukset on tehty ilman nauhaa ja playvalitsin seis. vain virta on päällä.
Ruokki
IP kirjattu
Jorma Raita
God Member
Poissa
Viestejä: 1730
Sijainti: Helsinki
Re: Tandberg kelanauhuri, kumpi parempi?
Vastaus #43 -
11.07.2017 klo 15:45:37
Tulosta viesti
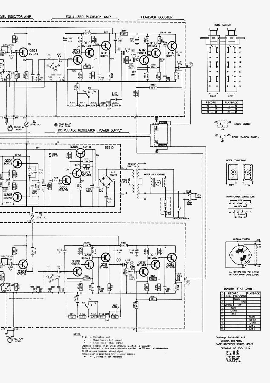
Laitan tähän liitteeksi osan kaaviosta, jossa kaavion alalaidassa näkyy R-kanavan 6-transistorin muodostama toistovahvistin.
Tarkista ensin signaalitiessä olevat 2 kpl 2uF elkoa. Sitten jälkimmäisen 3-transistoriryhmän lisäsuoto elko 22uF. Ja vielä lähdössä oleva 100uF elko. Jos nämä ovat ehjiä, niin sitten vain mittailemaan transistorien jännitteitä. Tämän alueen ulkopuolista vikaa ei pitäisi olla.
Jännitearvot näkyvät vasemman kanavan transistoreilla kaavion ylälaidassa.
Jorma
Edit: olihan siellä vielä toinenkin 22uF elko.
«
Viimeksi muokattu: 11.07.2017 klo 19:04:02 Kirjoittaja Jorma Raita
»
mallin_1600X_kytkentdkaavio_02.jpg
( 187 KB | 0 latausta )
mallin_1600X_piirikortti_02.jpg
( 139 KB | 0 latausta )
IP kirjattu
Ruokki
God Member
Poissa
Viestejä: 1781
Re: Tandberg kelanauhuri, kumpi parempi?
Vastaus #44 -
11.07.2017 klo 20:06:31
Tulosta viesti
Kun C224 oli irti loppui hurina (hurinan taajuus riippuu näemmä nauhanopeuden valitsimen asennosta). Muu toimenpide ei saa hurinaa loppumaan.
Epäilin äänipään olevan syyllinen (liian suuri dc-resistanssi). Mutta mittaus antoi tulokseksi 93ohm. Lienee ok?
Ruokki
IP kirjattu
Sivu:
1
2
[3]
4
5
6
Lähetä aihe
Tulosta
‹
Edellinen aihe
|
Seuraava aihe
›
Foorumihyppy »
Koti
» 10 viimeisintä viestiä
» 10 viimeisintä aihetta
Suomen Radiohistoriallinen Seura ry - Keskustelufoorumi
Suomen Radiohistoriallinen Seura ry
Jäsenalue
Yleistä radiohistoriasta
Kotimaiset radiot, televisiot ja äänentoistolaitteet
Ulkomaiset radiot, televisiot ja äänentoistolaitteet ««
Muut radio- ja elektroniikkalaitteet
Entisöinti ja kunnostus yleisellä tasolla
Omatekoiset laitteet ja rakentelu
Sotilasradiot ja Perinneradiot
Yleinen keskustelualue
Niitä Näitä
Haku päällä
« Koti
‹ Alue
SRHS Forum
» Powered by
YaBB 2.6.12
!
YaBB Forum Software
© 2000-2026. Kaikki oikeudet pidätetään.