Valitse kieli:
English
Suomi
Tervetuloa, Vieras. Ole hyvä ja
kirjaudu
tai
Rekisteröidy
Koti
Ohjeita
Haku
Kirjaudu
Rekisteröidy
Liity SRHS:n jäseneksi
SRHS Forum
›
Suomen Radiohistoriallinen Seura ry - Keskustelufoorumi
›
Yleinen keskustelualue
› ECC85
‹
Edellinen aihe
|
Seuraava aihe
›
Sivu:
1
2
[3]
4
Lähetä aihe
Tulosta
ECC85 (Luettu 39445 kertaa)
OH2EO
God Member
Poissa
SRHS
Viestejä: 1109
Re: ECC85
Vastaus #30 -
10.07.2014 klo 17:22:58
Tulosta viesti
Maja kirjoitti
10.07.2014 klo 16:23:12:
Katselin sinisestä Telefunkenin taskukirjasta 1969, siinä ei ollut tuota ECC84:sta
lainkaan. Mutta ECC81-ECC85 näyttävät olevan aika lähellä toisiaan.
Mitä tulee tuohon kunnollisten ECC85 saatavuuteen, niin tässäkin varmaan pätee
tuo markkinatalouden laki. Siis, jos kysyntä kasvaa riittävän suureksi niitä aletaan
valmistaa uusiotuotantona.
MarJ
ECC84 samoin kuin ECC88 on sunniteltu nimenomaan kaskodi-tyyppiseksi VHF-etuasteeksi. TV-käytössä sitten vastaavat PCC84 ja PCC88.
IP kirjattu
Markus Hautaniemi
God Member
Poissa
SRHS 81
Viestejä: 2588
Sijainti: Kokkola
Re: ECC85
Vastaus #31 -
22.07.2014 klo 10:42:22
Tulosta viesti
Onko kukaan kokeillut ECC81:ta ECC85:n tilalla?
WWW
IP kirjattu
OH5IJL
God Member
Poissa
SRHS, Hamina
Viestejä: 1243
Re: ECC85
Vastaus #32 -
22.07.2014 klo 11:46:13
Tulosta viesti
Pitäis varmaan kokeilla. Niitä ECC81:ä kyllä löytyy minulta aika paljon ja tuo radiokin on tuossa pöydällä takakansi auki.
Menee varmaan taas iltayöhön kokeilut kun työhuoneen lämpötila rupeaa olemaan 35 astetta. Että kaipaan näitten hommien takia talvea jolloin tuo vinttitila ei lämpene liikaa. Nytkään ei 2 irtokylmäkonetta riitä.
Ilpo
Ilpo J Leppänen - OH5IJL
WWW
IP kirjattu
oh6mf
God Member
Poissa
SRSH
Viestejä: 613
Sijainti: Seinäjoki
Re: ECC85
Vastaus #33 -
22.07.2014 klo 13:21:07
Tulosta viesti
Minä kokeilin vahingossa
En tosin sitten loppuunasti , kun huomasin mokani
Jutun tynkää tuolla:
http://www.radiohistoria.fi/cgi-bin/yabb2/YaBB.pl?num=1395597518
73 de oh6mf
IP kirjattu
OH5IJL
God Member
Poissa
SRHS, Hamina
Viestejä: 1243
Re: ECC85
Vastaus #34 -
22.07.2014 klo 17:55:52
Tulosta viesti
Voi sitten jäädä kokeilematta jos eroaa noin, ettei käytännössä voi suoraan vaihtaa. Ittellä ei toistaiseksi taida olla vielä puutetta "aidoista" ECC85:kaan.
Ilpo
Ilpo J Leppänen - OH5IJL
WWW
IP kirjattu
Markus Hautaniemi
God Member
Poissa
SRHS 81
Viestejä: 2588
Sijainti: Kokkola
Re: ECC85
Vastaus #35 -
23.07.2014 klo 23:41:43
Tulosta viesti
6N1P-EV(6Н1П) tuntuu toimivan ECC85 tilalla. Herkkyys ehkä hieman tippui, mutta viritys pysyi kohdallaan. Kokeiltu Grundig 4090a radiossa.
WWW
IP kirjattu
Markus Hautaniemi
God Member
Poissa
SRHS 81
Viestejä: 2588
Sijainti: Kokkola
Re: ECC85
Vastaus #36 -
23.07.2014 klo 23:51:05
Tulosta viesti
6BQ7A=ECC180 soveltuvuus ECC85 tilalle myös kiinnostaisi tietää?
WWW
IP kirjattu
oh1feb
Senior Member
Poissa
Viestejä: 485
Sijainti: Raisio
Re: ECC85
Vastaus #37 -
24.07.2014 klo 10:01:13
Tulosta viesti
Ei ole tullut kokeiltua, mutta olisin vaan kysellyt, josko tuo pcc189,jota käytettiin telkkareissa kanavanvalitsimissa, saattaisi toimia tuon tilalla jotenkin? Tuo "tieto" tuli kerran eräältä tv-mekanikolta.
IP kirjattu
Markus Hautaniemi
God Member
Poissa
SRHS 81
Viestejä: 2588
Sijainti: Kokkola
Re: ECC85
Vastaus #38 -
24.07.2014 klo 11:52:29
Tulosta viesti
6N1P-EV(6Н1П) soveltuvuus ei ole ihan täydellinen. Kokeilin laittaa alkuperäisen ECC85 takaisin. Kyllä se paremmin toimii kuin 6N1P-EV(6Н1П). Noin tunnin päällä olen jälkeen 6N1P-EV(6Н1П) radiossa aiheutti häiriötä äänenlaatuun. Alkuperäisellä ECC85:lla niitä ei kuulunut. Toisin sanoen ECC85 korvaajan etsintä jatkuu...
WWW
IP kirjattu
OH5FED
God Member
Poissa
SRHS #627
Viestejä: 739
Sijainti: Hamina
Re: ECC85
Vastaus #39 -
24.07.2014 klo 12:33:04
Tulosta viesti
Vanhempi 6N5P on yksi korvike (jos niitä jostain löytää):
http://www.radiohistoria.fi/cgi-bin/yabb2/YaBB.pl?num=1366662556/12#12
Samuli | OH5FED
IP kirjattu
kkv
God Member
Poissa
SRSH
Viestejä: 1193
Re: ECC85
Vastaus #40 -
20.09.2014 klo 19:30:49
Tulosta viesti
Olen kokeillut viikon ajan Celeston Stereo Cadet radiossa ECC85:n tilalla 1960-luvun televisioiden kanavanvalitsijassa käytettyä PCC88 putkea. Radio on soinut pari tuntia päivittäin. PCC88 on tarkoitettu kaskodi-kytkentään ja hehkujännitteen pitäisi olla 7,6 V. Käyttämäni putki on jonkin entisen tv-huollon varastoon kuulunut halpa huoltoputki. Paketti oli avaamaton. Merkki on ZaeriX.
Kuluneilla korvillani en huomaa äänessä eroa radiossa olleeseen ECC85-putkeen verrattuna. Kuntelupaikka on Turun Runosmäessä.
Kauko Viitanen
«
Viimeksi muokattu: 20.09.2014 klo 20:39:28 Kirjoittaja kkv
»
IP kirjattu
Viitsu
YaBB Newbies
Poissa
Viestejä: 1
Re: ECC85
Vastaus #41 -
20.09.2014 klo 22:15:01
Tulosta viesti
Uskomaton ajoitus! Vaimon edesmenneen isoisän Philips NovoSonic on odottanut korjausta jo monta vuotta. Tänään päätin syventyä asiaan ja hain tallista kaikki varaosaputket ja sieltä löytyi apuun käyttämätön Telefunken PCC88 ja nyt soi hienosti!
IP kirjattu
Markus Hautaniemi
God Member
Poissa
SRHS 81
Viestejä: 2588
Sijainti: Kokkola
Re: ECC85
Vastaus #42 -
20.09.2014 klo 22:50:24
Tulosta viesti
Näin ollen myös PCC85 voisi toimia, jos sellaisen löytää jostain. Sen hehkujännite on ~ 9 V. Itse käytin vuosia putkivahvistimessa ECC83 putkea väärällä jännitteellä. Se oli kytketty 12,6 voltille, vaikka syötin sitä 6,3 voltilla. Hyvin se toimi silti; tosin näkyvää hehkua ei näkynyt. Myöhemmin muutin putkivahvistimen hehkukytkennän oikeaksi.
WWW
IP kirjattu
Jukka Rajala
God Member
Poissa
SRHS
Viestejä: 1459
Sijainti: Helsinki
Re: ECC85
Vastaus #43 -
21.09.2014 klo 10:18:41
Tulosta viesti
Samantyyppisen virityksen törmäsin kun aloin tarkastelemaan taannoin hankkimaani Grundig Wobbelsender 6016:ta. Grundigissa oli ECF80 korvattu PCF80:lla. Kuitenkin toimi ko. putkella.
IP kirjattu
kkv
God Member
Poissa
SRSH
Viestejä: 1193
Re: ECC85
Vastaus #44 -
21.09.2014 klo 15:11:04
Tulosta viesti
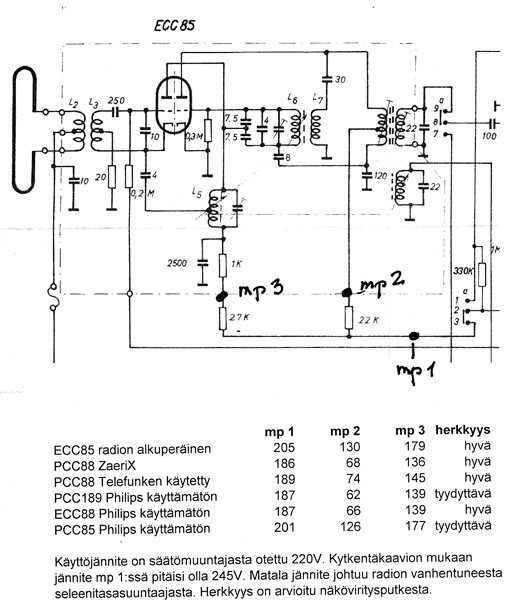
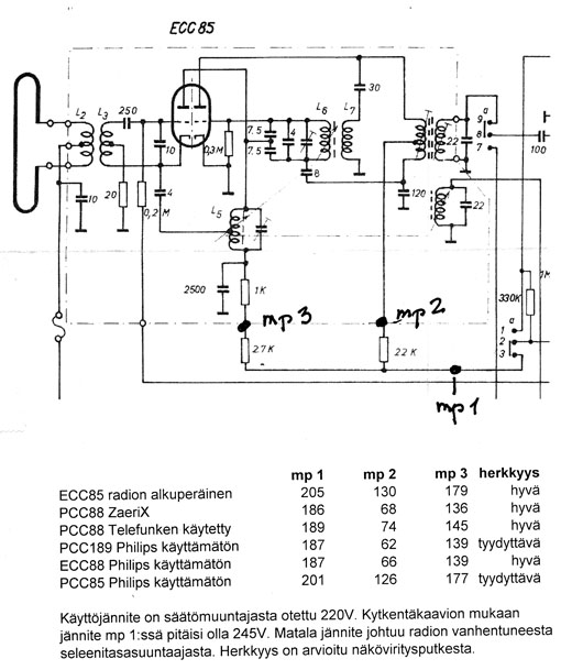
Tarkennan vähän PCC88:n kokeilukäyttöä. Alunperin ajattelin kokeilla kuinka kauan putki kestää radiossa ilman kytkentämuutoksia. Sehän todennäköisesti joutuu toimimaan radiossa normaalien käyttöarvojen ulkopuolella. Koska putki näytti toimivan ja kiinnostusta asiaan ilmeni, tein joitakin lisäkokeita.
Ohessa on tuloksia jännitemittauksista taulukon muodossa käytettäessä taulokossa mainittuja putkia. Herkkyyden arvioin radion näköviritysputkestä.
Mittausten aikana paljastui, että radiossa on normaalia matalampi anodijännite ja että kaaviossa mp2:n yhteydessä olevan 22k:n vastuksen arvo on muuttunut 28k:ksi.
Jotakin tuloksista kuitenkin näkee. Paras vaihtoehto ECC85:lle kokeilluista on PCC85 ja huonoin PCC189.
Jatkuva PCC88:n käyttö vaatisi ilmeisesti kytkentämuutoksia, joilla putken toimintajännitteet saadaan paremmin kohdalleen.
Kauko Viitanen
HUOM! Vaihdoin 22k vastuksen uuteen 1W vastukseen ja korjasin aikaisemman virheellisen taulukon. Mukana on nyt myös ECC88.
«
Viimeksi muokattu: 21.09.2014 klo 21:04:27 Kirjoittaja kkv
»
mittauksia_ver2.jpg
( 87 KB | 0 latausta )
IP kirjattu
Sivu:
1
2
[3]
4
Lähetä aihe
Tulosta
‹
Edellinen aihe
|
Seuraava aihe
›
Foorumihyppy »
Koti
» 10 viimeisintä viestiä
» 10 viimeisintä aihetta
Suomen Radiohistoriallinen Seura ry - Keskustelufoorumi
Suomen Radiohistoriallinen Seura ry
Jäsenalue
Yleistä radiohistoriasta
Kotimaiset radiot, televisiot ja äänentoistolaitteet
Ulkomaiset radiot, televisiot ja äänentoistolaitteet
Muut radio- ja elektroniikkalaitteet
Entisöinti ja kunnostus yleisellä tasolla
Omatekoiset laitteet ja rakentelu
Sotilasradiot ja Perinneradiot
Yleinen keskustelualue ««
Niitä Näitä
Haku päällä
« Koti
‹ Alue
SRHS Forum
» Powered by
YaBB 2.6.12
!
YaBB Forum Software
© 2000-2026. Kaikki oikeudet pidätetään.