Valitse kieli:
English
Suomi
Tervetuloa, Vieras. Ole hyvä ja
kirjaudu
tai
Rekisteröidy
Koti
Ohjeita
Haku
Kirjaudu
Rekisteröidy
Liity SRHS:n jäseneksi
SRHS Forum
›
Suomen Radiohistoriallinen Seura ry - Keskustelufoorumi
›
Ulkomaiset radiot, televisiot ja äänentoistolaitteet
› Grundig 5040W 3D
‹
Edellinen aihe
|
Seuraava aihe
›
Sivu: 1
Lähetä aihe
Tulosta
Grundig 5040W 3D (Luettu 246 kertaa)
Ville-Matti
God Member
Poissa
SRSH<br />
Viestejä: 898
Grundig 5040W 3D
13.04.2026 klo 11:26:50
Tulosta viesti
Hei,
Kuuntelupaikalle on päätynyt Grundig 5040W 3D. Erittäin hyvin soiva kone EL12 SE -päätteellä ja vakuuttavalla kaiutinvarustelulla.
Kunnostusprojekti lyhyesti:
- koneiston puhdistus
- putkilomallisen seleenitasurin vaihto virkeään varaosaseleeniin (B250C150).
- kondensaattorien sekä elkojen uusinta; tämä kun on käyttöradio päivittäiseen kuunteluun
- näköviritysputken kantakytkennän muutos, jotta harvinaisen EM85:n tilalla voi käyttää EM80 -putkea
- ison pääkaiuttimen korjaus
-> Puhekela hankasi magneetin keskipaaluun. Alempi ripustus on kiinnitetty fiksusti ruuvikiinnityksillä elementin runkoon, joten uudelleen keskittäminen oli melko helppoa tehdä.
->Elementissä on erikoiset läpiviennit kartion nurkissa, ja niiden leikkauspinnat oli päällystetty jollakin jo ajat sitten kovettuneella suoja-aineella. Tämän vuoksi kartio oli liian jäykkä eikä toistanut bassoja kunnolla. Leikkasin mattoveitsellä kovettuneet massat pois, ja johan alkoi bassot kuulua muhkeasti. Mikäli jollakulla on vastaava Grundig jättimäisellä ovaalilla bassokaiuttimella, kannattaa ylempi ripustus tarkistaa. Jos läpivienneissä on kovettunutta suoja-ainetta tms., niiden poistaminen parantaa ääntä merkittävästi.
Tässä mallissa on myös monimutkainen viritysmuistiautomaatti. Sen toimintaan en ole yrittänyt perehtyä, eikä se toimi tällä hetkellä oikein. Automaatti kyllä liikkuu, mutta se ei pysähdy vaan ajaa osoittimen aina asteikon äärilaitaan.
20260413_105940_copy_1020x765.jpg
( 245 KB | 4 latausta )
Sisakuva.jpg
( 142 KB | 4 latausta )
WWW
IP kirjattu
Ville-Matti
God Member
Poissa
SRSH<br />
Viestejä: 898
Re: Grundig 5040W 3D
Vastaus #1 -
13.04.2026 klo 12:48:44
Tulosta viesti
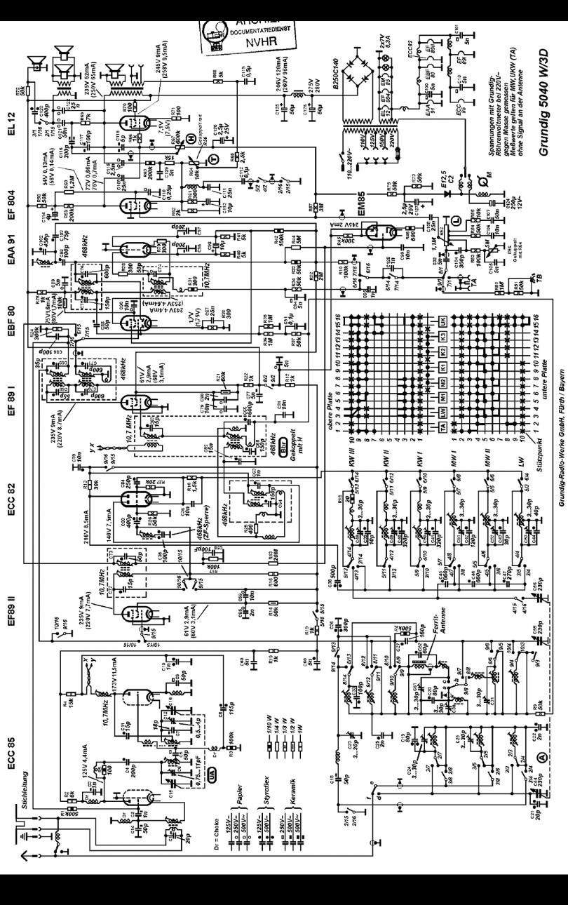
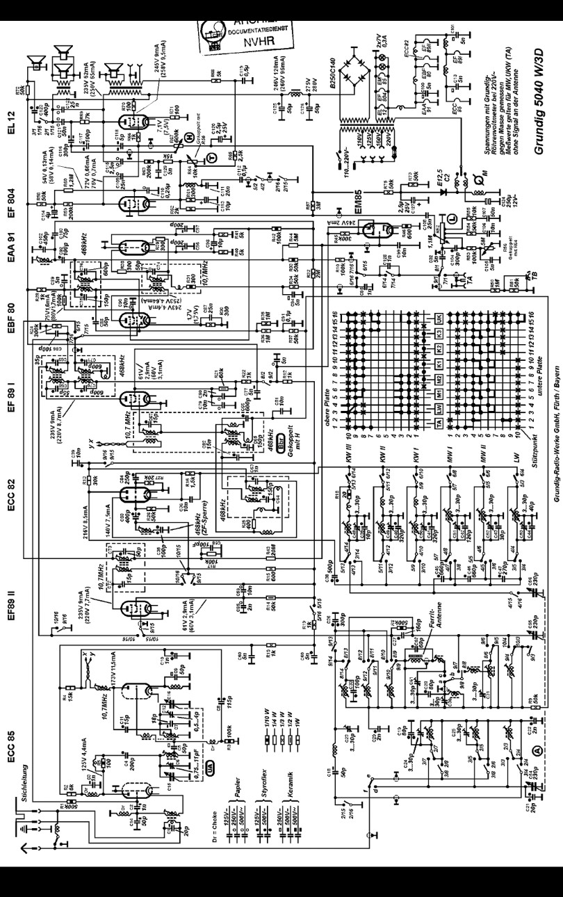
Kytkentäkaavio
Screenshot_20260413_124954_AdobeAcrobat_copy_810x1290.jpg
( 320 KB | 12 latausta )
WWW
IP kirjattu
VjpA
God Member
Poissa
SRHS
Viestejä: 2679
Sijainti: Vantaa
Re: Grundig 5040W 3D
Vastaus #2 -
15.04.2026 klo 21:48:25
Tulosta viesti
RM.org:in sivuilla on juttua tästä ongelmasta:
https://www.radiomuseum.org/forum/grundig_motor_tuning_for_type_5040w_3d.html
Grundig:ssa se hakutoiminto eroaa Saban systeemistä, Luxury radios- sivulla on juttua tästä mallista myös.
t. // Jukka
IP kirjattu
Sivu: 1
Lähetä aihe
Tulosta
‹
Edellinen aihe
|
Seuraava aihe
›
Foorumihyppy »
Koti
» 10 viimeisintä viestiä
» 10 viimeisintä aihetta
Suomen Radiohistoriallinen Seura ry - Keskustelufoorumi
Suomen Radiohistoriallinen Seura ry
Jäsenalue
Yleistä radiohistoriasta
Kotimaiset radiot, televisiot ja äänentoistolaitteet
Ulkomaiset radiot, televisiot ja äänentoistolaitteet ««
Muut radio- ja elektroniikkalaitteet
Entisöinti ja kunnostus yleisellä tasolla
Omatekoiset laitteet ja rakentelu
Sotilasradiot ja Perinneradiot
Yleinen keskustelualue
Niitä Näitä
Haku päällä
« Koti
‹ Alue
SRHS Forum
» Powered by
YaBB 2.6.12
!
YaBB Forum Software
© 2000-2026. Kaikki oikeudet pidätetään.