Sivunvalintanappi Sivu: [1] 2  Lähetä aiheTulosta
Erittäin kuuma aihe (Enemmän kuin 25 vastausta) Saba Villingen 11 -- Ei kai tämän näin kuuluisi olla? (Luettu 1192 kertaa)
Karza
YaBB Newbies
*
Poissa



Viestejä: 36
Saba Villingen 11 -- Ei kai tämän näin kuuluisi olla?
03.04.2026 klo 21:38:12
Tulosta viesti  
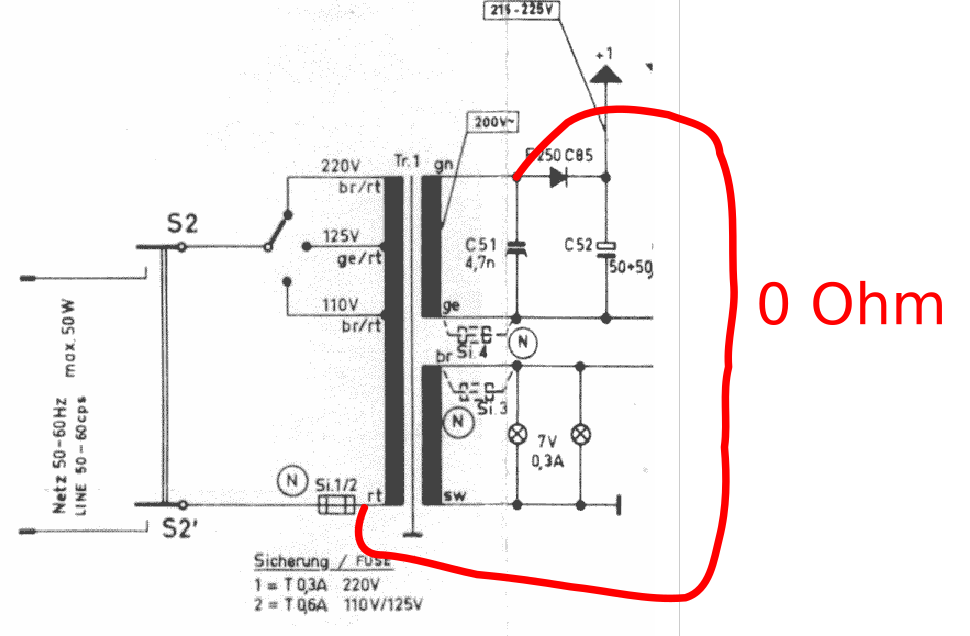
Pöydällä Saba Villlingen 11 hurinaongelman takia.

Tähän on joskus vaihdettu verkkomuuntaja.

Huomasin yllätyksekseni ( tai kauhukseni ) että muuntajan ensiöpuolelta on vedetty suora piuha seleenitasasuuntaajan anodille. Muuntaja syöttää vain hehkuja.
Radiosta on siis tehty puoliksi yleisvirtalaite.

Ratkaisu ei minusta vaikuta kovin turvalliselta...

Sopivaa muuntajaa ei ole käytettävissä joten radion kohtalo lienee päätyä varaosiksi tai koriste-esineeksi.  Nolostunut

Vai mikä on arvoisan raadin tuomio?

Terv: Kari
  

Problem2.jpg ( 413 KB | 19 latausta )
Problem2.jpg
0ohm.png ( 70 KB | 15 latausta )
0ohm.png
Sivun alkuun
 
IP kirjattu
 
Raimo Sjöberg
God Member
*****
Poissa


SRHS #313

Viestejä: 1560
Sijainti: Espoo
Re: Saba Villingen 11 -- Ei kai tämän näin kuuluisi olla?
Vastaus #1 - 04.04.2026 klo 14:26:07
Tulosta viesti  
Jos tuo tuollaisena on toiminut, täytyy verkkomuuntajan olla kunnossa. Järkisyytä tuollaiselle "oikaisulle" en tosin löydä. Isoloitu puolihan kelluu joko verkon vaihessa tai nollassa pistokkeen asennosta riippuen.
  

Rami  OH1AYG - OH2AUS
Sivun alkuun
WWW  
IP kirjattu
 
Karza
YaBB Newbies
*
Poissa



Viestejä: 36
Re: Saba Villingen 11 -- Ei kai tämän näin kuuluisi olla?
Vastaus #2 - 04.04.2026 klo 15:09:41
Tulosta viesti  
Raimo Sjöberg kirjoitti 04.04.2026 klo 14:26:07:
...Isoloitu puolihan kelluu joko verkon vaihessa tai nollassa pistokkeen asennosta riippuen.


Eipä kellukaan tässä. Chassiksessa on maata vasten 230 V kun 'asianmukaisesti' viilattu verkkokosketin on sopivassa asennossa.

Se tässä minua lievästi sanoen arveluttaa.

'Kari

  

Chassis_230.jpg ( 395 KB | 11 latausta )
Chassis_230.jpg
Sivun alkuun
 
IP kirjattu
 
Raimo Sjöberg
God Member
*****
Poissa


SRHS #313

Viestejä: 1560
Sijainti: Espoo
Re: Saba Villingen 11 -- Ei kai tämän näin kuuluisi olla?
Vastaus #3 - 04.04.2026 klo 15:34:45
Tulosta viesti  
Kellumisella tarkoitin juuri tätä. Eli joko nolla tai vaihe on chassiksessa, mutta virtapiiriä ei muodostu. Ellei sitten käyttäjä ryhdy virtapiirin osaksi.
  

Rami  OH1AYG - OH2AUS
Sivun alkuun
WWW  
IP kirjattu
 
Karza
YaBB Newbies
*
Poissa



Viestejä: 36
Re: Saba Villingen 11 -- Ei kai tämän näin kuuluisi olla?
Vastaus #4 - 04.04.2026 klo 16:15:17
Tulosta viesti  
Raimo Sjöberg kirjoitti 04.04.2026 klo 15:34:45:
Eli joko nolla tai vaihe on chassiksessa


Eihän verkkomuuntajalla varustetussa radiossa chassiksesta pitäisi koskaan löytyä verkon vaihetta??

  
Sivun alkuun
 
IP kirjattu
 
Raimo Sjöberg
God Member
*****
Poissa


SRHS #313

Viestejä: 1560
Sijainti: Espoo
Re: Saba Villingen 11 -- Ei kai tämän näin kuuluisi olla?
Vastaus #5 - 04.04.2026 klo 16:39:15
Tulosta viesti  
Karza kirjoitti 04.04.2026 klo 16:15:17:
Eihän verkkomuuntajalla varustetussa radiossa chassiksesta pitäisi koskaan löytyä verkon vaihetta??


Ei todellakaan. Enkä ole sellaista väittänytkään, ihmettelin vain tuon kytkennän ideaa tai paremminkin sen puutetta.
  

Rami  OH1AYG - OH2AUS
Sivun alkuun
WWW  
IP kirjattu
 
VjpA
God Member
*****
Poissa


SRHS

Viestejä: 2679
Sijainti: Vantaa
Re: Saba Villingen 11 -- Ei kai tämän näin kuuluisi olla?
Vastaus #6 - 04.04.2026 klo 18:09:02
Tulosta viesti  
Muuntaja näyttää olevan Saloran radiosta, ota tuo hyppylanka pois ja katso toimiiko ja tuleko muuntajalta suunnilleen ne jännitteet mitä pitäisi.
Jos anodijännitteet on pielessä/ riittämättömät, voi olla toisen muuntajan hankinta edessä.

Tuossa mallia yhdestä Telefunken:ista:
https://www.radiohistoria.fi/cgi-bin/yabb2/YaBB.pl?num=1717522824/#8
  

t. // Jukka
Sivun alkuun
 
IP kirjattu
 
Karza
YaBB Newbies
*
Poissa



Viestejä: 36
Re: Saba Villingen 11 -- Ei kai tämän näin kuuluisi olla?
Vastaus #7 - 04.04.2026 klo 19:30:15
Tulosta viesti  
VjpA kirjoitti 04.04.2026 klo 18:09:02:
ota tuo hyppylanka pois ja katso toimiiko


En usko että toimisi, koska tuo hyppylanka on ainoa, mikä on kytketty tasasuuntaajan anodille.

Luulenpa, että tässä on tehty sellainen pikainen ja likainen (suomeksi quick and dirty) ratkaisu, että sitä Saloran muuntajaa käytetään vain hehkuille ja anodijännite hoidetaan tuolla virityksellä.

Koska tinaan tätä kaverin puolesta, teimme sellaisen päätöksen, että moinen hässäkkä puretaan ja hommataan jostain (mistähän?) toinen muuntaja.
  
Sivun alkuun
 
IP kirjattu
 
VjpA
God Member
*****
Poissa


SRHS

Viestejä: 2679
Sijainti: Vantaa
Re: Saba Villingen 11 -- Ei kai tämän näin kuuluisi olla?
Vastaus #8 - 04.04.2026 klo 20:48:33
Tulosta viesti  
Onko siinä radiossa toinenkin verkkomuuntaja??
Mittaamalla homma selviää, tuossa muuntajakuvassa on merkitty ympyrän sisään N, mikä tarkoittaa pohjolan versiota ja silloin nuo sulakkeet löytyy aparaatista. Kun otat anodipuolen sulakkeen irti ja mittaat vaihtojännitealueella mitä toisio antaa, niin siitä voi jo päätellä onko muuntajassa eloa hehkupuoli ilmeisesti toimii.
Tää Saba on verrattain yksinkertainen radio, kytkennältään muistuttaa tuota;
https://www.radiohistoria.fi/cgi-bin/yabb2/YaBB.pl?num=1230482541/all#22
  

t. // Jukka
Sivun alkuun
 
IP kirjattu
 
RJL
God Member
*****
Poissa


SRHS 612

Viestejä: 2768
Re: Saba Villingen 11 -- Ei kai tämän näin kuuluisi olla?
Vastaus #9 - 04.04.2026 klo 21:04:09
Tulosta viesti  
Kannattaa mitata paljonko jännitettä sieltä muuntajan anodikäämiltä tulisi. Jos tulee 230 V tai enemmän, voi kokeilla nykyisellä tasasuuntaajalla. Luultavasti tasasuuntaaja on väsähtänyt, jos sen korvaa yhdellä 1N4004 tai 1N4007 diodilla, saadaankin jo paljon reilummin anodijännitettä. Jos vielä kytkentään vaihdetaan kokoaaltotasasuuntaaja, paranee tilanne huomattavasti. Putkiradio ei ole kovin nirso anodijännitteestä, jos se on pari kymmentä volttia liian alhainen, ei vaikutusta oikein huomaa. Muuntajan teho varmasti riittää, toinen asia on anodikäämi, mille jännitteelle se on käämitty.
  

Reijo Liljedahl - SRHS 612 - OH3AVA - SDXL 8092
Sivun alkuun
 
IP kirjattu
 
Karza
YaBB Newbies
*
Poissa



Viestejä: 36
Re: Saba Villingen 11 -- Ei kai tämän näin kuuluisi olla?
Vastaus #10 - 04.04.2026 klo 22:29:30
Tulosta viesti  
VjpA kirjoitti 04.04.2026 klo 20:48:33:
Onko siinä radiossa toinenkin verkkomuuntaja??
Mittaamalla homma selviää, tuossa muuntajakuvassa on merkitty ympyrän sisään N, mikä tarkoittaa pohjolan versiota ja silloin nuo sulakkeet löytyy aparaatista. Kun otat anodipuolen sulakkeen irti ja mittaat vaihtojännitealueella mitä toisio antaa, niin siitä voi jo päätellä onko muuntajassa eloa hehkupuoli ilmeisesti toimii.


Ei ole kuin yksi verkkomuuntaja.

Sulakkeista löytyy muuntajan ensiöpuolen sulake.

Anodipuolen ( toision ) sulake ei ole skeman mukaisessa paikassa, vaan se on kytketty seleenitasasuuntajan ja ensimmäisen suotolyytin väliin.

Hehkupiiristä ei löydy sulaketta, piuhat on kytketty suoraan maahan ja piirilevylle.

Muuntajan anodikäämejä ei ole kytketty yhtään mihinkään.

Hehkut hehkuvat kyllä; ainut tehtävä mitä tämä muuntaja toimittaa tässä värkissä.

  
Sivun alkuun
 
IP kirjattu
 
LGL.
God Member
*****
Poissa



Viestejä: 1352
Re: Saba Villingen 11 -- Ei kai tämän näin kuuluisi olla?
Vastaus #11 - 05.04.2026 klo 10:28:13
Tulosta viesti  
On selvä että tuo oikosulkulanka on poistettava ja kytkeä langat niin kuin skemassa on esitetty! Jos tasasuuntajan katodipuolella ei tulee tasajännitettä, vaihda  Se-diodiin nk RJL tuossa jo mainitsi. Näyttää siltä että trafon toisio (anodi) on kunnossa jos kuuluu kova hurina kaiuttimesta, mutta Ge-tasuri on väsynyt.
Jos anodi-käämi ei ole kytketty mihinkään, miksi? Onko käämi poikki?

Kuriositeettina voidaan mainita että esim Blaupunkt Santos 2212 radiossa on otettu anodijännitettä suoraan trafon ensiöpuolelta. Mutta se toinen juttu.

LGL
  
Sivun alkuun
 
IP kirjattu
 
Karza
YaBB Newbies
*
Poissa



Viestejä: 36
Re: Saba Villingen 11 -- Ei kai tämän näin kuuluisi olla?
Vastaus #12 - 05.04.2026 klo 12:16:28
Tulosta viesti  
LGL. kirjoitti 05.04.2026 klo 10:28:13:
On selvä että tuo oikosulkulanka on poistettava ja kytkeä langat niin kuin skemassa on esitetty! J


No sitähän minäkin.

LGL. kirjoitti 05.04.2026 klo 10:28:13:
..Jos tasasuuntajan katodipuolella ei tulee tasajännitettä...


Kyllä siellä tasajännitettä tulee. Radio toimii, mitä nyt vaan hurisee.

LGL. kirjoitti 05.04.2026 klo 10:28:13:
Näyttää siltä että trafon toisio (anodi) on kunnossa jos kuuluu kova hurina kaiuttimesta,


Muuntajan anodipuolta ei tässä ole kytketty yhtään mihinkään.

Oheisessa kuvassa toisopiuhoista mitatut jännitteet ( VAC, ilman kuormaa )

Hurina ei ole mahdottoman kova mutta kovempi kuin kunnossa olevasta
putkarista pitäisi kuulua.

LGL. kirjoitti 05.04.2026 klo 10:28:13:
Kuriositeettina voidaan mainita että esim Blaupunkt Santos 2212 radiossa on otettu anodijännitettä suoraan trafon ensiöpuolelta.


No jopas. Tämä potilaani on nyt kytketty kuin tuo Santos.
Joku on meinannut tehdä tästä Sabasta Blaukkarin.


  

Jannitteita.png ( 421 KB | 11 latausta )
Jannitteita.png
Sivun alkuun
 
IP kirjattu
 
VjpA
God Member
*****
Poissa


SRHS

Viestejä: 2679
Sijainti: Vantaa
Re: Saba Villingen 11 -- Ei kai tämän näin kuuluisi olla?
Vastaus #13 - 05.04.2026 klo 13:25:06
Tulosta viesti  
Muuntaja näyttää olevan kunnossa anodijännitteen osalta, tuossa on mahdollisuus käyttää vain toista käämipuoliskoa (269 V~ ilman kuormaa) tai sitten käyttää puoliaalto tasasuuntausta ja molempia käämejä keskioton toimiessa maatasona (katso mun linkissä Luxorin virtalähdekuvaa).

Saban kaavion piirtäjä on säästänyt tussia ja piirtänyt vain yhden diodin, kuitenkin alöitusviestissä on seleenitasuri kuvassa ja kaavioonkin on merkitty B tai E? 250 C85. Seuraavaksi kannattaa tutkia onko tasuri kunnossa vai oikosulussa.
Kaaviossa se sulake on piirretty muuntajan ja tasasuuntaajan väliin suojaamaan toisiokäämiä oikosulkutilanteessa ja jos seleeni on oikosessa, niin käämikin käryää tämän radion sulakesijoituksen takia.
  

t. // Jukka
Sivun alkuun
 
IP kirjattu
 
Karza
YaBB Newbies
*
Poissa



Viestejä: 36
Re: Saba Villingen 11 -- Ei kai tämän näin kuuluisi olla?
Vastaus #14 - 05.04.2026 klo 14:29:23
Tulosta viesti  
VjpA kirjoitti 05.04.2026 klo 13:25:06:
Saban kaavion piirtäjä on säästänyt tussia ja piirtänyt vain yhden diodin, kuitenkin alöitusviestissä on seleenitasuri kuvassa ja kaavioonkin on merkitty B tai E? 250 C85. Seuraavaksi kannattaa tutkia onko tasuri kunnossa vai oikosulussa.


Kyllä sillä piirtäjällä on ollut tussit latingissa  Hymiö Tasuri on mallia E250C85
eli yksi hikinen diodi. ( Jos olisi kokoaaltotasuri niin pitäisi kaiketi olla neljä nastaa..  )

https://www.radiomuseum.org/tubes/tube_e250c85.html

Tasuri on kyllä kunnossa koska DC:tä löytyy ja radio laulaa.
  
Sivun alkuun
 
IP kirjattu
 
Sivunvalintanappi Sivu: [1] 2 
Lähetä aiheTulosta