Valitse kieli:
English
Suomi
Tervetuloa, Vieras. Ole hyvä ja
kirjaudu
tai
Rekisteröidy
Koti
Ohjeita
Haku
Kirjaudu
Rekisteröidy
Liity SRHS:n jäseneksi
SRHS Forum
›
Suomen Radiohistoriallinen Seura ry - Keskustelufoorumi
›
Omatekoiset laitteet ja rakentelu
› Torotor 2-OA-12 kelasarjaradio, vm.1950-2
‹
Edellinen aihe
|
Seuraava aihe
›
Sivu:
[1]
2
3
Lähetä aihe
Tulosta
Torotor 2-OA-12 kelasarjaradio, vm.1950-2 (Luettu 9787 kertaa)
Heikki Rinnemaa
God Member
Poissa
Viestejä: 794
Sijainti: tampere
Torotor 2-OA-12 kelasarjaradio, vm.1950-2
12.10.2022 klo 08:35:53
Tulosta viesti
Korjasin mielenkiinnosta radiota ja levysoitinta kohtaan, tämän kuvan kaapin. Siitä olisi tiedustelua että kukahan mahtaisi olla radiokoneiston tekijä tai tekijätehdas,, ja kenen valmistama levysoitin. Radio voi olla myös osista tehty? Kaappi on kuitenkin omatekemän jonkun 40-50 luvulla.
«
Viimeksi muokattu: 23.10.2022 klo 11:42:12 Kirjoittaja
Moderaattori
»
4_011.JPG
( 78 KB | 130 latausta )
IP kirjattu
Heikki Rinnemaa
God Member
Poissa
Viestejä: 794
Sijainti: tampere
Re: Tuntematon radiomalli, kuka liene tekijä?
Vastaus #1 -
12.10.2022 klo 08:36:27
Tulosta viesti
Levysoitin, levylautanen ei nyt paikallaan.
6_004.JPG
( 151 KB | 127 latausta )
IP kirjattu
Heikki Rinnemaa
God Member
Poissa
Viestejä: 794
Sijainti: tampere
Re: Tuntematon radiomalli, kuka liene tekijä?
Vastaus #2 -
12.10.2022 klo 08:36:58
Tulosta viesti
Radio edestä.
2_006.JPG
( 129 KB | 122 latausta )
IP kirjattu
Heikki Rinnemaa
God Member
Poissa
Viestejä: 794
Sijainti: tampere
Re: Tuntematon radiomalli, kuka liene tekijä?
Vastaus #3 -
12.10.2022 klo 08:37:17
Tulosta viesti
Takaa.
1_008.JPG
( 170 KB | 123 latausta )
IP kirjattu
Heikki Rinnemaa
God Member
Poissa
Viestejä: 794
Sijainti: tampere
Re: Tuntematon radiomalli, kuka liene tekijä?
Vastaus #4 -
12.10.2022 klo 08:38:01
Tulosta viesti
Alta. Metrialueita siis taajuusalueita riittää.
3_013.JPG
( 79 KB | 116 latausta )
IP kirjattu
Lasse Nirhamo
God Member
Poissa
SRHS #12
Viestejä: 962
Sijainti: Nurmes
Re: Tuntematon radiomalli, kuka liene tekijä?
Vastaus #5 -
12.10.2022 klo 11:09:57
Tulosta viesti
Radio on itsetehty kuten kaappikin.
Olen etsinyt kelasarjan tietoja, ei vielä löytynyt...
Levysoitin on Ronetti, Supraphone koneistolla, johon Suomessa on vaihdettu Ronette äänivarsi.
vastasin näin jo Torilla.
Ystävällisesti Lasse - Radiohistorian parissa jo vuodesta 1951
IP kirjattu
Heikki Rinnemaa
God Member
Poissa
Viestejä: 794
Sijainti: tampere
Re: Tuntematon radiomalli, kuka liene tekijä?
Vastaus #6 -
14.10.2022 klo 07:29:56
Tulosta viesti
Putsailin putkia ja yhdestä puuttui tunnukset,,arveleisin että voisi olla EF41?
Pitää koettaa piirtää kytkentäkaaviota laitteesta pikku hiljaa,,
Sieppaa_035.JPG
( 106 KB | 124 latausta )
IP kirjattu
VjpA
God Member
Poissa
SRHS
Viestejä: 2679
Sijainti: Vantaa
Re: Tuntematon radiomalli, kuka liene tekijä?
Vastaus #7 -
14.10.2022 klo 16:02:39
Tulosta viesti
Mielenkiintoinen kapistus varmaan vuosilta 1950-52, putket voisivat olla: EF41 ECH42 E?F42 EBC41 EF41 EM4 AZ1, 7 kpl.
Esim. SABA Freiburg W4, valintanäppis kuten ASA1135 (12 kytkintä) erinlaisilla painikkeilla.
Onkohan siinä myös ULA, EF41 viittaa siihen mahdollisuuten?
Tuo tuntematon putki on Rimloc-kannalla, vois vertailla putkikuvista rakenteen perusteella.
t. // Jukka
IP kirjattu
Lasse Nirhamo
God Member
Poissa
SRHS #12
Viestejä: 962
Sijainti: Nurmes
Re: Tuntematon radiomalli, kuka liene tekijä?
Vastaus #8 -
14.10.2022 klo 17:26:36
Tulosta viesti
Putket EF42, ECH42, EF41, EBC41, EL41, EM4, AZ1
Kelasarja on Torotor Spolecentral Type 2OC tai 3OC, säätökondensaattori Type RF500
Jos jollakin on käsillä kirja ”Kelasarjat ja niiden käyttö” voisi tarkistaa löytyykö radioon kytkentäkaavio
Ystävällisesti Lasse - Radiohistorian parissa jo vuodesta 1951
IP kirjattu
Heikki Rinnemaa
God Member
Poissa
Viestejä: 794
Sijainti: tampere
Re: Tuntematon radiomalli, kuka liene tekijä?
Vastaus #9 -
15.10.2022 klo 07:05:02
Tulosta viesti
Josko jollakulla on tuo kelasarjakirja tai sen skannaus ottaisin mielelläni vastaan.
Taajuusalueet on tässä kuvassa, eli painikkeiden symbolit. Lahti laitettu yhdelle napille ilmeisesti kohdalleen valmiiksi,,pikavalinta,,
Sieppaa_036.JPG
( 18 KB | 132 latausta )
IP kirjattu
Lasse Nirhamo
God Member
Poissa
SRHS #12
Viestejä: 962
Sijainti: Nurmes
Re: Tuntematon radiomalli, kuka liene tekijä?
Vastaus #10 -
15.10.2022 klo 17:15:31
Tulosta viesti
Tarkennetaan lisää, kirja löytyi, oli arkiston hyllyllä…
Kelasarja on Torotor 2-OA-12, 9 aaltoaluetta, 12 näppäintä, (asteikossa 2-OC).
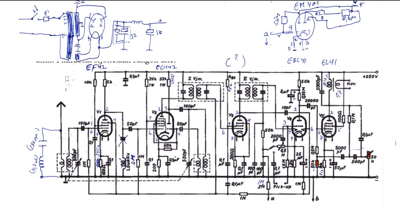
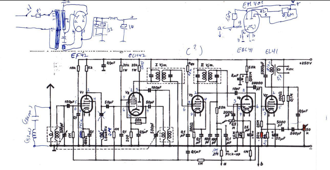
Selostus on suppea, kytkentäkaavio on kelakeskuksesta, ei koko radiosta! Tyyppi 2 on ilman suurtaajuusvahvistinta, 2-osainen säätökondensaattori.
Tässä radiossa on kuitenkin virittämätön suurtaajuusvahvistin EF42. Toinen vaihtoehto on, että suurtaajuusvahvistin on viritetty ja sekoittajan hilapiiri virittämätön? Ensimmäisessä vt-kelassa on myös kaistaleveyden säätö.
«
Viimeksi muokattu: 16.10.2022 klo 14:58:34 Kirjoittaja Lasse Nirhamo
»
Torotor.pdf
( 121 KB | 188 latausta )
Ystävällisesti Lasse - Radiohistorian parissa jo vuodesta 1951
IP kirjattu
Lasse Nirhamo
God Member
Poissa
SRHS #12
Viestejä: 962
Sijainti: Nurmes
Re: Tuntematon radiomalli, kuka liene tekijä?
Vastaus #11 -
16.10.2022 klo 14:54:55
Tulosta viesti
Uusi liite
Radion kytkennästä oheisessa liitteessä.
Uusi_rk.pdf
( 257 KB | 183 latausta )
Ystävällisesti Lasse - Radiohistorian parissa jo vuodesta 1951
IP kirjattu
VjpA
God Member
Poissa
SRHS
Viestejä: 2679
Sijainti: Vantaa
Re: Tuntematon radiomalli, kuka liene tekijä?
Vastaus #12 -
16.10.2022 klo 16:48:21
Tulosta viesti
Löysin yhdenkatalogin jossa on Torotor:nkin kaavioita, mutta ei juuri tähä suoraan sopivaa.
katalogi: Selección de Circuitos 1954, löytyy Torotor kaavioita sivut 401 – 435
Tässä kuvia sivuilta 402-403.
Lisäys: tuossa viestissä on kuva kanavanäppiksestä;
http://www.radiohistoria.fi/cgi-bin/yabb2/YaBB.pl?num=1626170484/15
«
Viimeksi muokattu: 16.10.2022 klo 17:29:53 Kirjoittaja VjpA
»
Torotor_5_putk-1.png
( 179 KB | 122 latausta )
osal.jpg
( 115 KB | 112 latausta )
t. // Jukka
IP kirjattu
Heikki Rinnemaa
God Member
Poissa
Viestejä: 794
Sijainti: tampere
Re: Tuntematon radiomalli, kuka liene tekijä?
Vastaus #13 -
18.10.2022 klo 07:52:18
Tulosta viesti
Näyttäisi olevan radiokirjan kaavio pienin muutoksin.
Tuntematon putki ei olle EF41 koska kannassa oli hyppylenkki 4-7 välillä. Olisiko sittenkin EF42,,tosin ulkonäkö ei ihan sama ole tuo alkupään EF42 kanssa,,???
kaavio_002.JPG
( 137 KB | 121 latausta )
IP kirjattu
Lasse Nirhamo
God Member
Poissa
SRHS #12
Viestejä: 962
Sijainti: Nurmes
Re: Tuntematon radiomalli, kuka liene tekijä?
Vastaus #14 -
18.10.2022 klo 08:33:43
Tulosta viesti
Kyllä kytkentä on varmaankin Harrastelijan radiokirjan mukainen.
Siemensin EF42 on kuvan mukainen ja kytkentä myös...
Siemens_EF42-.jpg
( 15 KB | 122 latausta )
EF42.jpg
( 32 KB | 117 latausta )
Ystävällisesti Lasse - Radiohistorian parissa jo vuodesta 1951
IP kirjattu
Sivu:
[1]
2
3
Lähetä aihe
Tulosta
‹
Edellinen aihe
|
Seuraava aihe
›
Foorumihyppy »
Koti
» 10 viimeisintä viestiä
» 10 viimeisintä aihetta
Suomen Radiohistoriallinen Seura ry - Keskustelufoorumi
Suomen Radiohistoriallinen Seura ry
Jäsenalue
Yleistä radiohistoriasta
Kotimaiset radiot, televisiot ja äänentoistolaitteet
Ulkomaiset radiot, televisiot ja äänentoistolaitteet
Muut radio- ja elektroniikkalaitteet
Entisöinti ja kunnostus yleisellä tasolla
Omatekoiset laitteet ja rakentelu ««
Sotilasradiot ja Perinneradiot
Yleinen keskustelualue
Niitä Näitä
Haku päällä
« Koti
‹ Alue
SRHS Forum
» Powered by
YaBB 2.6.12
!
YaBB Forum Software
© 2000-2026. Kaikki oikeudet pidätetään.