Valitse kieli:
English
Suomi
Tervetuloa, Vieras. Ole hyvä ja
kirjaudu
tai
Rekisteröidy
Koti
Ohjeita
Haku
Kirjaudu
Rekisteröidy
Liity SRHS:n jäseneksi
SRHS Forum
›
Suomen Radiohistoriallinen Seura ry - Keskustelufoorumi
›
Omatekoiset laitteet ja rakentelu
› Impedanssin sovitus
‹
Edellinen aihe
|
Seuraava aihe
›
Sivu: 1
Lähetä aihe
Tulosta
Impedanssin sovitus (Luettu 1781 kertaa)
Pertti L
Full Member
Poissa
SRSH
Viestejä: 243
Sijainti: Toivala
Impedanssin sovitus
15.03.2022 klo 09:03:20
Tulosta viesti
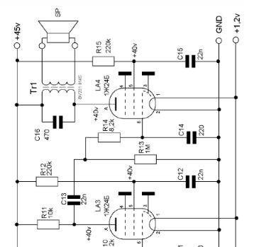
Kun noissa kytkennöissä tarvitaan sovittaa kaiutin tai kuuloke lähtö korkeasta impedanssista matalaksi, niin käytössä yleensä audiomuuntaja 10K/ jotakin. Mutta jos sopivaa ei löydy tai hinta on väärä mitä tapahtuu jos tilalle laittaa 230/jotakin piirilevymuuntajan. Liitteessä olevassa kytkennässä on käytetty Hahn BV2010145 (230V/12V) piirilevymuuntajaa. Pystyykö joku sanomaan mikä tämän muuntajan muuntosuhde on suurinpiirtein sovituskäytössä eli mistä impedanssista se muuttaa ja mihin ja toimiiko se siinä. Esimerkiksi Hammondin 107N(X) 10K/600 maksaa noin 25€ kun tuo piirilevymuuntaja noin 3€ tosin muunto ei ole sama (mikä?) ja Hammond on aito. Tarve ei olisi 600 Ohm vaan pienempi esim 4-8. Ei ole omistuksessa korkeaohmisia kuullokkeita.
Screenshot.jpg
( 31 KB | 136 latausta )
IP kirjattu
RJL
God Member
Poissa
SRHS 612
Viestejä: 2743
Re: Impedanssin sovitus
Vastaus #1 -
15.03.2022 klo 09:46:34
Tulosta viesti
Muuntajien kanssa tunnetaan käsite muuntosuhde, joka on sama kuin ensiön ja toision kierroslukujen suhde. Esim. 230/12 Voltin muuntajassa suhde on 230/12=19,2. Impedanssit muuntuvat muuntosuhteen neliön mukaan, eli tässä tapauksessa 19,2 x 19,2 = 367. Jos toisioon kytketään vaikka 8 ohmin kuorma, näkyy se ensiössä 367-kertaisena, eli 2939 ohmia. Tämä on vielä hiukan pieni kuormitus putkelle, joten kannattaa valita 230/6 Voltin muuntaja, jonka muuntosuhde on 38,3, ja impedanssi kertautuu 1469-kertaiseksi, ja 8 ohmin kaiutin näkyy putkelle 11755-ohmisena kuormana.
Toinen asia on sitten se, että putken kautta kulkeva tasavirta kyllästää pienen piirilevymuuntajan rautasydämen, jolloin muuntajan induktanssi romahtaa, ja muuntajan toiminta huononee. Mitä isompi muuntaja, sen paremmin se kestää tasavirran vaikutusta. Tässä ei auta kuin kokeilu, mutta tällaisessa pienivirtaisessa paristosovelluksessa saattaa toimiakin.
Reijo Liljedahl - SRHS 612 - OH3AVA - SDXL 8092
IP kirjattu
putkinotko
God Member
Poissa
SRHS # 751
Viestejä: 1881
Sijainti: Lohja
Re: Impedanssin sovitus
Vastaus #2 -
15.03.2022 klo 09:47:04
Tulosta viesti
Moro!
Impedanssisuhteen mukaan tarvitsisi olla 230/6V muuntaja, mutta verkkomuuntaja ei käy, kun siinä ei ole ilmarakoa joka estäisi kyllästymisen. Vuorovaihe päätteessä ei ilmarakoa tarvita, mutta siinäkään ei verkkomuuntajat pärjää ominaisuuksillaan.
Jussi
Kappas, Reijo oli nopeampi...
IP kirjattu
OH8UBJ
God Member
Poissa
Viestejä: 816
Re: Impedanssin sovitus
Vastaus #3 -
15.03.2022 klo 10:50:33
Tulosta viesti
Pienivirtaisessa laitteessa, joka muutenkaan ei tavoittele hifitoistoa, tuo kyllästyminen on toissijainen juttu.
IP kirjattu
Pertti L
Full Member
Poissa
SRSH
Viestejä: 243
Sijainti: Toivala
Re: Impedanssin sovitus
Vastaus #4 -
15.03.2022 klo 12:19:53
Tulosta viesti
Kiitos selkeistä vastauksista. Nyt osui ja upposi !
IP kirjattu
Sivu: 1
Lähetä aihe
Tulosta
‹
Edellinen aihe
|
Seuraava aihe
›
Foorumihyppy »
Koti
» 10 viimeisintä viestiä
» 10 viimeisintä aihetta
Suomen Radiohistoriallinen Seura ry - Keskustelufoorumi
Suomen Radiohistoriallinen Seura ry
Jäsenalue
Yleistä radiohistoriasta
Kotimaiset radiot, televisiot ja äänentoistolaitteet
Ulkomaiset radiot, televisiot ja äänentoistolaitteet
Muut radio- ja elektroniikkalaitteet
Entisöinti ja kunnostus yleisellä tasolla
Omatekoiset laitteet ja rakentelu ««
Sotilasradiot ja Perinneradiot
Yleinen keskustelualue
Niitä Näitä
Haku päällä
« Koti
‹ Alue
SRHS Forum
» Powered by
YaBB 2.6.12
!
YaBB Forum Software
© 2000-2026. Kaikki oikeudet pidätetään.