Valitse kieli:
English
Suomi
Tervetuloa, Vieras. Ole hyvä ja
kirjaudu
tai
Rekisteröidy
Koti
Ohjeita
Haku
Kirjaudu
Rekisteröidy
Liity SRHS:n jäseneksi
SRHS Forum
›
Suomen Radiohistoriallinen Seura ry - Keskustelufoorumi
›
Ulkomaiset radiot, televisiot ja äänentoistolaitteet
› Philips 50IC323
‹
Edellinen aihe
|
Seuraava aihe
›
Sivu: 1
Lähetä aihe
Tulosta
Philips 50IC323 (Luettu 1207 kertaa)
pekmatval
God Member
Poissa
Viestejä: 2012
Philips 50IC323
09.10.2021 klo 00:00:48
Tulosta viesti
Ajan kuluksi (kun se muuten muka kuluisi?) ostin tämän rikkinäisen radion. Vehje on mekaanisesti helppo avata ja koko koneisto on käsissä alle 5 min. Pienen tutkimisen jälkeen selvisi, että itse radio toimii, mutta pääeaste ei.
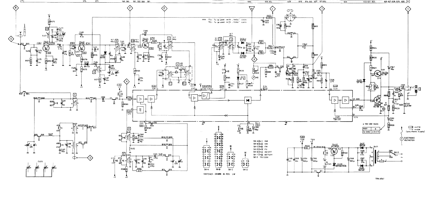
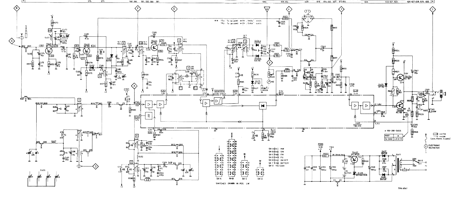
Kytkentä on hieno! Laadukas mikropiirin sisään rakennettu kytkentä ohjaa gremanium päätetrankkuja. Ei muuntajia. Voi olettaa, että ääni on puhdas.
Tässä vehkeessä iso haaste on todella takkuinen toteutus. Osat ovat sikin sokin ja esimerkiksi tuo hieno mikropiiri TBA570 on osien ja johtojen alla piilossa. Mittaminen ja tutkiminen on hankalaa. Suunnittelijalle oli annettu bonnareita, jos saa kortin hyvin pieneksi?
Selvisi nopeasti, että päätetrankkujen jännitteet ovat pielessä. Niiden irroittaminen on vaikeaa. Onneksi mittausten perusteella irroitin sen, joka oli rikki. Valitettavasti foliot ovat kortilla erittäin ohuet ja irtosivat transistoria pois juottaessani. Uusi trankku (oli Ac188 ja tilalle AC128) paikalleen ja pääte alkoi toimia. Jopa tuo lepovirta oli lähellä kytkiksen ilmoittamaa 4mA.
radio_pieni_006.jpg
( 318 KB | 148 latausta )
sisus_006.jpg
( 314 KB | 166 latausta )
IP kirjattu
pekmatval
God Member
Poissa
Viestejä: 2012
Re: Philips 50IC323
Vastaus #1 -
09.10.2021 klo 00:04:34
Tulosta viesti
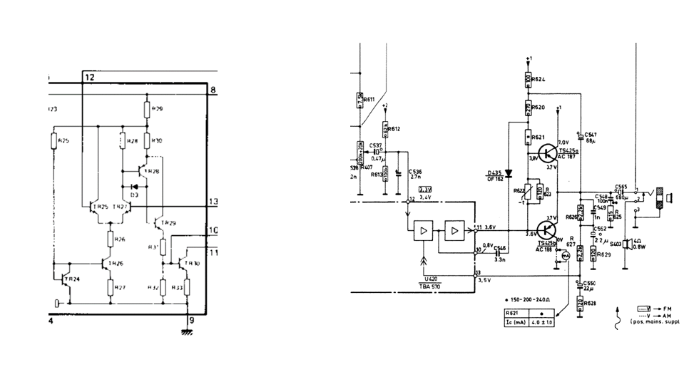
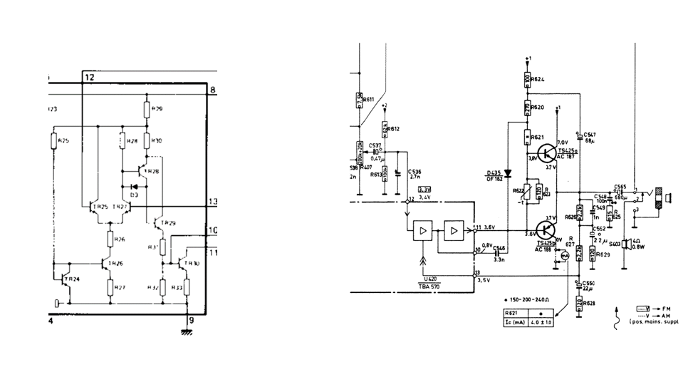
kytkis Kokonaan ja toisessa kuvassa päätetrankun ja TBA'n sisällä oleva niitä ohjaava kytkentä. Tuo IC-kytkentä on 'klassikko', jolla toteutetaan hifi-vahvareita.
Ihmeellistä on tuo iso konkka (3,3nF) IC'n viimeisen trankun C ja B välillä (Ic pin 10 ja 11) . Samoin tuo monimutkainen takaisinkytkentä lähdöstä mikropiirin nastalle 13. Tuntuu jotenkin silti toimivan.
kytkis_002.png
( 250 KB | 135 latausta )
ohjain_ja_pddtetrankut.png
( 120 KB | 142 latausta )
IP kirjattu
pekmatval
God Member
Poissa
Viestejä: 2012
Re: Philips 50IC323
Vastaus #2 -
09.10.2021 klo 12:25:30
Tulosta viesti
Koska pari päivää sitten mittasin Helvar Ritan raudallisen pääteasteen toimintaa, niin päätin mitata samoin tämän uudenaikaisen päätteen.
Testi on tehty noin 1Vrms lähdölla radion omaan kaiuttimeen (4ohm). Ensin mittasin radion omalla takaisinkytkennällä jossa on jotain taajuuskompensointia. Seuraavaksi omalla simppelillä piirillä. Omassa särö on hiukan parempi, mutta taso tippuu taajuuden mennessä yli 10KHz. Epäilen, että tuo 3,3nf konkka pinnien 1o ja 11 välillä aiheuttaa sen.
Alkuperäinen on ihan hyvä ja sen taajuusvaste suhteellisen tasainen. Se saa jäädä.
oma_FB_8_10_21.jpg
( 81 KB | 147 latausta )
THD_koe.png
( 13 KB | 140 latausta )
IP kirjattu
Sivu: 1
Lähetä aihe
Tulosta
‹
Edellinen aihe
|
Seuraava aihe
›
Foorumihyppy »
Koti
» 10 viimeisintä viestiä
» 10 viimeisintä aihetta
Suomen Radiohistoriallinen Seura ry - Keskustelufoorumi
Suomen Radiohistoriallinen Seura ry
Jäsenalue
Yleistä radiohistoriasta
Kotimaiset radiot, televisiot ja äänentoistolaitteet
Ulkomaiset radiot, televisiot ja äänentoistolaitteet ««
Muut radio- ja elektroniikkalaitteet
Entisöinti ja kunnostus yleisellä tasolla
Omatekoiset laitteet ja rakentelu
Sotilasradiot ja Perinneradiot
Yleinen keskustelualue
Niitä Näitä
Haku päällä
« Koti
‹ Alue
SRHS Forum
» Powered by
YaBB 2.6.12
!
YaBB Forum Software
© 2000-2026. Kaikki oikeudet pidätetään.