Valitse kieli:
English
Suomi
Tervetuloa, Vieras. Ole hyvä ja
kirjaudu
tai
Rekisteröidy
Koti
Ohjeita
Haku
Kirjaudu
Rekisteröidy
Liity SRHS:n jäseneksi
SRHS Forum
›
Suomen Radiohistoriallinen Seura ry - Keskustelufoorumi
›
Ulkomaiset radiot, televisiot ja äänentoistolaitteet
› Shaub Lorenz Touring T 50 mykkä
‹
Edellinen aihe
|
Seuraava aihe
›
Sivu: 1
Lähetä aihe
Tulosta
Shaub Lorenz Touring T 50 mykkä (Luettu 2375 kertaa)
pekmatval
God Member
Poissa
Viestejä: 2012
Shaub Lorenz Touring T 50 mykkä
02.10.2021 klo 00:23:33
Tulosta viesti
Tuollainen klassikko on odottanut huomiota. Ei pihise, mutta ottaa virtaa noin 100mA. Radio on helppo avata ( 4 ruuvia pohjassa ja 2 nuppia irti). Sisällä paljastui se tunnettu ongelma ... vuotava akku. Pari kuvaa ohessa.
pieni_radio_2.png
( 231 KB | 156 latausta )
akku_pieni.jpg
( 261 KB | 151 latausta )
IP kirjattu
pekmatval
God Member
Poissa
Viestejä: 2012
Re: Shaub Lorenz Touring T 50 mykkä
Vastaus #1 -
02.10.2021 klo 00:37:35
Tulosta viesti
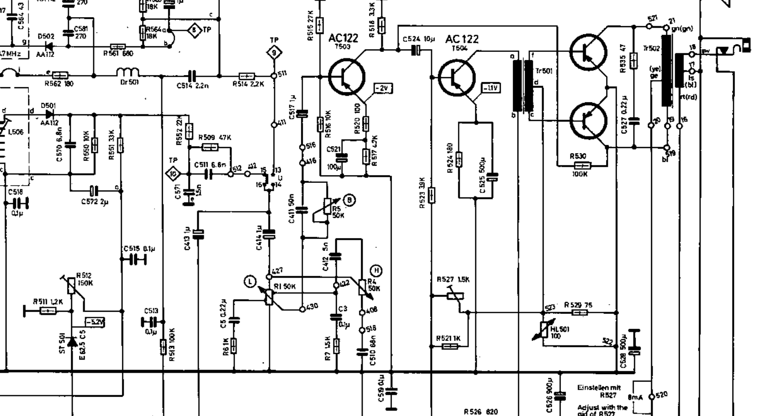
Irroitin akun ja sen alta löytyi katkennut folio (syöpynyt). Korjasin folion ja korvasin akun 2 pii-diodilla . Niiden yli sama jännite kuin akussa. Hiukan ihmetyttää, että miksi tuollainen akku-pommi piti rakentaa muuten hyvään radioon. Muutoksen jälkeen pääteaste alkoi toimia, mutta Radiosta kuului vain pihinää. Kuuluvuus paranee kun säätää lisää kantajännitettä välitaajuustrankuille.
Kuvassa kohta, jossa folio on syöpynyt.
Toisessa kuvassa näkyy seleenidiodi (ST501), jonka vieressä ovevalla trimmerillä (R512) saa kuuluvuuden kohdilleen. Mutta vasta kun säätää jännitteen kannoilla yli kaaviossa olevan arvo. Mutta miksi? Mikä on tuon seleenin speksi?
Latasin tuon radion manuaalin. Voin lähettää, jos joku tarvitsee.
«
Viimeksi muokattu: 04.10.2021 klo 00:43:04 Kirjoittaja pekmatval
»
katkennut_folio.png
( 238 KB | 168 latausta )
SL_touring_t_50_autom_paate.PNG
( 163 KB | 180 latausta )
IP kirjattu
pekmatval
God Member
Poissa
Viestejä: 2012
Re: Shaub Lorenz Touring T 50 mykkä
Vastaus #2 -
02.10.2021 klo 14:45:35
Tulosta viesti
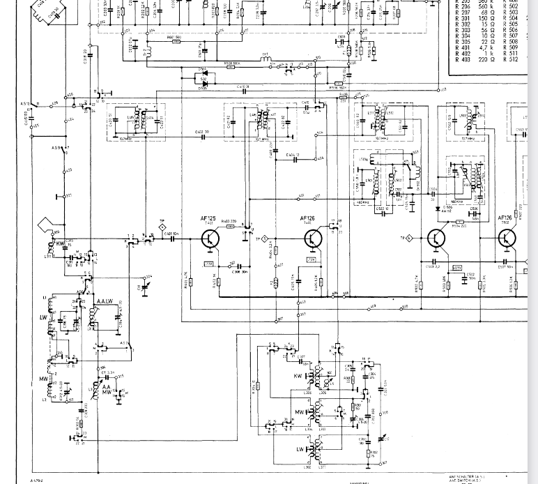
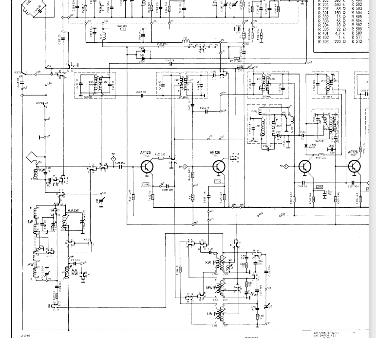
Tänään pientä korjausta. Asteikkomuovi oli murtunut parista kohdasta. Korjasin. AM säätökondensaattori oli jumissa. Siihen auttoi laakereiden voitelu. AM ei kuitenkaan kuulu. Onko tuo toinen trankku (AF126) kuvassa AM oskillaattori?
ULA kuuluu melko hyvin kun säätää (R512lla, edellisen viestin kuvassa) oheisen kuvan kolmannen trankun emitterille noin 2,5V... kaaviossa on 1,15V. Miksi näin?
«
Viimeksi muokattu: 05.10.2021 klo 10:24:19 Kirjoittaja pekmatval
»
AM_ja_vdlitaajuus.png
( 161 KB | 162 latausta )
IP kirjattu
pekmatval
God Member
Poissa
Viestejä: 2012
Re: Shaub Lorenz Touring T 50 mykkä
Vastaus #3 -
04.10.2021 klo 00:37:05
Tulosta viesti
AM alkoi kuulua. Trankkuja mittaamalla selvisi, että T401 (ensimmäinen Vt trankku) on huonossa hapessa. Se imi liian isoa kantavirtaa, koska virtavahvistus oli vain 5. Tuo transitori on kuitenkin niin pahassa paikassa, että mielestäni pitäisi purkaa puoli radiota sen vaihtamiseksi. Erotin tuon sökön trankun katkomalla 2 foliota (b ja e) ja kytkin kortin foliopuolelle uuden trankun. Alkuperäinen oli AF125, mutta sellaista minulla ei ole. Laitoin tilalle välitaajuustrankun AF138 (virtavahv=200) ja se toimii todella hyvin.
kuvassa 1 näkyy kohta, jossa T401 on kaikkie osein takana. Pitäisi saada irroitetuksi piirikortti, jossa on kiinni kytkimet ja toinen piirikortti ...ja 'tuhat' johtoa. T401 on tuon säätökondensaattorin narupyörän alla.
Kuvassa 2 on lisätty T401 (AF138)
«
Viimeksi muokattu: 05.10.2021 klo 10:27:31 Kirjoittaja pekmatval
»
t401_piilossa.jpg
( 135 KB | 152 latausta )
af138.jpg
( 316 KB | 150 latausta )
IP kirjattu
pekmatval
God Member
Poissa
Viestejä: 2012
Re: Shaub Lorenz Touring T 50 mykkä
Vastaus #4 -
04.10.2021 klo 00:42:18
Tulosta viesti
Nyt Shaub on hyvässä kunnossa. Pitäisi saada toinen antenni ... mutta mistä? Kuvassa 1 näkyy ehjä malliksi. Tuo ehjä antenni on varustettu nivelellä ja taittuu ylös nosttettuna. Ehjän paksuus on 6mm ja radion sisällä on tilaa 170mm antennille. Hajalla olevassa ei ole niveltä. Kai näissä oli alunperin molemissa nivelet?
Kotelon sisällä on tietoa radiosta. Kuva 2.
«
Viimeksi muokattu: 04.10.2021 klo 10:17:36 Kirjoittaja pekmatval
»
antenni_002.jpg
( 184 KB | 151 latausta )
kotelon_sisdlld.jpg
( 108 KB | 152 latausta )
IP kirjattu
william
Full Member
Poissa
Viestejä: 105
Sijainti: Lounais-Suomi, Turku
Re: Shaub Lorenz Touring T 50 mykkä
Vastaus #5 -
06.10.2021 klo 08:37:55
Tulosta viesti
pekmatval kirjoitti
04.10.2021 klo 00:42:18:
Nyt Kai näissä oli alunperin molemissa nivelet?
Hyvin dokumentoitua korjausta. Juu, molemmissa on nivelet ja ne ovat samankokoisia. Varaosalaitteista täytyy kaivaa antennit, jos haluaa toimivan osan ilman viilausta. En ole löytänyt sopivia jälkimarkkinamalleja.
IP kirjattu
pekmatval
God Member
Poissa
Viestejä: 2012
Re: Shaub Lorenz Touring T 50 mykkä
Vastaus #6 -
06.10.2021 klo 21:33:07
Tulosta viesti
Ohessa kuva Partcon antennista alkuperäisen vieressä. Tuosta viilasin kantaan sopivan. Piti tehdä vastaavat lovet ja paksuus oikeaksi (2mm) . Kannassa on jousi ja hauli, joka toteuttaa lukituksen eri suuntiin. Viilattu toimii, mutta on 2cm liian pitkä. Ei siis painu kokonaan sisään. Täytyisi löytää jostakin 6mm paksu antenni, joka on pituudeltaan noin 125mm. Näitä tarvitaan 2 kpl, koska molemmat pitää olla samanlaisia.
antenni_2.png
( 198 KB | 160 latausta )
IP kirjattu
Sivu: 1
Lähetä aihe
Tulosta
‹
Edellinen aihe
|
Seuraava aihe
›
Foorumihyppy »
Koti
» 10 viimeisintä viestiä
» 10 viimeisintä aihetta
Suomen Radiohistoriallinen Seura ry - Keskustelufoorumi
Suomen Radiohistoriallinen Seura ry
Jäsenalue
Yleistä radiohistoriasta
Kotimaiset radiot, televisiot ja äänentoistolaitteet
Ulkomaiset radiot, televisiot ja äänentoistolaitteet ««
Muut radio- ja elektroniikkalaitteet
Entisöinti ja kunnostus yleisellä tasolla
Omatekoiset laitteet ja rakentelu
Sotilasradiot ja Perinneradiot
Yleinen keskustelualue
Niitä Näitä
Haku päällä
« Koti
‹ Alue
SRHS Forum
» Powered by
YaBB 2.6.12
!
YaBB Forum Software
© 2000-2026. Kaikki oikeudet pidätetään.