Valitse kieli:
English
Suomi
Tervetuloa, Vieras. Ole hyvä ja
kirjaudu
tai
Rekisteröidy
Koti
Ohjeita
Haku
Kirjaudu
Rekisteröidy
Liity SRHS:n jäseneksi
SRHS Forum
›
Suomen Radiohistoriallinen Seura ry - Keskustelufoorumi
›
Kotimaiset radiot, televisiot ja äänentoistolaitteet
› Celeston Aurum 55
‹
Edellinen aihe
|
Seuraava aihe
›
Sivu: 1
Lähetä aihe
Tulosta
Celeston Aurum 55 (Luettu 2529 kertaa)
Jorma
YaBB Newbies
Poissa
Viestejä: 45
Celeston Aurum 55
09.02.2021 klo 20:48:28
Tulosta viesti
Löytyiskö keneltäkään kytkentäkaavioa ko. radioon. Taitaa olla sama koneisto kun Helvar 55.
IP kirjattu
kkv
God Member
Poissa
SRSH
Viestejä: 1195
Re: Celeston Aurum 55
Vastaus #1 -
10.02.2021 klo 09:29:28
Tulosta viesti
Tiedoksi, että seuramme julkaisemia Asa ja Helvar muistitikkuja on edelleen saatavana. Katso tarkemmin
http://www.radiohistoria.fi/myytavana.htm
Näillä on kytkentäkaaviot lähes kaikkiin kyseisten tehtaiden valmistamiin yleisradiovastaanottimiin.
Kauko Viitanen
IP kirjattu
VjpA
God Member
Poissa
SRHS
Viestejä: 2681
Sijainti: Vantaa
Re: Celeston Aurum 55
Vastaus #2 -
10.02.2021 klo 17:04:08
Tulosta viesti
Lue tuo ketju tarkkaan:
http://www.radiohistoria.fi/cgi-bin/yabb2/YaBB.pl?num=1209395150/3#2
ja tässäkin on aparaattia käpelöity:
http://www.radiohistoria.fi/cgi-bin/yabb2/YaBB.pl?num=1319031050/0
t. // Jukka
IP kirjattu
Jorma
YaBB Newbies
Poissa
Viestejä: 45
Re: Celeston Aurum 55
Vastaus #3 -
10.02.2021 klo 19:01:38
Tulosta viesti
VjpA kirjoitti
10.02.2021 klo 17:04:08:
Lue tuo ketju tarkkaan:
http://www.radiohistoria.fi/cgi-bin/yabb2/YaBB.pl?num=1209395150/3#2
ja tässäkin on aparaattia käpelöity:
http://www.radiohistoria.fi/cgi-bin/yabb2/YaBB.pl?num=1319031050/0
Nuo olen lukenut. Niissä ei ole kaaviota. Verkkoelkot 50/50 vaihdettu. Hurinaa on vielä. Kaavio selvittäis mihin 16/16 elko vaikuttaa.
IP kirjattu
LGL.
God Member
Poissa
Viestejä: 1352
Re: Celeston Aurum 55
Vastaus #4 -
10.02.2021 klo 21:17:50
Tulosta viesti
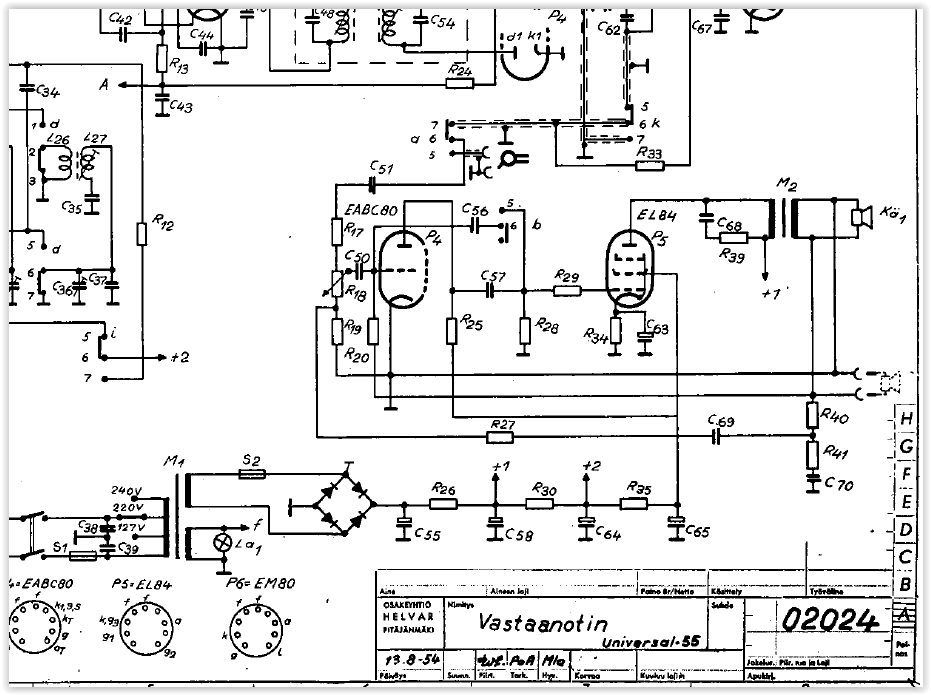
Tämä ei taida olla ihan sama kone kuin Celeston Aurum 55, vaikka onkin 55.
LGL
Helvar_Universal55_power.jpg
( 218 KB | 188 latausta )
IP kirjattu
Jorma
YaBB Newbies
Poissa
Viestejä: 45
Re: Celeston Aurum 55
Vastaus #5 -
11.02.2021 klo 15:39:19
Tulosta viesti
LGL. kirjoitti
10.02.2021 klo 21:17:50:
Tämä ei taida olla ihan sama kone kuin Celeston Aurum 55, vaikka onkin 55.
LGL
Kyllä tuo on virransyötön suodatuksen osalta sama.
IP kirjattu
Sivu: 1
Lähetä aihe
Tulosta
‹
Edellinen aihe
|
Seuraava aihe
›
Foorumihyppy »
Koti
» 10 viimeisintä viestiä
» 10 viimeisintä aihetta
Suomen Radiohistoriallinen Seura ry - Keskustelufoorumi
Suomen Radiohistoriallinen Seura ry
Jäsenalue
Yleistä radiohistoriasta
Kotimaiset radiot, televisiot ja äänentoistolaitteet ««
Ulkomaiset radiot, televisiot ja äänentoistolaitteet
Muut radio- ja elektroniikkalaitteet
Entisöinti ja kunnostus yleisellä tasolla
Omatekoiset laitteet ja rakentelu
Sotilasradiot ja Perinneradiot
Yleinen keskustelualue
Niitä Näitä
Haku päällä
« Koti
‹ Alue
SRHS Forum
» Powered by
YaBB 2.6.12
!
YaBB Forum Software
© 2000-2026. Kaikki oikeudet pidätetään.