putkinotko kirjoitti 15.06.2016 klo 08:42:03:
Moro
Siinähän ne elkon johdonpäät ovat. Sitten nämä Televoxin konkat... ne poikkeuksetta vuotaa, eli ainakin pääteputken hilakonkka ja katodilyytti kannattaa vaihtaa sovinnolla ennen virran kytkentää. Ja vanha hyvä tapa on kytkeä 60W hehkulamppu sarjaan radion kanssa kun kytkee virran. Jos lamppu jää palamaan kirkkaasti, on jossain oikkari. Jos valo himmenee alun kirkkauden jälkeen, on koneisto ainakin oikkareista vapaa.
Jussi
Tarkoitus olisi alkuun laittaa paikalleen puuttuva verkkoelko sekä vaihtaa mainitsemasi kaksi konkkaa.
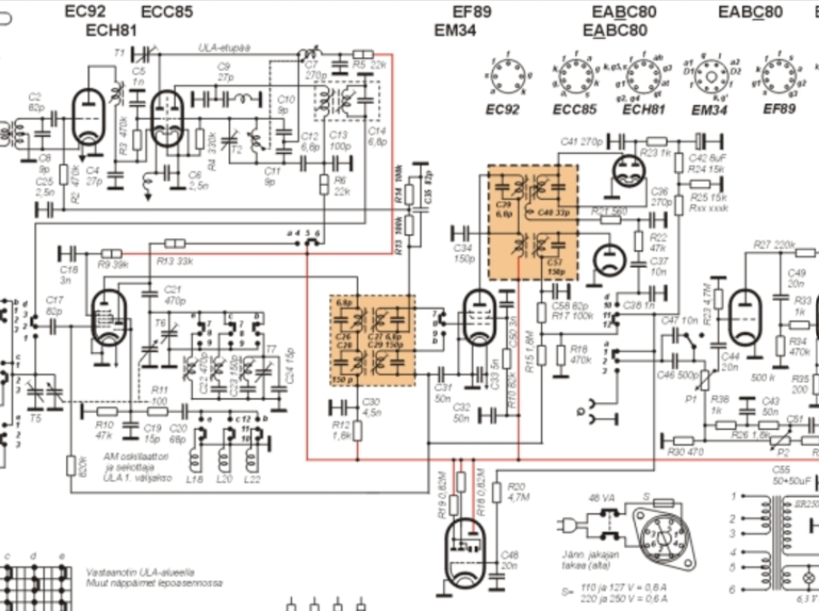
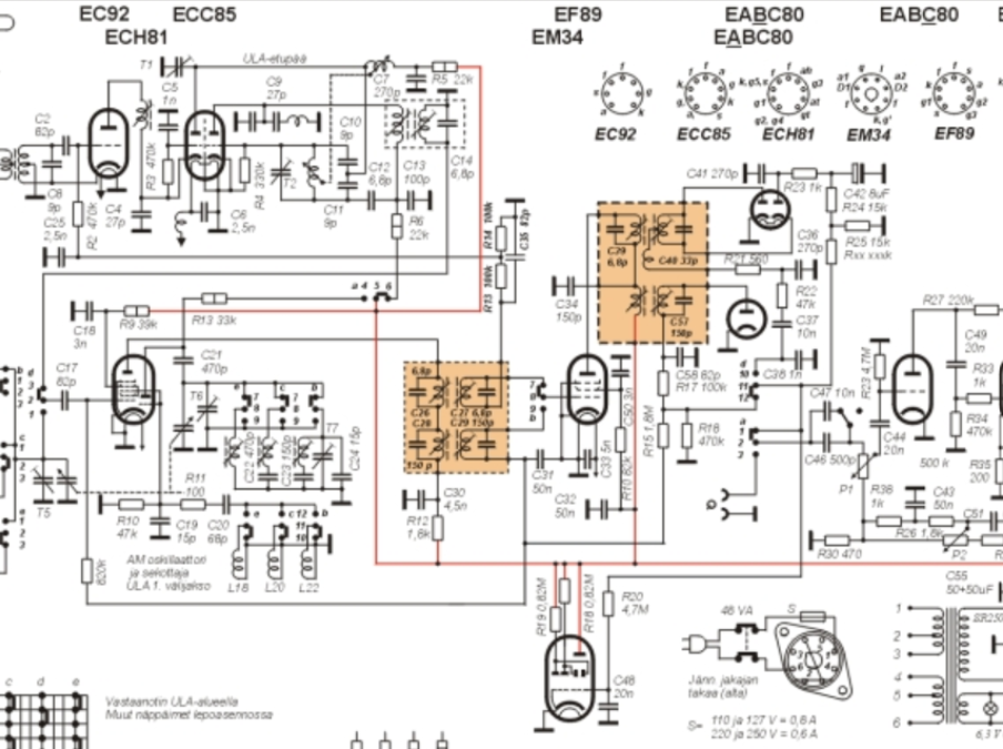
Eikös hilakonkka ole = C49, 0.05uF 1500V ja katodilyytti = C56, 50uF. Merkkasin kuvaan.
Tuo C49 tuskin lähellekkään 1500V näkee? Riittääkö 630V jännitekestolla oleva tilalle?
Mikäli lopputulos on soiva peli niin sitten loputkin

Haluaisin kuitenkin nuo napit toimimaan ensiksi.
Kuvasin pienen videonkin nappien toiminnasta tai toimimattomuudesta, toivottavasti näkyy:
https://www.dropbox.com/s/bw7ews2ba8u9qvs/WP_20160615_22_15_17_Pro.mp4?dl=0Napit näyttää olevan liian pohjassa:

Keksiikö joku miksi nuo napit on mennyt noin?
Kokeilin suihkutella contact cleaneria nappien kontakteihin mutta sillä ei ollut huomattavaa vaikutusta.
Tuossa vielä tarkempi kuva mihin ne verkkoelkon irtojohdot menee:

Kiitos kaikille vinkeistä!