Valitse kieli:
English
Suomi
Tervetuloa, Vieras. Ole hyvä ja
kirjaudu
tai
Rekisteröidy
Koti
Ohjeita
Haku
Kirjaudu
Rekisteröidy
Liity SRHS:n jäseneksi
SRHS Forum
›
Suomen Radiohistoriallinen Seura ry - Keskustelufoorumi
›
Omatekoiset laitteet ja rakentelu
› Simppeli kuulokevahvistin
‹
Edellinen aihe
|
Seuraava aihe
›
Sivu:
1
[2]
Lähetä aihe
Tulosta
Simppeli kuulokevahvistin (Luettu 15123 kertaa)
artosalo
God Member
Poissa
Viestejä: 2663
Sijainti: Perniö
Re: Simppeli kuulokevahvistin
Vastaus #15 -
15.02.2020 klo 11:04:08
Tulosta viesti
Lainaus:
Särö ei ihan vastaa Arton simulointia. Noin 2,5 kertaisia arvoja simulointiin verrattuna. Onko tämä ihan normaalia?
Käytetyt transistorit ja valittu kollektorivirta vaikuttavat särölukemiin.
Esimerkiksi kun (simulaatiossa) vaihdan lähtötransistorin BC327 ---> BC557 ilman muita muutoksia, niin särö 15 mW:lla kasvaa 0,055%--->0,73%.
Kytkentä siis pitää optimoida valituille transistoreille.
IP kirjattu
pekmatval
God Member
Poissa
Viestejä: 2012
Re: Simppeli kuulokevahvistin
Vastaus #16 -
15.02.2020 klo 11:46:32
Tulosta viesti
Ok. Tsekkasin, että tuo BC327 on nopeampi kuin BC161 ja sen hfe on suurempi ... noin 2-3 kertainen. Tuossa lienee syy isompaan säröön BC161'llä.
IP kirjattu
VjpA
God Member
Poissa
SRHS
Viestejä: 2679
Sijainti: Vantaa
Re: Simppeli kuulokevahvistin
Vastaus #17 -
15.02.2020 klo 15:23:57
Tulosta viesti
Jotain muistoja menneisyydetä; matalasäröisiä vakiotrankkuja oli mm. BC214, BC251,-2,-3, BC413, -414, -415, -416, ja BC261 -- 3.
Myös vastukset ja konkat kytkennässä vaikuttaa tulokseen; hiilikalvovastusta ja metallisoitua PP-konkkaa suositellaan noihin kytkentöihin.
Voisit tehdä kokeellisen vertailun
t. // Jukka
IP kirjattu
pekmatval
God Member
Poissa
Viestejä: 2012
Re: Simppeli kuulokevahvistin
Vastaus #18 -
15.02.2020 klo 16:21:02
Tulosta viesti
Tätähän voisi taas hieroa loputtomiin ... 'vain muutaman desimaalin tähden'. Ei ole aikaa. Sen verran kuitenkin jaksoin, että kokeilin virittää Arton kytkentää.
Sattui löytymään BC327 ja BC337. Tulokset parani ... särö noin puoliintui. Sitten kokeilin laittaa vakiovirtagenikseksi saman (2diodia ja trankku) ,joka oli siinä omassa. Nostin myös virran samaan 55mA'iin. Tulokset parani edelleen ... parempia kuin Arton simulaatiossa. Tuloksia oheisessa taulukossa
Sitten kokeilin sitä alkuperäistä kytentää näillä BC327/337 trankuilla (=paremmat). Kytkentä lähti värähtelemään ilman kuormaa . Piti lisätä 56pf Konkka BC327'n BC välille. Nostin myös ensimmäisen trankkuparin virtaa 9,3mA'iin (680ohm->470). Nyt tuli hyviä tuloksia. Särö noin 0,007% , joka on oman mittajärjestelmäni rajoilla ... totuus on? (pienempi?)
LISÄYS hiukan myöhemmin. Kokeilin tätä omaa kytkentää kantilla ja uusilla trankuilla. Sähinää löytyi reunoista. Sen sai pois kun laittoi 56pf konkan sen takaisinkytkentävastuksen yli. Kantista tuli siistiä . Etureunan nousu 50ns ja takareunan lasku 150ns.
Arton kytkentä taitaa olla luonnostaan hyvin stabiili.
«
Viimeksi muokattu: 15.02.2020 klo 22:06:37 Kirjoittaja pekmatval
»
mittauksia_15_2_20.JPG
( 54 KB | 287 latausta )
IP kirjattu
artosalo
God Member
Poissa
Viestejä: 2663
Sijainti: Perniö
Re: Simppeli kuulokevahvistin
Vastaus #19 -
16.02.2020 klo 11:29:08
Tulosta viesti
Lainaus:
Tätähän voisi taas hieroa loputtomiin ...
Pitää paikkansa. Jotenkin minua kiehtoo erityisesti se, miten yksinkertaisesti ja edullisilla komponenteilla kytkennät voisi toteuttaa.
Tässä kahdella transistorilla simuloidut tulokset.
PNP_NPN_kuuloke_32_ohm.jpg
( 58 KB | 275 latausta )
IP kirjattu
pekmatval
God Member
Poissa
Viestejä: 2012
Re: Simppeli kuulokevahvistin
Vastaus #20 -
22.02.2020 klo 16:54:24
Tulosta viesti
Oli hiukan aikaa ja mopo karkasi käsistä. Kokeilin kaikkea mahdollista ja yksinkertaisuus lopulta unohtui.
Tein version, jossa tuo lähdön säätävä trankku on korvattu fetillä. Tulokset olivat särön osalta huonompia.
Seuraavaksi tein lähtöön perinteisen pääteasteen ... 2 trankkua emitteiseuraajina. Ohessa kytkentä. Jotenkin ajattelen, että lähdön pitää optimi tilanteessa olla symmetrinen ... alas ja ylös vedetään virtaa samalla tavalla ohjatusti. Ei mitään vakiovirtageneraattoiria tai vastusta toiseen suuntaan.
Tällä tuli parhaat tulokset . Lisäksi virrankulutus on pienempi. Soveltuu helposti kuulokkeille 16-300ohm.
Mielenkiintoinen yllätys oli, että lisäämällä toinen takaisinkytkentäluuppi (kuvan 1K vastus) särö puoliintui. Tuo lisäys sotki hiukan lähdön DC tasoa ja lisäsin lähtoon elkon.
Tuloksia kuvassa 2
2_trans_pddte_pieni.jpg
( 95 KB | 234 latausta )
tuloksia_22_2_20.JPG
( 35 KB | 242 latausta )
IP kirjattu
pekmatval
God Member
Poissa
Viestejä: 2012
Re: Simppeli kuulokevahvistin
Vastaus #21 -
22.02.2020 klo 17:01:48
Tulosta viesti
Aina tsekkaan, että miten vahvistin toimii kantilla ... ohessa kuva.
Lisäksi kokeilin, että mihin säröön pääsee optimitilanteessa. 300 ohm kuormalla paras tulos 0,0028% . Tuo on sama, jonka mun signaaligeniksen lähdössä, joten olen mittaus-systeemieni rajoilla.
Ja pakko lisätä, että näissä kuulokevhvistimissa ei juuri tehoa lisätä.... tehovahvistus aika pieni. Ei kai sitten särötehoakaan lisäänny.
«
Viimeksi muokattu: 22.02.2020 klo 17:17:56 Kirjoittaja pekmatval
»
lopullisen_kytkenndn_100KHz_kantti_pieni.bmp
( 211 KB | 285 latausta )
ldhtc_330ohm.jpg
( 250 KB | 294 latausta )
IP kirjattu
OH6NT
God Member
Poissa
SRHS #840
Viestejä: 863
Sijainti: Pännäinen
Re: Simppeli kuulokevahvistin
Vastaus #22 -
22.02.2020 klo 21:32:46
Tulosta viesti
No niin... Eka versiossa oli kolme transistoria - nyt jo tässä seitsemän? Onko enää simppeli?
Ja kuuleeko korva ensimmäisen ja viimeisimmän version eron? Vaikka mittalaitteilla näkyy ero, se ei välttämättä kuulu - etenkin kun sisään menevä sinkkukaan ei ole täydellinen?
Kunhan kyselen...
Thomas
Thomas
WWW
YouTube
IP kirjattu
pekmatval
God Member
Poissa
Viestejä: 2012
Re: Simppeli kuulokevahvistin
Vastaus #23 -
22.02.2020 klo 22:47:16
Tulosta viesti
Jep ... ei ole enää otsikon mukainen .. siis 'simppeli'. Se itseäkin hymyilytti. Mutta pakko oli vain mielenkiinnosta koittaa hakea optimia (tavoite : särö = 0,00x%).
En usko, että eroa kuulee 0,01 ja 0,001% välillä. Tuskin edes 0,1% ja 0,01% välillä? Lisäksi tässä on vain mitattu säröä 1KHz'llä siniä. Muunlaisia säröjä voi olla mukana?
Juha tekee tästä piirikortin siten, että samalle kortille voi rakentaa erilaisia versioita .. myös sen simppelin.
IP kirjattu
artosalo
God Member
Poissa
Viestejä: 2663
Sijainti: Perniö
Re: Simppeli kuulokevahvistin
Vastaus #24 -
23.02.2020 klo 09:38:36
Tulosta viesti
Lainaus:
Mutta pakko oli vain mielenkiinnosta koittaa hakea optimia (tavoite : särö = 0,00x%).
Pistä HP myyntiin ja hanki testisysteemi, jolla saat yhden nollan lisää mittautuloksiin, niin saat vietyä projektia eteenpäin.
IP kirjattu
pekmatval
God Member
Poissa
Viestejä: 2012
Re: Simppeli kuulokevahvistin
Vastaus #25 -
23.02.2020 klo 12:19:15
Tulosta viesti
Mulle riittää 2 nollaa. On paha epäilys,että joku toinen jatkaa sen kolmannen nollan kimpussa. Harrastushan tämä kuitenkin vain on. "Järkevät" syyt moiseen viilaamiseen on sitten toinen juttu.
Saataa olla, että innostun paneutumaan niihin särön muihin komponentteihin.
Itse musiikki minulla on niin hyvää, että vaikka 1% säröllä se on nautinnollista.
IP kirjattu
genrad
Full Member
Poissa
Viestejä: 135
Re: Simppeli kuulokevahvistin
Vastaus #26 -
23.02.2020 klo 14:05:37
Tulosta viesti
pekmatval kirjoitti
22.02.2020 klo 22:47:16:
Mutta pakko oli vain mielenkiinnosta koittaa hakea optimia
Ylimenosärön kompensoinnissa kaksi diodia sarjassa voisi olla parempi kun BE-liitoksiakin on kaksi. Skeman kolme diodia on varmaan napattu jostain darlington-kytkennästä.
Ensimmäisen asteen tasapaino vaikuttaa voimakkaasti säröön korkeilla taajuuksilla. Laita kollektorivastuksen tilalle trimmeri ja säädä säröminimi 10kHz:lla.
pekmatval kirjoitti
22.02.2020 klo 16:54:24:
Mielenkiintoinen yllätys oli, että lisäämällä toinen takaisinkytkentäluuppi (kuvan 1K vastus) särö puoliintui. Tuo lisäys sotki hiukan lähdön DC tasoa ja lisäsin lähtoon elkon.
Kannattaa lisätä elko sinne missä ongelma syntyy eli sarjaan vastuksen kanssa.
IP kirjattu
pekmatval
God Member
Poissa
Viestejä: 2012
Re: Simppeli kuulokevahvistin
Vastaus #27 -
23.02.2020 klo 17:11:33
Tulosta viesti
kiitos Genrad'ille hyvistä kommenteista. Täytyy kokeilla.
Ajatukseni oli : 3 diodia sarjassa on siksi, että sen kolmannen muodostaman jännitte-eron voi jättää päätetrankkujen emitterivastusten yli säätämään lepovirta hallituksi.
IP kirjattu
pekmatval
God Member
Poissa
Viestejä: 2012
Re: Simppeli kuulokevahvistin
Vastaus #28 -
10.03.2020 klo 22:28:55
Tulosta viesti
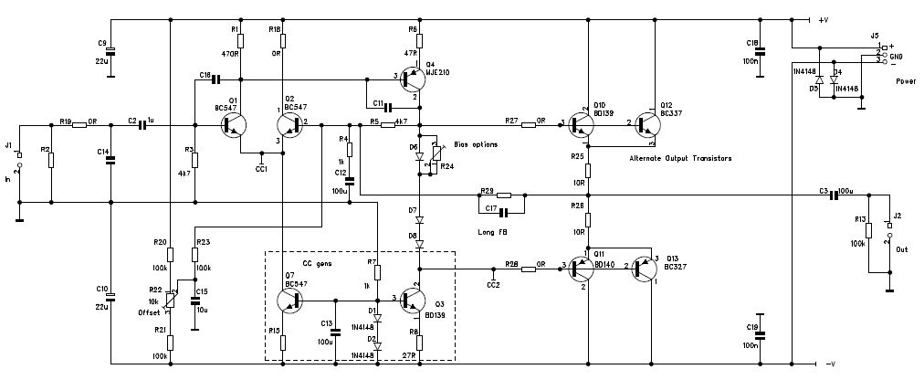
"ei enää simppeli kuulokevahvistin" on taas työn alla. Juha suunnitteli piirikortin ja kiinan porukka valmisti sen viikossa.
Kytkis ohessa. Kortti on tarkoitettu yleispäteväksi testikortiksi. Osia voi vaihdella eri tehoihin tähdäten. Alkupään voi yhä kasata simppeliksi vahvistimeksi ... siksi, mistä kaikki lähti.
Kasasin kortin seuraavin muutoksin tähdäten kuulokevahvistimen tehoihin ... siis ei juuri watteja haussa.
C16 ja C17 poissa ,
R15 =180 ohm ... virtagenis ajaa 4,3ma virtaa trankkuparille
R5 on poissa. Tämä parempi layout toimi hyvin ilman toista takaisinkytkentää.
R29 = 2,2K (vahvistus siis 3,2).
R21 = 47K
Q3=Q12= BC337 ( ei ole MJE'tä eikä BDxxx)
Q4=Q13= BC327
Nyt trimmerillä R22 voi säätää lähdöstä dc'n kokonaan pois.
«
Viimeksi muokattu: 10.03.2020 klo 23:59:14 Kirjoittaja pekmatval
»
Kytkis.JPG
( 60 KB | 237 latausta )
IP kirjattu
pekmatval
God Member
Poissa
Viestejä: 2012
Re: Simppeli kuulokevahvistin
Vastaus #29 -
10.03.2020 klo 22:39:24
Tulosta viesti
Ohessa kuv kasatusta kortista .. testitarkoituksiin tehty. Osia on tarkoitus vaihdella eri kokeisiin liittyen.
C11 oli kokeiltava. päädyin 220pf arvoon, jolloin kytkentä ei värähttele ja silti 100KHz kantti menee siististi läpi. Lähdössä dv/dt noin 10V/us.
Ja se 'tärkeät' säröt kun syöttävä dc= +/-9V:
33 ohm kuormalla on ihan sama mitä jännitettä ottaa ulos. Leikkausrajan tuntumassa (5Vrms ) särö 0,0025% ( sen pienempää ei HP näytä)
Tämä toimii täydelisesti myös 16ohm kuulokkeiden kanssa. (mittaus 18ohm vastukseen):
ulos 1Vrms (55mW) särö 0,0035 (tajuton melu)
ulos 2Vrms (220mW) särö 0,006%
Mun systeemeillä tätä ei voi enää kehittää kuulokevahvistimena. Mutta jatkossa muutan mitoitusta ja teen tästä vahvistimen kaiuttimille ... luokkaa 20-30W teholle.
«
Viimeksi muokattu: 11.03.2020 klo 10:11:22 Kirjoittaja pekmatval
»
kortti_pieni_001.jpg
( 252 KB | 264 latausta )
THD1.jpg
( 181 KB | 243 latausta )
IP kirjattu
Sivu:
1
[2]
Lähetä aihe
Tulosta
‹
Edellinen aihe
|
Seuraava aihe
›
Foorumihyppy »
Koti
» 10 viimeisintä viestiä
» 10 viimeisintä aihetta
Suomen Radiohistoriallinen Seura ry - Keskustelufoorumi
Suomen Radiohistoriallinen Seura ry
Jäsenalue
Yleistä radiohistoriasta
Kotimaiset radiot, televisiot ja äänentoistolaitteet
Ulkomaiset radiot, televisiot ja äänentoistolaitteet
Muut radio- ja elektroniikkalaitteet
Entisöinti ja kunnostus yleisellä tasolla
Omatekoiset laitteet ja rakentelu ««
Sotilasradiot ja Perinneradiot
Yleinen keskustelualue
Niitä Näitä
Haku päällä
« Koti
‹ Alue
SRHS Forum
» Powered by
YaBB 2.6.12
!
YaBB Forum Software
© 2000-2026. Kaikki oikeudet pidätetään.