Valitse kieli:
English
Suomi
Tervetuloa, Vieras. Ole hyvä ja
kirjaudu
tai
Rekisteröidy
Koti
Ohjeita
Haku
Kirjaudu
Rekisteröidy
Liity SRHS:n jäseneksi
SRHS Forum
›
Suomen Radiohistoriallinen Seura ry - Keskustelufoorumi
›
Omatekoiset laitteet ja rakentelu
› Powerin reformaatio
‹
Edellinen aihe
|
Seuraava aihe
›
Sivu: 1
Lähetä aihe
Tulosta
Powerin reformaatio (Luettu 1948 kertaa)
Raimo Sjöberg
God Member
Poissa
SRHS #313
Viestejä: 1561
Sijainti: Espoo
Powerin reformaatio
13.03.2020 klo 01:31:53
Tulosta viesti
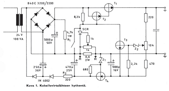
Timon, OH1AZL:n, RA-lehdessä olleen rakentelujutun innostamana värkkäsin 1970-luvulla tuollaisen pikkupowerin. Se ei toiminut oikein toivotulla tavalla, joten se varastoitiin jossain vaiheessa kesämökin vintille.
Bonkin penkomisen yhteydessä se pulpahti sieltä hiljattain esiin. Katselin sitä nyt nostalgisesta näkökulmasta, olihan siinä sentään itse tehty tukeva alumiinikotelo ja laadukkaat taulumittarit. Päätin siis rakentaa sisuskalut uudelleen. Itse säädin oli tehty VERO-levyn pätkälle ja varustettu 25-napaisella printtiliittimellä, liittimen otin uuden säätöyksikön käyttöön.
Kaikki muu jäikin suunnilleen ennalleen, mitä nyt suotokonkkien kapasitanssia kasvatin ja varustin negatiivisen jännitteen muodostusta varten powerin erillisellä pienellä verkkomuuntajalla.
Kuvissa alkuperäinen kytkentä ja sen toteutus VERO-levylle.
Poweri_1.jpg
( 40 KB | 215 latausta )
DSC_1095.JPG
( 160 KB | 238 latausta )
Rami OH1AYG - OH2AUS
WWW
IP kirjattu
Raimo Sjöberg
God Member
Poissa
SRHS #313
Viestejä: 1561
Sijainti: Espoo
Re: Powerin reformaatio
Vastaus #1 -
13.03.2020 klo 01:43:50
Tulosta viesti
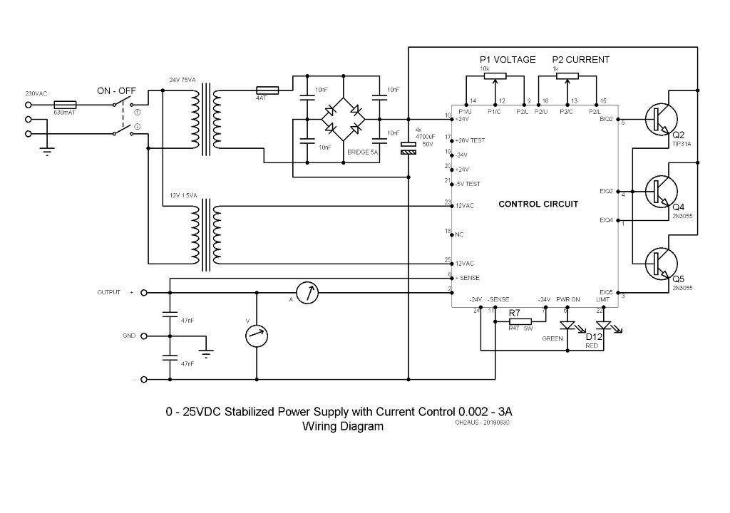
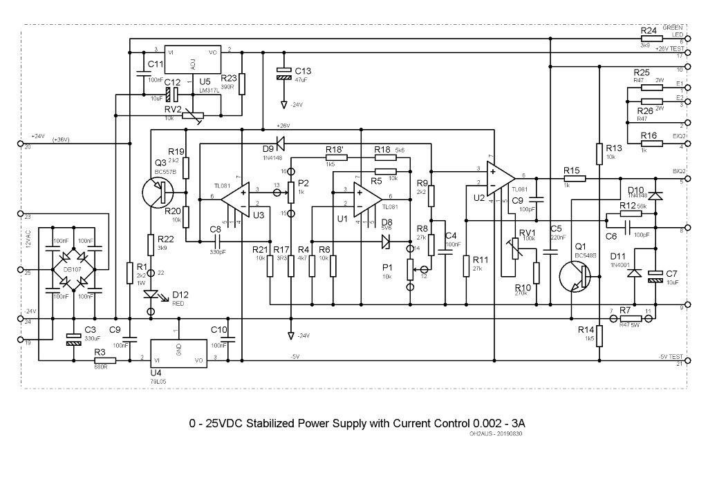
Uuden elektroniikan rakensin niin ikään VERO-levylle, johon siirsin liittimen vanhasta tekeleestä. Johdotus meni myös uusiksi ja etulevyyn tuli virtamodea indikoiva 8mm LED.
Powerista tuli erittäin stabiili, virtarajoituskin alkaa parista milliampeerista. Koska TL081-opareiden maksimi käyttöjännite on +/- 18 volttia, varustin niiden jännitesyötön LM317-regulla. Näin jännite ei tyhjäkäynnillä pääse nousemaan liikaa, toisaalta ulostulojännite jää maksimissaan vähän alhaisemmaksi sarjatransistorien ollessa emitteriseuraajina. Jännitteen tahattoman nousun virrankatkaisun jälkeen estää oparin U2 lähtöön kytketty Q1, joka vetää lähdön alas välittömästi kun negatiivinen jännite alkaa häipyä.
Poweri_0-25V_3A.jpg
( 96 KB | 251 latausta )
Poweri_0-25V_3A_W.jpg
( 60 KB | 240 latausta )
Rami OH1AYG - OH2AUS
WWW
IP kirjattu
Raimo Sjöberg
God Member
Poissa
SRHS #313
Viestejä: 1561
Sijainti: Espoo
Re: Powerin reformaatio
Vastaus #2 -
13.03.2020 klo 01:48:29
Tulosta viesti
Kuvissa poweri uudessa kuosissaan, uudet suotokonkat (4x4700µF) ovat vielä asentamatta. Sähköturvallisuuttakin on sukituksella ja lisäeristyksillä vähän parannettu.
Niin, en minä vaan tiedä mitä tuolla tekisin. Powereita on joka lähtöön muutenkin. Mutta kun nyt päätin sen laittaa kuntoon niin eipä siinä sitten muutakaan voinut. Olen sitä toistaiseksi käyttänyt mm. akkujen lataukseen
DSC_1101.JPG
( 112 KB | 231 latausta )
DSC_1100.JPG
( 168 KB | 236 latausta )
Rami OH1AYG - OH2AUS
WWW
IP kirjattu
Sivu: 1
Lähetä aihe
Tulosta
‹
Edellinen aihe
|
Seuraava aihe
›
Foorumihyppy »
Koti
» 10 viimeisintä viestiä
» 10 viimeisintä aihetta
Suomen Radiohistoriallinen Seura ry - Keskustelufoorumi
Suomen Radiohistoriallinen Seura ry
Jäsenalue
Yleistä radiohistoriasta
Kotimaiset radiot, televisiot ja äänentoistolaitteet
Ulkomaiset radiot, televisiot ja äänentoistolaitteet
Muut radio- ja elektroniikkalaitteet
Entisöinti ja kunnostus yleisellä tasolla
Omatekoiset laitteet ja rakentelu ««
Sotilasradiot ja Perinneradiot
Yleinen keskustelualue
Niitä Näitä
Haku päällä
« Koti
‹ Alue
SRHS Forum
» Powered by
YaBB 2.6.12
!
YaBB Forum Software
© 2000-2026. Kaikki oikeudet pidätetään.