Valitse kieli:
English
Suomi
Tervetuloa, Vieras. Ole hyvä ja
kirjaudu
tai
Rekisteröidy
Koti
Ohjeita
Haku
Kirjaudu
Rekisteröidy
Liity SRHS:n jäseneksi
SRHS Forum
›
Suomen Radiohistoriallinen Seura ry - Keskustelufoorumi
›
Ulkomaiset radiot, televisiot ja äänentoistolaitteet
› Philips EL6400 vahvistin
‹
Edellinen aihe
|
Seuraava aihe
›
Sivu: 1
Lähetä aihe
Tulosta
Philips EL6400 vahvistin (Luettu 6987 kertaa)
pekmatval
God Member
Poissa
Viestejä: 2012
Philips EL6400 vahvistin
29.10.2018 klo 17:20:58
Tulosta viesti
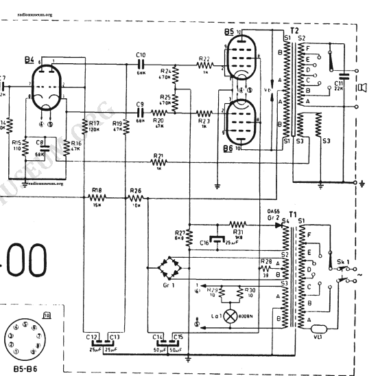
Ohessa päääteasteen kytkentä. Aika jännä tapa tehdä pääteputkille "screen-jännite". Kovasti koitin päätellä ja arvelisin, että tuon 39ohm (R28) vastuksen kautta syntyy puoliska siitä, mikä menee päätemuuntajan keskelle. Muutajan syöttävän käämin S2 osiot Aja B ovat samankokoiset. Onko oikein???
pddte.PNG
( 77 KB | 305 latausta )
IP kirjattu
artosalo
God Member
Poissa
Viestejä: 2663
Sijainti: Perniö
Re: Philips EL6400 vahvistin
Vastaus #1 -
29.10.2018 klo 19:38:24
Tulosta viesti
On oikein.
Muuntajan (keski) ulosotosta saadaan puolet siitä jännitteestä, mikä saadaan tasasuuntaussillan lähdöstä, vasemmalta puolelta.
Puolijännitteen muodostuksessa toimivat vain sillan kaksi oikeanpuoleista diodia.
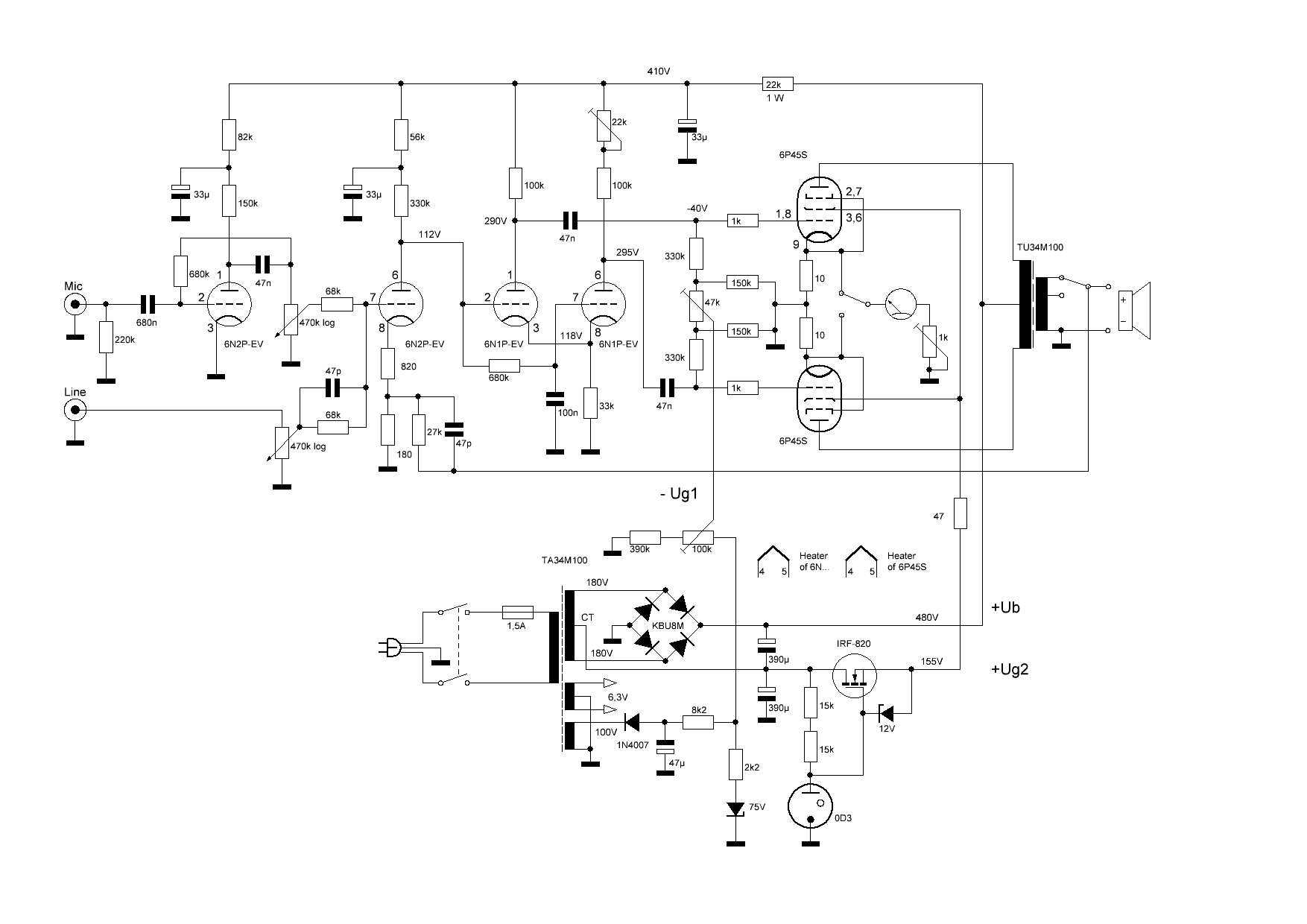
Olen käyttänyt samaa kytkentää mm. oheisessa vahvistinkytkennässä. Siinä on lisäksi G2-jännite reguloitu, mutta tasasuuntauksen periaate on sama.
6P45S_PP.GIF
( 36 KB | 345 latausta )
IP kirjattu
pekmatval
God Member
Poissa
Viestejä: 2012
Re: Philips EL6400 vahvistin
Vastaus #2 -
29.10.2018 klo 20:36:42
Tulosta viesti
Kiitos Artolle. Nukun paremmin, koska meni pähkäily oikein
Voi olla, että tulen modaamaan tätä Philips vahvistinta kun saan sen hyppysiini. Lienee melkoinen raato ilman putkia. Tuossa Arton kyteknnässä onkin jo paljon asioita, jokta kaiketi parantavat alkuperäsitä kytkentää.
IP kirjattu
pekmatval
God Member
Poissa
Viestejä: 2012
Re: Philips EL6400 vahvistin
Vastaus #3 -
01.11.2018 klo 22:20:09
Tulosta viesti
nyt tuo raato on saapunut. Vahvistin on alunperin suunniteltu EL81 pääteputkille. Onko parasta hankkia juuri nuo putket, vai voisiko päätemuuntaja toimia myös muilla putkilla hyvin? Olisiko kenelläkään EL81 putkia tarjolla?
IP kirjattu
jasonisti
God Member
Poissa
Viestejä: 772
Re: Philips EL6400 vahvistin
Vastaus #4 -
02.11.2018 klo 07:43:52
Tulosta viesti
Löytyy Nossina ja käytettynä EL81.
IP kirjattu
putkinotko
God Member
Poissa
SRHS # 751
Viestejä: 1881
Sijainti: Lohja
Re: Philips EL6400 vahvistin
Vastaus #5 -
02.11.2018 klo 08:50:59
Tulosta viesti
Moro
http://www.amplifiers-with-valves.nl/el64xx.html
Tuolta löytyy huolto-ohje Hollannin murteella. Lähdöt pelkillä jännite arvoilla.
Jussi
IP kirjattu
pekmatval
God Member
Poissa
Viestejä: 2012
Re: Philips EL6400 vahvistin
Vastaus #6 -
02.11.2018 klo 10:29:02
Tulosta viesti
yksityisviesti lähetetty Jasonistille ja Jussille kiitos hyvästä linkistä.
IP kirjattu
akenyh
God Member
Poissa
SRHS 257
Viestejä: 1155
Sijainti: Halikko (Salo)
Re: Philips EL6400 vahvistin
Vastaus #7 -
02.11.2018 klo 13:06:33
Tulosta viesti
pekmatval kirjoitti
01.11.2018 klo 22:20:09:
Vahvistin on alunperin suunniteltu EL81 pääteputkille
Hehkua (21,5V /0,3A)lukuunottamatta PL81 lienee sama putki kuin EL81 (6,3V/1,05A).
Terv. Åke
IP kirjattu
mikkor
God Member
Poissa
Viestejä: 960
Sijainti: Kauhava
Re: Philips EL6400 vahvistin
Vastaus #8 -
17.11.2018 klo 08:58:48
Tulosta viesti
Olen kuullut että tuossa vahvistimessa ei kestäisi kunnolla kuin Nos Philps EL81
Tiedä sitten häntä?
Facebook
IP kirjattu
artosalo
God Member
Poissa
Viestejä: 2663
Sijainti: Perniö
Re: Philips EL6400 vahvistin
Vastaus #9 -
17.11.2018 klo 10:08:00
Tulosta viesti
Lainaus:
Olen kuullut että tuossa vahvistimessa ei kestäisi kunnolla kuin Nos Philps EL81
Tuskin kyse on putkista.
Skemaa katsoessa kiinnittää huomiota se, että biassäätöä ei ole, vaan hilaetujännite muodostetaan kiinteällä vastusjaolla (R31 / R27).
Kun putkipääteasteen lepovirrat ovat oikein säädetty, niin kyllä putket kestävät.
«
Viimeksi muokattu: 17.11.2018 klo 10:36:28 Kirjoittaja artosalo
»
IP kirjattu
pekmatval
God Member
Poissa
Viestejä: 2012
Re: Philips EL6400 vahvistin
Vastaus #10 -
17.11.2018 klo 21:06:13
Tulosta viesti
Odottelen vielä Putkia. Varmaankin muokkaan piiriä fiksummaksi (esim. Arton kytkennän mukaiseksi) . Alkuperäisestä käyttöön jää sellaisenaan lähinnä vain päätemuuntaja. Toivottavasti se sentään on hyvä.
IP kirjattu
Sivu: 1
Lähetä aihe
Tulosta
‹
Edellinen aihe
|
Seuraava aihe
›
Foorumihyppy »
Koti
» 10 viimeisintä viestiä
» 10 viimeisintä aihetta
Suomen Radiohistoriallinen Seura ry - Keskustelufoorumi
Suomen Radiohistoriallinen Seura ry
Jäsenalue
Yleistä radiohistoriasta
Kotimaiset radiot, televisiot ja äänentoistolaitteet
Ulkomaiset radiot, televisiot ja äänentoistolaitteet ««
Muut radio- ja elektroniikkalaitteet
Entisöinti ja kunnostus yleisellä tasolla
Omatekoiset laitteet ja rakentelu
Sotilasradiot ja Perinneradiot
Yleinen keskustelualue
Niitä Näitä
Haku päällä
« Koti
‹ Alue
SRHS Forum
» Powered by
YaBB 2.6.12
!
YaBB Forum Software
© 2000-2026. Kaikki oikeudet pidätetään.