Valitse kieli:
English
Suomi
Tervetuloa, Vieras. Ole hyvä ja
kirjaudu
tai
Rekisteröidy
Koti
Ohjeita
Haku
Kirjaudu
Rekisteröidy
Liity SRHS:n jäseneksi
SRHS Forum
›
Suomen Radiohistoriallinen Seura ry - Keskustelufoorumi
›
Kotimaiset radiot, televisiot ja äänentoistolaitteet
› Holto-opas Salora Metropol 58:aan ja Luxor Ambassadöriin
‹
Edellinen aihe
|
Seuraava aihe
›
Sivu: 1
Lähetä aihe
Tulosta
Holto-opas Salora Metropol 58:aan ja Luxor Ambassadöriin (Luettu 3474 kertaa)
Ville-Matti
God Member
Poissa
SRSH<br />
Viestejä: 898
Holto-opas Salora Metropol 58:aan ja Luxor Ambassadöriin
23.05.2017 klo 13:30:16
Tulosta viesti
Terve,
Olisiko Salora Metropol 58:aan ja Ambassadöriin saatavissa tehtaan huolto-ohjetta, jossa näkyisi putkien ohjeelliset jännitearvot?
WWW
IP kirjattu
VjpA
God Member
Poissa
SRHS
Viestejä: 2679
Sijainti: Vantaa
Re: Holto-opas Salora Metropol 58:aan ja Luxor Ambassadöriin
Vastaus #1 -
23.05.2017 klo 18:11:13
Tulosta viesti
Mikäköhän Ambassadör on kyseessä, niitä on monta eri vuosimallia. Oletko katsonut Saloran sivuja?
lisäys: onko sama laite kyseessä?
http://www.radiohistoria.fi/cgi-bin/yabb2/YaBB.pl?num=1446720498/0
«
Viimeksi muokattu: 24.05.2017 klo 00:05:24 Kirjoittaja VjpA
»
t. // Jukka
IP kirjattu
Ville-Matti
God Member
Poissa
SRSH<br />
Viestejä: 898
Re: Holto-opas Salora Metropol 58:aan ja Luxor Ambassadöriin
Vastaus #2 -
24.05.2017 klo 00:59:28
Tulosta viesti
Iltoja,
Kyseessä on sama Ambassadör 3398 -malli. Kummassakin apparaatissa on sellaista kauneusvirhettä, että viritysputki ei aukea kunnolla. Varsinkin tätä Ambassadörin tapausta täällä on aikaisemminkin selvitelty. Voisin jännitteiden ohjeellisia arvoja vertaamalla selvittää, löytyisikö viritysviuhkan metkuille selitystä jännitepuolelta.
WWW
IP kirjattu
VjpA
God Member
Poissa
SRHS
Viestejä: 2679
Sijainti: Vantaa
Re: Holto-opas Salora Metropol 58:aan ja Luxor Ambassadöriin
Vastaus #3 -
24.05.2017 klo 21:00:18
Tulosta viesti
Joukolla on ollut ongelmia näköviritysputken kanssa, mutta homma selvisi:
http://www.radiohistoria.fi/cgi-bin/yabb2/YaBB.pl?num=1491484534/50#50
Vaikka radio on eri niin vikaa kannatta hakea välitaajuus-osan putkien hilakonkista, niin on taas yksi mahdollisuus vähemmän.
t. // Jukka
IP kirjattu
Ville-Matti
God Member
Poissa
SRSH<br />
Viestejä: 898
Re: Holto-opas Salora Metropol 58:aan ja Luxor Ambassadöriin
Vastaus #4 -
26.05.2017 klo 20:12:10
Tulosta viesti
Terve,
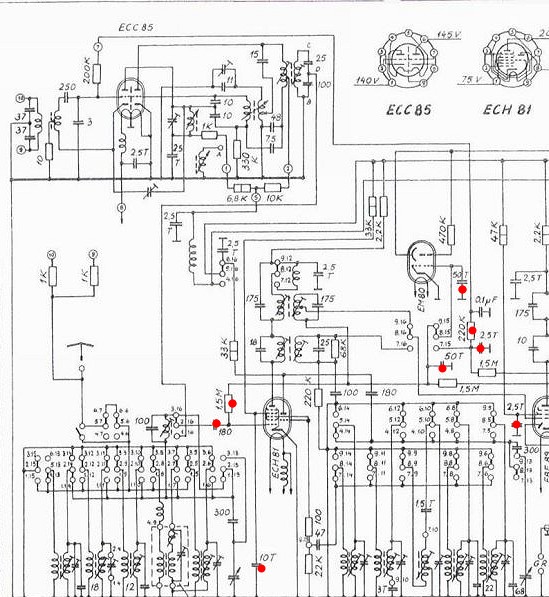
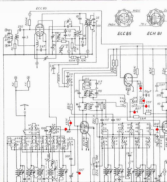
Vaihdoin Ambassadöriin liitetiedostokuvaan punaisella merkityt konkat ja vastukset. Näiden vaihtaminen ei juuri tuonut muutosta. Ehkä jonkin verran viritysputkeen lisäeloa toi ECH81:n hilalle kytkeytyvän 1,5 megaohmin vastuksen vaihtaminen; se kun oli kasvattanut arvoaan jonkin verran.
Näköviritysputkelta menee ula-etuasteelle kytkentä (ula-alueen ollessa kytkettynä), jonka loppupäässä on 200 kohmin vastus. Tuo vastus on ula-purkin sisällä. Voisiko tuon vastuksen arvon kasvu heikentää EM80:n toimintaa?
Tässä vaiheessa radiossa alkaa olla jo melko paljon vaihdettua osaa, kaikki konkat ja melkoisesti vastuksiakin. Muutamat vaihtamani 2500 pF:n kerkot aion laittaa takaisin, sillä niiden uusiminen ei vaikuttanut radion toimintaan mitenkään. Kerkot taitavat olla aika hyvässä kunnossa iästään huolimatta.
Kaipailen ohjeellisia jännitemittauksia ula-alueen ollessa kytkettynä. Kytkentäkaavion jännitemittaukset on tehty AM-puolen ollessa kytkettynä (L1).
kaavio_001.jpg
( 114 KB | 0 latausta )
WWW
IP kirjattu
Sivu: 1
Lähetä aihe
Tulosta
‹
Edellinen aihe
|
Seuraava aihe
›
Foorumihyppy »
Koti
» 10 viimeisintä viestiä
» 10 viimeisintä aihetta
Suomen Radiohistoriallinen Seura ry - Keskustelufoorumi
Suomen Radiohistoriallinen Seura ry
Jäsenalue
Yleistä radiohistoriasta
Kotimaiset radiot, televisiot ja äänentoistolaitteet ««
Ulkomaiset radiot, televisiot ja äänentoistolaitteet
Muut radio- ja elektroniikkalaitteet
Entisöinti ja kunnostus yleisellä tasolla
Omatekoiset laitteet ja rakentelu
Sotilasradiot ja Perinneradiot
Yleinen keskustelualue
Niitä Näitä
Haku päällä
« Koti
‹ Alue
SRHS Forum
» Powered by
YaBB 2.6.12
!
YaBB Forum Software
© 2000-2026. Kaikki oikeudet pidätetään.