Valitse kieli:
English
Suomi
Tervetuloa, Vieras. Ole hyvä ja
kirjaudu
tai
Rekisteröidy
Koti
Ohjeita
Haku
Kirjaudu
Rekisteröidy
Liity SRHS:n jäseneksi
SRHS Forum
›
Suomen Radiohistoriallinen Seura ry - Keskustelufoorumi
›
Kotimaiset radiot, televisiot ja äänentoistolaitteet
› asa 992 radio
‹
Edellinen aihe
|
Seuraava aihe
›
Sivu: 1
Lähetä aihe
Tulosta
asa 992 radio (Luettu 7922 kertaa)
Temes
YaBB Newbies
Poissa
Viestejä: 25
asa 992 radio
09.04.2017 klo 16:44:58
Tulosta viesti
löysin jätelavalta kys. radion likainen on,mutta kaikinpuolin ehjä ja nupit yms. tallella.tänään testailin toimivuutta,mutta pääteasteessa on jotain hämärää.toimii ok jos on isolla,pienemmällä teholla ääni säröytyy täysin,vika on ula:lla ja myös ulkopuolisella äänilähteellä,missä vika?
IP kirjattu
balticsuper
God Member
Poissa
Viestejä: 888
Sijainti: Tampere
Re: asa 992 radio
Vastaus #1 -
09.04.2017 klo 20:45:14
Tulosta viesti
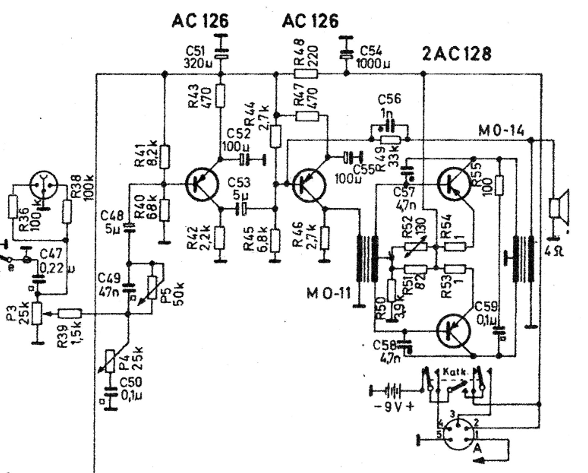
Ei ole kristallipalloa... kaiuttimen keskitysvika, roskia puhekelan ja magneetin välissä,
juotoskorvilta kartiolle johtavien johtimien osittainen katkos, pääteasteen toimintapiste
pielessä -toinen trankku viallinen, -tinaviiksiä näissäkin- pääteasteen lepovirta täysin
nollassa... tuossa aluksi ja pt-asteen kaavio tueksi.
Asa_992__-1.jpg
( 238 KB | 0 latausta )
IP kirjattu
Temes
YaBB Newbies
Poissa
Viestejä: 25
Re: asa 992 radio
Vastaus #2 -
10.04.2017 klo 07:30:04
Tulosta viesti
testasin irtokaiuttimella ja sama vika eli ei oo kaiuttimessa.
IP kirjattu
Maja
God Member
Poissa
SRHS 478
Viestejä: 3372
Sijainti: Lounais-Suomi
Re: asa 992 radio
Vastaus #3 -
10.04.2017 klo 15:39:26
Tulosta viesti
Tarkista tai vaihda nuo C48 ja C53 elkot, ne ovat yleensä kuivuneita ajan saatossa.
Markku
IP kirjattu
Temes
YaBB Newbies
Poissa
Viestejä: 25
Re: asa 992 radio
Vastaus #4 -
10.04.2017 klo 17:44:09
Tulosta viesti
ok täytyy kokeilla ku pääsen radion ääreen.kannattaisko noita transistoreja koittaa elvyttää poksauttamalla tinaviikset pois vai hajoaako ne kokonaan?
IP kirjattu
Temes
YaBB Newbies
Poissa
Viestejä: 25
Re: asa 992 radio
Vastaus #5 -
23.04.2017 klo 20:59:44
Tulosta viesti
tänään vaidoin nuo kondensaattorit, esr-mittari ei näyttänyt niissä lainkaan olevan kapasitanssia jäljellä,mutta kaikki elkot joita mittailin oli kaukana arvoistaan,voi johtua kiinalaisesta halvasta mittarista.alkup.oli 5,0mf ei ollut tuon kokoisia 4,7mf tilalle,sitten käytin nuo päätetransistorit irti ja tinasin e,b,c yhteen jä käytin 9v paristoa jalkojen ja kuoren välissä pariin otteeseen.ääni kirkastui ja parani huomattavasti,säröä on enään aivan pienellä voimakkuudella,voisiko lepovirta olla pielessä ja voiko sen säätää?
IP kirjattu
Maja
God Member
Poissa
SRHS 478
Viestejä: 3372
Sijainti: Lounais-Suomi
Re: asa 992 radio
Vastaus #6 -
25.04.2017 klo 20:36:58
Tulosta viesti
Tässä mallissa ei ole trimmeriä lepovirran säätöön vaan se säätyy 130Ω NTC-vastuksella
R52. Tarkista onko se ja sen ohessa olevat emitteripiirin vastukset, ettei niiden arvot ole
nousseet kaavioissa mainituista.
Markku
IP kirjattu
Temes
YaBB Newbies
Poissa
Viestejä: 25
Re: asa 992 radio
Vastaus #7 -
26.05.2017 klo 19:03:30
Tulosta viesti
tuo ntc vastus hajosi kun siihen koski se oli ihan pölyä,oon koittanut tilalle kiinteitä vastuksia,mikä siihen olisi sopiva?
IP kirjattu
VjpA
God Member
Poissa
SRHS
Viestejä: 2679
Sijainti: Vantaa
Re: asa 992 radio
Vastaus #8 -
26.05.2017 klo 21:19:33
Tulosta viesti
Tuolta löytyisi aika lähelle NTC-vastus 150 ohm.
https://www.elfadistrelec.fi/fi/ntc-vastus-laepiladottava-150-ohm-vishay-ntcle10...
t. // Jukka
IP kirjattu
Jari
God Member
Poissa
SRSH
Viestejä: 808
Sijainti: Oulu
Re: asa 992 radio
Vastaus #9 -
26.05.2017 klo 22:53:36
Tulosta viesti
Kirjemaksua vastaan löytyisi minulta tämmöinen purkuosa.
Jari
ntc_1.jpg
( 9 KB | 0 latausta )
IP kirjattu
astronic
Full Member
Poissa
Viestejä: 152
Re: asa 992 radio
Vastaus #10 -
27.05.2017 klo 16:42:38
Tulosta viesti
Moro.
Löytyy täysin käyttämätön 130 Ohminen NTC. Väittäisin kuitenkin, että se lopullinen syy laitteen toimimattomuuteen ei parannu pelkän NTC:n vaihdolla. Nuo pari emiterillä olevaa 1 ohmista vastusta "arveluttavat" näkemättä laitetta ja tutkimatta. Tuohon "tinaviiksi juttuun" en ota kantaa koska täällä on "asiantuntijat" sitä varten ja itselleni niitä ei ole vastaan sattunut. Tuon aikainen kytkentä sisältää niitä kuivia konkkia, varsinkin ne pienet elkot joissa jo silmällä huomaa ettei keikki ole ok. Jos nyt haluat tuon NTC:n käyttämättömänä niin senkin saa kirjeen hinnalla.
IP kirjattu
Temes
YaBB Newbies
Poissa
Viestejä: 25
Re: asa 992 radio
Vastaus #11 -
01.06.2017 klo 16:51:06
Tulosta viesti
joo,1 ohm emitterivastukset vaidoin jo aikaisemmin samoin kaikki mahdolliset elkot,mutta vika ei korjaantunut,ntc-vastus oli ääretön ja kun menin siihen koskeen se oli halki ja aivan pölyä,nyt juotin jarilta saadun vastuksen joka näytti +20 asteessa 122-ohm,ja hups radio soi hienosti kaikilla voimakkuuksilla.kiitoksia kaikille vinkeistä,vanha asa on kunnossa
IP kirjattu
Sivu: 1
Lähetä aihe
Tulosta
‹
Edellinen aihe
|
Seuraava aihe
›
Foorumihyppy »
Koti
» 10 viimeisintä viestiä
» 10 viimeisintä aihetta
Suomen Radiohistoriallinen Seura ry - Keskustelufoorumi
Suomen Radiohistoriallinen Seura ry
Jäsenalue
Yleistä radiohistoriasta
Kotimaiset radiot, televisiot ja äänentoistolaitteet ««
Ulkomaiset radiot, televisiot ja äänentoistolaitteet
Muut radio- ja elektroniikkalaitteet
Entisöinti ja kunnostus yleisellä tasolla
Omatekoiset laitteet ja rakentelu
Sotilasradiot ja Perinneradiot
Yleinen keskustelualue
Niitä Näitä
Haku päällä
« Koti
‹ Alue
SRHS Forum
» Powered by
YaBB 2.6.12
!
YaBB Forum Software
© 2000-2026. Kaikki oikeudet pidätetään.