Valitse kieli:
English
Suomi
Tervetuloa, Vieras. Ole hyvä ja
kirjaudu
tai
Rekisteröidy
Koti
Ohjeita
Haku
Kirjaudu
Rekisteröidy
Liity SRHS:n jäseneksi
SRHS Forum
›
Suomen Radiohistoriallinen Seura ry - Keskustelufoorumi
›
Ulkomaiset radiot, televisiot ja äänentoistolaitteet
› Luxor putkiradio .. mutta mikä?
‹
Edellinen aihe
|
Seuraava aihe
›
Sivu:
1
2
[3]
Lähetä aihe
Tulosta
Luxor putkiradio .. mutta mikä? (Luettu 22430 kertaa)
IlpoJaakko
God Member
Poissa
SRHS
Viestejä: 868
Re: Luxor putkiradio .. mutta mikä?
Vastaus #30 -
04.02.2017 klo 10:32:21
Tulosta viesti
Kyllä nyt alkoi kiinnostaa etsiä käsiin joku yleisvirtavanhus. Niissä riittää mielenkiintoa. Tuossa Luxorissa kaikki hilaetujännitteet otetaan sieltä maan puolelta vastusketjusta. Niissä varmaan on säätämistä, jos virtalähteen kytkentöjä muutetaan.
Voisko tuossa ilmaisinta korvata diodeilla. Tulisi kerralla modattua.
Tästä saisikin jo perusteellisen tutkimusraportin.
IP kirjattu
pekmatval
God Member
Poissa
Viestejä: 2012
Re: Luxor putkiradio .. mutta mikä?
Vastaus #31 -
04.02.2017 klo 14:03:15
Tulosta viesti
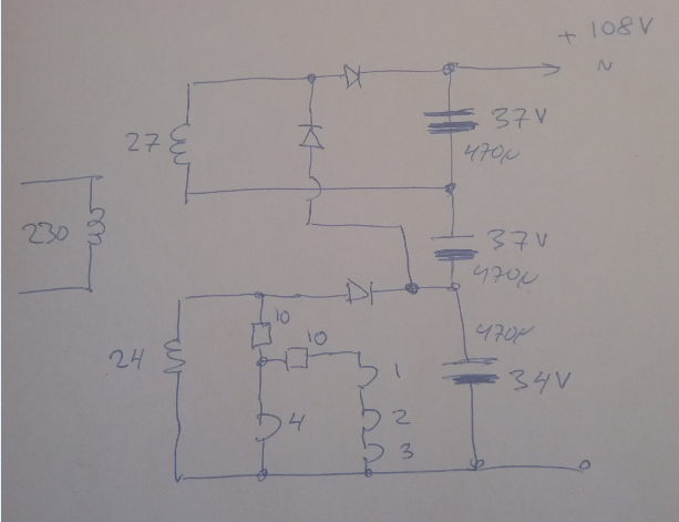
Yö tekee ihmeitä. Päähän pälähti tapa, jolla jo paikalleen asennetulla muuntajalla saa paremmat powerit kuin alkuperäiset olivat. Hehkut pysyvät AC mallisina (mutta nekin voi vielä helposti tasasuunnata jos jaksaa räpeltää pienen regulaattorin peliin ) . Ylempi käämi antaa tuon 27Vac, koska virta on pieni. Siis anodi jännitte on noin alkuperäinen 110V. rippeliä noilla 470uf konkilla tulee noin 3V , jos anodivirta 35mA ... ja konkkia on helppo kasvattaa.
Rakentelen oheisen kokeeksi (kestää 20min).
poweri_n+1.PNG
( 367 KB | 0 latausta )
IP kirjattu
pekmatval
God Member
Poissa
Viestejä: 2012
Re: Luxor putkiradio .. mutta mikä?
Vastaus #32 -
04.02.2017 klo 17:55:35
Tulosta viesti
tämä viimeinen kytkentä toimi täydellisesti. Jännitteet kohdalaan (anodeilla ja katodeilla) . Ja myös AC-hehkuilla kuuluu paremmin, jos päätetutkella on noin 21V ja 3 putken ketjulla 18V. Ei hurise myöskään AC hehkuilla . Kokeeksi koitin uudelleen DC hehkuilla ja en havainnut mitään eroa toiminnassa.
Lyhyillä aalloilla ihemetyttää, että radio ei suhise asemien välillä ... on ihan hiljaa ja kun asema löytyy, niin se kuuluu todella selkeästi. Aseman viritys on todella tarkka .. vähänkin sivussa ja radio on täysin mykkä. Olisiko tässä jotenkin poikkeuksellisen hyvät kelat? (se Q arvo?).
Löysin myös syyn, miksi pitkät olivat hiljaiset. Yksi kelan johdin oli painautunut säädettävää metallista trimmeriä vasten ja teki oikarin (noin kuvan keskellä ohut karva metallia vasten) . Nyt toimii nekin .. mutta pitkiltä kuuluu lähinnä rahinaa.
Turvallisuudesta sen verran, että Radion puukotelon pohjassa on näkyvillä 4 ruuvia, jotka ovat kiinni rungossa ... alunperin siis verkkojännitteessä! Voin vain kuvitella tilanteen, että joku nostaa radiota kun virta on päällä tai laittaa alle jotain johtavaa ... ja hengenvaara on valmis. Myöskin siellä on konkka rungon ja antennin välillä ... sekin voi hyvin pettää. Nykyisellään riski on muuntajan eristeissä, mutta ne on osattu tehdä riskittomiksi .. vai? ... taisivat aikoinnaan ajatella, että 'no risk .. no fun'
oikari.PNG
( 168 KB | 0 latausta )
IP kirjattu
pekmatval
God Member
Poissa
Viestejä: 2012
Re: Luxor putkiradio .. mutta mikä?
Vastaus #33 -
05.02.2017 klo 01:06:29
Tulosta viesti
kasasin radion kasaan ja rakentelin asteikkovaloiksi 3 lediä, sillä alkuperäinen lamppu otti 110V / 25mA. Se olisi kuormittanut anodijännitettä aivan liikaa ja tuollaista AC jännitettä ei ole tarjolla. Ledit toimii 5mA virralla alimmasta 34V lyytistä.
Hiukan ihmetyttää, että miksi on vaivauduttu tekemään voluumin säätö ketjutetuilla vastuksilla + vaihtokytkimellä ( kuva oli ketjun alussa) .. eikö tuo tullut kalliimmaksi?? ... oliko siitä muka jotain etua?? Vai eikö vuonna 1945 potentiometri ollut vielä keksitty?
Nyt yöllä radiosta kuului jopa pitkillä puhtaasti (noin 1670m) jokin Englantilainen kanava.
IP kirjattu
VjpA
God Member
Poissa
SRHS
Viestejä: 2679
Sijainti: Vantaa
Re: Luxor putkiradio .. mutta mikä?
Vastaus #34 -
05.02.2017 klo 18:55:17
Tulosta viesti
Taisi olla potikat kiven alla 1945, sota oli tuhonnut paljon koneita ja osat olivat kortilla, arvelen.
t. // Jukka
IP kirjattu
Timo Haveri
God Member
Poissa
Viestejä: 2962
Sijainti: Parkano
Re: Luxor putkiradio .. mutta mikä?
Vastaus #35 -
08.02.2017 klo 18:17:33
Tulosta viesti
pekmatval kirjoitti
04.02.2017 klo 17:55:35:
Turvallisuudesta sen verran, että Radion puukotelon pohjassa on näkyvillä 4 ruuvia, jotka ovat kiinni rungossa ...
Onkohan ruuvien päällä ollut alunperin jokin suojaus, esim. ohuet levynpalat liimattuna päälle? Vai ulottuuko pohjapahvi ruuvien kantojen päälle paikallaan ollessaan? Vaikea uskoa, että ne olisivat olleet paljaana tehtaalta lähtiessään.
Timo
WWW
IP kirjattu
pekmatval
God Member
Poissa
Viestejä: 2012
Re: Luxor putkiradio .. mutta mikä?
Vastaus #36 -
08.02.2017 klo 18:47:04
Tulosta viesti
ohessa kuva pohjasta. Nuo 4 isoa ruuvia prikkoineen ovat kiinni rungossa ja mitään peitettä ei ollut pojassa niitä suojaamassa.
Ja myöskin kaikissa nupeissa on reikä, joiden pojalla on metalliruuvi kiinnitettynä runkoon. Ruuvin pinta on noin 2mm syvemmällä kuin nupin reijän reuna. Jos vaikka sattuisi olemaan pisara vettä kädessä, niin sähköiskun vaara on ilmeinen.
Minä en tälläistä 'pommia' haluaisi pöydälleni.
2011-08-02_23_08_49.jpg
( 244 KB | 0 latausta )
IP kirjattu
pekmatval
God Member
Poissa
Viestejä: 2012
Re: Luxor putkiradio .. mutta mikä?
Vastaus #37 -
08.02.2017 klo 18:54:21
Tulosta viesti
ohessa kuva radiosta, kun sen on lakattu ja turvallinen .. siis pilalle modifiotu
Mielenkiintoista on, että Luxorin takaseinässä oli lappu, jossa luki sana 'Työ' ... olisiko tehty Suomessa?? vain oliko tehtaalla Ruotsissa Suomenkieli mukana?
«
Viimeksi muokattu: 08.02.2017 klo 19:11:09 Kirjoittaja pekmatval
»
2011-08-02_23_09_36.jpg
( 226 KB | 0 latausta )
2011-08-02_23_12_53.jpg
( 226 KB | 0 latausta )
IP kirjattu
balticsuper
God Member
Poissa
Viestejä: 888
Sijainti: Tampere
Re: Luxor putkiradio .. mutta mikä?
Vastaus #38 -
08.02.2017 klo 19:15:01
Tulosta viesti
Hieman tarkkaavaisuutta... kulmakappaleet joihin pohjaruuvit kierretään ovat eristettyjä.
Lisäksi näyttää siltä ettei pohjalevy ole alkuperäinen. Siinä on mm kiinnitysruuvin reikä
johon kierretty ruuvi ei ota kiinni mihinkään... jos nyt ilmaa ei oteta lukuun
YV-radioissa on nuppien ruuvinreiät täytettävä vahalla tms massalla.
eristetyt_korvakkeet.jpg
( 61 KB | 0 latausta )
IP kirjattu
pekmatval
God Member
Poissa
Viestejä: 2012
Re: Luxor putkiradio .. mutta mikä?
Vastaus #39 -
08.02.2017 klo 19:48:56
Tulosta viesti
Balticsuperi oli taas kerran oikeassa. Olihan siellä eriste rungon ja noiden ruuvien välissä ... ainakin 4mm eristettä. Avasin radion uudelleen ... tarkkaavaisuus oli hukassa! Ja myös niissä nuppien reijissä oli alunperin jotain 'mönjää' ruuvien päällä. Arvelin sen olevan likaa ajan saatosta ja poistin huolella
... aina oppii kun ihmettelee.
Ne pohjan suojalevyn puuttuvat ruuvit ovat varmaan joskus hävinneet (=minäkin hävitin yhden) . Jokaisen reijän takana oli kyllä puukotelossa kolo. Se levy kyllä pysyy paikallaan 2 ruuvilla.
täytyy perua puheitaan ... oli tämä alunperin silti melko turvallinen. Mutta silti nyt parempi
IP kirjattu
balticsuper
God Member
Poissa
Viestejä: 888
Sijainti: Tampere
Re: Luxor putkiradio .. mutta mikä?
Vastaus #40 -
08.02.2017 klo 20:15:04
Tulosta viesti
Onko nuolen osoittaman reiän takanakin puuta?
Ympyröidyssä nurkassa olevassa kolossa näyttäisi olevan vähän "käsityön" jälkeä...
tosin kuvasta ei varmuudella voi erottaa... voihan se olla alkuperäinenkin, ehkä
tehtaalla on käytetty toisen mallin levyä hieman modattuna.
"lappu, jossa luki sana 'Työ' ..."
Arvelen että se on korjaamon liimailema, aikoinaan oli huolloilla tapana laittaa jonkinlainen
merkintä tehdystä korjauksesta, toinenkin lappu lienee vastaava mutta eri firman.
pohjalevy.jpg
( 80 KB | 0 latausta )
IP kirjattu
pekmatval
God Member
Poissa
Viestejä: 2012
Re: Luxor putkiradio .. mutta mikä?
Vastaus #41 -
08.02.2017 klo 20:56:00
Tulosta viesti
on reikien alla puuta.. mutta kyllä tuo pohjan suoja näyttää hiukan kyhätyltä. Tuskin on alkuperäinen. Jokut kiinnitysreijistä ovat uudemman näköisiä.
Mutta tuossa lapussa lukee myös 'Arb' ... ruotsiksi kaiketi 'työ' (...tietävätkö muuten sillä mitä työ on?
)... olisiko korjailtu Hangossa tai jossain muussa Ruotsin kieltä suosivassa osassa Suomea. Radion ostin Mustiosta ... josta Tammisaari ei ole kaukana.
2011-08-03_01_14_53.jpg
( 286 KB | 0 latausta )
IP kirjattu
Sivu:
1
2
[3]
Lähetä aihe
Tulosta
‹
Edellinen aihe
|
Seuraava aihe
›
Foorumihyppy »
Koti
» 10 viimeisintä viestiä
» 10 viimeisintä aihetta
Suomen Radiohistoriallinen Seura ry - Keskustelufoorumi
Suomen Radiohistoriallinen Seura ry
Jäsenalue
Yleistä radiohistoriasta
Kotimaiset radiot, televisiot ja äänentoistolaitteet
Ulkomaiset radiot, televisiot ja äänentoistolaitteet ««
Muut radio- ja elektroniikkalaitteet
Entisöinti ja kunnostus yleisellä tasolla
Omatekoiset laitteet ja rakentelu
Sotilasradiot ja Perinneradiot
Yleinen keskustelualue
Niitä Näitä
Haku päällä
« Koti
‹ Alue
SRHS Forum
» Powered by
YaBB 2.6.12
!
YaBB Forum Software
© 2000-2026. Kaikki oikeudet pidätetään.