Valitse kieli:
English
Suomi
Tervetuloa, Vieras. Ole hyvä ja
kirjaudu
tai
Rekisteröidy
Koti
Ohjeita
Haku
Kirjaudu
Rekisteröidy
Liity SRHS:n jäseneksi
SRHS Forum
›
Suomen Radiohistoriallinen Seura ry - Keskustelufoorumi
›
Ulkomaiset radiot, televisiot ja äänentoistolaitteet
› Luxor putkiradio .. mutta mikä?
‹
Edellinen aihe
|
Seuraava aihe
›
Sivu:
[1]
2
3
Lähetä aihe
Tulosta
Luxor putkiradio .. mutta mikä? (Luettu 22413 kertaa)
pekmatval
God Member
Poissa
Viestejä: 2012
Luxor putkiradio .. mutta mikä?
27.01.2017 klo 20:47:46
Tulosta viesti
tälläinen Luxor kirpparilöytö tuli hankituksi. Tunnistaako joku?
luxor_pieni1.jpg
( 261 KB | 0 latausta )
takaa_pieni.jpg
( 227 KB | 0 latausta )
IP kirjattu
HeikT
God Member
Poissa
SRHS 782
Viestejä: 776
Sijainti: Lohja
Re: Luxor putkiradio .. mutta mikä?
Vastaus #1 -
27.01.2017 klo 20:56:30
Tulosta viesti
taitaa olla tämä
http://www.radiomuseum.org/r/luxor_72w.html
IP kirjattu
pekmatval
God Member
Poissa
Viestejä: 2012
Re: Luxor putkiradio .. mutta mikä?
Vastaus #2 -
27.01.2017 klo 21:07:07
Tulosta viesti
No tuoha se on. Eipä kestänyt kauan tämä tunnistus.
Kiitos.
Mistäs tahän saisi kytkiksen?
IP kirjattu
Jari
God Member
Poissa
SRSH
Viestejä: 808
Sijainti: Oulu
Re: Luxor putkiradio .. mutta mikä?
Vastaus #3 -
27.01.2017 klo 21:41:00
Tulosta viesti
Lataa "Luxor Servicebok" täältä
http://www.sm7ucz.se/Luxor/Luxor.htm
Parisataa sivua kytkentäkaavoja ja 72 W näyttää löytyvän sivulta 148.
Jari
IP kirjattu
pekmatval
God Member
Poissa
Viestejä: 2012
Re: Luxor putkiradio .. mutta mikä?
Vastaus #4 -
27.01.2017 klo 22:06:08
Tulosta viesti
Jari
en löytä tuosta linkitstä kytkistä?? ... sivujakin on vain noin 10.
IP kirjattu
RJL
God Member
Poissa
SRHS 612
Viestejä: 2768
Re: Luxor putkiradio .. mutta mikä?
Vastaus #5 -
27.01.2017 klo 22:42:54
Tulosta viesti
Ööh, siinähän se tulee Jarin linkistä, kun vähän vierittää alaspäin, ja vielä linkkikin pdf-tiedostoon. Olisko joku selainjuttu?
Reijo Liljedahl - SRHS 612 - OH3AVA - SDXL 8092
IP kirjattu
Jari
God Member
Poissa
SRSH
Viestejä: 808
Sijainti: Oulu
Re: Luxor putkiradio .. mutta mikä?
Vastaus #6 -
27.01.2017 klo 22:57:30
Tulosta viesti
No tässä on suora linkki lataukseen
http://www.sm7ucz.se/Luxor/Luxor%20servicebok.pdf
Jari
IP kirjattu
pekmatval
God Member
Poissa
Viestejä: 2012
Re: Luxor putkiradio .. mutta mikä?
Vastaus #7 -
27.01.2017 klo 23:07:30
Tulosta viesti
Kiitos Jari,
Tämä linkki toimi ...tulikin 18.8M file
.
Mutta löytyi myös 72W
IP kirjattu
pekmatval
God Member
Poissa
Viestejä: 2012
Re: Luxor putkiradio .. mutta mikä?
Vastaus #8 -
31.01.2017 klo 23:20:24
Tulosta viesti
Palasin sorvin ääreen. Apurikin löytyi .... sähköinen kissani
kissa_tutkii.jpg
( 144 KB | 0 latausta )
IP kirjattu
pekmatval
God Member
Poissa
Viestejä: 2012
Re: Luxor putkiradio .. mutta mikä?
Vastaus #9 -
31.01.2017 klo 23:22:48
Tulosta viesti
en vielä ehtinyt kuin avaamaan vehkeen. On näköjään verkkomuuntajaton 'tappokone'.. pitää olla varovainen. Syötän laitetta aluksi eristysmuuntajasta tai DC powerista.
Muutama vastus on hapettunut/palanut.
sisus_pieni_1.jpg
( 246 KB | 0 latausta )
IP kirjattu
pekmatval
God Member
Poissa
Viestejä: 2012
Re: Luxor putkiradio .. mutta mikä?
Vastaus #10 -
31.01.2017 klo 23:23:53
Tulosta viesti
kaksi rikkinäistä vastusta ... vihreän johto on hapettunut poikki. lankavastus palanut?
rikki_1.jpg
( 225 KB | 0 latausta )
rikki_2.jpg
( 180 KB | 0 latausta )
IP kirjattu
pekmatval
God Member
Poissa
Viestejä: 2012
Re: Luxor putkiradio .. mutta mikä?
Vastaus #11 -
31.01.2017 klo 23:44:02
Tulosta viesti
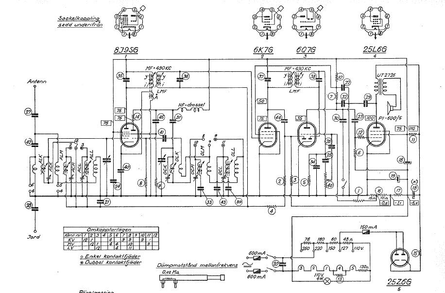
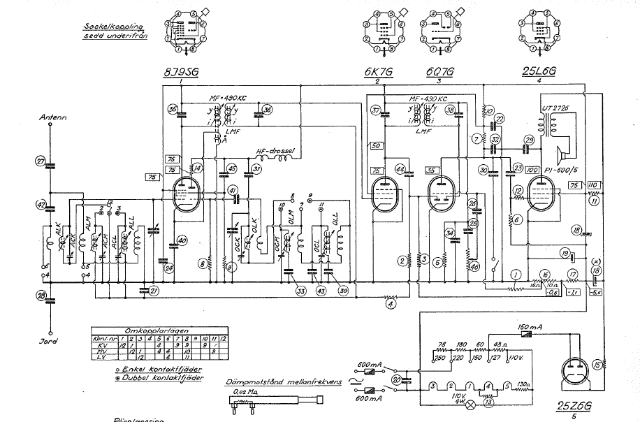
edit.
kytkis mallin 72W ja osaluettelo mallin 72WL ... lipsahti.
«
Viimeksi muokattu: 01.02.2017 klo 11:15:43 Kirjoittaja pekmatval
»
kytkis_koko.PNG
( 91 KB | 0 latausta )
osat_72wl.PNG
( 59 KB | 0 latausta )
IP kirjattu
IlpoJaakko
God Member
Poissa
SRHS
Viestejä: 868
Re: Luxor putkiradio .. mutta mikä?
Vastaus #12 -
01.02.2017 klo 00:02:39
Tulosta viesti
Eipä tarvitse tuossa Ulan kanssa askarrella. Sormet kyllä syyhyää muuttaa virtalähde tälle vuosituhannelle. Tuossahan pitää puolet (vähän vain liiotellen) verkkojännitteestäkin päästää hukkatehona taivaalle.
Tietenkin museovirasto olisi eri mieltä.
«
Viimeksi muokattu: 01.02.2017 klo 00:30:27 Kirjoittaja IlpoJaakko
»
IP kirjattu
pekmatval
God Member
Poissa
Viestejä: 2012
Re: Luxor putkiradio .. mutta mikä?
Vastaus #13 -
01.02.2017 klo 11:13:37
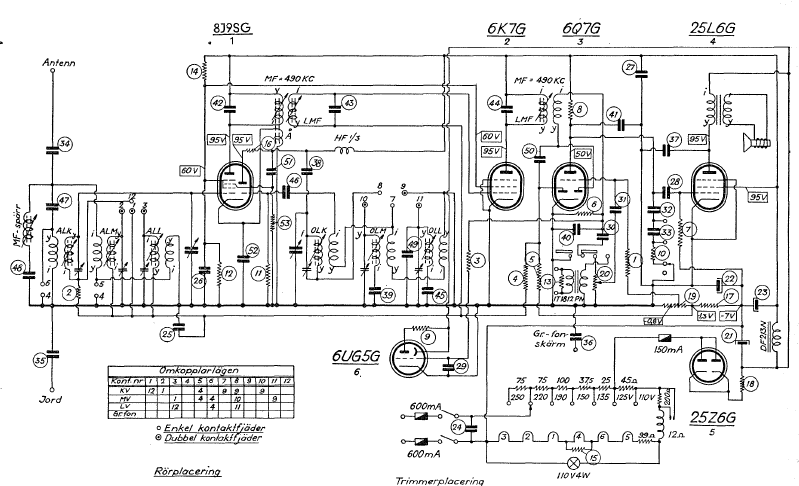
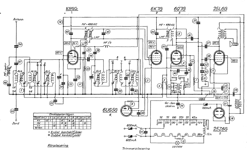
Tulosta viesti
Aiemmin laittamani kytkis on mallin 72W ... ei mallin 72WL, jollainen radioni on. Virhe sattui, koska siinä linkissä ne ovat alekkain ja sivu hyppää selatessa huomaamatta. Osaluettelo on tämän (oikea kytkis liitteenä) 72WL mallin.
kytkis_72WL_koko.PNG
( 94 KB | 0 latausta )
IP kirjattu
LGL.
God Member
Poissa
Viestejä: 1352
Re: Luxor putkiradio .. mutta mikä?
Vastaus #14 -
01.02.2017 klo 11:31:53
Tulosta viesti
Tuossa "väärässä" kaviossa on ruotsalainen virityssilmä 6UG5G jossa on erikoinen näyttö, rengas joka pienenee tai suurenee virityksen mukaan. Harvinainen putki.
LGL
IP kirjattu
Sivu:
[1]
2
3
Lähetä aihe
Tulosta
‹
Edellinen aihe
|
Seuraava aihe
›
Foorumihyppy »
Koti
» 10 viimeisintä viestiä
» 10 viimeisintä aihetta
Suomen Radiohistoriallinen Seura ry - Keskustelufoorumi
Suomen Radiohistoriallinen Seura ry
Jäsenalue
Yleistä radiohistoriasta
Kotimaiset radiot, televisiot ja äänentoistolaitteet
Ulkomaiset radiot, televisiot ja äänentoistolaitteet ««
Muut radio- ja elektroniikkalaitteet
Entisöinti ja kunnostus yleisellä tasolla
Omatekoiset laitteet ja rakentelu
Sotilasradiot ja Perinneradiot
Yleinen keskustelualue
Niitä Näitä
Haku päällä
« Koti
‹ Alue
SRHS Forum
» Powered by
YaBB 2.6.12
!
YaBB Forum Software
© 2000-2026. Kaikki oikeudet pidätetään.