Valitse kieli:
English
Suomi
Tervetuloa, Vieras. Ole hyvä ja
kirjaudu
tai
Rekisteröidy
Koti
Ohjeita
Haku
Kirjaudu
Rekisteröidy
Liity SRHS:n jäseneksi
SRHS Forum
›
Suomen Radiohistoriallinen Seura ry - Keskustelufoorumi
›
Kotimaiset radiot, televisiot ja äänentoistolaitteet
› Fenno Tapio tyyppi F203T
‹
Edellinen aihe
|
Seuraava aihe
›
Sivu: 1
Lähetä aihe
Tulosta
Fenno Tapio tyyppi F203T (Luettu 4549 kertaa)
pekmatval
God Member
Poissa
Viestejä: 2012
Fenno Tapio tyyppi F203T
06.09.2015 klo 18:24:56
Tulosta viesti
Radio suhisee,mutta mitään järkevää ei kuulu, pikaisesti mitattuna välitaajuustrankuilla eiole järjellisiä jännitteitä. Olisiko kytkistä tiedossa?
P1040427.JPG
( 154 KB | 0 latausta )
P1040431.JPG
( 156 KB | 0 latausta )
IP kirjattu
pekmatval
God Member
Poissa
Viestejä: 2012
Re: Fenno Tapio tyyppi F203T
Vastaus #1 -
07.09.2015 klo 17:41:22
Tulosta viesti
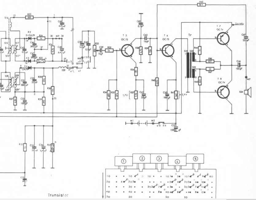
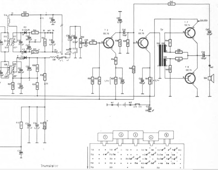
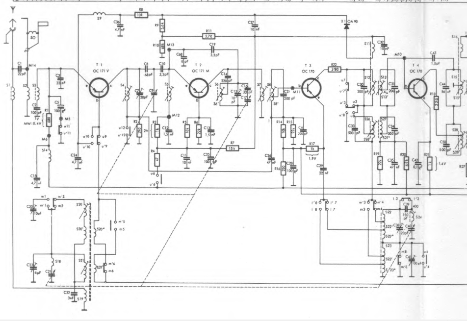
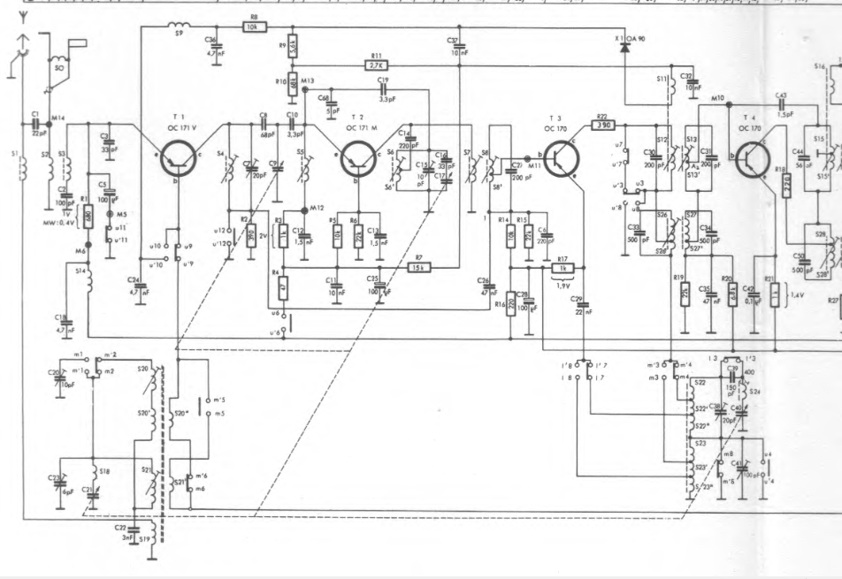
tässä erään kerholaisn kautta saadusta kytkiksestä kopio .. KIITOS! .. minulla on nyt huoltomanuaalikin. Jos joku tarvitsee , niin voi kysellä.
etuosa1.PNG
( 395 KB | 0 latausta )
takaosa_1.PNG
( 304 KB | 0 latausta )
IP kirjattu
pekmatval
God Member
Poissa
Viestejä: 2012
Re: Fenno Tapio tyyppi F203T
Vastaus #2 -
20.09.2015 klo 22:15:46
Tulosta viesti
Palasin tämän vehkeen kimppuun. Pääteasteen totesin toimivaksi ihan pelkkaa 50HZ hurinaa sormella syöttämällä vol potikan nastoihin .. terve hurina.
Tutkin hetken ilmaisintrankkua T4 ... sen jännitteet olivat järkevät ( paitsi, että kytkinkaaviossa tuo kollektori on galvaanisesti kytkemättä ... piirtäjän moka ? ...katsokaa leijuvia keloja kytkiksessä).
Seuraavaksi ihmettelin, miksi tuolta ilmaisimen lähdöstä ei hurina mene pääteasteelle ... jossain katkos ? Lopulta (lähes tunti meni vehjettä ihmetellessä) älysin irroittaa asteikkolasin (koska sen alla oli asiaan liittyviä osia) ja tattaraa ... joku oli juottanut koko kytkinpakan irti (kuva ohessa) . Mikähän lienee ollut tarkoitus?? Juotin kytkimen nastat takaisin ja ULA alkoi kuulua.
Loput kavavat ovat vielä mykkiä ... ja saavat odottaa uutta inspiraatiota. ULA saa riittää tässä vaiheessa.
P1040563.JPG
( 166 KB | 0 latausta )
IP kirjattu
Jari
God Member
Poissa
SRSH
Viestejä: 808
Sijainti: Oulu
Re: Fenno Tapio tyyppi F203T
Vastaus #3 -
20.09.2015 klo 22:56:45
Tulosta viesti
Minun mielestäni T4:n kytkentä on ihan oikein. Ula-ilmaisimen ensiökela menee välioton kautta maihin kun tarkkaan katsoo. Kelan ylempi puoli piirikaavioissa hoitaa T4:n neutraloinnin.
Olisikohan kytkimissä kuitenkin jotakin vikaa, jota joku on alkanut korjata mutta sitten peli vihelletty poikki...
Jari
IP kirjattu
pekmatval
God Member
Poissa
Viestejä: 2012
Re: Fenno Tapio tyyppi F203T
Vastaus #4 -
21.09.2015 klo 08:28:59
Tulosta viesti
... niinpä. Sieltä kelan keskeltä se maa tulee. Monta kertaa katsoin kuvaa mutta ei pistänyt silmään.
Tutkin tuon kytkimen toimintaa vielä. Se,että AM alueet ovat mykkiä, voisi selittyä kytkinvialla.
IP kirjattu
pekmatval
God Member
Poissa
Viestejä: 2012
Re: Fenno Tapio tyyppi F203T
Vastaus #5 -
21.09.2015 klo 21:54:25
Tulosta viesti
tutkin hiukan lisää asiaa. Välitaajuus trankun T3 emitterillä ei ole oikeat jännitteet AM alueella .Ilmeisesti tuo kytkin ei toimi ... mutta sen purkaminen pois on monen tunnin homma. Koska näillä AM alueilla ei muutenkaan nykyään ole pahemmin virkaa, niin päätin säästää aikaani ( Korjaaminen olisi 10+ tunnin juttu) . Kasasin radion ULA vehkeeksi ja puhdistelin sen. Ainoastaan antennin nuppi puuttuu. Tähän saa nyt projekti jäädä.
P1040573.JPG
( 159 KB | 0 latausta )
IP kirjattu
Sivu: 1
Lähetä aihe
Tulosta
‹
Edellinen aihe
|
Seuraava aihe
›
Foorumihyppy »
Koti
» 10 viimeisintä viestiä
» 10 viimeisintä aihetta
Suomen Radiohistoriallinen Seura ry - Keskustelufoorumi
Suomen Radiohistoriallinen Seura ry
Jäsenalue
Yleistä radiohistoriasta
Kotimaiset radiot, televisiot ja äänentoistolaitteet ««
Ulkomaiset radiot, televisiot ja äänentoistolaitteet
Muut radio- ja elektroniikkalaitteet
Entisöinti ja kunnostus yleisellä tasolla
Omatekoiset laitteet ja rakentelu
Sotilasradiot ja Perinneradiot
Yleinen keskustelualue
Niitä Näitä
Haku päällä
« Koti
‹ Alue
SRHS Forum
» Powered by
YaBB 2.6.12
!
YaBB Forum Software
© 2000-2026. Kaikki oikeudet pidätetään.