Valitse kieli:
English
Suomi
Tervetuloa, Vieras. Ole hyvä ja
kirjaudu
tai
Rekisteröidy
Koti
Ohjeita
Haku
Kirjaudu
Rekisteröidy
Liity SRHS:n jäseneksi
SRHS Forum
›
Suomen Radiohistoriallinen Seura ry - Keskustelufoorumi
›
Entisöinti ja kunnostus yleisellä tasolla
› Helkama HR-LS 887W ULA-purkin viat
‹
Edellinen aihe
|
Seuraava aihe
›
Sivu:
1
[2]
3
Lähetä aihe
Tulosta
Helkama HR-LS 887W ULA-purkin viat (Luettu 19150 kertaa)
putkinotko
God Member
Poissa
SRHS # 751
Viestejä: 1881
Sijainti: Lohja
Re: Helkama HR-LS 887W ULA-purkin viat
Vastaus #15 -
24.12.2013 klo 17:08:21
Tulosta viesti
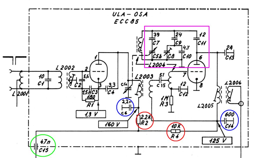
epäilisin vaffasti 2n2 c6 konkkaa joka kuvassakin on ympyröitynä
IP kirjattu
timpuktu
Senior Member
Poissa
SRSH
Viestejä: 493
Sijainti: Oulunsalo
Re: Helkama HR-LS 887W ULA-purkin viat
Vastaus #16 -
27.12.2013 klo 12:58:36
Tulosta viesti
Ei tainnut olla 2n2 konkka. Juotin toisen jalan irti, mutta silti vastus käryää myös ilman putkea. Alkaa jo olla melko tumma, mutta arvo näkyy säilyneen. ECC85:n kanta näyttää käyneen lämpimänä yhdestä kohtaa. Näkyy aika selvästi yläpuolelta otetusta kuvasta. Tummentuneelta näyttää myös alapuolen kuvassa. Juotin sen 2n2 konkan jälkeen olevan kelan jalan irti putken puolelta ja samoin 3,2 konkan ja savunmuodostus loppui. 3,2 näyttäisi olevan ok. En vielä kerinnyt mittailemaan näkyykö putken kannan pinnien välillä jotain tai mihin se mahdollisesti oikkaroi...
Lisäksi hokasin juuri, että jossain vaiheessa johtoja heilutellessa tuo paksun mustan ULA-purkilta lähtevän johdon keskikarva on irronnut ULA-painonappikytkimen korvasta. Näyttäisi olleen kylmäjuotos ja ''tökkäämällä'' korvan kyljessä, ei korvan reiän läpi niinkuin kaikki useimmiten. Melko mysteeriratio tämä. Mitenkähän lähellä on ollut eiitei ole kuulunut mitään tai toisaalta ettei ole syttynyt palamaan.
IP kirjattu
Timo Haveri
God Member
Poissa
Viestejä: 2962
Sijainti: Parkano
Re: Helkama HR-LS 887W ULA-purkin viat
Vastaus #17 -
27.12.2013 klo 14:23:22
Tulosta viesti
Noissa pertinax-putkenkannoissa esiintyy joskus oikosulkuja pinnien välillä. Vika lienee helppo todeta mittaamalla. Oikosulku on todennäköisesti kerrosten välissä joten se ei näy päällepäin. Valitettavasti ainoa korjauskeino on vaihtaa koko kanta.
Timo
WWW
IP kirjattu
putkinotko
God Member
Poissa
SRHS # 751
Viestejä: 1881
Sijainti: Lohja
Re: Helkama HR-LS 887W ULA-purkin viat
Vastaus #18 -
27.12.2013 klo 15:00:35
Tulosta viesti
Näyttäis olevan aikalailla hiillostunut kanta, eli vaihtoon menee.
Kun vaihdat kannan niin yritä pitää komponenttien paikka ja asento
mahdollisimman alkuperäisen mukaisena, sillä viritys menee jo
ula-taajuuksillakin aikalailla pieleen komponentteja siirrellessä.
IP kirjattu
Jukka Rajala
God Member
Poissa
SRHS
Viestejä: 1466
Sijainti: Helsinki
Re: Helkama HR-LS 887W ULA-purkin viat
Vastaus #19 -
27.12.2013 klo 16:14:52
Tulosta viesti
Helkaman radioissa on käytetty aika paljon kökköä komponenttia, jokaisessa tinaamassani Helkamassa on putkenkannat olleet ongelmallisia, osa paperi/vaha konkista tunnistamattomia rusinoita, korroosiota, heillä oli kauppakumppanina Tšekkoslovakian teollisuus,liekö putkenkannatkin sieltä?
IP kirjattu
timpuktu
Senior Member
Poissa
SRSH
Viestejä: 493
Sijainti: Oulunsalo
Re: Helkama HR-LS 887W ULA-purkin viat
Vastaus #20 -
02.01.2014 klo 21:30:14
Tulosta viesti
Siellä kannassa se vika näytti olevan. Liekö ollut joku hiilisilta tms epäpuhtaus, joka oli käryyttänyt 8-9 välin. Oli melko savotta irrottaa kanta. Sain sen kumminkin irti ja purettua joten kuten ja melkein ehjänä, vaikka tinoja piti osin poratakin pois. Takaisin laittaessa käytin 70/30 lankaa ja 200W kolvia ja luulen saaneeni maattokohdat sulatettua ja tarttumaan kiinni, vaikka jälki ei kovin siistiä olekaan.
En löytänyt juuri samanlaista kantaa kuin alkuperäinen, joten ajattelin kokeilla putsata kannan ja poistin sieltä kaiken hiiltyneen ja muun lian mitä niissä nastoissa oli. Kannan kasauksen jälkeen en enää löytänyt mittaamalla yhteyttä kantojen välistä. Siispä laitoin koneen kasaan harjoituksen vuoksi ja tarkistin jokaisen juotoksen ja komponentin asennon niin hyvin kuin valokuvista vain sai selvää. Tässä vaiheessa huomautan, että vaikka otin melko paljon kuvia, ei niitä ollut yhtään liikaa. Makrokuvien syväterävyys on hyvin lyhyt joten piti vertailla monesta kuvasta että selvisi mikä jalka menee minnekin minkäkin kanssa.
Harjoitus oli siinä mielessä suksee, että vastus ei enää savua eikä kanta käryä. Purkin vire meni pieleen sen verran, että kanava ei ole lasin numeron kanssa oikeassa kohdassa ja kanavalla on kaksi huippua. Voimakkaampi huippu kuitenkin kuuluu melkolailla hyvin, mitä nyt muutamilla asemilla testasin. EM80:n viuhka vaikuttaa hidasliikkeiseltä, mutta en tiedä oliko se sellainen jo ennen remonttia. Viuhka kuitenkin on lähes täysi kun asema on voimakkaimmillaan. Jaa, niin vaikuttaa, että viuhkassa on sellaiset ylimääräiset viirut välialueilla, mutta voineeko se johtua siitäkin, että putki on vanha ja melkein kokonaan pimeä...
Nyt joitain kymmeniä tunteja koekuuntelua ja konkkien vaihtoa. Muutamia jo vaihdoinkin ja vaikuttaa, että ääneen tuli hiukan bassoakin. Onkohan Helkaman äänenvärinappuloissa eri logiikka kuin muissa... Basso lisääntyy kun kääntää nappia myötäpäivään. Diskantti kirkastuu kun pyörittää diskanttinappulaa vastapäivään.
IP kirjattu
balticsuper
God Member
Poissa
Viestejä: 888
Sijainti: Tampere
Re: Helkama HR-LS 887W ULA-purkin viat
Vastaus #21 -
03.01.2014 klo 01:03:59
Tulosta viesti
Olisipa aiemmin tullut puheeksi, minulla on juuri noita pertinax-kantoja pari-kolmekymmentä kappaletta,
uusia mutta hieman jo tummuneilla pinnotteilla, puhdistuvat kyllä Johnson Silver Qwik-liuotuksessa hyvin.
Mutta asiaan: viritykset ovat voineet olla pielessä ennen remonttiasikin, parannusta voit saada seuraavilla
operaatioilla parempien ohjeiden puuttuessa:
Katso ensiksi että osoitin on mekaanisesti paikallaan, ts: kulkee asteikon päästä päähän symmetrisesti,
ettei jää kummastakaan päästä vajaaksi.
Asteikon alapäätä saa trimmattua L2004 kelalla ja yläpäätä C8 trimmerillä, ne vaikuttavat toisiinsa
ja säädöt on toistettava useamman kerran.
Senjälkeen osoitin asteikon keskikohdalle, kohtaan jossa ei kuulu asemaa, keloja L2005 ja 2006 säätämällä
kohina voimakkaimmilleen.
Kaksihuippuisuus korjaantunee ilmaisimen toisiokelaa säätämällä, joku Hätäratkaisuja tunteva voinee kertoa
kelan paikan mutta ne ovat lähinnä EABC80:tä olevat sydänruuvit, arvelen että alapuolinen on toisiokelan säätö.
Kun em säädöt on kohdillaan voi kelojen L 2003 ja L 2002 viritykset tarkistaa parhaimpaan kuuluvuuteen jollain
heikosti kuuluvalla asemalla asteikon puolivälin paikkeilta. L2002 ei kyllä paljonkaan vaikuta kuuluvuuteen.
Muuten olen sitä mieltä että HR ei ole radio vaan HätäRatkaisu.
Etupään kytkinkaavio uudelleen, on helpompi seurata kaaviota ja selostusta kun ovat peräkkäin.
Helkama_Chassis_500__-fm_001.jpg
( 78 KB | 0 latausta )
IP kirjattu
timpuktu
Senior Member
Poissa
SRSH
Viestejä: 493
Sijainti: Oulunsalo
Re: Helkama HR-LS 887W ULA-purkin viat
Vastaus #22 -
03.01.2014 klo 14:30:43
Tulosta viesti
Kiitos taas.
Kokeilen noilla ohjeilla. Kyllähän minulla on skooppi, mittalähetin ja AVO8 ja Törökin, mutta kun ei ole tullut opiskeltua vielä noista muuta kuin AVOn käpistelyä.
Joo, kyllä noita keloja on ruuvailtu ennen minun remonttiani. Vaha oli irti kahdesta alapuolella olevasta (näkyy kuvassakin, ne sinisellä sydämellä olevat) ja yhdestä ECC85:n vieressä olevasta. Se toinen alapuolella olevista ei juuri tuntunut vaikuttavan mihinkään eikä se muovirunkoinen yläpuolinenkaan. Se yläpuolella oleva metallinen ruuvisysteemi vaikuttaa kyllä ja samoin toinen alapuolella olevista (ed ol kuvassa oikeanpuolimmainen). Se toinen alapuolella joka vaikuttaa asemiin on vähän sellainen, että kun siihen sohaisee bamburuuvarilla (muoviset on, muttei kotona) katkeaa kuuluminen kokonaan. Sitten yht'äkkiä taas rapsahtaa ja alkaa kuulua. Laitoin sen sydämen nyt kiinni liimatipalla kun sain asemia kuulumaan taas. Pitää vielä koittaa käydä läpi myös kaikki juotokset, ettei niistä ole mitään irti/kymiä juotoksia.
IP kirjattu
Timo Haveri
God Member
Poissa
Viestejä: 2962
Sijainti: Parkano
Re: Helkama HR-LS 887W ULA-purkin viat
Vastaus #23 -
03.01.2014 klo 15:34:59
Tulosta viesti
EM80 hidasliikkeisyys johtunee sen hilalle kytketystä kondensaattorista joka vuotaa (konkka ei ole putken kannassa vaan löytyy johtoja seuraamalla todennäköisesti koneiston alta).
Se "pätkivä" kelasydän on todennäköisesti hieman löysä ja tikulla koskettaminen liikuttaa sitä hieman jolloin viritys muuttuu. Useasti sydämen ja kelarungon välissä on kuminauhan pätkä joka lukitsee sydämen riittävästi paikoilleen mutta sitä voi silti säätää. Sydäntä ei kannata lukita liimalla vaan paras konsti on tippa (sulatettua) mehiläis- tms. vahaa.
Jos laitat kuvan EABC80 putken ympäristöstä koneiston alapuolelta niin siitä varmaan pystynee osoittamaan ilmaisinkelan paikan.
balticsuper kirjoitti
03.01.2014 klo 01:03:59:
Senjälkeen osoitin asteikon keskikohdalle, kohtaan jossa ei kuulu asemaa, keloja L2005 ja 2006 säätämällä
kohina voimakkaimmilleen.
Itse olen kyseisen säädön tehnyt jokin asema kohdallaan ja viritysputkesta katsotaan kuvion levein kohta (paras kuuluvuus). Tietysti olettaen, että radiossa on viritysputki. Varmaan ajaa saman asian?
Timo
«
Viimeksi muokattu: 03.01.2014 klo 17:39:49 Kirjoittaja Timo Haveri
»
WWW
IP kirjattu
timpuktu
Senior Member
Poissa
SRSH
Viestejä: 493
Sijainti: Oulunsalo
Re: Helkama HR-LS 887W ULA-purkin viat
Vastaus #24 -
03.01.2014 klo 18:51:48
Tulosta viesti
Kiittelen
Laitoin vain ihan minitipan jarruksi että pysyy koeajan kiinni. Ei ollut kyntteliä käsillä.
Kumiahan niissä monesti on, mutta ei näissä ole missään joita olen liikutellut. Varmaan olisi viisain laittaa jotain kiilaksi, liikkuuhan ne täräyksestä ennemmin tai myöhemmin...
Laitan kuvaa eetteriin kunhan kerkenen taas verstaalle, tuossa illemmalla.
Osa konkista on jo vaihdettu, mutta osa on niin huonoja, ettei niistä saa selvää minkäarvoisia lienevät. Ulkoa en muista joko oisi se näköputken 'ympäristö' laitettu.
T
IP kirjattu
timpuktu
Senior Member
Poissa
SRSH
Viestejä: 493
Sijainti: Oulunsalo
Re: Helkama HR-LS 887W ULA-purkin viat
Vastaus #25 -
04.01.2014 klo 19:52:45
Tulosta viesti
Tuon kuvan jälkeen olen vaihtanut loputkin paperikonkat. Vaihtamatta on enää kannuelko ja tuo koneiston alareunassa keskellä näkyvä 4u /100V elko ja sitten se elko siellä pikkukaiuttimen alla. En ole vielä kerinnyt niitä mitata, mutta käynnistäessä kuuluu hurinaa, joten lienee kuitenkin kannuelko vaihdettava.
Sellainen kyssäri tuli vielä mieleen, että jos laitan kumia kiilaksi kelaan niin mihin ilmansuuntaan se olisi laitettava (vs tuo eo kuvan oikeanpuolimmainen kela alapuolelta katsottuna)? Näissä tämän HR:n keloissa ei ole missään muuta kuin vahaa. Vahaa tosin on keloissa niin runsaasti, että sitä riittää noitten liikuteltujen jumittamiseen, mutta vähän epäilyttää, että kumikiila olisi tarpeen ainakin yhteen. Mielellään laittaisi kumia ja vahaa.
EABC80:n keloihin ei tarvinnut sorkkia. Kaksihuippuisuus korjaantui konkkaremontin yhteydessä. Pahasta ulkonäöstä huolimatta vain yhden konkan merkinnöistä ei saanut selvää. Mittari näytti 30n ja laitoin sen tilalle 10n. Ko komposantti on tuolla bassopotikan alla oikeanpuolimmainen. EM80:n viuhkankin liike muuttui rivakammaksi konkkien vaihdon jälkeen. Kanavia kuuluu nyt mielestäni ihan tarpeeksi ja ovat omalla antennillakin hyvänkuuloisia ja säröttömiä. Viuhka menee himppua vaille täyteen voimakkaimmilla asemilla.
Eli enää puuttuu kelan lukitus, ULApurkin peltiseinän kiinnitys ja kannu. Sitten vielä nappuloitten pesu, lasin putsaus, puuosien sively finishing oililla jne pientä hiplausta.
IP kirjattu
Timo Haveri
God Member
Poissa
Viestejä: 2962
Sijainti: Parkano
Re: Helkama HR-LS 887W ULA-purkin viat
Vastaus #26 -
04.01.2014 klo 23:04:04
Tulosta viesti
Veikkaanpa että kun saat asteikkolasin kiinni, niin huomaat ettei viisari ole oikeassa kohdassa. Kannattaa tehdä nuo balticsuperin neuvomat säätötoimenpiteet niin saat ulasta kaiken irti. Pelkkää viisaria siirtämällä ei saa useinkaan asemia kunnolla kohdalleen.
Sydämen lukituksessa käytän usein n. millisestä rautalangasta tehtyä puikkoa, jonka pään kuumennan sytkärillä. Kun sen työntää kelarungossa olevan vahan sekaan niin vaha sulaa ja lukitsee sydämen. Pitää vaan varoa ettei samalla vahingoita muovista kelarunkoa.
Timo
WWW
IP kirjattu
Jukka Rajala
God Member
Poissa
SRHS
Viestejä: 1466
Sijainti: Helsinki
Re: Helkama HR-LS 887W ULA-purkin viat
Vastaus #27 -
05.01.2014 klo 09:36:05
Tulosta viesti
Timo Haveri kirjoitti
04.01.2014 klo 23:04:04:
Veikkaanpa että kun saat asteikkolasin kiinni, niin huomaat ettei viisari ole oikeassa kohdassa. Kannattaa tehdä nuo balticsuperin neuvomat säätötoimenpiteet niin saat ulasta kaiken irti. Pelkkää viisaria siirtämällä ei saa useinkaan asemia kunnolla kohdalleen.
Sydämen lukituksessa käytän usein n. millisestä rautalangasta tehtyä puikkoa, jonka pään kuumennan sytkärillä. Kun sen työntää kelarungossa olevan vahan sekaan niin vaha sulaa ja lukitsee sydämen. Pitää vaan varoa ettei samalla vahingoita muovista kelarunkoa.
Timo
Jos kotoa löytyy muinaisia autonlukonpesän sulatukseen tarkoitettuja paristokäyttöisiä sulatusvekottimia, soveltuu sellainen hyvin Timon ehdottamaan rautalanka lämmityksen korvikkeeksi.
IP kirjattu
timpuktu
Senior Member
Poissa
SRSH
Viestejä: 493
Sijainti: Oulunsalo
Re: Helkama HR-LS 887W ULA-purkin viat
Vastaus #28 -
05.01.2014 klo 18:38:11
Tulosta viesti
Oolrait, mennään näin.
Vielä on löytämättä syy, miksi ULA välillä lopettaa kuulumasta. Kuuluu pieni napsaus ja ääni loppuu. Ääni palaa kun napauttaa ulapurkkiin meisselin kannalla sievästi tai jos heiluttaa EEC putkea. Häätyy tutkia vielä juotokset ja ne isot maattojuotokset, joita piti porailla...
T
IP kirjattu
timpuktu
Senior Member
Poissa
SRSH
Viestejä: 493
Sijainti: Oulunsalo
Re: Helkama HR-LS 887W ULA-purkin viat
Vastaus #29 -
27.01.2014 klo 20:56:21
Tulosta viesti
Siellä oli kylmäjuotos, jossain. Katkeilu loppui kun kävin kaikki purkin juotokset läpi kertaalleen. Vähän aseman ryömintää ULAan jäi, mutta sen kanssa varmaan pärjäilee.
Sitten olisi vielä yksi mysteerivika, jota en itse löydä. Kun laitan radion kylmästä (huoneenlämmöstä kuitenkin) päälle siitä kuuluu vähän heikohkosti ja basso on vähän kateissa, äänessä on myös säröä. Vika ''korjaantuu'' kun volyymiä käyttää tarpeeksi isolla, silloin ikäänkuin jokin hitsaantuu kiinni ja volyymi isonee ja kirkastuu ja tulee vähän basariakin mukaan ääneen ja tämä säilyy niin kauan kunnes radio taas jäähtyy. Mistähän tuota vikaa osaisi vielä etsiä... Olen putsannut volyymipotikkaa (ei rutise yhtään), vaihtanut kaikki kondensaattorit, putkista EL84, EABC80, ECC85, ECH81 ovat uusia ja kantojakin on putsailtu.
IP kirjattu
Sivu:
1
[2]
3
Lähetä aihe
Tulosta
‹
Edellinen aihe
|
Seuraava aihe
›
Foorumihyppy »
Koti
» 10 viimeisintä viestiä
» 10 viimeisintä aihetta
Suomen Radiohistoriallinen Seura ry - Keskustelufoorumi
Suomen Radiohistoriallinen Seura ry
Jäsenalue
Yleistä radiohistoriasta
Kotimaiset radiot, televisiot ja äänentoistolaitteet
Ulkomaiset radiot, televisiot ja äänentoistolaitteet
Muut radio- ja elektroniikkalaitteet
Entisöinti ja kunnostus yleisellä tasolla ««
Omatekoiset laitteet ja rakentelu
Sotilasradiot ja Perinneradiot
Yleinen keskustelualue
Niitä Näitä
Haku päällä
« Koti
‹ Alue
SRHS Forum
» Powered by
YaBB 2.6.12
!
YaBB Forum Software
© 2000-2026. Kaikki oikeudet pidätetään.