Valitse kieli:
English
Suomi
Tervetuloa, Vieras. Ole hyvä ja
kirjaudu
tai
Rekisteröidy
Koti
Ohjeita
Haku
Kirjaudu
Rekisteröidy
Liity SRHS:n jäseneksi
SRHS Forum
›
Suomen Radiohistoriallinen Seura ry - Keskustelufoorumi
›
Entisöinti ja kunnostus yleisellä tasolla
› Helkama HR-LS 887W ULA-purkin viat
‹
Edellinen aihe
|
Seuraava aihe
›
Sivu:
[1]
2
3
Lähetä aihe
Tulosta
Helkama HR-LS 887W ULA-purkin viat (Luettu 19133 kertaa)
timpuktu
Senior Member
Poissa
SRSH
Viestejä: 493
Sijainti: Oulunsalo
Helkama HR-LS 887W ULA-purkin viat
21.12.2013 klo 18:34:38
Tulosta viesti
Terve
Ihmettelin tuossa miksiköhän kaverin 887 kuuluu niin huonosti ja pitäisi olla huollettu (kuulemma) vehje. Jotain asemia löytyi, ehkä voimakkaimmat, mutta vain muutamia. No vika selvisi kun otin takakannen irti ja koneiston pöydälle.
Ns huolto oli näköjään yksi uusittu polyesterikondensaattori ja muutamia vaihdettuja, ei uusia kuitenkaan, putkia. ULA-purkin sivupelti oli jätetty pois. Yhtään elkoa ei ollut uusittu, vaikka melkeinpä ne näkee katsomallakin vaihtokuntoisiksi. Samoin melko rapeannäköisiä paperikonkkia ei oltu koskettukaan.
Suurin syy kuuluvuudelle lienee ollut ulapurkissa. Sen etukulmasta tuleva punainen johto, joka menee läpiviennin kautta purkin sisälle oli hapertunut ja se ulkopuolella oleva tukiosa kadonnut. Se lanka sisällä oli ilmeisesti ajoittain ottanut purkin runkoon. Ne kaksi vastusta purkin sisällä läpiviennin jälkeen ovat vähän huonossa hapessa. Toinen vaalea isompi tummunut ja toinen punertava pienempikokoinen meni kokonaan poikki kun yritin pyyhkäistä sitä varovasti pumpulipuikolla vähän puhtaammaksi. Se katkesi ja mureni valkoiseksi jauheeksi seuraavassa käynnistyksessä. Nyt ULA ei yllättäin puhu enää mitään. Siispä pari kysymystä:
- Olisiko jollakulla 887:n skema josta näkisi nuo kahden vastuksen arvot?
- Samoin kysyisin miten sen läpiviennin voisi korjata?
- Minulla on yksi Helkama 767W josta purkin saisi kokonaisena, mutta siitäkin on se läpivienti muruina, vastukset silminnähden ok. Onko purkit 887 ja 767 identtiset?
- Ja jos saan vastukset vaihdettua niin ula tarvii kai virittämisen ennenkuin alkaa pelittää oikein?
IP kirjattu
timpuktu
Senior Member
Poissa
SRSH
Viestejä: 493
Sijainti: Oulunsalo
Re: Helkama HR-LS 887W ULA-purkin viat
Vastaus #1 -
21.12.2013 klo 18:54:45
Tulosta viesti
Ensimmäisessä kuvassa purkki sisältä. Läpivienti vaalean vastuksen vasemman pään spiraalin jälkeen. Toisessa kuvassa punainen johto menee läpivientiin.
IP kirjattu
timpuktu
Senior Member
Poissa
SRSH
Viestejä: 493
Sijainti: Oulunsalo
Re: Helkama HR-LS 887W ULA-purkin viat
Vastaus #2 -
21.12.2013 klo 19:01:19
Tulosta viesti
Tässä vielä 767:n purkki.
Näyttää päällisin puolin pitkälti samalta kuin 887:n . Läpivientikin on samalla lailla murentunut. Sisuskalut kuitenkin ehjemmät.
IP kirjattu
balticsuper
God Member
Poissa
Viestejä: 888
Sijainti: Tampere
Re: Helkama HR-LS 887W ULA-purkin viat
Vastaus #3 -
21.12.2013 klo 23:48:41
Tulosta viesti
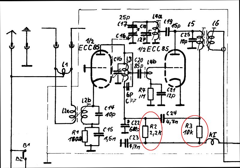
Juurikaan tuon Helkaman kaaviota ei ole mutta monet niistä ovat
ula-purkin kytkennöiltään aika samanlaisia, ohessa yhden kaavio.
Vastukset ovat useammassakin mallissa 2,2 ja 10K, se kokonaan
"kärtsännyt" on 2,2K 1/2W ja mekaanisesti kookkaampi on 10K,
1 tai 2W, arvelen että 1W riittänee. Todennäköisesti alkuperäinenkin
on vielä käyttökuntoinen, tuonasteinen tummuminen ei hiilikalvovastusta
yleensä tuhoa.
Vastusten vaihto ei välttämättä vaadi viritystä kunhan asentaa uudet
alkuperäistä vastaavalla tavalla. Arvelen että viritys hieman muuttuu
mutta niin vähän ettei juuri ole normaalikuuntelussa havaittavissa.
Läpivientikonkan voi korvata toisella, vaatii vain "hellakolvin" eli tehoa,
normaali keraaminen, 4,7...10nF putki- tai nappimalli käy myös,
jännitteenkesto yli 250V.
2,2K vastuksen on ilmeisesti käräyttänyt oikosulku putkessa,
C22 konkassa tai säätökondensaattorin levyjen välillä.
HR_767_W__fm_front_end.jpg
( 79 KB | 0 latausta )
IP kirjattu
timpuktu
Senior Member
Poissa
SRSH
Viestejä: 493
Sijainti: Oulunsalo
Re: Helkama HR-LS 887W ULA-purkin viat
Vastaus #4 -
22.12.2013 klo 11:39:34
Tulosta viesti
Se tuli nopeasti. Kiitos.
Koitan ensin vaihtaa sen kokonaan kärtsähtäneen, kunhan saan pari siivua kinkkua sinapilla, ettei kädet tärise.
Läpivientiä ajatellen minulla on tosi iso kolvi, mutta noita itse orikinaalin mallisia komposantteja ei. No, sopiva putkimalli voi löytyä käytettynä jostain raadosta. Kokeilemma sillä ensin.
Nyt kun katselin läpiviennin ja punaisen johdon liitosta luupilla, näyttää melko selvältä, että runkoon on otettu kiinni. Tummentuneessa tinassa on kirkas mustareunainen pläntti.
ECC85:n tilalla kokeilin PCC189 putkea, jolla kuuluikin paremmin kuin vanhalla ECC:lla. Oisiko tuo uusi niin paljon eriarvoinen kuin vanha ECC, että olisi aiheuttanut vahingon? Tuo ko PCC on ollut kokeeksi käytössä monessakin radiossa parista minuutista - muutamia kymmeniä minuutteja. Useimmissa se on toiminut, mutta siirtää viritystä melko paljon eli asema hyppää sivuun kun sen laittaapi.
IP kirjattu
akenyh
God Member
Poissa
SRHS 257
Viestejä: 1155
Sijainti: Halikko (Salo)
Re: Helkama HR-LS 887W ULA-purkin viat
Vastaus #5 -
22.12.2013 klo 13:00:39
Tulosta viesti
Vaikka PCC189 ja ECC85 ovat kantakytkennältään samoja, on ensimainittu sähköisiltä ominaisuuksiltaan ja käyttötarkoitukseltaan erilainen. Suositeltavaa on ECC85:n käyttö myös "testiputkena".
terv.
Åke
**
IP kirjattu
Timo Haveri
God Member
Poissa
Viestejä: 2962
Sijainti: Parkano
Re: Helkama HR-LS 887W ULA-purkin viat
Vastaus #6 -
22.12.2013 klo 13:28:23
Tulosta viesti
Tässä ketjussa on kuva Helkaman läpivientikonkasta irrotettuna:
http://www.radiohistoria.fi/cgi-bin/yabb2/YaBB.pl?num=1365431407
Itse laitoin tavallisen konkan siihen tilalle ja hyvin toimi. Liitteenä vähän huonosta kulmasta otettu kuva.
PCC189 putkella näkyy anodivirta olevan reippaasti isompi, joten ei ihme jos vastus kärähtää.
Timo
lapivientikonkka_001.jpg
( 58 KB | 0 latausta )
WWW
IP kirjattu
raimoj
God Member
Poissa
SRSH
Viestejä: 884
Re: Helkama HR-LS 887W ULA-purkin viat
Vastaus #7 -
22.12.2013 klo 17:23:32
Tulosta viesti
Timo Haveri kirjoitti
22.12.2013 klo 13:28:23:
Itse laitoin tavallisen konkan siihen tilalle ja hyvin toimi.
Toimiiko varmasti hyvin? Läpivientikondensaattorin korvaaminen langallisella komponentilla pudottaa resonanssitaajuutta lähes kymmenesosaan. Seurauksena on häiriösäteilyn kasvaminen ja resonanssipiirien taajuuksien muuttuminen. Kasvanut häiriösäteily voi aiheuttaa ongelmia muualla radiossa. Lisäksi lämpökäynti voi kärsiä.
IP kirjattu
timpuktu
Senior Member
Poissa
SRSH
Viestejä: 493
Sijainti: Oulunsalo
Re: Helkama HR-LS 887W ULA-purkin viat
Vastaus #8 -
22.12.2013 klo 18:01:12
Tulosta viesti
Olisiko parempi korjata vanha komponentti, jos se on sähköisesti ok, laittamalla vaikka riittävän pitkä teflonputki tuohon räpsimiskohtaan eristeeksi? Tai jos löydän soppelin putkikonkan, laitanko tuon punaisen johdon menemään siitä putkesta sisälle, sen toiselle jalalle, vai oisko parempi jotenkin muuten?
Mulla olisi yksi PCC189 jouten. Onko käyttöä?
IP kirjattu
Timo Haveri
God Member
Poissa
Viestejä: 2962
Sijainti: Parkano
Re: Helkama HR-LS 887W ULA-purkin viat
Vastaus #9 -
22.12.2013 klo 18:33:07
Tulosta viesti
raimoj kirjoitti
22.12.2013 klo 17:23:32:
Toimiiko varmasti hyvin? Läpivientikondensaattorin korvaaminen langallisella komponentilla pudottaa resonanssitaajuutta lähes kymmenesosaan. Seurauksena on häiriösäteilyn kasvaminen ja resonanssipiirien taajuuksien muuttuminen. Kasvanut häiriösäteily voi aiheuttaa ongelmia muualla radiossa. Lisäksi lämpökäynti voi kärsiä.
Hyvä kysymys. Varmaa vastausta en tiedä mutta konkka hajosi korjauksen loppuvaiheessa, joten pystyin kuuntelemaan ulaa ennen ja jälkeen konkan vaihdon. Mitään silmiinpistävää eroa en huomannut. Mittaukset olisivat ehkä kertoneet asian todellisen laidan. Hyvä kuitenkin tietää, että sillä voi olla noinkin suuri vaikutus. Seuraavalla kerralla hankin oikean läpivientikonkan jos tämmöinen vika vielä tulee eteen.
Timo
WWW
IP kirjattu
raimoj
God Member
Poissa
SRSH
Viestejä: 884
Re: Helkama HR-LS 887W ULA-purkin viat
Vastaus #10 -
22.12.2013 klo 20:58:43
Tulosta viesti
Aikaisempi kommenttini johtui siitä, että laskin johdollisen 4, 7 nF:n keraamisen kondensaattorin resonanssin olevan n. 22 MHz, jolloin tämä käyttäytyy ULA-taajuuksilla induktanssina. ULA-etupään lämpökäynti on suunniteltu käyttäen läpivientikondensaattoria. Jos lämpötilakerroin poikkeaa tästä myöskään lämpökäynti ei ole kunnossa. Vaikutukset luonnollisesti riippuvat siitä missä johdossa läpivientikondensaattori on ollut. Tuolla on jotakin kondensaattorien resonanssitaajuuksista.
http://www.home.agilent.com/upload/cmc_upload/All/exp79.pdf?&cc=FI&lc=fin
IP kirjattu
Timo Haveri
God Member
Poissa
Viestejä: 2962
Sijainti: Parkano
Re: Helkama HR-LS 887W ULA-purkin viat
Vastaus #11 -
22.12.2013 klo 21:19:52
Tulosta viesti
OK. Vaikea mennä sanomaan kun radiokaan ei ole minulla enää. Toki jokainen komponentti on syystä sinne laitettu ja varsinkaan ula-osassa ei olisi hyvä vaihtaa komponentin tyyppiä.
Timo
WWW
IP kirjattu
balticsuper
God Member
Poissa
Viestejä: 888
Sijainti: Tampere
Re: Helkama HR-LS 887W ULA-purkin viat
Vastaus #12 -
23.12.2013 klo 02:35:20
Tulosta viesti
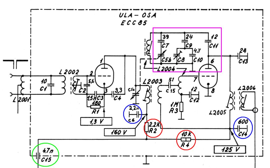
Löysin toisen Helkaman etupään kaavion, tämä taitaa olla lähempänä
887W mallin kytkentää.
Läpivientikonkka on anodijännitteen sisääntulossa, sillä ei ole merkitystä
ns ryöminnän (lämpökäynnin) kannalta, kaaviossa konkka on merkitty
vihreällä renkaalla.
Anodijännitteen rf-suodatuksen kannalta oleellisia ovat C6 ja C14,
kaaviossa sinisellä rengastetut.
Läpivientikonkalla pyritään estämään lähinnä oskillaattoritaajuuden
säteily toisiin vastaanottimiin, se vaimentaa myös anodijännitelinjan
kautta ula-etupäähän mahdollisesti pyrkivää suurtaajuussignaalia,
esim 10,7 MHz taajuudella voisi kuulua "naapuriradion" lähetys läpi.
Parasta on tietenkin korvata konkka alkuperäistä vastaavalla ja asentaa
se myös samoin, ellei sellaista ole satavilla on Timonkin esittämällä
tavalla, siis erittäin lyhyillä johdoilla kytketty kerko kohtuulinen korvike.
Ula-purkin kuvissa näkyy 560 pF styroflex konkka, kaavion mukaan
oikea arvo olisi 600 pF. Mielestäni tuohon paikkaan styro ei ole
oikea ratkaisu, syystä että se kuitenkin on ns rullakondensaattori.
Epäilen että se on vaihdettu jonkun aiemman korjauksen yhteydessä,
jos on Helkaman tehdasasennus niin hiukan kummastelen valintaa.
Helkama_Chassis_500__-fm.jpg
( 78 KB | 0 latausta )
IP kirjattu
timpuktu
Senior Member
Poissa
SRSH
Viestejä: 493
Sijainti: Oulunsalo
Re: Helkama HR-LS 887W ULA-purkin viat
Vastaus #13 -
24.12.2013 klo 10:47:19
Tulosta viesti
Kiitos taas.
Ja nyt vasta huomasin ajatusvirheen ekassa viestissä. Sen läpivientikohdanhan pitäisi kuulua: ''Suurin syy huonolle kuuluvuudelle lienee ollut ulapurkissa. Sen etukulmassa läpiviennin ja punaisen johdon liitoskohta oli hapertunut ja se ulkopuolella oleva tukiosa kadonnut. Se lanka sisällä oli ilmeisesti ajoittain ottanut purkin runkoon....'' jne. Olisin korjannut alkuperäiseen, mutta tämä ei näemmä salli korjauksia kuin viimeisimpään kirjoitukseen.
Mutta ilmeisesti en kuitenkaan vaikeuttanut kohdan hahmottamista kuvauksellani liikaa...
IP kirjattu
timpuktu
Senior Member
Poissa
SRSH
Viestejä: 493
Sijainti: Oulunsalo
Re: Helkama HR-LS 887W ULA-purkin viat
Vastaus #14 -
24.12.2013 klo 14:17:28
Tulosta viesti
Nyt kerkesin katsomaan vähän. Vaihdoin 2,2k vastuksen 0,5W kestoiseen ja se kärähtää saman tien kun laittaa virran päälle. Se kärähtää vaikka ECC ei olisi paikallaankaan. Onkohan ECC:n kannassa oikkari tai jossain sillä seudulla? Silminnäkyviä kontakteja komponenttien jaloissa tms ei näy.
Katsoin toisesta Helkaman ULApurkista ja siellä näkyi olevan melkein samannäköinen 600 styroksikonkka kuin tuo kuvan 560 DUCATI. Mitoiltaan vain vähän pienempikokoinen ja asennettu lähemmäksi purkin yläosaa.
IP kirjattu
Sivu:
[1]
2
3
Lähetä aihe
Tulosta
‹
Edellinen aihe
|
Seuraava aihe
›
Foorumihyppy »
Koti
» 10 viimeisintä viestiä
» 10 viimeisintä aihetta
Suomen Radiohistoriallinen Seura ry - Keskustelufoorumi
Suomen Radiohistoriallinen Seura ry
Jäsenalue
Yleistä radiohistoriasta
Kotimaiset radiot, televisiot ja äänentoistolaitteet
Ulkomaiset radiot, televisiot ja äänentoistolaitteet
Muut radio- ja elektroniikkalaitteet
Entisöinti ja kunnostus yleisellä tasolla ««
Omatekoiset laitteet ja rakentelu
Sotilasradiot ja Perinneradiot
Yleinen keskustelualue
Niitä Näitä
Haku päällä
« Koti
‹ Alue
SRHS Forum
» Powered by
YaBB 2.6.12
!
YaBB Forum Software
© 2000-2026. Kaikki oikeudet pidätetään.