Valitse kieli:
English
Suomi
Tervetuloa, Vieras. Ole hyvä ja
kirjaudu
tai
Rekisteröidy
Koti
Ohjeita
Haku
Kirjaudu
Rekisteröidy
Liity SRHS:n jäseneksi
SRHS Forum
›
Suomen Radiohistoriallinen Seura ry - Keskustelufoorumi
›
Kotimaiset radiot, televisiot ja äänentoistolaitteet
› Philips B4SF62A
‹
Edellinen aihe
|
Seuraava aihe
›
Sivu: 1
Lähetä aihe
Tulosta
Philips B4SF62A (Luettu 3897 kertaa)
Jarkko Pitkänen
YaBB Newbies
Poissa
SRHS
Viestejä: 23
Sijainti: Joensuu
Philips B4SF62A
04.09.2012 klo 09:50:55
Tulosta viesti
Hei,
Muutamia radioita on nurkkiin kerääntynyt ja nyt kunnostuksen alla on Philips B4SF62A. Asteikkonarut on ajan saatossa katkenneet, joten nyt olisi tarvetta ohjeelle josta narujen reitin saisi selville. Olisiko jollakulla tälläistä ohjetta?
Jarkko
73 de OH7HKS
IP kirjattu
mieite
God Member
Poissa
SRHS
Viestejä: 805
Sijainti: Parainen
Re: Philips B4SF62A
Vastaus #1 -
04.09.2012 klo 10:16:46
Tulosta viesti
Oisko sama kuin BX462A ?
Nisse
AsteikkonarutBX462A.png
( 150 KB | 0 latausta )
Suunnitellessanne radion ostoa, valitkaa Asa.
IP kirjattu
balticsuper
God Member
Poissa
Viestejä: 888
Sijainti: Tampere
Re: Philips B4SF62A
Vastaus #2 -
04.09.2012 klo 11:20:10
Tulosta viesti
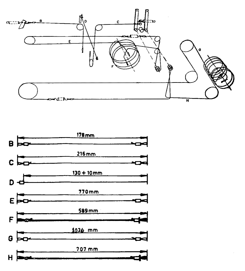
Tämä lienee lähempänä oikeaa?
Philips_B4SF62A_dialcord.gif
( 60 KB | 0 latausta )
IP kirjattu
Jarkko Pitkänen
YaBB Newbies
Poissa
SRHS
Viestejä: 23
Sijainti: Joensuu
Re: Philips B4SF62A
Vastaus #3 -
04.09.2012 klo 11:46:09
Tulosta viesti
mieite kirjoitti
04.09.2012 klo 10:16:46:
Oisko sama kuin BX462A ?
Nisse
Nisse:
Ei ole sama, tässä radiossa on samalla nupilla am-alueiden ja ula:n viritys, eli siellä on mekanismi joka vaihtaa välityksen am/ula välillä mekaanisesti.
Kiitokset kuitenkin!
balticsuper kirjoitti
04.09.2012 klo 11:20:10:
Tämä lienee lähempänä oikeaa?
balticsuper:
Tämä vaikuttaisi olevan oikea, suuret kiitokset!
Jarkko
73 de OH7HKS
IP kirjattu
mieite
God Member
Poissa
SRHS
Viestejä: 805
Sijainti: Parainen
Re: Philips B4SF62A
Vastaus #4 -
04.09.2012 klo 12:14:13
Tulosta viesti
Hyvä kun löytyi oikea että pääset naruja laittamaan. Ei ole eka kerta kun väärää kaavaa tyrkytän, tarvii vissiin ruveta laittamaan mukaan teksti "Ei maar sä tätä hakenu"
Nisse
Suunnitellessanne radion ostoa, valitkaa Asa.
IP kirjattu
Sivu: 1
Lähetä aihe
Tulosta
‹
Edellinen aihe
|
Seuraava aihe
›
Foorumihyppy »
Koti
» 10 viimeisintä viestiä
» 10 viimeisintä aihetta
Suomen Radiohistoriallinen Seura ry - Keskustelufoorumi
Suomen Radiohistoriallinen Seura ry
Jäsenalue
Yleistä radiohistoriasta
Kotimaiset radiot, televisiot ja äänentoistolaitteet ««
Ulkomaiset radiot, televisiot ja äänentoistolaitteet
Muut radio- ja elektroniikkalaitteet
Entisöinti ja kunnostus yleisellä tasolla
Omatekoiset laitteet ja rakentelu
Sotilasradiot ja Perinneradiot
Yleinen keskustelualue
Niitä Näitä
Haku päällä
« Koti
‹ Alue
SRHS Forum
» Powered by
YaBB 2.6.12
!
YaBB Forum Software
© 2000-2026. Kaikki oikeudet pidätetään.