Valitse kieli:
English
Suomi
Tervetuloa, Vieras. Ole hyvä ja
kirjaudu
tai
Rekisteröidy
Koti
Ohjeita
Haku
Kirjaudu
Rekisteröidy
Liity SRHS:n jäseneksi
SRHS Forum
›
Suomen Radiohistoriallinen Seura ry - Keskustelufoorumi
›
Yleistä radiohistoriasta
› ääni täysillä
‹
Edellinen aihe
|
Seuraava aihe
›
Sivu: 1
Lähetä aihe
Tulosta
ääni täysillä (Luettu 347 kertaa)
pentodi EL84
YaBB Newbies
Poissa
Viestejä: 9
ääni täysillä
02.04.2026 klo 19:14:03
Tulosta viesti
terve kaikille. sain philips 22RR242 1970-luvulta.
piti putsata ja vaihtaa mankan vetokumet ja puhistaa äänipää.
mutta yks ongelma ääni pysyy melkein täysillä vaikka potikka on kiinni. mittasin potikan 22kiloa logaritminen ohmisesti,potikka ok.
päästää jostain läpi mutta mistä maavika vai oikosulku. kuka tietää onko kellään ollu vastaavaa vikaa?
hyvää pääsiäistä kaikille. T:pentodi el 84
IP kirjattu
Raimo Sjöberg
God Member
Poissa
SRHS #313
Viestejä: 1565
Sijainti: Espoo
Re: ääni täysillä
Vastaus #1 -
02.04.2026 klo 20:35:41
Tulosta viesti
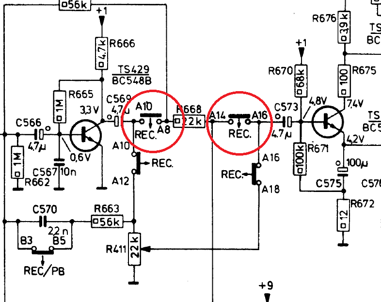
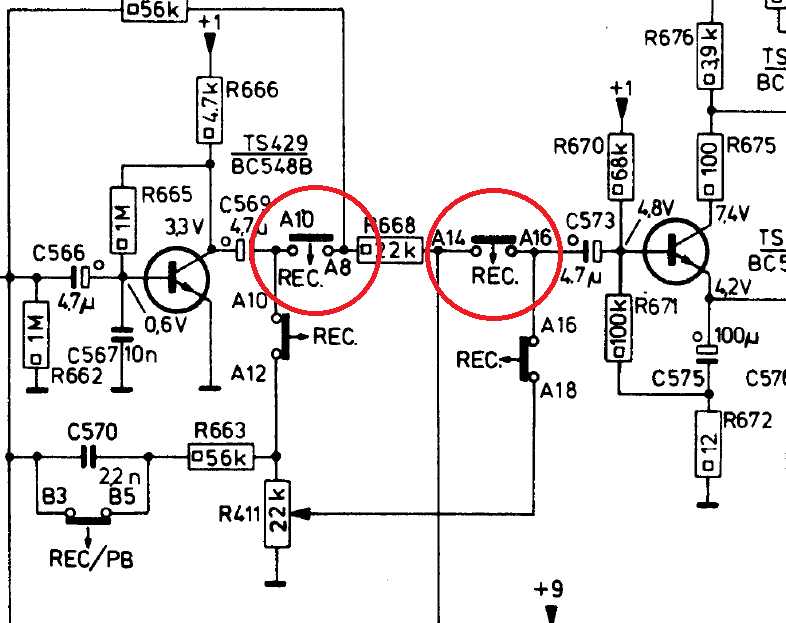
Tuntuu epäuskottavalta, mutta äänityskytkimen kautta signaali pääsisi kulkemaan ohi volume-potikan jos nuo ympyröidyt kontaktit eivät irrota.
Silloinkaan ei potikan minimiasennossa pitäisi kuulua paljon mitään. Jos potikan alapään ja liu'un resistanssi menee nollaan, sekin kannattaa tarkistaa.
Nimetcn_003.png
( 49 KB | 18 latausta )
Rami OH1AYG - OH2AUS
WWW
IP kirjattu
RJL
God Member
Poissa
SRHS 612
Viestejä: 2770
Re: ääni täysillä
Vastaus #2 -
02.04.2026 klo 22:59:57
Tulosta viesti
Eihän potikan alapää vaan ole irti maista?
Reijo Liljedahl - SRHS 612 - OH3AVA - SDXL 8092
IP kirjattu
pentodi EL84
YaBB Newbies
Poissa
Viestejä: 9
Re: ääni täysillä
Vastaus #3 -
03.04.2026 klo 11:28:00
Tulosta viesti
kiitos tiedoista, täytyy tarkistaa.
IP kirjattu
pentodi EL84
YaBB Newbies
Poissa
Viestejä: 9
Re: ääni täysillä
Vastaus #4 -
04.04.2026 klo 21:12:47
Tulosta viesti
terve, maa kontakti ok, mutta A 10 ja 8 kiinni vaikka äänitys ei päällä, voi olla että liukukytkin ei ihan kohallaan eli ei irrota kunnolla. pitää tarkistaa pyhien jälkeen.
IP kirjattu
Sivu: 1
Lähetä aihe
Tulosta
‹
Edellinen aihe
|
Seuraava aihe
›
Foorumihyppy »
Koti
» 10 viimeisintä viestiä
» 10 viimeisintä aihetta
Suomen Radiohistoriallinen Seura ry - Keskustelufoorumi
Suomen Radiohistoriallinen Seura ry
Jäsenalue
Yleistä radiohistoriasta ««
Kotimaiset radiot, televisiot ja äänentoistolaitteet
Ulkomaiset radiot, televisiot ja äänentoistolaitteet
Muut radio- ja elektroniikkalaitteet
Entisöinti ja kunnostus yleisellä tasolla
Omatekoiset laitteet ja rakentelu
Sotilasradiot ja Perinneradiot
Yleinen keskustelualue
Niitä Näitä
Haku päällä
« Koti
‹ Alue
SRHS Forum
» Powered by
YaBB 2.6.12
!
YaBB Forum Software
© 2000-2026. Kaikki oikeudet pidätetään.