Valitse kieli:
English
Suomi
Tervetuloa, Vieras. Ole hyvä ja
kirjaudu
tai
Rekisteröidy
Koti
Ohjeita
Haku
Kirjaudu
Rekisteröidy
Liity SRHS:n jäseneksi
SRHS Forum
›
Suomen Radiohistoriallinen Seura ry - Keskustelufoorumi
›
Muut radio- ja elektroniikkalaitteet
› Norma transitest 476 käyttöohje.
‹
Edellinen aihe
|
Seuraava aihe
›
Sivu: 1
Lähetä aihe
Tulosta
Norma transitest 476 käyttöohje. (Luettu 306 kertaa)
Heikki Rinnemaa
God Member
Poissa
Viestejä: 794
Sijainti: tampere
Norma transitest 476 käyttöohje.
14.03.2026 klo 16:51:06
Tulosta viesti
Onkohan kellään tällaisesta havaintoja tai tietoa, esim. käyttöohje tms?
tt.JPG
( 70 KB | 21 latausta )
IP kirjattu
Heikki Rinnemaa
God Member
Poissa
Viestejä: 794
Sijainti: tampere
Re: Norma transitest 476 käyttöohje.
Vastaus #1 -
07.04.2026 klo 08:02:45
Tulosta viesti
Kuva sisältä, siististi tehty ja johdotettu. Laatutyötä.
Siitä sitten aloin piirtämään kaaviota,,no,,pitipä tarkistaa moneen kertaan. Sen verran moninainen kytkinpaketti on kyseessä.
1_040.JPG
( 158 KB | 11 latausta )
IP kirjattu
Heikki Rinnemaa
God Member
Poissa
Viestejä: 794
Sijainti: tampere
Re: Norma transitest 476 käyttöohje.
Vastaus #2 -
07.04.2026 klo 08:05:20
Tulosta viesti
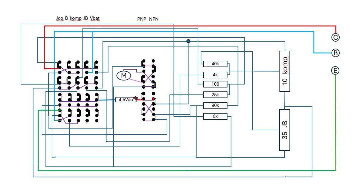
Johdotuskaavio.
Onnistuu se näköjään powerpointillakin piirtäminen kun ei ole parempaa, aikaa tosin vie.
28 vaihtokontaktia, 5 eri toimintoa, 4,5 voltin litteä perinteinen paristo virtalähteenä.
t2_001.JPG
( 93 KB | 11 latausta )
IP kirjattu
Heikki Rinnemaa
God Member
Poissa
Viestejä: 794
Sijainti: tampere
Re: Norma transitest 476 käyttöohje.
Vastaus #3 -
07.04.2026 klo 08:10:08
Tulosta viesti
Erottelin eri toiminnot tähän.
Tuon 40k vastuksen toiminnan tarkoitusta en ole vielä ymmärtänyt, mutta ilmeisesti tarpeellinen. Pitää vielä tutkia laitetta ja mittailla eri komponenetteja. Eiköhän se selvenne,,,
Laitteella voi testata mm. transistoreja, diodeja.
t1_001.JPG
( 70 KB | 10 latausta )
IP kirjattu
Sivu: 1
Lähetä aihe
Tulosta
‹
Edellinen aihe
|
Seuraava aihe
›
Foorumihyppy »
Koti
» 10 viimeisintä viestiä
» 10 viimeisintä aihetta
Suomen Radiohistoriallinen Seura ry - Keskustelufoorumi
Suomen Radiohistoriallinen Seura ry
Jäsenalue
Yleistä radiohistoriasta
Kotimaiset radiot, televisiot ja äänentoistolaitteet
Ulkomaiset radiot, televisiot ja äänentoistolaitteet
Muut radio- ja elektroniikkalaitteet ««
Entisöinti ja kunnostus yleisellä tasolla
Omatekoiset laitteet ja rakentelu
Sotilasradiot ja Perinneradiot
Yleinen keskustelualue
Niitä Näitä
Haku päällä
« Koti
‹ Alue
SRHS Forum
» Powered by
YaBB 2.6.12
!
YaBB Forum Software
© 2000-2026. Kaikki oikeudet pidätetään.