Sivunvalintanappi Sivu: [1]  Lähetä aiheTulosta
Erittäin kuuma aihe (Enemmän kuin 25 vastausta) Philips B5SF13A ja AG2009, korjaustyöstä juttua. (Luettu 1377 kertaa)
Heikki Rinnemaa
God Member
*****
Poissa



Viestejä: 794
Sijainti: tampere
Philips B5SF13A ja AG2009, korjaustyöstä juttua.
11.02.2026 klo 11:10:36
Tulosta viesti  
Terve.

Ostin aiemmin Fenno konsertti F315V levysoitin philipsin AG2009. Kyseisestä radiosta puuttuu teline, eli jalka-lehti teline enkä löytänyt mistään mittoja jotta voisi tehdä itse. No kas kummaa Porin suunnassa oli myynnissä Philips vastaava ja siinä oli jalkateline tallella joten ostin sen sitten 40€ hintaan ajatuksella että saan ainakin jalkatelineen Fennoon. Laite ei päältä näyttänyt huonolta muuten kuin tuo muoviosa, joten päätin sitten sitä kunnostaa.
Laitan tähän juttua kunnostuksesta ja kuvia joistakin kohdista tarkemmin.
Philips ja Fenno samanlaisia, piirikaavio näyttäisi olevan sopiva molempiin.

  

p1_001.JPG ( 51 KB | 20 latausta )
p1_001.JPG
Sivun alkuun
 
IP kirjattu
 
Heikki Rinnemaa
God Member
*****
Poissa



Viestejä: 794
Sijainti: tampere
Re: Philips B5SF13A ja AG2009, korjaustyöstä juttua.
Vastaus #1 - 11.02.2026 klo 11:12:44
Tulosta viesti  
Kuva takapuolelta.
  

p3_001.JPG ( 143 KB | 14 latausta )
p3_001.JPG
Sivun alkuun
 
IP kirjattu
 
Heikki Rinnemaa
God Member
*****
Poissa



Viestejä: 794
Sijainti: tampere
Re: Philips B5SF13A ja AG2009, korjaustyöstä juttua.
Vastaus #2 - 11.02.2026 klo 11:14:39
Tulosta viesti  
Yleiskuvaa.
Muovit oli sen verran imeneet väriä että en lähtenyt yrittämään puhdistusta, joten päätin uusia muoviosat.
Mainittakoon että Fannossa oli vain vähän likainen ja puhdistus onnistui.

Levysoitin näytti  siistiltä, paitsi matto oli koppuroitunut.
Neulat puuttui äänipäästä.
  

p2.JPG ( 87 KB | 14 latausta )
p2.JPG
Sivun alkuun
 
IP kirjattu
 
Heikki Rinnemaa
God Member
*****
Poissa



Viestejä: 794
Sijainti: tampere
Re: Philips B5SF13A ja AG2009, korjaustyöstä juttua.
Vastaus #3 - 11.02.2026 klo 11:18:44
Tulosta viesti  
Kotelon kannen irroitin ensin, lehtisaranan sekä pystyssä pitosararan. Sen jälkeen sitten koneiston poiston kimppuun.

Levysoittimen koppa on ensin poistettava jotta pääsee sitten poistamaan kaikki romppeet. Kopan poistamisen jälkeen irroitin sitten myös levysoittimen.

  

p4.JPG ( 175 KB | 16 latausta )
p4.JPG
Sivun alkuun
 
IP kirjattu
 
Heikki Rinnemaa
God Member
*****
Poissa



Viestejä: 794
Sijainti: tampere
Re: Philips B5SF13A ja AG2009, korjaustyöstä juttua.
Vastaus #4 - 11.02.2026 klo 11:25:36
Tulosta viesti  
Koneisto poisto / asennusvalmiina.

Kaiuttimet on päädyissä kiinni siten että takaa katsoen vasemmalla puolella on lehtimutterit, 4kpl,  joita voi käsin kääntää. Oikealla puolella tavalliset mutterit
Radion poisottoa varten riittää kun irrottaa etuosan yläosassa olevat painike ja potikka osat irti etupaneelista sekä poistaa vasemman kaiuttimen pois.
Helpompi on tietenkin poistaa molemma kaiuttimet jolloin koneiston saa paremmin pois.
Asennus kannattaa tehdä ilman kaiuttimia ja sitten laittaa kaksi lehtimutteria etupuolelle molempiin kaiuttimiin ja tavalliset takaosaan, näin molemmat kaiuttimet saa helposti paikalleen vaikka koneisto on asennettu.
Etuosan alaosassa on vielä pienet punaiset läpykät ruuvilla jotka tukee lasia, ne pitää muistaa aukaista, ennen koneiston poistoa.

TÄRKEÄÄ.
Niin, kiirettä ei kannata pitää ja jos kanittaa jostakin kohtaa kannattaa pysähtyÄ ja miettiä.
Lasi on suuri, hankala saada uusi, ja menee yllättävän helposti rikki tai takapuolen peiteväri naarmuuntuu.

  

p5_001.JPG ( 179 KB | 16 latausta )
p5_001.JPG
Sivun alkuun
 
IP kirjattu
 
Heikki Rinnemaa
God Member
*****
Poissa



Viestejä: 794
Sijainti: tampere
Re: Philips B5SF13A ja AG2009, korjaustyöstä juttua.
Vastaus #5 - 11.02.2026 klo 11:31:18
Tulosta viesti  
Oikean puoleinen kaiutin jossa 4 mutteria. Asennettaessa kannattaa tosiaan vaihtaa etumutterit lehtimuttereihin niin saa helpommin asennettua paikalleen koneiston asentamisen jälkeen
  

p6.JPG ( 140 KB | 19 latausta )
p6.JPG
Sivun alkuun
 
IP kirjattu
 
Heikki Rinnemaa
God Member
*****
Poissa



Viestejä: 794
Sijainti: tampere
Re: Philips B5SF13A ja AG2009, korjaustyöstä juttua.
Vastaus #6 - 11.02.2026 klo 11:34:54
Tulosta viesti  
Radiosta oli asemanarut poikki sekä lasin takana oleva valkea muovi värittynyt. Joten etulasi pitää poistaa huoltoa varten. Lasin poistaminen huollon ajaksi estää myös sen paremmin että ei lasi hajoa kesken korjauksen.

Nupit siis irti ja lasi pois, helppo homma kunnes tulee tämä vastaan. Etulasi tuetaan kiinni runkoon kahdella kumiosalla jotka on varmaan uutena muljahtaneet paikalleen ja pois helposti. Nyt 60 vuoden jälkeen kovettuneet. Mikä riesa.

Sain nyrhättyä irti rungon päästä nypykät ( katkaisin toki pari) ja sain lasin pois kumeineen. Takaisin sain asennettua tovin tappelun jälkeen. Samalla pitää varoa että lasi ei hajoa.

  

p7.JPG ( 41 KB | 18 latausta )
p7.JPG
Sivun alkuun
 
IP kirjattu
 
Heikki Rinnemaa
God Member
*****
Poissa



Viestejä: 794
Sijainti: tampere
Re: Philips B5SF13A ja AG2009, korjaustyöstä juttua.
Vastaus #7 - 11.02.2026 klo 11:39:28
Tulosta viesti  
Sivukuva kumista.

Koska sain paikalleen lasin, en tähän lähtenyt keksimään mitään korvattavaa. Mutta pitää alkaa miettimään keksisikö jotenkin uuden kumijutun tuon tilalle.

Jos joku lukija on tähän keksinyt ratkaisun niin huoltoosioon erikseen juttua vaan. Kumi on monessa philipsin ja fennon mallissa käytössä
  

p8.JPG ( 12 KB | 17 latausta )
p8.JPG
Sivun alkuun
 
IP kirjattu
 
Heikki Rinnemaa
God Member
*****
Poissa



Viestejä: 794
Sijainti: tampere
Re: Philips B5SF13A ja AG2009, korjaustyöstä juttua.
Vastaus #8 - 11.02.2026 klo 11:47:08
Tulosta viesti  
Tässä vaiheessa kaikki hyvin, radion huoltotelineessä ja lasi hyllyssä ehyenä tallessa. Koneisto näytti siistiltä ja pölyttömältä.

Putket irti, putkien puhdistus, kantapiikit hienolla hiekkapaperilla pyyhin, ja testaus, vain EM80 oli sökö. Hyvä juttu tämä, säästyy rahaa.

Puhdistin koneiston imuria ja pieniä harjoja käyttäen.
Sitten prf 7-78 puhdistusaineella suihkuholvaten potikat ja kytkimet.

Silmämääräisesti tarkistin osia, kaikki näytti hyvältä.
Jännitevalintakytkin suurempaan jännitteeseen ja kone päälle.
Toimi moitteettomasti ja virran kulutus 235V 0,19A.
Joten päätin että komponentteja en lähde nyt vaihtamaan.

Nyt sitten koneisto voi testikuunnella samalla kun aloin tutkimaan jalkatelinettä ja kunnostamaan itse koteloa.

Jatkan juttua tässä päivittäin.
  

p9.JPG ( 188 KB | 17 latausta )
p9.JPG
Sivun alkuun
 
IP kirjattu
 
Heikki Rinnemaa
God Member
*****
Poissa



Viestejä: 794
Sijainti: tampere
Re: Philips B5SF13A ja AG2009, korjaustyöstä juttua.
Vastaus #9 - 12.02.2026 klo 09:45:15
Tulosta viesti  
Kävin sitten tässä vaiheessa tuo jalustan tutkimiseen ja puhdistamiseen. Messinkitangot sain puhdistettua sterlingin kuparin ja messingin puhdistus-suoja-aineella. Puuosat puhdistin vain pyyhkimällä. Telineen hyllyn puurimojen päähän on upotettu kierreholkki ja yhden riman pää oli hieman halkeillut, liimasin erikeeper plussalla. Tuntui pysyvän.

Puumateriaalia tutkin ja tuntui olevan joko teak tai ruusupuu, mutta kun tuntuu painavalta teakkiin verrattunaolettaisin että ruusupuuta lienee,,ehkä.

Pitää tehdä tuohon fennoon vastaava teline. Puujalat pitää olla tiheää ja kestävää puuta, nykyinen pikakasvatettu höttöpuu ei kestä kaukaa.

Tässä kuva puhdistetusta telineestä.
  

p10.JPG ( 200 KB | 17 latausta )
p10.JPG
Sivun alkuun
 
IP kirjattu
 
Heikki Rinnemaa
God Member
*****
Poissa



Viestejä: 794
Sijainti: tampere
Re: Philips B5SF13A ja AG2009, korjaustyöstä juttua.
Vastaus #10 - 12.02.2026 klo 09:48:23
Tulosta viesti  
Ihmettelin että miten telineen jalat voi olla samanlaisia ja selvisihän se.
Radion kotelon runkoon oli tehty telineen jalkojen kaltavuus säätö, poraamalla kiinnitysreikä syvennykset vinoon. Tämä vinoporaus suuntaa jalat sopivasti vinoon joka sivulle ja taaksepäin. Mukava oivallus suunnittelijalta.
  

p12.JPG ( 193 KB | 17 latausta )
p12.JPG
Sivun alkuun
 
IP kirjattu
 
Heikki Rinnemaa
God Member
*****
Poissa



Viestejä: 794
Sijainti: tampere
Re: Philips B5SF13A ja AG2009, korjaustyöstä juttua.
Vastaus #11 - 12.02.2026 klo 09:49:57
Tulosta viesti  
Tässä kuva telineestä mittoineen. Ei ollut helppoa cad-piirustusohjelmaa joten piirtelin käsin kuvaan. Eiköhän tuosta selvän saane jos joku tarvihtee mittoja tekoa varten. Hymiö
  

p11.JPG ( 212 KB | 15 latausta )
p11.JPG
Sivun alkuun
 
IP kirjattu
 
Heikki Rinnemaa
God Member
*****
Poissa



Viestejä: 794
Sijainti: tampere
Re: Philips B5SF13A ja AG2009, korjaustyöstä juttua.
Vastaus #12 - 12.02.2026 klo 09:58:27
Tulosta viesti  
Löysin hyllystä vanhaa muovin tapaista pöytäliinaa pätkän joka tuntui sopivan radion olemukseen, joten päätin siitä tehdä uuden muoviosan. Toki olisi voinut viilutustakin harkita, mutta sitten olisi pitänyt tilata viilua jostakin kun kaupat ei pidä hyllyssä, hintaa olisi tullut. Vanhan kankaan tai tuo muovin uusiminen värin ja kuvioinnin suhteen on mielenkiintoista. Voi toki pyrkiä täysin samanlaiseen jos historialaite, mutta käyttöradiossa voi tyylitellä omia juttuja ja kierrättää materiaaleja. Hymiö

Liimauksessa parhaalta tuntui liimata yksi tasainen osa kerralla. Käytin erikeeper plussaa. Puristimilla ja apukapuloilla kiinni ja yön yli. Sitten seuraava sivu jne. Alaosassa tarvihti 4 liimauskertaa. Radion yläosan tein samalviisii, selvisi kahdella liimauksella. Tuntuu pysyvän kiinni.

  

p14.JPG ( 67 KB | 14 latausta )
p14.JPG
Sivun alkuun
 
IP kirjattu
 
Heikki Rinnemaa
God Member
*****
Poissa



Viestejä: 794
Sijainti: tampere
Re: Philips B5SF13A ja AG2009, korjaustyöstä juttua.
Vastaus #13 - 12.02.2026 klo 09:59:12
Tulosta viesti  
Liima tahtoo aina jostakin syystä mennä sitten minne ei olisi tarvis, mikä liene. Hymiö
  

p15.JPG ( 68 KB | 17 latausta )
p15.JPG
Sivun alkuun
 
IP kirjattu
 
Heikki Rinnemaa
God Member
*****
Poissa



Viestejä: 794
Sijainti: tampere
Re: Philips B5SF13A ja AG2009, korjaustyöstä juttua.
Vastaus #14 - 12.02.2026 klo 10:05:23
Tulosta viesti  
Sitten liimattuna. Mukavasti sattui tuo vanha pöytäliina istumaan kuvoiltaankin tähän kun vähän sitä viritteli.
  

p16.JPG ( 117 KB | 18 latausta )
p16.JPG
Sivun alkuun
 
IP kirjattu
 
Heikki Rinnemaa
God Member
*****
Poissa



Viestejä: 794
Sijainti: tampere
Re: Philips B5SF13A ja AG2009, korjaustyöstä juttua.
Vastaus #15 - 12.02.2026 klo 10:07:37
Tulosta viesti  
Muovin ja listanreunaan laitoin koristeeksi messinkitankoa liimaten pikaliimalla. Päät pienellä upotuksella kotelon päätyseinään. Syy se että muovin alaosan reunaa ei saanut listan alle kuten vanha oli ja reuna oli vähän rakoinen.
  

p17.JPG ( 94 KB | 14 latausta )
p17.JPG
Sivun alkuun
 
IP kirjattu
 
Heikki Rinnemaa
God Member
*****
Poissa



Viestejä: 794
Sijainti: tampere
Re: Philips B5SF13A ja AG2009, korjaustyöstä juttua.
Vastaus #16 - 12.02.2026 klo 10:10:40
Tulosta viesti  
Tässä kuva valmiista, ilman kansilevyä.

Messinkiosat puhdistin ja kiillotin suoja-aineella.

  

p18.JPG ( 127 KB | 15 latausta )
p18.JPG
Sivun alkuun
 
IP kirjattu
 
Heikki Rinnemaa
God Member
*****
Poissa



Viestejä: 794
Sijainti: tampere
Re: Philips B5SF13A ja AG2009, korjaustyöstä juttua.
Vastaus #17 - 12.02.2026 klo 10:13:38
Tulosta viesti  
Ostin takavuosina syksyn tarjouksesta tuollaisen pöydän työpöydäksi muutamalla kympillä. Pöydässä on jatkojalat joten saa sekä normaalikorkeudelle että noin 40cm korkuseksi. Jalat lyhennettynä sopi hyvin tämän radion huoltokorkeudeksi kun asentaa radiota takaisin. Ei tarvi olla kyykyssä.
  

p19.JPG ( 140 KB | 16 latausta )
p19.JPG
Sivun alkuun
 
IP kirjattu
 
Heikki Rinnemaa
God Member
*****
Poissa



Viestejä: 794
Sijainti: tampere
Re: Philips B5SF13A ja AG2009, korjaustyöstä juttua.
Vastaus #18 - 12.02.2026 klo 10:16:44
Tulosta viesti  
Kun radio on paikallaan ja poistaa pienet uloimmat nupit voi radiota pitää myös vatsallaan pöydällä.
  

p20.JPG ( 124 KB | 14 latausta )
p20.JPG
Sivun alkuun
 
IP kirjattu
 
Heikki Rinnemaa
God Member
*****
Poissa



Viestejä: 794
Sijainti: tampere
Re: Philips B5SF13A ja AG2009, korjaustyöstä juttua.
Vastaus #19 - 12.02.2026 klo 10:24:18
Tulosta viesti  
Seuraavaksi sitten levysoittimen kunnostus. Ei pyöri helposti, levylautasen kumimatto kovettunut pilalle. Neularasia, toinen käämi poikki ja neuloja yksi viallinen. Philipis merkistä vain pohja jäljellä.

Neljä ruuvia nurkilla pitää kiinni kotelon sisällä olevan lisäkotelon jolla levysoitin on osin eristettu radio-osasta.

Takaseinässä ylhäällä oikealla on tappi, laitettu että siihen voi työntää äänineulapään kun ottaa varresta irti. Hyvä idea.

Jatkan taas juttua jahka sähkö vähän halpuu.
  

p21.JPG ( 109 KB | 16 latausta )
p21.JPG
Sivun alkuun
 
IP kirjattu
 
Heikki Rinnemaa
God Member
*****
Poissa



Viestejä: 794
Sijainti: tampere
Re: Philips B5SF13A ja AG2009, korjaustyöstä juttua.
Vastaus #20 - 12.02.2026 klo 17:16:44
Tulosta viesti  
Levylautasessa on reikä josta meisselillä voi painaa tuota kuvan keskellä olevaa peltiläpykkää jotta lautasen voi nostaa pois paikaltaan. Näin pääsee puhdistamaan levylautasen akselitapin ja liukupinnat sekä muut osat.
  

p22.JPG ( 88 KB | 13 latausta )
p22.JPG
Sivun alkuun
 
IP kirjattu
 
Heikki Rinnemaa
God Member
*****
Poissa



Viestejä: 794
Sijainti: tampere
Re: Philips B5SF13A ja AG2009, korjaustyöstä juttua.
Vastaus #21 - 12.02.2026 klo 17:19:08
Tulosta viesti  
Toimintaperiaatteesta sen verran että nopeudensäätönupin juuressa on pyöritettävä säätö joka sitten vaijerin kautta siirtää kuvassa näkyvää magneettiparia jonka välissä moottorissa oleva kuparikiekko pyörii. Nopeudensäätö on magneettisesti säätyvä ja toimii ihan riittävän mukavasti, silloin kun pyöriminen on muutenkin jouhevaa.
  

p23.JPG ( 64 KB | 19 latausta )
p23.JPG
Sivun alkuun
 
IP kirjattu
 
Heikki Rinnemaa
God Member
*****
Poissa



Viestejä: 794
Sijainti: tampere
Re: Philips B5SF13A ja AG2009, korjaustyöstä juttua.
Vastaus #22 - 12.02.2026 klo 17:29:33
Tulosta viesti  
Purin moottorin osiin ja puhdistin puhdistusaineella laakeripinnat ja roottorin sekä staattorin. Kuvien kera.Alkoi hyvin pyörimään sen jälkeen.

Sen olen huomannut että jos peräkkäin on useampi osa purettava niin järjestys tai miten päin osa laitetaan takasiin, se yllättävän helposti unohtuu jos ei ole tarkkana.
Kuvia kannattaa aina ottaa eri vaiheissa, kun on tämä digiaika.

  

p24.JPG ( 108 KB | 15 latausta )
p24.JPG
Sivun alkuun
 
IP kirjattu
 
Heikki Rinnemaa
God Member
*****
Poissa



Viestejä: 794
Sijainti: tampere
Re: Philips B5SF13A ja AG2009, korjaustyöstä juttua.
Vastaus #23 - 12.02.2026 klo 17:47:22
Tulosta viesti  
Jahka sain moottorin huollettua ja muutenkin katseltua että kaikki osat toimii, ja irrotetut pienet jouset paikalleen mekanismista, niin sitten testitolpille väliaikaisesti pystyyn loppusäätöjä varten.

Pyöriminen korjaantui niin hyväksi että kun pikkasen levylautasta sormella pyöräitti niin minuutin pyöri itsekseen. Kyllä moottorin putsaus ja laakeripintojen öljyäminen kannattaa.

Testivaiheessa säätyi hyvin normilevylle ja nopeuden säätimessä jäi vielä varaa molempiin suuntiin säätövaraa.

Äänivarren juuressa on varren alapuolella pieni muoviosa poikittain siten että ääniverran nostovipu sitten sitä työntäen pitää varren irti levystä ja sen varassa voi laskea sitten äänipään levylle. No se oli katkeamassa irti se pieni muovipala, mutta sain sen pikaliimalla liimattua takaisin, alkoi äänivarren nostomekanismi toimimaan kuten kuuluu.

Sitten sattui olemaan philips merkki niin sen liimaus vielä pikaliimalla. Äänipääksi vaihdoin AG3304 tilalle 22gp230 tyyppisen kun sattui olemaan jemmassa. Tuo uudempi on korkeus-suunnassa matalampi, eli ylempänä irti levystä. Tämän takia jouduin sitten tekemään levylautaselle kaksi mattoa päällekkäin. Vanha kumimatto oli koppura joten leikkasin askarteluliikkeestä ostettua huopaa kiekon päällimmäiseksi. Huovan vahvuus noin 3mm ja alle sitten laitoin toisen aiemmin ostamani tiivistekumilevystä leikatun kiekon.
Toki voisi leikata kaksi huopaa ja liimatakin.
Tai sitten jostakin hommata AG3304 neulapää, mutta tahtovat maksaa.
  

p26.JPG ( 53 KB | 14 latausta )
p26.JPG
Sivun alkuun
 
IP kirjattu
 
Heikki Rinnemaa
God Member
*****
Poissa



Viestejä: 794
Sijainti: tampere
Re: Philips B5SF13A ja AG2009, korjaustyöstä juttua.
Vastaus #24 - 12.02.2026 klo 17:49:39
Tulosta viesti  
Puhelimeen löysin pyörimisnopeus-apin. Sen laitoin levyn päälle ja sitten saattoi testailla ja säätää nopeutta kohdalleen. Puhelimen paino vaikuttaa jonkin verran nopeuteen, mutta ihan oiva apuväline.

  

p27.JPG ( 115 KB | 16 latausta )
p27.JPG
Sivun alkuun
 
IP kirjattu
 
Heikki Rinnemaa
God Member
*****
Poissa



Viestejä: 794
Sijainti: tampere
Re: Philips B5SF13A ja AG2009, korjaustyöstä juttua.
Vastaus #25 - 12.02.2026 klo 17:57:19
Tulosta viesti  
Piti mainita tästä aiemmin.

Sikli on oivallinen välinen jolla voi poistaa maalit, lakat, yms, puupinnalta. Sillä voi työntää tai vetää. Terävä reuna on terävä silloin kun sikli on kunnossa, eli sivulle päin tekee helposti viillon, tarkkana saapi olla.

Hyvä sikli on näissä hommissa hyvin tarpeen ja toimii kun sen käytön treenaa.

Jatkan päivitystä huomenna, alkaa olla loppusuoralla tämä korjaustyö.
  

p28.JPG ( 54 KB | 14 latausta )
p28.JPG
Sivun alkuun
 
IP kirjattu
 
Heikki Rinnemaa
God Member
*****
Poissa



Viestejä: 794
Sijainti: tampere
Re: Philips B5SF13A ja AG2009, korjaustyöstä juttua.
Vastaus #26 - 13.02.2026 klo 09:41:32
Tulosta viesti  
Vähän vielä koneistosta kuvia.

Sävynsäätönupeissa on näyttönä levy jossa valkea ja musta maali. Levy kääntyy kitkavoimalla potikan varteen nojautun jousivoiman avulla. Hieman hioin potikan vartta ja kitka paranee, alkoivat toimimaan jotenkuten. Teknisesti helppo ratkaisu toiminnallisesti, mutta ei kovin hyvin toimiva.
  

p31.JPG ( 91 KB | 15 latausta )
p31.JPG
Sivun alkuun
 
IP kirjattu
 
Heikki Rinnemaa
God Member
*****
Poissa



Viestejä: 794
Sijainti: tampere
Re: Philips B5SF13A ja AG2009, korjaustyöstä juttua.
Vastaus #27 - 13.02.2026 klo 09:47:18
Tulosta viesti  
Kuva kun jo lasi paikallaan.

En hoksannut ottaa ennen lasin laittoa kuvaa jotta olisi nähnyt asemanarut paikallaan. Asemanarut vanhat oli sykkyrässä mukana, mutta ehyenä ja kuivuneena. Sain niistä mitat joten oli helppo sitten tehdä uudet ja sai jopa kohtuullisella työllä paikalleen. En ihmettele että aikoinaan kokoonpanossa on naiset olleet nopeita hoikkinen sormineen.

Langaksi laitoin puuvillanarua, sellaista joka ei käsin vetämällä katkea helposti ollenkaan.

Jos lasissa jossakin kohtaa takapuolelle maali lähtenyt että valo näkyy läpi, niin mustalla kivitussilla on helppo korjailla pieniä korjauksia.
« Viimeksi muokattu: 13.02.2026 klo 10:39:12 Kirjoittaja Heikki Rinnemaa »  

p32.JPG ( 117 KB | 14 latausta )
p32.JPG
Sivun alkuun
 
IP kirjattu
 
Heikki Rinnemaa
God Member
*****
Poissa



Viestejä: 794
Sijainti: tampere
Re: Philips B5SF13A ja AG2009, korjaustyöstä juttua.
Vastaus #28 - 13.02.2026 klo 09:48:13
Tulosta viesti  
Vanha taustamuovi tummunut valon vaikutuksesta niin paljon että meni romutalteen.
  

p29.JPG ( 92 KB | 14 latausta )
p29.JPG
Sivun alkuun
 
IP kirjattu
 
Heikki Rinnemaa
God Member
*****
Poissa



Viestejä: 794
Sijainti: tampere
Re: Philips B5SF13A ja AG2009, korjaustyöstä juttua.
Vastaus #29 - 13.02.2026 klo 09:49:37
Tulosta viesti  
Uuden tein kansion välilehdestä ja vahvistin päädyt teipillä. Kestänee aikansa ja on valkoinen. Niitit olisi voinut laittaa, mutta ei ole sopivaa työkalua.
  

p30.JPG ( 138 KB | 19 latausta )
p30.JPG
Sivun alkuun
 
IP kirjattu
 
Heikki Rinnemaa
God Member
*****
Poissa



Viestejä: 794
Sijainti: tampere
Re: Philips B5SF13A ja AG2009, korjaustyöstä juttua.
Vastaus #30 - 13.02.2026 klo 09:52:21
Tulosta viesti  
Koneisto sisässä ja odottaa että saan laitettua ne hankalat asennettavat, eli potikka ja kolminappiryhmä kotelon etuosaan.

Tässä maha-asennossa saa laitettua helpommin, pitää vaan varoa että ei työkalu putoa lasille, taatusti hajoaa.
Apuna olisi kylä pienet kädet ja hoikat sormet tarpeen tässä hommassa, omat kun on kohtuu isot ja sormet alkaa olla osin koppurat. Huomaa siitä että sormien tunto heikkenee iän myötä ja helpommin putoaa mutteri sormien välistä.

  

p35.JPG ( 168 KB | 15 latausta )
p35.JPG
Sivun alkuun
 
IP kirjattu
 
Heikki Rinnemaa
God Member
*****
Poissa



Viestejä: 794
Sijainti: tampere
Re: Philips B5SF13A ja AG2009, korjaustyöstä juttua.
Vastaus #31 - 13.02.2026 klo 09:55:22
Tulosta viesti  
Menihän siitä sitten yksi painonapin bakeliittiosa rikki kun koetin vääntää nappisettia aukkoonsa. Siinä vaiheessa meinasi tulla rumempi sana, ajatus kyllä tuli.

Sain se tuskalla ja työllä korjattua. Tein pienen uran bakeliittiin ja liimasin siihen pienen ruuvin josta katkaisin toisen pään. Sitten liimasin painikemuovin päähän jousen valmiiksi ja sen jälkeen tuon ruuvipään siihen. Pikaliimalla onnistui kun ei hätäillyt ja sai olla yön yli puristuksissa. Tuntuu toimivan.

Hankalia laitetettavia nuo painkesetti sekä se potikka aukkoonsa. Tahtoo helposti ottaa reunaan kiinni.
  

p36.JPG ( 76 KB | 17 latausta )
p36.JPG
Sivun alkuun
 
IP kirjattu
 
Heikki Rinnemaa
God Member
*****
Poissa



Viestejä: 794
Sijainti: tampere
Re: Philips B5SF13A ja AG2009, korjaustyöstä juttua.
Vastaus #32 - 13.02.2026 klo 09:58:36
Tulosta viesti  
Radion levysoittimen äänirasia on suoraan kytketty levysoitinliitäntään.

  

p37.JPG ( 38 KB | 16 latausta )
p37.JPG
Sivun alkuun
 
IP kirjattu
 
Heikki Rinnemaa
God Member
*****
Poissa



Viestejä: 794
Sijainti: tampere
Re: Philips B5SF13A ja AG2009, korjaustyöstä juttua.
Vastaus #33 - 13.02.2026 klo 10:02:21
Tulosta viesti  
Pohjalevy tästä puuttui.

Laitoin tilalle romutetun radion taustalevystä leikaten palasen, ja ilman alumiinikerrosta. Poistin myös vanhan alumiinikerroksen maadoitusjohdot turhana.

Asemat on nykyään voimakkaita ja am-asemien kuuntelua varten tuosta antennin korvikkeesta ei paljoa hyötyä olle nykyisin. Kytken näissä verkkovirtalaitteissa joissa on muuntaja, verkkojohdon suojamaadoituksen aina laitteen runkoon sekä levysoittimen runkoon. Saa näin laitteen sähköteknisesti turvallisemmaksi, näin omassa käytössä. Eikä tarvitse miettiä am-aseman suhteen erillisesti maakaapeli vetämisestä vaikkapa patteriverkkoon tms.
  

p38.JPG ( 159 KB | 18 latausta )
p38.JPG
Sivun alkuun
 
IP kirjattu
 
Heikki Rinnemaa
God Member
*****
Poissa



Viestejä: 794
Sijainti: tampere
Re: Philips B5SF13A ja AG2009, korjaustyöstä juttua.
Vastaus #34 - 13.02.2026 klo 10:03:23
Tulosta viesti  
Hiven työkaluista. Eipä arvannut 70 luvulla kun säästin tämä setin, että onpa käyttökelpoinen putkiradiohommissa. Hymiö
  

p39.JPG ( 117 KB | 16 latausta )
p39.JPG
Sivun alkuun
 
IP kirjattu
 
Heikki Rinnemaa
God Member
*****
Poissa



Viestejä: 794
Sijainti: tampere
Re: Philips B5SF13A ja AG2009, korjaustyöstä juttua.
Vastaus #35 - 13.02.2026 klo 10:04:11
Tulosta viesti  
Kun ei magneettivoima pidä kiinni niin valkotarra voi auttaa mutterin alkuun pyörittämisessä siellä minne ei sormet mahdu.
  

p40.JPG ( 62 KB | 15 latausta )
p40.JPG
Sivun alkuun
 
IP kirjattu
 
Heikki Rinnemaa
God Member
*****
Poissa



Viestejä: 794
Sijainti: tampere
Re: Philips B5SF13A ja AG2009, korjaustyöstä juttua.
Vastaus #36 - 13.02.2026 klo 10:12:25
Tulosta viesti  
Turvasysteemi.

Alempana minulla on energiamittari, ostin joskun aikoinaan ja on aika hyvä malli. tässä hommassa. Näkee napin painalluksella suoraan käyttöjännitteen, virran, tehon, piikkivirran, tehon. Sen lisäksi voi jättää paikalleen, saa kulutustehon vaikka tunnin ajan.

Sitten sen päällä on vikavirtasuojakytkin.

Tällä setillä saan helposti radion alkuvirrat näkysälle ja vikavirtakytkin suojaa jos sattuu tärsky verkkovirrasta maihin.

Samaten on helppo sammuttaa vikavirtakytkimestä sähköt koko radiolta.

Vaiheen ja nollan välistä tälliähän se vikavirta ei estä eikä tasavirtapuolen 250V tällejä.

Riippumatta siitä mikä on turvasysteemi, putkiradio on silti sähköteknisesti vaarallinen, jännitteiset osat tahtoo olla hollilla heti kun takakannen aukaisee.

Ohjehan on vanhastaan että jännitetyöt minimiin ja harkiten.
Jos on pakko tehdä, niin hitaasti harkiten, vianhaussa ja testauksessa eritoten.
  

p41.JPG ( 65 KB | 16 latausta )
p41.JPG
Sivun alkuun
 
IP kirjattu
 
Heikki Rinnemaa
God Member
*****
Poissa



Viestejä: 794
Sijainti: tampere
Re: Philips B5SF13A ja AG2009, korjaustyöstä juttua.
Vastaus #37 - 13.02.2026 klo 10:18:15
Tulosta viesti  
Sattu olemaan 1972 vuoden oppikoulun puu-metalli-muovityöt oppikirja, otava kustantama, hyllyssä kirpparilta löyvettynä.
Onkin hyvä selkokielinen kirja näihin hommiin, kun ei tuona vuonna ollut se opiskelu ensimmäinen prioriteetti. En tosin ollut oppikoulussakaan kuin 2 vuotta ja palautettiin sitten kansakoulun kuuvennelle, kun en läpäissyt suomen kielen ehtoja.

Siinä oli yksi värikartta puupinnoista, ja sen perusteella radion kotelon pintaviili on mielestäni Tammea.
Runko viilun alla on jonkinlaista puristepuuta ja osin kokopuuta.





  

p42.JPG ( 137 KB | 16 latausta )
p42.JPG
Sivun alkuun
 
IP kirjattu
 
Heikki Rinnemaa
God Member
*****
Poissa



Viestejä: 794
Sijainti: tampere
Re: Philips B5SF13A ja AG2009, korjaustyöstä juttua.
Vastaus #38 - 13.02.2026 klo 10:21:38
Tulosta viesti  
Tässä vielä taulukossa tietoa jonkin verran, töineen ja osineen. Putket muuten toimivia, EM80 uusin kun oli niin himmeä.

Testilaite precicion 612, vm, 50 luvun alku. Prosentit sen näytön mukaiset.

Ostohinta 40€, siihen osat, ja työmäärä. Jos velottaisi työtunnilta vaikka yritysvetoisesti 30€/h, niin tulisipa siitä kallis radio.  No, maksan itselle, työn ilona ja haasteena aivoille sekä sormille. Hymiö
  

p46.JPG ( 67 KB | 16 latausta )
p46.JPG
Sivun alkuun
 
IP kirjattu
 
Heikki Rinnemaa
God Member
*****
Poissa



Viestejä: 794
Sijainti: tampere
Re: Philips B5SF13A ja AG2009, korjaustyöstä juttua.
Vastaus #39 - 13.02.2026 klo 10:23:19
Tulosta viesti  
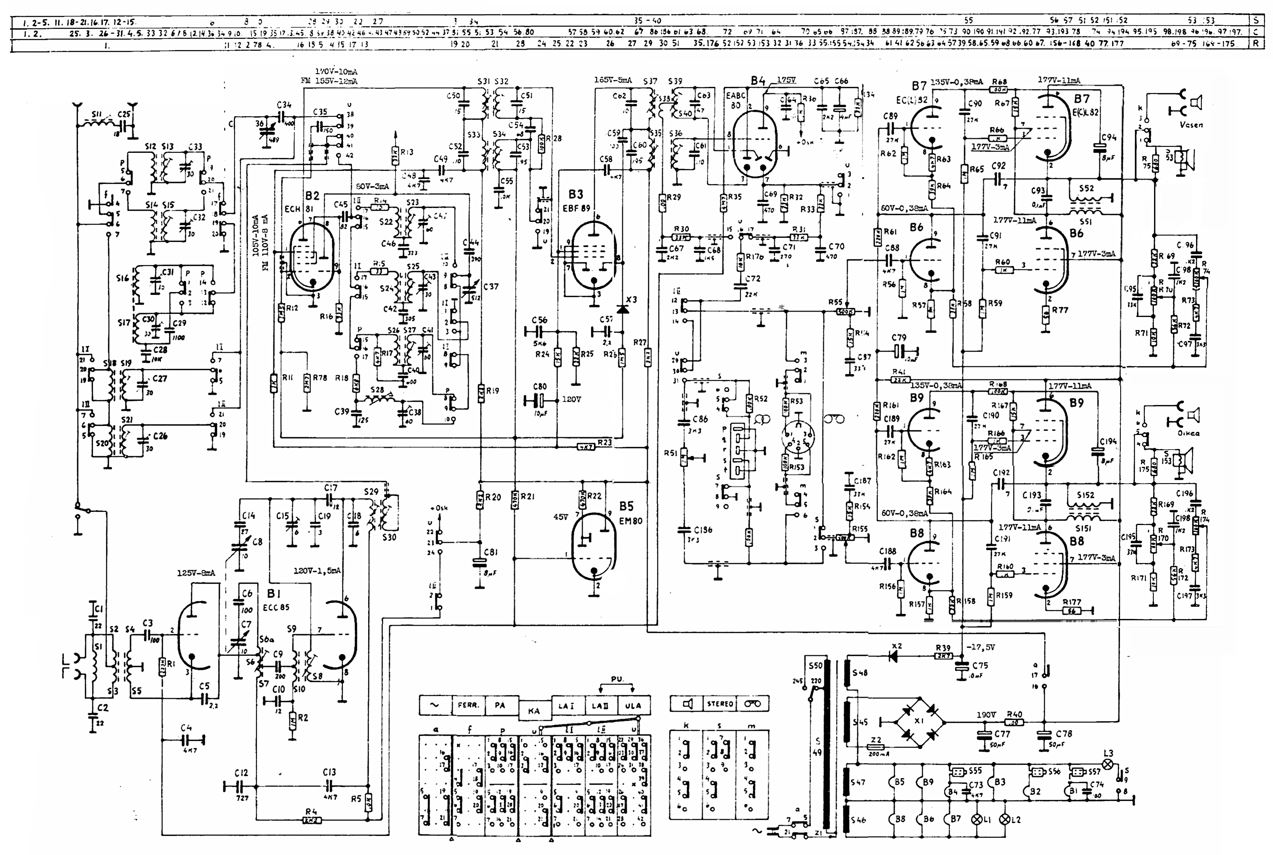
Laitan vielä tähän tuon piirikaavion, vaikka se on fenno-kansiossa löydettävissä huolto-ohjeineen. Pitää tuosta kaaviosta tehdä erikseen raapustusta.

Radion etupaneelin potikan toiminta on sangen hupaisa, mutta sitä ja kaaviota pitää tutkia erikseen.
  

p45.JPG ( 247 KB | 28 latausta )
p45.JPG
Sivun alkuun
 
IP kirjattu
 
Heikki Rinnemaa
God Member
*****
Poissa



Viestejä: 794
Sijainti: tampere
Re: Philips B5SF13A ja AG2009, korjaustyöstä juttua.
Vastaus #40 - 13.02.2026 klo 10:23:55
Tulosta viesti  
Sitten lopputuloksesta kuvaa.
  

p44.JPG ( 59 KB | 16 latausta )
p44.JPG
Sivun alkuun
 
IP kirjattu
 
Heikki Rinnemaa
God Member
*****
Poissa



Viestejä: 794
Sijainti: tampere
Re: Philips B5SF13A ja AG2009, korjaustyöstä juttua.
Vastaus #41 - 13.02.2026 klo 10:34:40
Tulosta viesti  
Kotelon puupinnat sain paremmaksi kuin laitoin ohuesti kankaalla parafiiniöljyä.

Vaihtoehtojahan on toki, poistaa lakat ja lakata uudestaan, tai lakata nykyisen päälle, yms. Mutta kun tässä pinta oli kohtuukunnossa eikä kiiltolakattu niin päätin kokeilla parafiiniöljyä.


Työmäärä on melkoinen. Ja radio painaa vähän yli 20kg kokonaisuudessaan, niin saapi vähän jumpata kun nostelee.

Radiosta tuli ihan kivan näköinen. Asemia kuuluu hyvin ja levysoitin toimii ettei korvin meikäläinen ei hifi-ihminen kuuntelija huomaa eroa.

Matka jatkuu kohti uusia seikkailuja radiomaailmassa.  Hymiö
  

p43.JPG ( 60 KB | 19 latausta )
p43.JPG
Sivun alkuun
 
IP kirjattu
 
akenyh
God Member
*****
Poissa


SRHS 257

Viestejä: 1155
Sijainti: Halikko (Salo)
Re: Philips B5SF13A ja AG2009, korjaustyöstä juttua.
Vastaus #42 - 13.02.2026 klo 20:43:27
Tulosta viesti  
Heikki,

Hyvää työtä ja "silmänruokaa"!
Terv. Åke
  
Sivun alkuun
 
IP kirjattu
 
Heikki Rinnemaa
God Member
*****
Poissa



Viestejä: 794
Sijainti: tampere
Re: Philips B5SF13A ja AG2009, korjaustyöstä juttua.
Vastaus #43 - 26.02.2026 klo 09:41:29
Tulosta viesti  
Raapustelin vielä ulkomitat ja jalkojen reikämitat. Ne poikkeaa hieman toisistaan. Philips hieman isompi.

  

philips_fenno_jalat.jpg ( 257 KB | 16 latausta )
philips_fenno_jalat.jpg
Sivun alkuun
 
IP kirjattu
 
Heikki Rinnemaa
God Member
*****
Poissa



Viestejä: 794
Sijainti: tampere
Re: Philips B5SF13A ja AG2009, korjaustyöstä juttua.
Vastaus #44 - 26.02.2026 klo 09:42:04
Tulosta viesti  
Asemalasista vielä kuvat, Phlips hieman isompi. Muuten melkein samanlaisia.
  

philisp_fenno_lasit.JPG ( 110 KB | 19 latausta )
philisp_fenno_lasit.JPG
Sivun alkuun
 
IP kirjattu
 
Sivunvalintanappi Sivu: [1] 
Lähetä aiheTulosta