Valitse kieli:
English
Suomi
Tervetuloa, Vieras. Ole hyvä ja
kirjaudu
tai
Rekisteröidy
Koti
Ohjeita
Haku
Kirjaudu
Rekisteröidy
Liity SRHS:n jäseneksi
SRHS Forum
›
Suomen Radiohistoriallinen Seura ry - Keskustelufoorumi
›
Ulkomaiset radiot, televisiot ja äänentoistolaitteet
› Schaub Lorenz Savoy 59 sivukaiuttimet
‹
Edellinen aihe
|
Seuraava aihe
›
Sivu: 1
Lähetä aihe
Tulosta
Schaub Lorenz Savoy 59 sivukaiuttimet (Luettu 953 kertaa)
PertK
Full Member
Poissa
SRHS
Viestejä: 224
Schaub Lorenz Savoy 59 sivukaiuttimet
26.11.2025 klo 19:58:30
Tulosta viesti
Schaub Lorenzin elektrostaattiset sivukaiuttimet ovat mykkänä ja ajatuksena olisi vaihtaa ne Telefunkenin perua oleviin "normaaleihin" 5 ohmisiin kaiuttimiin. Jos tekee rinnankytkennän niihin ja 50uF bipolaarinen konkka siihen mukaan, niin miten tuo päätemuuntaja kestää. Sitä tässä nyt viisaammilta kyselen. Lisäkaiuttimen mahdollisuus takalevyssä näyttää olevan 4,5 ohmia.
Pertti
IP kirjattu
VjpA
God Member
Poissa
SRHS
Viestejä: 2679
Sijainti: Vantaa
Re: Schaub Lorenz Savoy 59 sivukaiuttimet
Vastaus #1 -
29.11.2025 klo 20:51:56
Tulosta viesti
Et sitten ajatellut yrittää korjausta?
https://www.radiohistoria.fi/cgi-bin/yabb2/YaBB.pl?num=1518214211/0#all
t. // Jukka
IP kirjattu
PertK
Full Member
Poissa
SRHS
Viestejä: 224
Re: Schaub Lorenz Savoy 59 sivukaiuttimet
Vastaus #2 -
29.11.2025 klo 21:09:19
Tulosta viesti
Kyllä purin toisen noista elektrostaateista. Vaikea olisi korjaus tehdä. Metallipinta siitä ohuesta kalvosta on osittain hävinnyt ja siellä takana oleva vaahtokumi on tuhansina murusina. Tuskin tulisi enää ainakaan edes tyydyttävästi toimivaa. Jospa jostain löytyisi vielä toimivat vastaavat.
Pertti
IP kirjattu
artosalo
God Member
Poissa
Viestejä: 2663
Sijainti: Perniö
Re: Schaub Lorenz Savoy 59 sivukaiuttimet
Vastaus #3 -
30.11.2025 klo 11:10:32
Tulosta viesti
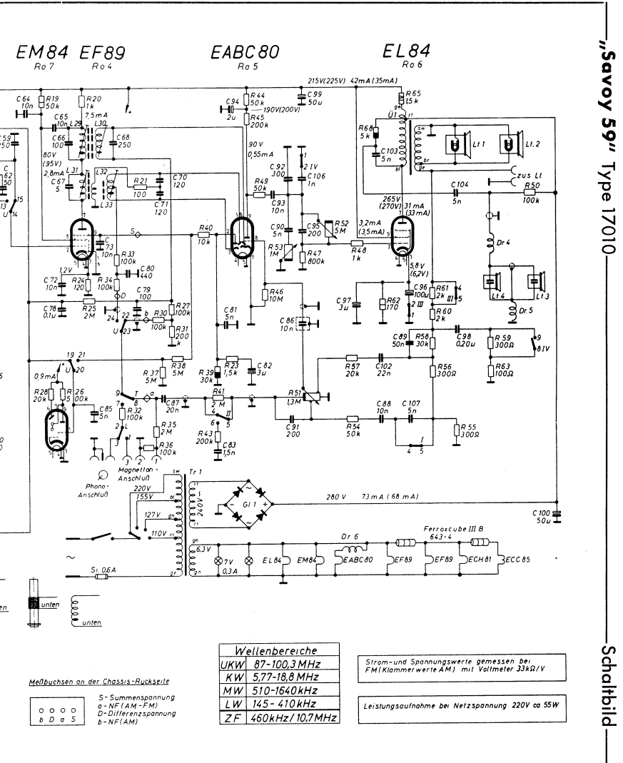
Onko pääteasteen kytkentäkaaviota laittaa tähän?
IP kirjattu
Mi
Senior Member
Poissa
SRHS #1066
Viestejä: 457
Sijainti: Vantaa
Re: Schaub Lorenz Savoy 59 sivukaiuttimet
Vastaus #4 -
30.11.2025 klo 12:13:07
Tulosta viesti
Koneelta löytyi Tefag kansiosta. mutta on ilmeisesti samasta radiosta kyse.
Savoy59.png
( 309 KB | 38 latausta )
IP kirjattu
jasonisti
God Member
Poissa
Viestejä: 772
Re: Schaub Lorenz Savoy 59 sivukaiuttimet
Vastaus #5 -
30.11.2025 klo 13:20:09
Tulosta viesti
Tällaiset näkyy olevan Radiomarketissa:
https://www.radiomarket.fi/en/kohde/ekum3472-12-cm-isophon-sth-13-diskantti-552/
Jos ovat toimivat niin ei pahan hintaiset. Itsellä on samat NOS ja testattu toimiviksi mutta hinta on jotain muuta.
IP kirjattu
artosalo
God Member
Poissa
Viestejä: 2663
Sijainti: Perniö
Re: Schaub Lorenz Savoy 59 sivukaiuttimet
Vastaus #6 -
30.11.2025 klo 19:04:59
Tulosta viesti
Lainaus:
Schaub Lorenzin elektrostaattiset sivukaiuttimet ovat mykkänä ja ajatuksena olisi vaihtaa ne Telefunkenin perua oleviin "normaaleihin" 5 ohmisiin kaiuttimiin. Jos tekee rinnankytkennän niihin ja 50uF bipolaarinen konkka siihen mukaan, niin miten tuo päätemuuntaja kestää.
Normaalit diskantit ovat pieniohmisia, joten ne pitää kytkeä päätemuuntajan toisioon.
Mutta ei niitä voi suoraan toision rinnalle kytkeä, vaan sopivan ylipäästösuodattimen kautta.
Tämä voi olla pelkkä kapasitanssi, mutta 50 µF on aivan liian suuri kapasitanssi.
Kokeile laittaa diskantit sarjaan (ei rinnan) ja syöttää niitä 5 µF kapasitanssin kautta. Silloin kulmataajuus on jossakin 3...5 kHz.
IP kirjattu
PertK
Full Member
Poissa
SRHS
Viestejä: 224
Re: Schaub Lorenz Savoy 59 sivukaiuttimet
Vastaus #7 -
30.11.2025 klo 20:09:16
Tulosta viesti
Kiitokset vastauksista. Nyt on hyvää tietoa, miten voisi kytkennän tehdä. Nuo radiomarketin elektrostaatit olisivat tietenkin hyvä vaihtoehto, jos vaan ovat toimivat. Kytkentäkaavio on juurikin sama mikä tuossa edellä on.
Pertti
IP kirjattu
PertK
Full Member
Poissa
SRHS
Viestejä: 224
Re: Schaub Lorenz Savoy 59 sivukaiuttimet
Vastaus #8 -
17.12.2025 klo 20:13:01
Tulosta viesti
Jatkan tähän samaan ketjuun, vaikka ongelma on nyt toinen. Kyse kuitenkin on tälläkin kertaa äänestä ja samasta radiosta. Nyt on sellainen vika, että ääni ei yhtään kestä matalien äänien nostoa. Kun bassosäädin on minimissä, ääni on hyvä, mutta pienikin basson lisäys tekee sen, että kaiutin alkaa "pörpöttää" ja ääni särkyy.
Kondensaattorit on vaihdettu, joten se asia on kunnossa. Syötin levysoitinliitännän kautta ääntä ulkopuolisesta lähteestä ja mitään ongelmaa ei ole, vaikka bassosäädin on maksimissa, joten pääteaste näyttäisi olevan kunnossa.
Mistähän päin tuota vikaa kannattaa lähteä hakemaan?
Pertti
IP kirjattu
Raimo Sjöberg
God Member
Poissa
SRHS #313
Viestejä: 1560
Sijainti: Espoo
Re: Schaub Lorenz Savoy 59 sivukaiuttimet
Vastaus #9 -
17.12.2025 klo 21:37:05
Tulosta viesti
Olisiko joku putkista mikrofoninen? Esim. ULA-alueen paikallisoskillaattoriputki (½ ECC85) voi aiheuttaa tuollaisen efektin.
Rami OH1AYG - OH2AUS
WWW
IP kirjattu
PertK
Full Member
Poissa
SRHS
Viestejä: 224
Re: Schaub Lorenz Savoy 59 sivukaiuttimet
Vastaus #10 -
18.12.2025 klo 10:33:32
Tulosta viesti
Olen vaihtanut putkia. Koko sarjan kerrallaan ja myös kokeillut yksittäin vaihtaen. Mitään havaittavaa muutosta ei tapahtunut. Saattaa olla hankalasti löydettävissä tuo vika.
Pertti
IP kirjattu
akenyh
God Member
Poissa
SRHS 257
Viestejä: 1155
Sijainti: Halikko (Salo)
Re: Schaub Lorenz Savoy 59 sivukaiuttimet
Vastaus #11 -
18.12.2025 klo 14:13:24
Tulosta viesti
PertK kirjoitti
18.12.2025 klo 10:33:32:
Saattaa olla hankalasti löydettävissä tuo vika.
Tarkista EABC80 triodin anodijännitteen suoto/ C94 -2uF ja C99/50uF.
Oletko tehnyt muutoksia päätemuuntajan toisiosta triodin hilalle menevään takaisinkytkentään?
terv. Åke
IP kirjattu
PertK
Full Member
Poissa
SRHS
Viestejä: 224
Re: Schaub Lorenz Savoy 59 sivukaiuttimet
Vastaus #12 -
18.12.2025 klo 20:47:48
Tulosta viesti
Tarkistin C94/2uF ja C99/50uF. Niiden vaihto ei tuonut tilanteeseen mitään muutosta. Tuohon takaisinkytkentään en ole tehnyt muutoksia.
Pertti
IP kirjattu
Sivu: 1
Lähetä aihe
Tulosta
‹
Edellinen aihe
|
Seuraava aihe
›
Foorumihyppy »
Koti
» 10 viimeisintä viestiä
» 10 viimeisintä aihetta
Suomen Radiohistoriallinen Seura ry - Keskustelufoorumi
Suomen Radiohistoriallinen Seura ry
Jäsenalue
Yleistä radiohistoriasta
Kotimaiset radiot, televisiot ja äänentoistolaitteet
Ulkomaiset radiot, televisiot ja äänentoistolaitteet ««
Muut radio- ja elektroniikkalaitteet
Entisöinti ja kunnostus yleisellä tasolla
Omatekoiset laitteet ja rakentelu
Sotilasradiot ja Perinneradiot
Yleinen keskustelualue
Niitä Näitä
Haku päällä
« Koti
‹ Alue
SRHS Forum
» Powered by
YaBB 2.6.12
!
YaBB Forum Software
© 2000-2026. Kaikki oikeudet pidätetään.