Kuuma aihe (Enemmän kuin 10 vastausta) Suhdeilmaisimen toiminta ja viritys (Luettu 1508 kertaa)
Moderaattori
Global Moderator
*****
Poissa


SRHS

Viestejä: 90
Sijainti: Hämeenlinna
Suhdeilmaisimen toiminta ja viritys
27.06.2025 klo 15:16:48
Tulosta viesti  
Siirsin viestit tuolta kiinteältä puolelta tänne, jotta varsinainen yhden tavan viritysartikkeli ei hukkuisi lääjempaan pohdintaan.
  
Sivun alkuun
 
IP kirjattu
 
Heikki Rinnemaa
God Member
*****
Poissa



Viestejä: 794
Sijainti: tampere
Re: Suhdeilmaisimen viritys
Vastaus #1 - 23.06.2025 klo 19:21:34
Tulosta viesti  
Jatkaisin tähän että vaikka on ohjeet tai mittalaitteet, jos ei ymmärrä suhdeilmaisimen toimintaa, säätäminen on silloin toimintaa ilman ymmärrystä. Hymiö

Koppasin ASA 820 suhdeilmaisin kaavion ja poistin epäoleelliset siitä.

Suhdeilmaisimen toimintaa selostetaan kyllä paljon vaihesiirrolla ja suuntavektoreilla, mikä on vaikea ymmärtää,,ainakin minulla. Törön kirjaa tankannut jonkin verran.

Voisiko asian ehkä kertoa selvemmin? Mitä tuossa piirissä tapahtuu?

Eikö tuo toisiokelan+konkan rinnankytkentä ole tavallaan resonanssipiiri, ja kun siihen kelan keskipisteeseen tuleva taajuus vaihtelee niin kelan keskipisteen jännite silloin muuttuu?

Ilman modulaatiota, siis 10,7MHz vakiotaajuudella jännite pysyy muuttumattomana.
Kun moduloitaan, siis muutellaan taajuutta niin sitä kautta jännite kyseisessä pisteessä vaihtelee.
Ja tämä jännite siten on sitä ulostulevaa äänitaajuutta.

Ehkä asian voisi joku selittää yksinkertaisemmin vielä,,,paremmin,,säädetään taajuusalue tulokela ja säädetään toisiokela keskelle kyseistä taajuusaluetta.
No sitten pitäisi olla taajuusmittari,, Hymiö


  

Sieppaa1_015.JPG ( 79 KB | 49 latausta )
Sieppaa1_015.JPG
Sivun alkuun
 
IP kirjattu
 
Heikki Rinnemaa
God Member
*****
Poissa



Viestejä: 794
Sijainti: tampere
Re: Suhdeilmaisimen viritys
Vastaus #2 - 24.06.2025 klo 15:20:03
Tulosta viesti  
Kiitos, hyvää tietoa.

  
Sivun alkuun
 
IP kirjattu
 
OH6LSL
God Member
*****
Poissa


SRHS

Viestejä: 901
Sijainti: Kokkola
Re: Suhdeilmaisimen viritys
Vastaus #3 - 25.06.2025 klo 09:01:27
Tulosta viesti  
Itse olen tehnyt lopullisen virityksen moduloidulla signaalilla. Tietenkin aluksi ilman modulaatiota, pitää tuo nollakohta virittää kohdilleen ja maksimi DC-tasoon. Mutta välitaajuuspurkit ja ilmaisimen hienosäätö 75kHz deviaatolla ja särömittarilla/korvalla särö minimiin.
Yleensä särön saa alle 2%, jopa alle 1%... Oma korva on hyvä apu, kannattaa harjoittaa. Kuulen alle 2% särön vielä, kun kääntelee päätä ja kuullostelee Hymiö

Mutta stabiili signaaligeneraattori on tarpeen. Radio-ohjelman ja omalla antennilla homma on aika hankalaa. Voi onnistuakkin, mutta lopputulos ei ole paras mahdollinen.

Janne
  

Janne OH6LSL
Sivun alkuun
WWW  
IP kirjattu
 
Heikki Rinnemaa
God Member
*****
Poissa



Viestejä: 794
Sijainti: tampere
Re: Suhdeilmaisimen viritys
Vastaus #4 - 27.06.2025 klo 09:19:20
Tulosta viesti  
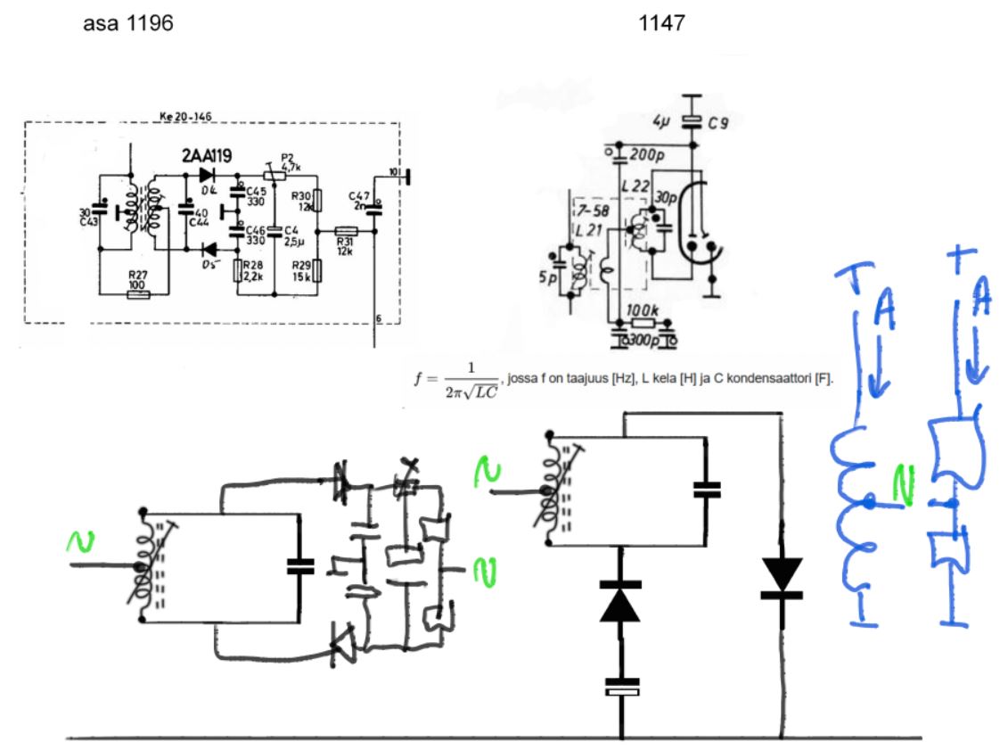
Raapustelin kuvan kun pohdin tuota toimintaa asa 1147 kuvan pohjalta.

Tulin siihen tulokseen että kyseessä on toisiossa yksinkertaisesti resonanssipiiri jossa kelan virta muuttuu taajuuden muuttuessa jolloin kelan keskipisteen jännite muuttuu samalla.
Yksinkertaisesti sanottuna, taajuus-jännitemuutos ilmenee tuossa kelan keskipisteessä.

Käsittääkseni kaistaleveys on tuossa resonanssipiirissä se mikä se on noilla komponenteilla eikä sinänsä säädy, vain kaistan keskipiste hieman siirto-säätyy kelaa säätämällä?

Ja ensiökelalla säädetään resonanssi 10,7MHz maksimi ulostuloon. Tässäkään ei kaistaleveys sinänsä muuttune.
Olettaen että ula- ja välitajuus on ok, niin suhdeilmaisimen ensiökelaa voinee säätää ilman välitaajuuteen puuttumista?
Ja sen jälkeen toisiokela keskelle,,,



Tuo uudempi asa on erilainen kun siinä kelan keskipiste on otettu ensiöpuolen kelaan,ja ulosotto tavallaan kelan yli,,no pitää pohtia,,,sitäkin,,.
  

2_032.JPG ( 76 KB | 43 latausta )
2_032.JPG
Sivun alkuun
 
IP kirjattu
 
artosalo
God Member
*****
Poissa



Viestejä: 2663
Sijainti: Perniö                
Re: Suhdeilmaisimen toiminta ja viritys
Vastaus #5 - 27.06.2025 klo 16:44:51
Tulosta viesti  
Täältä löytyy RCA:n perusteellinen artikkeli suhdeilmaisimen toiminnasta, sivulta 83 eteenpäin:

https://www.worldradiohistory.com/Archive-Company-Publications/Radiotronics/40s/...

Ja jos on halua tutustua laajemmin RCA:n radiotekniikkaa koskeviin historiallisiin artikkeleihin, niin tässä hakemisto:

https://www.worldradiohistory.com/ARCHIVE-RCA/RCA-Review/RCA-Technical-Papers-19...
  
Sivun alkuun
 
IP kirjattu
 
Heikki Rinnemaa
God Member
*****
Poissa



Viestejä: 794
Sijainti: tampere
Re: Suhdeilmaisimen toiminta ja viritys
Vastaus #6 - 28.06.2025 klo 09:08:31
Tulosta viesti  
Kiitos linkeistä, onkin mielenkiintoista tekstiä.

Täytyy tutustua vaikka mieluummin koetan pähkäillä usein itse asian selville, se kun rassaa aivosoluja enemmän kuin luetun opiskelu ja on opettavaista kun huomaa olevan väärässä tai joskus jopa oikeassakin oman pohdintansa suhteen. Hymiö
  
Sivun alkuun
 
IP kirjattu
 
Heikki Rinnemaa
God Member
*****
Poissa



Viestejä: 794
Sijainti: tampere
Re: Suhdeilmaisimen toiminta ja viritys
Vastaus #7 - 06.07.2025 klo 09:42:35
Tulosta viesti  
Raapustelin aiheesta taas kuvaa.

Ymmärtääkseni tuossa on kaksi virityspiiriä ja vasemmalla säädetään sitä että saataisiin maksimi teho ulos välitaajuudella.

Sitten oikeanpuoleinen virityspiiri haetaan tuon maksimitehon keskelle, että käyrät osuu yksiin.

Ulostulo otetaan sitten kelan keskeltä jonka jännite vaihtelee äänitaajuuden tahdissa, kuten resonanssipiirissä tapahtuu taajuuden vaihdellessa.

Tuo ulostulon pieni kela,joka on piirretty tulopuolen lähelle,,sitä en ymmärrä,,no vaimentanee jotakin,,

Mutta tuli mieleen myös että eikö tuo mittaus onnistuisi ilman vastuksiakin digitaalimittarilla, m1 maksimijännite ja m2 puolet siitä?

Entä jos kokeilee yhdellä, joutuu siirtämään toista mittarin johtoa säädön aikana mutta periaatteessa?


  

Sieppaa1_016.JPG ( 90 KB | 51 latausta )
Sieppaa1_016.JPG
Sivun alkuun
 
IP kirjattu
 
Raimo Sjöberg
God Member
*****
Poissa


SRHS #313

Viestejä: 1560
Sijainti: Espoo
Re: Suhdeilmaisimen toiminta ja viritys
Vastaus #8 - 06.07.2025 klo 15:13:51
Tulosta viesti  
Heikki Rinnemaa kirjoitti 06.07.2025 klo 09:42:35:
Tuo ulostulon pieni kela,joka on piirretty tulopuolen lähelle,,sitä en ymmärrä,,no vaimentanee jotakin,,


Kyllä sillä kelalla on ihan oleellinen merkitys ilmaisun kannalta. Kun taajuusmuutos aiheuttaa L18:ssa reaktanssin muutoksen, pysyy tuon lisäkäämin vaihe muuttumattomana ja siitä saadaan taajuusmuutokseen verrannollisia positiivisia tai negatiivisia jännitteitä. Eli siis ilmaistua pientaajuutta.
  

Rami  OH1AYG - OH2AUS
Sivun alkuun
WWW  
IP kirjattu
 
Heikki Rinnemaa
God Member
*****
Poissa



Viestejä: 794
Sijainti: tampere
Re: Suhdeilmaisimen toiminta ja viritys
Vastaus #9 - 07.07.2025 klo 18:35:25
Tulosta viesti  
Aukasin yhden kelapaketin ja näyttää tuossa olevan kuvan mukaisesti kytkentä.

Ulostulo tulee toisiopuolen kelalankojen keskipisteestä, eli ilmeisesti käämitty toisiokelat erikseen ja toiset päät tuotu tuohon nastaan yhdessä kun tulee kaksi johdinta.
Siitä sitten menee ensiöpuolen kelan päälle ja näkyy olevan 7 kierrosta pyöräytetty ja kytketty nastaan kuvassa takapuolelle ja siitä sitten tulee tuo äänisignaali ulos.


Tuosta ei vielä pysty sanomaan miten on käämitty ja miten virta/magneettivirta kulkee kun on päällä tuota mönjää.

Toisaalta mikä on sähkövirran siirtymismäärä kelojen välillä tai tuon ulostulon 7 kierroksen vaikutus että lisääkö se virtaa vaiko pienentääkö,,jne.

Ferriittisäätö näyttää vaikuttavan ensiöpuole viritykseen että tuohon ulostulon 7 kierroksen kelaan samaan aikaan.

Mielenkiintoinen kelayhdistelmä.

  

Sieppaa_078.JPG ( 120 KB | 43 latausta )
Sieppaa_078.JPG
Sivun alkuun
 
IP kirjattu
 
Heikki Rinnemaa
God Member
*****
Poissa



Viestejä: 794
Sijainti: tampere
Re: Suhdeilmaisimen toiminta ja viritys
Vastaus #10 - 27.02.2026 klo 10:20:30
Tulosta viesti  
Törön ula-kirjassa on tästä hyvä teksti, ehkä siitä on apua ymmärtämiseen.

Tuo vaihesiirtoasia jotenkin tätä monimutkaistaa, koska eihän elektronien määrä sinänsä ole sidoksissa mihinkään vaihesiirtoon, niitä vaan on joku määrä jollakin hetkellä.

Toisaalta elektronithan tulee ensiöpuolelta toisiopuolelle sekä rinnakytkennän kelaan että ulostulokelaan L3 joka on sarjapiiri C2 kanssa.

Mielenkiintoinen tuo kelojen kytkentä sinänsä, että miten ne elektronit loppujen lopuksi mennä jytkyttää minnekin.
  

si1.JPG ( 40 KB | 17 latausta )
si1.JPG
Sivun alkuun
 
IP kirjattu
 
Heikki Rinnemaa
God Member
*****
Poissa



Viestejä: 794
Sijainti: tampere
Re: Suhdeilmaisimen toiminta ja viritys
Vastaus #11 - 27.02.2026 klo 10:22:14
Tulosta viesti  
Tässä Törön ula-kirjasta kopioituna tuo suhdeilmaisin sivut.

Kertoo tarkkaan mitä tapahtuu jännitteissä ja virroissa.
  

kuva0001_001.pdf ( 395 KB | 54 latausta )
Sivun alkuun
 
IP kirjattu