Kuuma aihe (Enemmän kuin 10 vastausta) Dux Import/SA2016 (Luettu 1747 kertaa)
Vaari
Junior Member
**
Poissa



Viestejä: 64
Dux Import/SA2016
22.10.2024 klo 14:06:09
Tulosta viesti  
Olis tämmöinen Dux Import radio jossa on U sarjan putket ja jännitteen säätö on vain 127/220. jännitettä tulee liikaa esim. hehkuille n.70v pitäis olla n.35v. Kytkentä kaaviosta näkee että tuo 150ohn vastus on ohitettu voisko sen ottaa käyttöön? vai mitä tehdä?
  

dux2.jpg ( 91 KB | 63 latausta )
dux2.jpg
Sivun alkuun
 
IP kirjattu
 
Vaari
Junior Member
**
Poissa



Viestejä: 64
Re: Dux Import/SA2016
Vastaus #1 - 22.10.2024 klo 14:07:02
Tulosta viesti  
kykentäkaavio
  

dux3.jpg ( 87 KB | 77 latausta )
dux3.jpg
Sivun alkuun
 
IP kirjattu
 
Vaari
Junior Member
**
Poissa



Viestejä: 64
Re: Dux Import/SA2016
Vastaus #2 - 22.10.2024 klo 14:07:50
Tulosta viesti  
takakansi
  

dux1.jpg ( 97 KB | 64 latausta )
dux1.jpg
Sivun alkuun
 
IP kirjattu
 
Vaari
Junior Member
**
Poissa



Viestejä: 64
Re: Dux Import/SA2016
Vastaus #3 - 22.10.2024 klo 14:12:46
Tulosta viesti  
lähempää
  

dux4.jpg ( 97 KB | 78 latausta )
dux4.jpg
Sivun alkuun
 
IP kirjattu
 
LGL.
God Member
*****
Poissa



Viestejä: 1352
Re: Dux Import/SA2016
Vastaus #4 - 22.10.2024 klo 16:32:54
Tulosta viesti  
Jos katsot putkien spekseistä niin näille pitäisi tulla 168 V kun virta on 100 mA ja R4, R5,R6 vastuksien yli n 50 V. Katso että nuo NTC vastukset ovat kunnossa (R5,R6).

LGL
  
Sivun alkuun
 
IP kirjattu
 
akenyh
God Member
*****
Poissa


SRHS 257

Viestejä: 1155
Sijainti: Halikko (Salo)
Re: Dux Import/SA2016
Vastaus #5 - 22.10.2024 klo 21:11:13
Tulosta viesti  
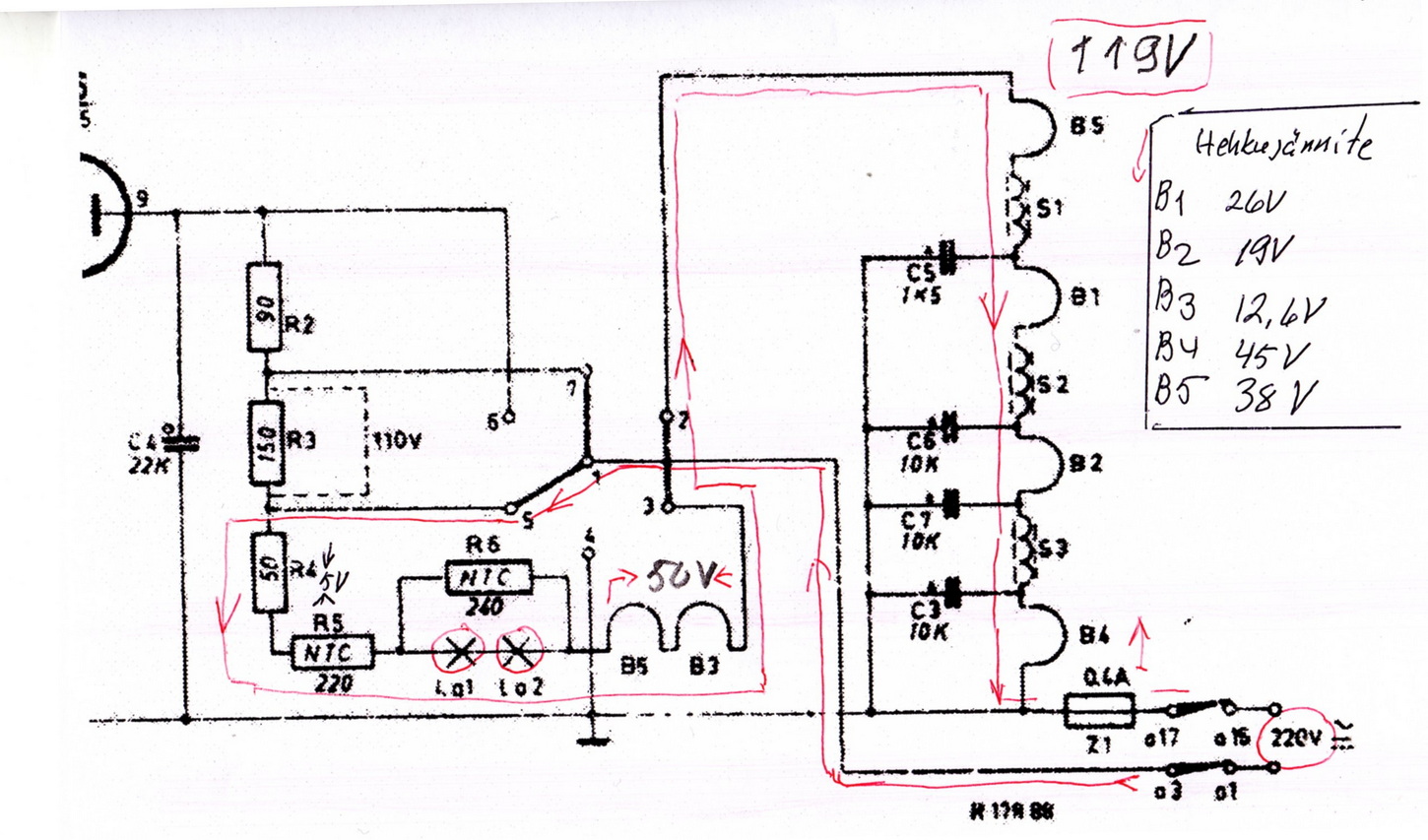
Kytkentäkaavio virtalähdeosassa on  kytkentä 220V jännitteelle valittuna. Liitekuvassa on hehkuketju selvennetty punaisella apuviivalla.
Putket ovat U sarjaa, joissa hehkuvirta on 100mA ja putkikohtainen hehkujännite vaihtelee ko. putken tarvitseman hehkutehon tarpeen mukaan
.
Putkia ketjussa on viisi ja näiden yhteinen jännite on 169V. Hehkuketjussa on lisäksi kaksi asteikkovalon polttimoa Lo1 ja Lo2 sarjassa ja niiden yli on NTC vastus R6. Vastus suojaa polttimoita (yhdessä R5:n kanssa), kun radioon kytkentää virta. Samoin, jos jompikumpi polttimo rikkoutuu  (palaa poikki), katkeaisi hehkuketju ilman ko. NTC vastusta. Tällöin sen lämpötila samalla nouse  vastusarvo pienenee.
Polttimoiden virta-arvo on tyypillisesti 100mA ja jännite usein 18V?

NTC vastuksen arvo ilmoitetaan yleensä n. 20-25 asteen lämpöisenä, joten R5 ja R6 arvot kaaviossa ovat näitä. Virta kytkettynä NTC lämpenee ja vastusarvo laskee.
R4/50ohm jännitehäviö on 5V, polttimot 36V ja putket 169V =210V joten R5 osalle jää 10V, eli yhteensä 220V.

Vastus R3 liittyy 127/110V verkkojännitteen kytkentöihin. Näissä hehkuketju on jaettu kahteen osaan.

(Mikäli 230-235V verkkojännitteellä halutaan hehkuketjun jännitettä laskea 10-15V, on se mahdollista R4;n avulla.)

Terv. Åke
**
  

Dux-SA2016U_hehkuketju095.jpg ( 314 KB | 67 latausta )
Dux-SA2016U_hehkuketju095.jpg
Sivun alkuun
 
IP kirjattu
 
Vaari
Junior Member
**
Poissa



Viestejä: 64
Re: Dux Import/SA2016
Vastaus #6 - 23.10.2024 klo 11:11:51
Tulosta viesti  
tarkistin ntc vastukset R5 1,75k pitäiskö olla 220 ohm? r6 8k pitäiskö olla 240 ohm? toimivat kyllä resistanssi laskee lämmetessä. ovatko rikki? ei tuommoisia saa mistään.
  
Sivun alkuun
 
IP kirjattu
 
akenyh
God Member
*****
Poissa


SRHS 257

Viestejä: 1155
Sijainti: Halikko (Salo)
Re: Dux Import/SA2016
Vastaus #7 - 23.10.2024 klo 15:06:32
Tulosta viesti  
Vaari kirjoitti 23.10.2024 klo 11:11:51:
tarkistin ntc vastukset R5 1,75k pitäiskö olla 220 ohm? r6 8k pitäiskö olla 240 ohm?


Löysin vanhan Philips datalehden, jossa on tietoja hehkuketjun suojavastuksista. Siitä selvisi, että kaaviossa olevat arvot R5/220ohm ja R6/240ohm ovat vastus toimintatilassa eikä kylmänä (25C) kuten yleensä ilmoitetaan.
Datassa on seuraavat tiedot:
a)Hehkuketju: 1750-3250ohm (25C)---- käyttötila->200-250ohm (100mA virta)
b) Lamppujen shuntti 3870-7750ohm(25C) ---käyttötila->60-90ohm (200mA virta). 100mA viralla vastusarvo on hieman suurempi kuten kaaviossakin on 240ohm.

Edellisen perusteella mittaamasi vastusarvot ovat oikealla tasolla.
Näin ollen jännite (100mA)viralla  R5 yli on n.22V

Onko radiossasi po. lamput kunnossa ja onko niissä jännitemerkintää? Oletin aiemassa viestissä jännitteeksi 18V/100mA .lla x2 =36V

Tarkista on radiosi kytkentä kaavion mukaisesti kytketty. Hehkuvirran saa selville mittaamalla esim. vastuksen R4 (50ohm) yli vaikuttavan jännitteen.
Huom. Virrat ja jännitteet ovat vaihtovirtoja (ac)!

Ilman erotusmuuntajaa työskentely yleisvirtavastaanottimen (kuten tämä) kanssa on vaarallista, sillä pistotulpan asennosta riippuen koneiston metalliosissa voi olla voi olla täysi verkkojännite 230V!!

Terv. Åke
  
Sivun alkuun
 
IP kirjattu
 
LGL.
God Member
*****
Poissa



Viestejä: 1352
Re: Dux Import/SA2016
Vastaus #8 - 23.10.2024 klo 15:52:22
Tulosta viesti  
Asteikklamput ovat tyypiltään 8089 D-00, tarkoittaen 12 volttia 100 mA.

LGL
  
Sivun alkuun
 
IP kirjattu
 
Vaari
Junior Member
**
Poissa



Viestejä: 64
Re: Dux Import/SA2016
Vastaus #9 - 23.10.2024 klo 16:04:36
Tulosta viesti  
LGL. kirjoitti 23.10.2024 klo 15:52:22:
Asteikklamput ovat tyypiltään 8089 D-00, tarkoittaen 12 volttia 100 mA.

LGL

lamput on 8097D eli 19v ,palavat kirkkaasti mutta nyt pitäää olla 12v Järkyttynyt ilmeisesti noissa ntc vastuksissa oli jotain
« Viimeksi muokattu: 23.10.2024 klo 19:23:48 Kirjoittaja Vaari »  
Sivun alkuun
 
IP kirjattu
 
Vaari
Junior Member
**
Poissa



Viestejä: 64
Re: Dux Import/SA2016
Vastaus #10 - 23.10.2024 klo 16:12:16
Tulosta viesti  
akenyh kirjoitti 23.10.2024 klo 15:06:32:
Vaari kirjoitti 23.10.2024 klo 11:11:51:
tarkistin ntc vastukset R5 1,75k pitäiskö olla 220 ohm? r6 8k pitäiskö olla 240 ohm?


Löysin vanhan Philips datalehden, jossa on tietoja hehkuketjun suojavastuksista. Siitä selvisi, että kaaviossa olevat arvot R5/220ohm ja R6/240ohm ovat vastus toimintatilassa eikä kylmänä (25C) kuten yleensä
OK kiitos tiedoista mutta toinen ntc katkesi kun irroitin sitä Epävarma
(R5). kävikö tilalle ylikuormitus ntc, ks.kuva? ei vaan löydy heti 220ohm. jos laittais pienemmän sarjavastuksen kanssa?

Terv. Åke

  

ntcylikuormitussuoja40ohm5a.jpg ( 7 KB | 52 latausta )
ntcylikuormitussuoja40ohm5a.jpg
Sivun alkuun
 
IP kirjattu
 
Raimo Sjöberg
God Member
*****
Poissa


SRHS #313

Viestejä: 1560
Sijainti: Espoo
Re: Dux Import/SA2016
Vastaus #11 - 23.10.2024 klo 17:09:13
Tulosta viesti  
Mielenkiinnosta ryhdyin mittailemaan kahta romppeistosta löytynyttä NTC-vastusta. Isomman resistanssi n. 22C lämmössä on luokkaa 2,7k ja pienemmän 1k.

100mA:n vakiovirralla jännitteet asettuvat tasoille 18V ja 10V vastaten resistansseja 180 ohmia ja 100 ohmia. Aika suuri muutos, lämpötilaa en pysty käyttötilassa mittaamaan, mutta sillä liene ei merkitystä, koska virta oli vakio 100mA. Tehohäviöt noissa ovat 1,8W ja 1W.
  

20241023_165922.jpg ( 135 KB | 60 latausta )
20241023_165922.jpg

Rami  OH1AYG - OH2AUS
Sivun alkuun
WWW  
IP kirjattu
 
Vaari
Junior Member
**
Poissa



Viestejä: 64
Re: Dux Import/SA2016
Vastaus #12 - 23.10.2024 klo 18:45:56
Tulosta viesti  
Että näin Hymiö Mahtava
Tuossa muuten näkyy 750ohm teho vastus joka ei mene minnekään voiskohan sen ottaa sarjaan hehkujen kanssa
  

IMG_2688.jpg ( 104 KB | 62 latausta )
IMG_2688.jpg
Sivun alkuun
 
IP kirjattu
 
Vaari
Junior Member
**
Poissa



Viestejä: 64
Re: Dux Import/SA2016
Vastaus #13 - 23.10.2024 klo 19:41:10
Tulosta viesti  
No nyt on jännitteet kohdillaan en tiedä oliko noissa ntc vastuksissa jotain ??? ja nuo polttimot sai vaihtaa 12v:siin.
Kiitokset kaikille avusta en olisi selvinnyt omin päin Hymiö
  
Sivun alkuun
 
IP kirjattu