Valitse kieli:
English
Suomi
Tervetuloa, Vieras. Ole hyvä ja
kirjaudu
tai
Rekisteröidy
Koti
Ohjeita
Haku
Kirjaudu
Rekisteröidy
Liity SRHS:n jäseneksi
SRHS Forum
›
Suomen Radiohistoriallinen Seura ry - Keskustelufoorumi
›
Ulkomaiset radiot, televisiot ja äänentoistolaitteet
› Grundig 5195 stereo hurisee
‹
Edellinen aihe
|
Seuraava aihe
›
Sivu: 1
Lähetä aihe
Tulosta
Grundig 5195 stereo hurisee (Luettu 929 kertaa)
Ville-Matti
God Member
Poissa
SRSH<br />
Viestejä: 898
Grundig 5195 stereo hurisee
07.04.2024 klo 08:54:45
Tulosta viesti
Hei,
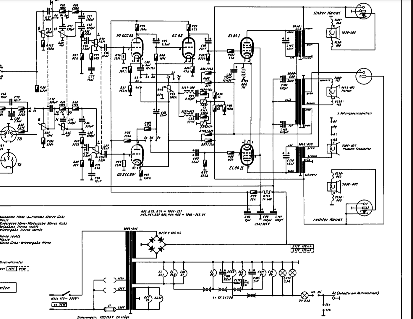
Grundig 5195 hurisee melko kuuluvasti. Hurina alkaa vasta silloin, kun putket ovat lämmenneet ja radio alkaa kuulua. Kaikki elkot ja konkat on uusittu, enkä onnistunut paikallistamaan kytkentävirheitä. ECC83:n irrottaessa hurina loppuu. Toista putkeakin olen kokeillut. Olisiko kenelläkään vinkkejä, mihin kohtaan voisi kokeilla juottaa lisäelkoa suotoa parantamaan? 8 uF:n elkon kokoa ECC83:n anodisuodossa olen koittanut suurentaa, mutta sillä ei ole vaikutusta suuntaan tai toiseen.
Screenshot_2024-04-07-08-47-25-73_e2d5b3f32b79de1d45acd1fad96fbb0f.jpg
( 413 KB | 68 latausta )
WWW
IP kirjattu
Jukka Rajala
God Member
Poissa
SRHS
Viestejä: 1466
Sijainti: Helsinki
Re: Grundig 5195 stereo hurisee
Vastaus #1 -
07.04.2024 klo 10:12:09
Tulosta viesti
Mitens jännitteet anodipiirissä? Antaako seleeni sen verran mitä kaavioon on merkitty?
Seleenitasuri mahdollisesti tiensä päässä?
IP kirjattu
OH2EO
God Member
Poissa
SRHS
Viestejä: 1120
Re: Grundig 5195 stereo hurisee
Vastaus #2 -
07.04.2024 klo 12:49:28
Tulosta viesti
Onko se varmasti 100Hz eli anodijännitteestä? Vaiko 50Hz jostain huonosta suojauksesta tai maadoituksesta johtuen.
IP kirjattu
Ville-Matti
God Member
Poissa
SRSH<br />
Viestejä: 898
Re: Grundig 5195 stereo hurisee
Vastaus #3 -
07.04.2024 klo 13:13:09
Tulosta viesti
Kiitos vastauksista. Laitan mitaten, mitä tasuri pukkaa ulos. Muistaakseni mittasin sen joskus, ja jännitettä tuli riittävästi. Mutta en nyt enää muista.
Hurina on mielestäni 50 Hz. Epäilyttää muutenkin ECC83:n sijainti koneessa, sillä se on ihan verkkomuuntajan käämin vieressä. Putkella on suojahattu, mutta sen pois ottamisella ei ole vaikutusta hurinaan. Kun putken ottaa irti, hurina lakkaa.
WWW
IP kirjattu
jasonisti
God Member
Poissa
Viestejä: 772
Re: Grundig 5195 stereo hurisee
Vastaus #4 -
07.04.2024 klo 13:24:44
Tulosta viesti
Pätevä sovellus kännykkään on Spectrum, löytyy useanlaisia sovelluskaupasta. Sillä näkee mikä hurinan taajuus on. Itse kuuntelen sillä heinäsirkkoja....
Useasti näissä hurinaongelmissa korjataan vian vaikutusta, ei itse vikaa. Aikoinaan, kun laite on suunniteltu toimivaksi tietyllä suodatuksella, pitää sen toimia edelleen hyvin kun suodatus on korvattu saman arvoisilla komponenteilla. Jos joutuu kasvattamaan konkkien arvoja, jotta hurina vähenee, on korjattu vian vaikutusta. Esim. vuorovaihepääteasteen putkien kunto vaikuttaa 100Hz:n hurinaan. Toisen putken emission ollessa huonompi ei päätemuuntajassa tapahdukaan rippelikomponentin kumoutumista. Konkkia kasvattamalla ongelma korjaantuu, vika jää.
IP kirjattu
Sivu: 1
Lähetä aihe
Tulosta
‹
Edellinen aihe
|
Seuraava aihe
›
Foorumihyppy »
Koti
» 10 viimeisintä viestiä
» 10 viimeisintä aihetta
Suomen Radiohistoriallinen Seura ry - Keskustelufoorumi
Suomen Radiohistoriallinen Seura ry
Jäsenalue
Yleistä radiohistoriasta
Kotimaiset radiot, televisiot ja äänentoistolaitteet
Ulkomaiset radiot, televisiot ja äänentoistolaitteet ««
Muut radio- ja elektroniikkalaitteet
Entisöinti ja kunnostus yleisellä tasolla
Omatekoiset laitteet ja rakentelu
Sotilasradiot ja Perinneradiot
Yleinen keskustelualue
Niitä Näitä
Haku päällä
« Koti
‹ Alue
SRHS Forum
» Powered by
YaBB 2.6.12
!
YaBB Forum Software
© 2000-2026. Kaikki oikeudet pidätetään.