Valitse kieli:
English
Suomi
Tervetuloa, Vieras. Ole hyvä ja
kirjaudu
tai
Rekisteröidy
Koti
Ohjeita
Haku
Kirjaudu
Rekisteröidy
Liity SRHS:n jäseneksi
SRHS Forum
›
Suomen Radiohistoriallinen Seura ry - Keskustelufoorumi
›
Kotimaiset radiot, televisiot ja äänentoistolaitteet
› Salora 572 V kunnostusprojekti.
‹
Edellinen aihe
|
Seuraava aihe
›
Sivu: 1
Lähetä aihe
Tulosta
Salora 572 V kunnostusprojekti. (Luettu 3979 kertaa)
Heikki Rinnemaa
God Member
Poissa
Viestejä: 794
Sijainti: tampere
Salora 572 V kunnostusprojekti.
11.04.2022 klo 19:46:03
Tulosta viesti
Otin kirpparilta talteen Saloran olympivuoden mallin, josko siitä saisi entisöityä vielä radion. Löytyi uudestaan piirretty kaavio saloran nettisivujen tietokannasta.
Onkohon kenelläkään alkuperäistä kaaviota ja vaikkapa huolto/säätöohjetta skannattuna?
No, puhdistus tehty tässä vaiheessa, lasi ehjä ja nupit kauniit kun sai lian pois. Seuraavaksi onkin sitten putkien ja muuntajien testaus ja sitten konkkien kimppuun.
koteloa joutuu työstämään ja kankaan uusimaan.
Päivitän projektin etenemisestä jahka se etenee.
s1.JPG
( 154 KB | 121 latausta )
IP kirjattu
Heikki Rinnemaa
God Member
Poissa
Viestejä: 794
Sijainti: tampere
Re: Salora 572 V kunnostusprojekti.
Vastaus #1 -
11.04.2022 klo 19:46:27
Tulosta viesti
Ja koneisto avattuna.
s2.JPG
( 178 KB | 128 latausta )
IP kirjattu
Heikki Rinnemaa
God Member
Poissa
Viestejä: 794
Sijainti: tampere
Re: Salora 572 V kunnostusprojekti.
Vastaus #2 -
11.04.2022 klo 19:48:14
Tulosta viesti
Ja sisältä ennen koneiston poisottoa ja imurointia,,,,pölyä siedettävä määrä,,
s3.JPG
( 179 KB | 131 latausta )
IP kirjattu
Heikki Rinnemaa
God Member
Poissa
Viestejä: 794
Sijainti: tampere
Re: Salora 572 V kunnostusprojekti.
Vastaus #3 -
29.04.2022 klo 08:05:05
Tulosta viesti
Projekti etenee,
Kotelon lakkaa en lähtenyt poistamaan kun viilu näytti olevan aika ohut, joten hioin hieman pientan paklausten kera ja lakkasin pariin kertaan sekä maalasin valkealla tuon reunan. Lakkauksien välillä kevyt tasoitushionta. Kangas piti vaihtaa kun vanha oli niin huono että ei saanut pestyä. Ruskea väri ei ehkä ihan paras,,vaalea olisi ehkä ollut parempi, no tällä mennään.
kotelo1.JPG
( 101 KB | 119 latausta )
IP kirjattu
Heikki Rinnemaa
God Member
Poissa
Viestejä: 794
Sijainti: tampere
Re: Salora 572 V kunnostusprojekti.
Vastaus #4 -
29.04.2022 klo 08:08:31
Tulosta viesti
Ennen vanhaa on sovelletty osia mistä on löytynyt sopiva, eli kekseliäisyyttä suunnittelijat osanneet käyttää, on ollut vielä taito hyppysissä soveltaa, ei ole kaikki ollut ja tullut tietokoneen muistista valmiina.
Asemanosoittimelle oli löytynyt akseli pyörän pinnasta.
Ja sitten alkaa koneiston kunnostus,,laittelen kuvia taas jahka on valmista.
pinnaakseli.JPG
( 101 KB | 126 latausta )
IP kirjattu
Maja
God Member
Poissa
SRHS 478
Viestejä: 3372
Sijainti: Lounais-Suomi
Re: Salora 572 V kunnostusprojekti.
Vastaus #5 -
30.04.2022 klo 12:34:53
Tulosta viesti
Tästä mallista on ollut näköjään keskustelua aiemminkin...
http://www.radiohistoria.fi/cgi-bin/yabb2/YaBB.pl?num=1202997393/5
Markku
«
Viimeksi muokattu: 30.04.2022 klo 23:16:05 Kirjoittaja Maja
»
IP kirjattu
Heikki Rinnemaa
God Member
Poissa
Viestejä: 794
Sijainti: tampere
Re: Salora 572 V kunnostusprojekti.
Vastaus #6 -
19.05.2022 klo 19:38:20
Tulosta viesti
Siitäpä se sitten pikkuhiljaa korjaantu. Konkat joutui uusimaan, paitsi pari levykonkkaa.
Kaksi vastusta, muut oli lähellä arvojaan.
Kaikki putket toimi tyydyttävästi, kyllä ne kestää näköjään aikaa. Onhan tuosta 70 vuotta kun ne on koneeseen laitettu sisälle. Olettaen että olivat alkuperäisiä philipsin putkia.
Sitten se virtapotikka.
konkat_001.JPG
( 186 KB | 105 latausta )
IP kirjattu
Heikki Rinnemaa
God Member
Poissa
Viestejä: 794
Sijainti: tampere
Re: Salora 572 V kunnostusprojekti.
Vastaus #7 -
19.05.2022 klo 19:39:04
Tulosta viesti
potikka.
Pauli sen sitten sai korjattua vanhan potikan kun ei uutta vanhaa löytynyt, kiitos.
potikka.JPG
( 24 KB | 106 latausta )
IP kirjattu
Heikki Rinnemaa
God Member
Poissa
Viestejä: 794
Sijainti: tampere
Re: Salora 572 V kunnostusprojekti.
Vastaus #8 -
19.05.2022 klo 19:40:34
Tulosta viesti
Ja tässä valmiina pakettina.
Kaikki alueet toimii mittalähettimellä (äänimoduloituna) ja parin metrin antennilangalla muutama puhelähetyskin kuuluu maailmalta.
valmis.JPG
( 130 KB | 121 latausta )
IP kirjattu
Heikki Rinnemaa
God Member
Poissa
Viestejä: 794
Sijainti: tampere
Re: Salora 572 V kunnostusprojekti.
Vastaus #9 -
19.05.2022 klo 19:41:49
Tulosta viesti
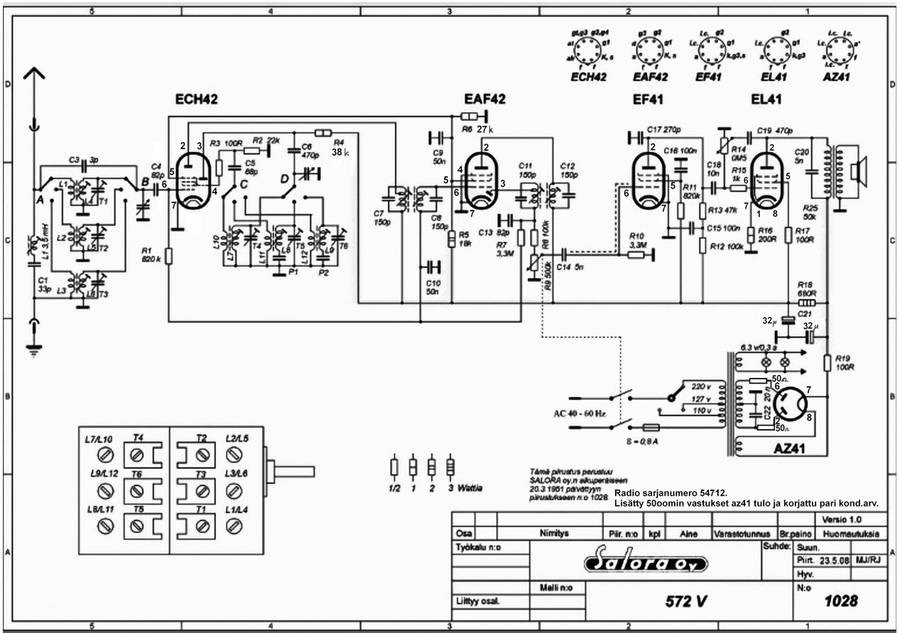
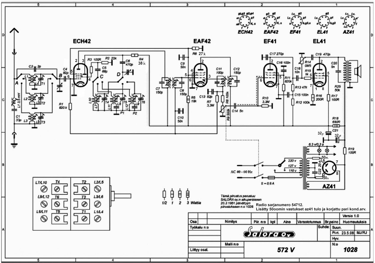
Kaaviota vähän täydensin kun oli pari konkaa eri arvoilla laitettu mitä alkuperäinen kuva pyysi ja tuonne muuntajan etupuolelle oli tehtaalla lisätty 50oomin vastukset, niitä ei ollut alkuperäisessä kaaviossa.
kaavio_001.JPG
( 163 KB | 129 latausta )
IP kirjattu
Heikki Rinnemaa
God Member
Poissa
Viestejä: 794
Sijainti: tampere
Re: Salora 572 V kunnostusprojekti.
Vastaus #10 -
20.05.2022 klo 08:51:50
Tulosta viesti
Otin pienen videon vielä radiosta.
Mittalähetin RPS 3302, johon ulkoiseen modulaation sisääntuloon kytkin denver cd-kelloradion.
Mittalähettimestä sitten antenniliitännän kautta am-taajuutta, tässä tapauksessa 1000kHz, eli noin noin 300metrin aalto.
videö pitäisi näkyä täältä
https://drive.google.com/file/d/1LAo7VmwcmoQr8f0ZyL2oFrBc1zJoQdYw/view?usp=shari...
IP kirjattu
Sivu: 1
Lähetä aihe
Tulosta
‹
Edellinen aihe
|
Seuraava aihe
›
Foorumihyppy »
Koti
» 10 viimeisintä viestiä
» 10 viimeisintä aihetta
Suomen Radiohistoriallinen Seura ry - Keskustelufoorumi
Suomen Radiohistoriallinen Seura ry
Jäsenalue
Yleistä radiohistoriasta
Kotimaiset radiot, televisiot ja äänentoistolaitteet ««
Ulkomaiset radiot, televisiot ja äänentoistolaitteet
Muut radio- ja elektroniikkalaitteet
Entisöinti ja kunnostus yleisellä tasolla
Omatekoiset laitteet ja rakentelu
Sotilasradiot ja Perinneradiot
Yleinen keskustelualue
Niitä Näitä
Haku päällä
« Koti
‹ Alue
SRHS Forum
» Powered by
YaBB 2.6.12
!
YaBB Forum Software
© 2000-2026. Kaikki oikeudet pidätetään.