Valitse kieli:
English
Suomi
Tervetuloa, Vieras. Ole hyvä ja
kirjaudu
tai
Rekisteröidy
Koti
Ohjeita
Haku
Kirjaudu
Rekisteröidy
Liity SRHS:n jäseneksi
SRHS Forum
›
Suomen Radiohistoriallinen Seura ry - Keskustelufoorumi
›
Ulkomaiset radiot, televisiot ja äänentoistolaitteet
› Datsun Autoradio mysteeri
‹
Edellinen aihe
|
Seuraava aihe
›
Sivu: 1
Lähetä aihe
Tulosta
Datsun Autoradio mysteeri (Luettu 1852 kertaa)
pekmatval
God Member
Poissa
Viestejä: 2012
Datsun Autoradio mysteeri
18.01.2022 klo 22:44:35
Tulosta viesti
Datsun radio lienee jokin Clarion. Kytkentää en löytänyt. Myyjän mukaan toimivana irroitettu. Tarua oli tuo väite. Varovasti startaten ilman kaiutinta selvisi, että Virtaa ottaa hallitusti, Mutta mitään ei kuulu. Siisti ja kompakti mono vehje.
pieni_1_006.jpg
( 206 KB | 143 latausta )
sisus_pddltd_001.jpg
( 275 KB | 140 latausta )
IP kirjattu
pekmatval
God Member
Poissa
Viestejä: 2012
Re: Datsun Autoradio mysteeri
Vastaus #1 -
18.01.2022 klo 22:53:44
Tulosta viesti
Nopeasti mitaten tuon HA1322C piirin mistään pinnistä ei löydy DC/2 jännitettä. Siis rikki. Kytkin erillisen vahvistimen vol potikan keskinastaan ja sieltä tuli puhdas ääni. Radio-osa toimii hienosti.
Tuon päätepiirin voisi ostaa noin 10'llä plus 10 kuljetukseen. Mutta sen vaihtaminen vaatisi radion purkamisen atomeiksi. Se ei motivoi.
Aikani kuluksi rakensin melko vastaavasta? piiristä BA521 (joita oli laatikossa 5kpl) tilalle toisen pääteasteen. Hiukan vaati taiteilua rakennella uusi pääte sopimaan ahtaaseen tilaan. Ohessa pari kuvaa.
proto_irti.jpg
( 217 KB | 150 latausta )
pddte_asennettu.jpg
( 145 KB | 139 latausta )
IP kirjattu
pekmatval
God Member
Poissa
Viestejä: 2012
Re: Datsun Autoradio mysteeri
Vastaus #2 -
18.01.2022 klo 23:04:25
Tulosta viesti
Ohessa kuva vanhasta ja uudesta piiristä. Sattumalta ovat aikalailla samanlaisia.
BA5212 piirillä oli taipumus värähdellä. En keksinyt muuta ratkaisua, kuin muuttaa 22pf konkka reilusti suuremmaksi. Noin 150pf alkoi riittämään. Silloin vielä lähdön sini oli siistiä 20kHz taajuudella. Särö tuolla vahvistimella on noin 1,5%. Ulos tulee 4Vrms. Kykennnän 68ohm vastus määrittää vahvistuksen. Muutin tuon vastuksen arvoon 680ohm ja silloin Radiosta tulevalla signaalilla (ULA) vol potikan ollessa tapissa vahvistimen lähdössä keikkuu koko käytettävissä oleva 12Vpp.
Koekuuntelussa selvisi, että radio löytää kanavia hyvin ja ääni on erittäin puhdas. Hyvä autoradio!
vanha_ja_uusi_piiri.png
( 53 KB | 140 latausta )
IP kirjattu
Samul 696
YaBB Newbies
Poissa
Viestejä: 1
Re: Datsun Autoradio mysteeri
Vastaus #3 -
25.02.2026 klo 20:19:08
Tulosta viesti
Mulla on tämä sama radio
Muuten toimii hyvin mutta polttimo palaa ainoastaan silloin jos Kanava on täysin kohdallaan ja ääni täysillä
Onko tämä vika vai ominaisuus?
Ja semmosen huomasin jos ottaa tuon polttimon pois niin radio sammuu
IP kirjattu
Mi
Senior Member
Poissa
SRHS #1066
Viestejä: 457
Sijainti: Vantaa
Re: Datsun Autoradio mysteeri
Vastaus #4 -
27.02.2026 klo 06:35:28
Tulosta viesti
Tuossa saattaa olla samanlainen kytkentä kuin joissakin Asan radioissa eli jännitteet otetaan asteikkovalon kautta. Selittäisi ainakin miksi mykistyy, jos lampun ottaa pois.
Samul 696 kirjoitti
25.02.2026 klo 20:19:08:
polttimo palaa ainoastaan silloin jos Kanava on täysin kohdallaan ja ääni täysillä
Onko tämä vika vai ominaisuus?
Tuskin ominaisuus. Eihän tuossa olisi mitään järkeä?
Vaikea tietysti sanoa ilman kytkentäkaaviota, mutta itse ainakin tarkastaisin polttimon. Minkä kokoinen (sähköisesti) ja onko tuohon tehty jotakin omia virityksiä?
IP kirjattu
VjpA
God Member
Poissa
SRHS
Viestejä: 2679
Sijainti: Vantaa
Re: Datsun Autoradio mysteeri
Vastaus #5 -
27.02.2026 klo 18:58:31
Tulosta viesti
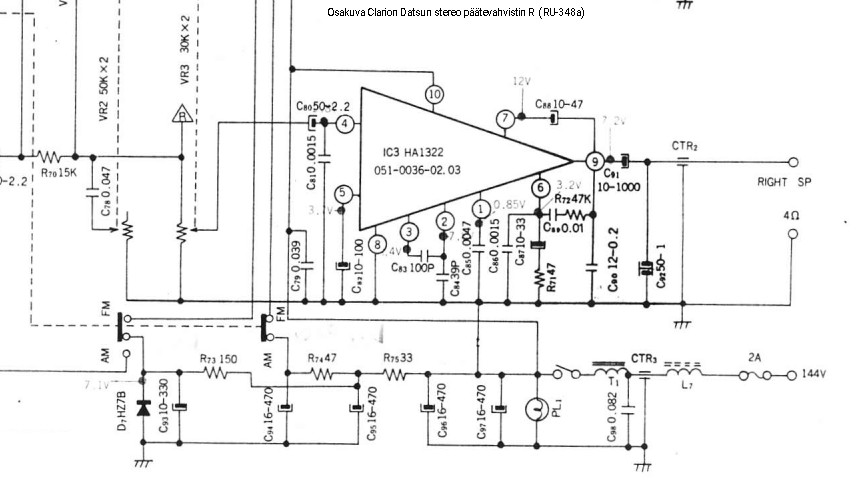
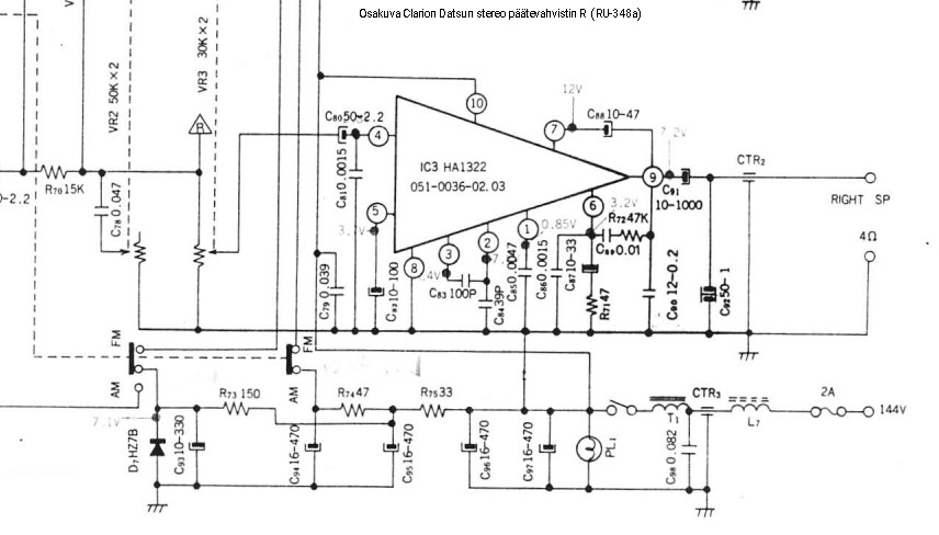
En löytänyt ko autoradion huoltomanuaalia, mutta stereovehkeen kaavion saa haulla. Liitteen kuva on stereon päätevahvistinpiiristä joka on sama, kun Pekan radiossa.
Clarion RU-348a osakuvassa on myös jännitteet, tosin näkyvä heikosti.
manuska löytyy:
https://elektrotanya.com/clarion_ru-348a_b_sm.pdf/download.html
Clarion_RU-348a_osakuva.jpeg
( 70 KB | 13 latausta )
t. // Jukka
IP kirjattu
Sivu: 1
Lähetä aihe
Tulosta
‹
Edellinen aihe
|
Seuraava aihe
›
Foorumihyppy »
Koti
» 10 viimeisintä viestiä
» 10 viimeisintä aihetta
Suomen Radiohistoriallinen Seura ry - Keskustelufoorumi
Suomen Radiohistoriallinen Seura ry
Jäsenalue
Yleistä radiohistoriasta
Kotimaiset radiot, televisiot ja äänentoistolaitteet
Ulkomaiset radiot, televisiot ja äänentoistolaitteet ««
Muut radio- ja elektroniikkalaitteet
Entisöinti ja kunnostus yleisellä tasolla
Omatekoiset laitteet ja rakentelu
Sotilasradiot ja Perinneradiot
Yleinen keskustelualue
Niitä Näitä
Haku päällä
« Koti
‹ Alue
SRHS Forum
» Powered by
YaBB 2.6.12
!
YaBB Forum Software
© 2000-2026. Kaikki oikeudet pidätetään.