Normaali aihe Philips B4SF83A, huolto. (Luettu 1791 kertaa)
Heikki Rinnemaa
God Member
*****
Poissa



Viestejä: 794
Sijainti: tampere
Philips B4SF83A, huolto.
02.01.2022 klo 20:29:49
Tulosta viesti  
Hymiö

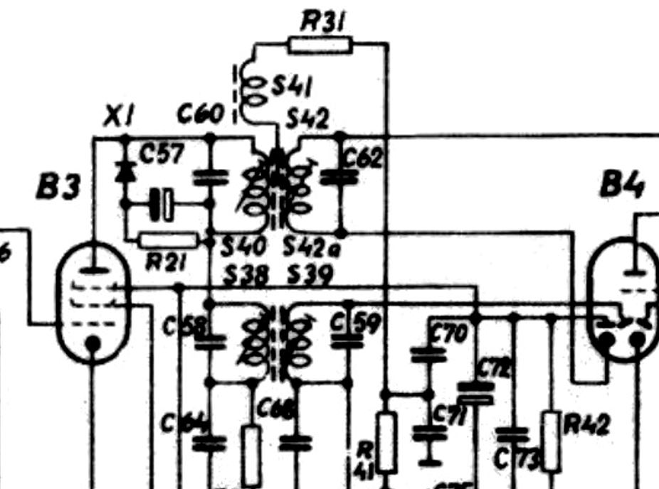
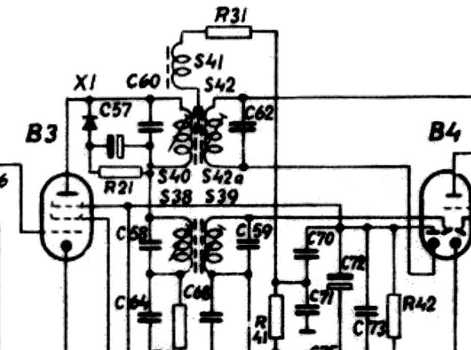
Laitteen piirikaaviossa on diodi-elko-vastus konkkakytkentä suhdeilmaisimen kelan ensiöpuolella, X1-C57R21 kaaviossa.

Osaako joku kertoa mikä ajatus tuolla diodileikkurilla on tuossa?
  

d.JPG ( 82 KB | 134 latausta )
d.JPG
Sivun alkuun
 
IP kirjattu
 
Wattiville
Junior Member
**
Poissa



Viestejä: 65
Re: Philips B4SF83A, huolto.
Vastaus #1 - 03.01.2022 klo 00:12:42
Tulosta viesti  
Philipsin 21kx100a telkkarissa oli ääni-ilmaisimessa tuo sama kytkentä. Lohkokaaviossa "Noise UM" nimellä.
Eli piiri leikkaa FM-ilmaisimelle pyrkiviä amplitudi-vaihteluita. Hymiö
  

2022-01-02_at_23-30-43.jpg ( 51 KB | 122 latausta )
2022-01-02_at_23-30-43.jpg
Sivun alkuun
 
IP kirjattu
 
Wattiville
Junior Member
**
Poissa



Viestejä: 65
Re: Philips B4SF83A, huolto.
Vastaus #2 - 03.01.2022 klo 11:04:53
Tulosta viesti  
  
Sivun alkuun
 
IP kirjattu
 
Heikki Rinnemaa
God Member
*****
Poissa



Viestejä: 794
Sijainti: tampere
Re: Philips B4SF83A, huolto.
Vastaus #3 - 04.01.2022 klo 21:30:22
Tulosta viesti  
Kiitos tiedoista ja linkistä, pitääpä lueskennella ja jossain välissä skoopilla katella diodin toimintaa.

Laitteen sain toimimaan kelvollisesti. Etupaneeli pitää ehkä vielä maalata kevyesti.

Puhdistin laitteen ja voitelin asemamekanismin rullat ja säätökonkkien akselinpäitä. Uusia osia, EABC80, EM80, merkkivalo, el84 hilavastus + konkka, sekä muutama äänipiirin konkka. Ja totta kai, hapetunnut lasiputkisulakkeen kannan puhdistus ja uusi sulake.
Elkot kumma kyllä oli vielä ok.

Äänen taajuuden säätö toimii tässä mallissa vain silloin kun on keskipainike äänentaajuusnäppäimillä painettuna. Muuten  mennään laitimmaisilla painikkeilla aika minimaalisesti.
Levysoitinliitäntä menee päälle kun painetaan LV ja Kv painikkeet alas. Säästetty yksi painike.  Hymiö

Mutta, taas yksi laite sai henkensä takaisin.  Hymiö
  

1_018.JPG ( 82 KB | 130 latausta )
1_018.JPG
Sivun alkuun
 
IP kirjattu
 
Heikki Rinnemaa
God Member
*****
Poissa



Viestejä: 794
Sijainti: tampere
Re: Philips B4SF83A, huolto.
Vastaus #4 - 04.01.2022 klo 21:32:37
Tulosta viesti  
Kuva vielä koneistosta edestä päin.
  

2_014.JPG ( 141 KB | 121 latausta )
2_014.JPG
Sivun alkuun
 
IP kirjattu