Valitse kieli:
English
Suomi
Tervetuloa, Vieras. Ole hyvä ja
kirjaudu
tai
Rekisteröidy
Koti
Ohjeita
Haku
Kirjaudu
Rekisteröidy
Liity SRHS:n jäseneksi
SRHS Forum
›
Suomen Radiohistoriallinen Seura ry - Keskustelufoorumi
›
Ulkomaiset radiot, televisiot ja äänentoistolaitteet
› Luksusta v. 1950
‹
Edellinen aihe
|
Seuraava aihe
›
Sivu: 1
Lähetä aihe
Tulosta
Luksusta v. 1950 (Luettu 2838 kertaa)
IlpoJaakko
God Member
Poissa
SRHS
Viestejä: 868
Luksusta v. 1950
15.10.2021 klo 19:50:58
Tulosta viesti
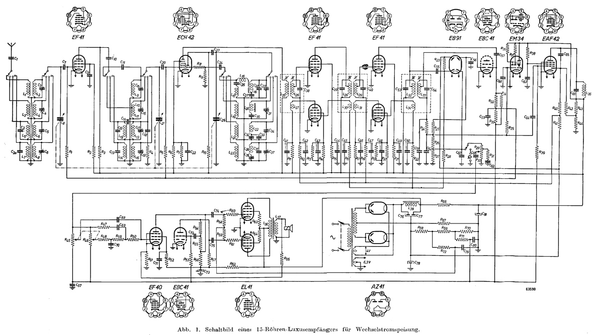
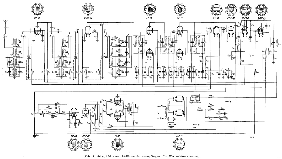
On putki poikineen, kaikilla herkuilla.
Luksus.jpg
( 296 KB | 181 latausta )
IP kirjattu
Raimo Sjöberg
God Member
Poissa
SRHS #313
Viestejä: 1565
Sijainti: Espoo
Re: Luksusta v. 1950
Vastaus #1 -
15.10.2021 klo 21:04:58
Tulosta viesti
Näköjään 2kpl Q-kertojia välitaajuusasteissa selektiivisyyttä parantamassa.
Rami OH1AYG - OH2AUS
WWW
IP kirjattu
artosalo
God Member
Poissa
Viestejä: 2665
Sijainti: Perniö
Re: Luksusta v. 1950
Vastaus #2 -
15.10.2021 klo 21:12:36
Tulosta viesti
Mikä merkki ja malli?
IP kirjattu
IlpoJaakko
God Member
Poissa
SRHS
Viestejä: 868
Re: Luksusta v. 1950
Vastaus #3 -
16.10.2021 klo 00:47:46
Tulosta viesti
Skema on Philipsin datakirjasta v. 1952. Kirjassa tarkka selostus saksalaiseen tapaan 15 sivua. Jopa VT-muuntajien konstruktio kuvattu. Radiolla ei ole mitään tyyppinimeä. Ehkä ei ole ollut sarjavalmistuksessa.
IP kirjattu
IlpoJaakko
God Member
Poissa
SRHS
Viestejä: 868
Re: Luksusta v. 1950
Vastaus #4 -
16.10.2021 klo 13:53:32
Tulosta viesti
Skema on tässä kirjassa. Täytyy joskus syventyä tuohon tekstiin.
Kirjassa on melko perusteellisesti datat Rimlockputkista, jotka silloin olivat uusinta tekniikkaa.
Philips1952_datakirja.jpg
( 257 KB | 159 latausta )
IP kirjattu
LGL.
God Member
Poissa
Viestejä: 1354
Re: Luksusta v. 1950
Vastaus #5 -
16.10.2021 klo 15:54:28
Tulosta viesti
Kirja on mielenkiintoinen ja se on ladattavissa englanninkielisenä tästä URL:stä
https://tubedata.itchurch.org/sheets/046/suppinfo/Philips_ElectronicValves_BookI...
LGL
IP kirjattu
OH2EO
God Member
Poissa
SRHS
Viestejä: 1120
Re: Luksusta v. 1950
Vastaus #6 -
16.10.2021 klo 16:53:43
Tulosta viesti
LGL. kirjoitti
16.10.2021 klo 15:54:28:
Kirja on mielenkiintoinen ja se on ladattavissa englanninkielisenä tästä URL:stä
https://tubedata.itchurch.org/sheets/046/suppinfo/Philips_ElectronicValves_BookI...
LGL
Kiitos vinkistä LGL! Mielenkiintoista luettavaa.
IP kirjattu
OH2EO
God Member
Poissa
SRHS
Viestejä: 1120
Re: Luksusta v. 1950
Vastaus #7 -
16.10.2021 klo 16:56:25
Tulosta viesti
Raimo Sjöberg kirjoitti
15.10.2021 klo 21:04:58:
Näköjään 2kpl Q-kertojia välitaajuusasteissa selektiivisyyttä parantamassa.
Oikein automaattisesti säätyvä kaistanleveys, eli heikolla signaalilla kapeampi kaista.
IP kirjattu
Sivu: 1
Lähetä aihe
Tulosta
‹
Edellinen aihe
|
Seuraava aihe
›
Foorumihyppy »
Koti
» 10 viimeisintä viestiä
» 10 viimeisintä aihetta
Suomen Radiohistoriallinen Seura ry - Keskustelufoorumi
Suomen Radiohistoriallinen Seura ry
Jäsenalue
Yleistä radiohistoriasta
Kotimaiset radiot, televisiot ja äänentoistolaitteet
Ulkomaiset radiot, televisiot ja äänentoistolaitteet ««
Muut radio- ja elektroniikkalaitteet
Entisöinti ja kunnostus yleisellä tasolla
Omatekoiset laitteet ja rakentelu
Sotilasradiot ja Perinneradiot
Yleinen keskustelualue
Niitä Näitä
Haku päällä
« Koti
‹ Alue
SRHS Forum
» Powered by
YaBB 2.6.12
!
YaBB Forum Software
© 2000-2026. Kaikki oikeudet pidätetään.