Valitse kieli:
English
Suomi
Tervetuloa, Vieras. Ole hyvä ja
kirjaudu
tai
Rekisteröidy
Koti
Ohjeita
Haku
Kirjaudu
Rekisteröidy
Liity SRHS:n jäseneksi
SRHS Forum
›
Suomen Radiohistoriallinen Seura ry - Keskustelufoorumi
›
Kotimaiset radiot, televisiot ja äänentoistolaitteet
› Asa 833 äänenvoimakkuus ongelma
‹
Edellinen aihe
|
Seuraava aihe
›
Sivu: 1
Lähetä aihe
Tulosta
Asa 833 äänenvoimakkuus ongelma (Luettu 1673 kertaa)
jala
Senior Member
Poissa
SRHS
Viestejä: 428
Asa 833 äänenvoimakkuus ongelma
01.02.2021 klo 18:52:05
Tulosta viesti
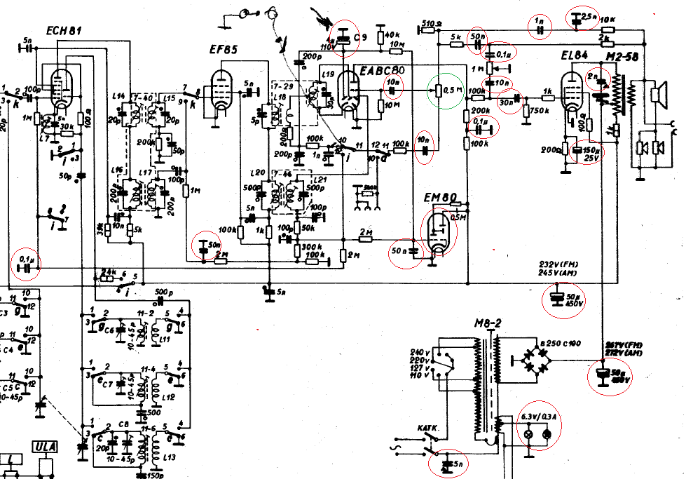
Vikaa pukkaa…äänenvoimakkuusongelmaa, Radio toimii muuten, mutta säädettäessä äänenvoimakkuuden minimiin, ääni jää HÄIRITSEVÄN VOIMAKKAAKSI, levysoitinliitännästä ääni on hiukan pienempi.
Volume- sekä äänenväri pot. putsattu ja todettu toimivaksi. Konkat vaihdettu ja vastukset toleranssi arvoissa. Mitä reittiä ääni pääsee kulkemaan kaiuttimiin, kun volume on minimissä. Mikä vian voi aiheuttaa? Apua kaivataan.
Asa_osakuva1a.png
( 114 KB | 172 latausta )
IP kirjattu
Raimo Sjöberg
God Member
Poissa
SRHS #313
Viestejä: 1561
Sijainti: Espoo
Re: Asa 833 äänenvoimakkuus ongelma
Vastaus #1 -
01.02.2021 klo 19:11:22
Tulosta viesti
Tuossa on volumepotikan kylmään päähän sijoitettu 510 ohmin vastus vastakytkentää varteen. Vaikka se on vain luokkaa 0,1% potikan resistanssista, minimivoimakkuus saattaa silti jäädä liian suurelle tasolle.
Rami OH1AYG - OH2AUS
WWW
IP kirjattu
jala
Senior Member
Poissa
SRHS
Viestejä: 428
Re: Asa 833 äänenvoimakkuus ongelma
Vastaus #2 -
01.02.2021 klo 20:30:23
Tulosta viesti
Voiko tuon 510 ohmin vastuksen pienentää ja kuinka pieneksi?
IP kirjattu
artosalo
God Member
Poissa
Viestejä: 2663
Sijainti: Perniö
Re: Asa 833 äänenvoimakkuus ongelma
Vastaus #3 -
01.02.2021 klo 20:48:23
Tulosta viesti
Oikosulje tuo 510 ohminen vastus. Jos vielä tämänkin jälkeen kuuluu minimiasennossa ääni, on vika potikassa, tai ei ainakaan aiheudu tuosta vastuksesta.
IP kirjattu
Sivu: 1
Lähetä aihe
Tulosta
‹
Edellinen aihe
|
Seuraava aihe
›
Foorumihyppy »
Koti
» 10 viimeisintä viestiä
» 10 viimeisintä aihetta
Suomen Radiohistoriallinen Seura ry - Keskustelufoorumi
Suomen Radiohistoriallinen Seura ry
Jäsenalue
Yleistä radiohistoriasta
Kotimaiset radiot, televisiot ja äänentoistolaitteet ««
Ulkomaiset radiot, televisiot ja äänentoistolaitteet
Muut radio- ja elektroniikkalaitteet
Entisöinti ja kunnostus yleisellä tasolla
Omatekoiset laitteet ja rakentelu
Sotilasradiot ja Perinneradiot
Yleinen keskustelualue
Niitä Näitä
Haku päällä
« Koti
‹ Alue
SRHS Forum
» Powered by
YaBB 2.6.12
!
YaBB Forum Software
© 2000-2026. Kaikki oikeudet pidätetään.