Valitse kieli:
English
Suomi
Tervetuloa, Vieras. Ole hyvä ja
kirjaudu
tai
Rekisteröidy
Koti
Ohjeita
Haku
Kirjaudu
Rekisteröidy
Liity SRHS:n jäseneksi
SRHS Forum
›
Suomen Radiohistoriallinen Seura ry - Keskustelufoorumi
›
Ulkomaiset radiot, televisiot ja äänentoistolaitteet
› Dux Typ V 381 kytkenkäkaavio
‹
Edellinen aihe
|
Seuraava aihe
›
Sivu: 1
Lähetä aihe
Tulosta
Dux Typ V 381 kytkenkäkaavio (Luettu 1656 kertaa)
Timo Haveri
God Member
Poissa
Viestejä: 2962
Sijainti: Parkano
Dux Typ V 381 kytkenkäkaavio
21.11.2020 klo 23:37:51
Tulosta viesti
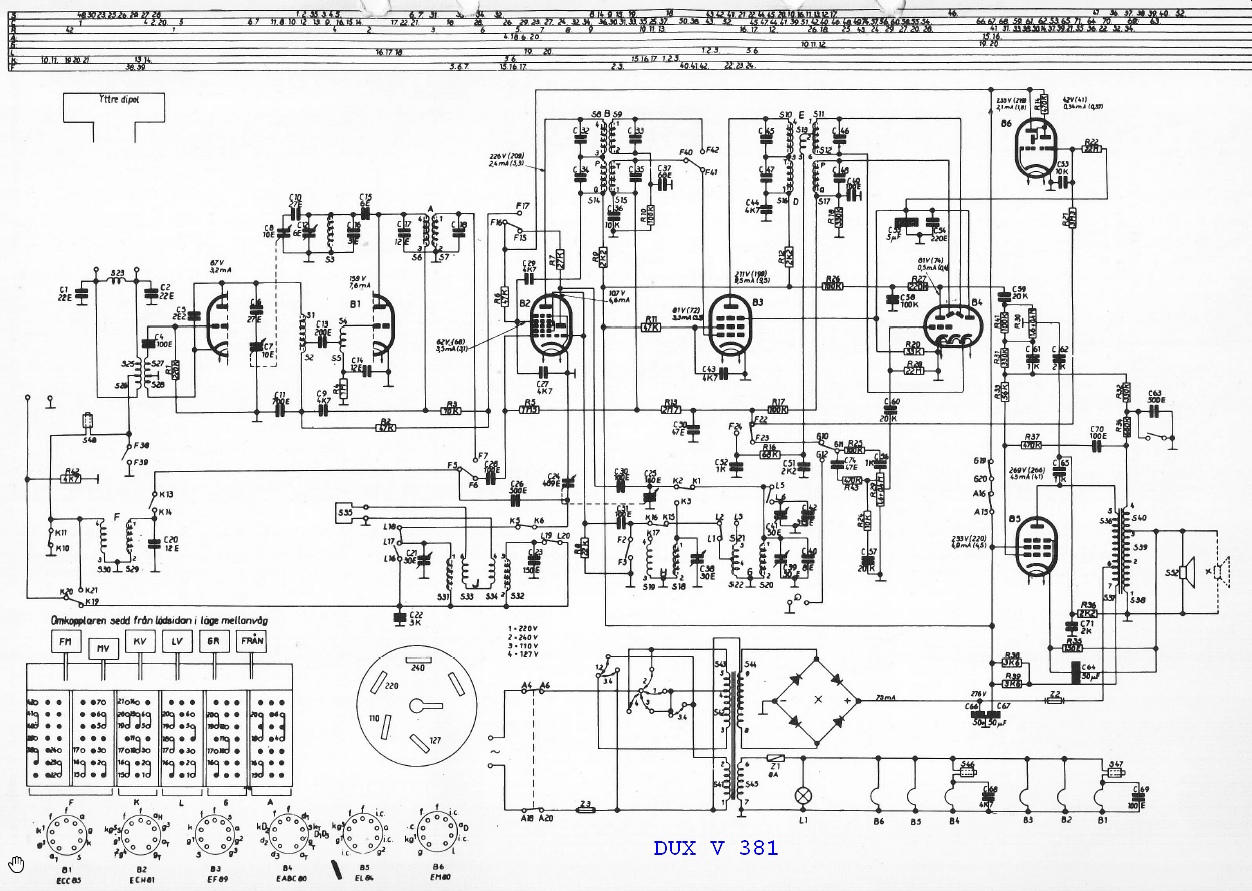
Otsikon mukainen radio on korjattavana ja kyllä se jo soikin mutta äänensävyn säädöt eivät ole oikein hyvät. Vähän on tukkoinen ääni eikä se mene kokonaan nollaan volumesäätimestä. Kytkennät tuntuvat muutenkin vähän tavanomaisesta poikkeavilta joten olisi kiva tutkia kytkentäkaaviota. Selvä Philipsihän tämä on vaikka vähän erojakin on tyypilliseen Philipsiin.
WWW
IP kirjattu
LGL.
God Member
Poissa
Viestejä: 1352
Re: Dux Typ V 381 kytkenkäkaavio
Vastaus #1 -
22.11.2020 klo 12:42:40
Tulosta viesti
Here you are:
DUX_V_381_schem.jpg
( 416 KB | 190 latausta )
IP kirjattu
Timo Haveri
God Member
Poissa
Viestejä: 2962
Sijainti: Parkano
Re: Dux Typ V 381 kytkenkäkaavio
Vastaus #2 -
22.11.2020 klo 14:03:04
Tulosta viesti
Kiitos!
WWW
IP kirjattu
Sivu: 1
Lähetä aihe
Tulosta
‹
Edellinen aihe
|
Seuraava aihe
›
Foorumihyppy »
Koti
» 10 viimeisintä viestiä
» 10 viimeisintä aihetta
Suomen Radiohistoriallinen Seura ry - Keskustelufoorumi
Suomen Radiohistoriallinen Seura ry
Jäsenalue
Yleistä radiohistoriasta
Kotimaiset radiot, televisiot ja äänentoistolaitteet
Ulkomaiset radiot, televisiot ja äänentoistolaitteet ««
Muut radio- ja elektroniikkalaitteet
Entisöinti ja kunnostus yleisellä tasolla
Omatekoiset laitteet ja rakentelu
Sotilasradiot ja Perinneradiot
Yleinen keskustelualue
Niitä Näitä
Haku päällä
« Koti
‹ Alue
SRHS Forum
» Powered by
YaBB 2.6.12
!
YaBB Forum Software
© 2000-2026. Kaikki oikeudet pidätetään.