Valitse kieli:
English
Suomi
Tervetuloa, Vieras. Ole hyvä ja
kirjaudu
tai
Rekisteröidy
Koti
Ohjeita
Haku
Kirjaudu
Rekisteröidy
Liity SRHS:n jäseneksi
SRHS Forum
›
Suomen Radiohistoriallinen Seura ry - Keskustelufoorumi
›
Kotimaiset radiot, televisiot ja äänentoistolaitteet
› Salora Riviera 58
‹
Edellinen aihe
|
Seuraava aihe
›
Sivu: 1
Lähetä aihe
Tulosta
Salora Riviera 58 (Luettu 4659 kertaa)
RaimoL
Junior Member
Poissa
Viestejä: 52
Sijainti: Hki
Salora Riviera 58
19.10.2020 klo 12:35:48
Tulosta viesti
Heip,
Uutta projektia pukkaa,tällainen löytyi ...Salora Riviera 58. Ulkoisesti kuin uusi,mutta kondensaattori rempalla pitänee lähteä liikkeelle.
Onko kytkentäkaavio Riviera 57 ja tämän 58 mallin kohdalla sama,näin taidettiin foorumilla kertoa kun haulla asiaa selvittelin?
Tuon 57 mallin kykentäkaavio ja osaluettelo ym minulta löytyykin....kiitos Åke
Eroja näyttäisi olevan ainakin asteikkolasissa,jossa taajuudet alkavat vasemmalta nousten oikealla,57 mallissa oli toisin päin.
Yksi selvä vika on,viritetty asema ensin kuuluu,mutta hetken kuluttua se alkaa vaimenemaan ja tulee sitten taas takaisin itsekseen....(Ecc85 ???)
Onkohan tätä joskus pintakäsitelty,väri näyttään niin vaalealta,ohessa muutama kuvajainen laitteesta.
«
Viimeksi muokattu: 20.10.2020 klo 09:21:53 Kirjoittaja RaimoL
»
Salora_1_001.jpg
( 71 KB | 250 latausta )
Salora_2_001.jpg
( 56 KB | 230 latausta )
IP kirjattu
Markus Hautaniemi
God Member
Poissa
SRHS 81
Viestejä: 2588
Sijainti: Kokkola
Re: Salora Riviera 58
Vastaus #1 -
19.10.2020 klo 16:40:13
Tulosta viesti
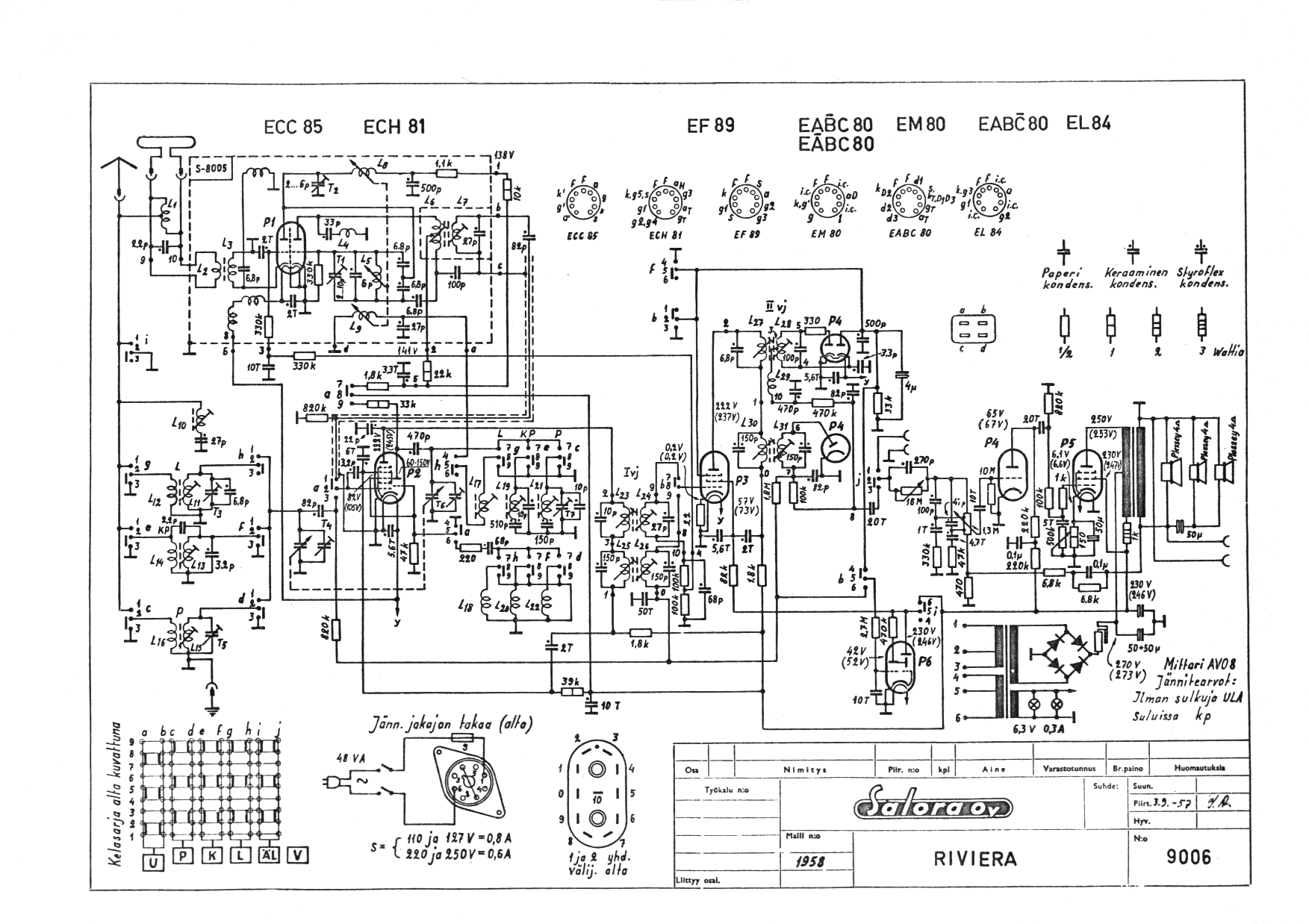
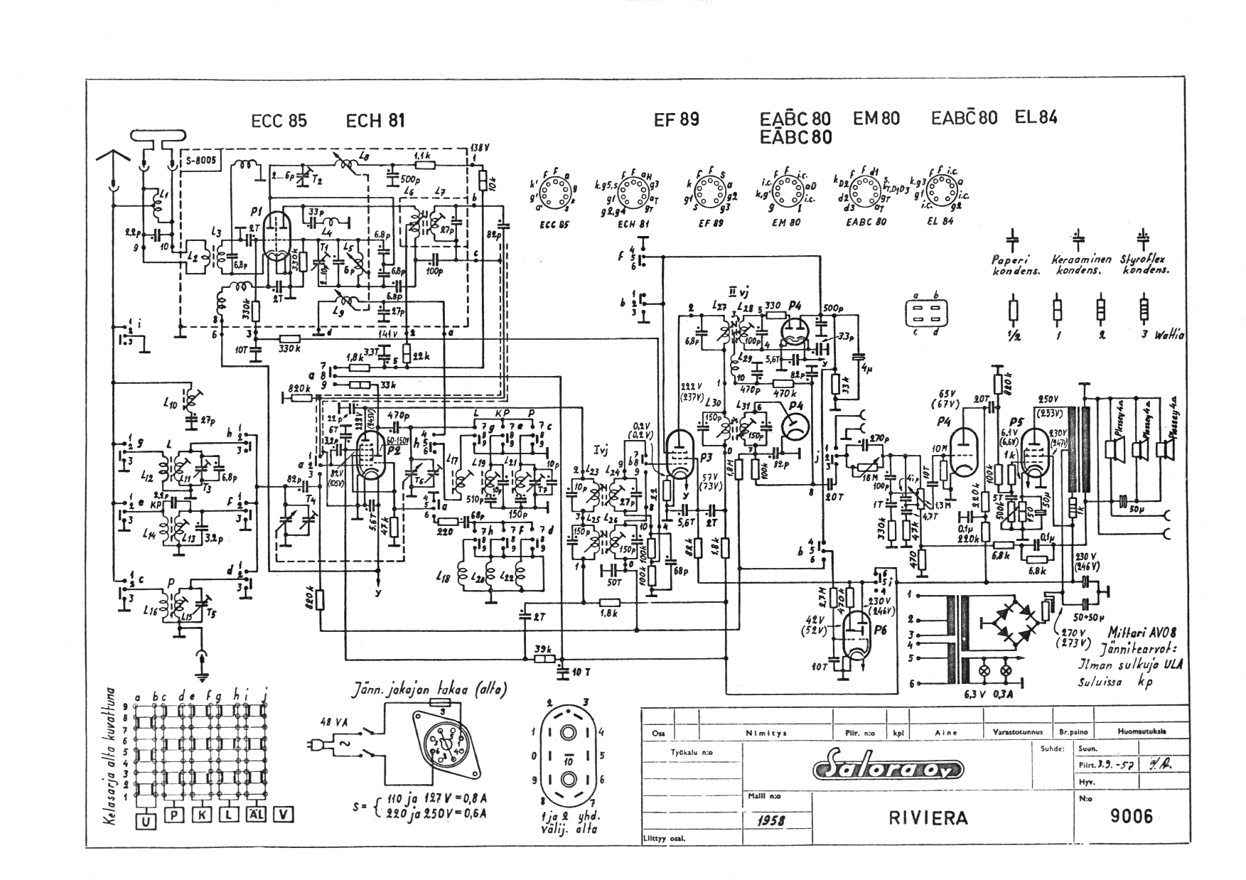
Ohessa kytkentäkaavio, jossa lukee 1958. Sen voisi olettaa olevan vuoden 1958 kytkentäkaavio.
Salora_Riviera_iso.gif
( 468 KB | 372 latausta )
WWW
IP kirjattu
RaimoL
Junior Member
Poissa
Viestejä: 52
Sijainti: Hki
Re: Salora Riviera 58
Vastaus #2 -
20.10.2020 klo 08:53:25
Tulosta viesti
Markus Hautaniemi kirjoitti
19.10.2020 klo 16:40:13:
Ohessa kytkentäkaavio, jossa lukee 1958. Sen voisi olettaa olevan vuoden 1958 kytkentäkaavio.
Jospa näin ....oletamme....tällä kertaa...
Haku ruutuun kun laittaa otsikon radion niin sieltä tulee miljoona sivua mutta löytynee se sieltäkin.
Kiittäen RaimoL
IP kirjattu
Markus Hautaniemi
God Member
Poissa
SRHS 81
Viestejä: 2588
Sijainti: Kokkola
Re: Salora Riviera 58
Vastaus #3 -
20.10.2020 klo 09:29:12
Tulosta viesti
RaimoL kirjoitti
20.10.2020 klo 08:53:25:
Markus Hautaniemi kirjoitti
19.10.2020 klo 16:40:13:
Ohessa kytkentäkaavio, jossa lukee 1958. Sen voisi olettaa olevan vuoden 1958 kytkentäkaavio.
Jospa näin ....oletamme....tällä kertaa...
Haku ruutuun kun laittaa otsikon radion niin sieltä tulee miljoona sivua mutta löytynee se sieltäkin.
Kiittäen RaimoL
Kiitos kiitoksista.
WWW
IP kirjattu
raimoj
God Member
Poissa
SRSH
Viestejä: 884
Re: Salora Riviera 58
Vastaus #4 -
20.10.2020 klo 11:38:12
Tulosta viesti
Kyllä se on Riviera 58:n kytkentäkaavio. Tuolta löytyy löytyy linkit kaikkiin Riviera putkiradioitten kytkentäkaavioihin
http://salora.name/radiot/mallisto/kytkent%E4kaaviot.htm
Kelaa sivua alaspäin niin Rivierat tulevat vastaan ja klikkaamalla sarakkeen 6 X:ää avautuvat kytkentäkaaviot.
IP kirjattu
RaimoL
Junior Member
Poissa
Viestejä: 52
Sijainti: Hki
Re: Salora Riviera 58
Vastaus #5 -
02.11.2020 klo 09:40:41
Tulosta viesti
Morgen.. ja kiitos..
Se alkaisi Salora olemaan valmis,tosin viritetyn aseman vaeltaminen / vaimeneminen on ollut ongelma. Mutta siihen on nyt apua tullut ulakytkimen rassaamisesta,eli nopeasta liikuttelusta päälle pois. Olisko kulumaa / hapettumaa...mikään purkaminen ei tule kysymykseen mutta jokin suihke ehkä...
RaimoL
IP kirjattu
VjpA
God Member
Poissa
SRHS
Viestejä: 2679
Sijainti: Vantaa
Re: Salora Riviera 58
Vastaus #6 -
02.11.2020 klo 16:18:49
Tulosta viesti
Kaksi ainetta, joita olen käyttänyt puhdistukseen ja huoltoon ovat: elektroniikkaspray (isopropanooli) on ns. kuivapuhdistusaine, koska se haihtuu pois -sitä kannattaa tarjota aluksi.
Seuraavaksi käytän PRF7-78 suihketta, joka on voiteleva puhdistusaine ja jättää ohuen voitelevan ja suojaavan kalvon kytkinpinnoille. Muillakin valmistajilla on vastaavia dödöjä.
Kuvassa on Luxorin ula-kytkinpakan kontaktit, joissa näkyy hopeoiduissa pinnoissa kulumajälkiä ja vastapelurin kontaktit olivat messinkiä. näihin tehosi hyvin nuo mainitsemani suihkeet.
Tässä tapauksessa jouduin taistelemaan näiden kytkimien kanssa, kun tuo palikka pompsati pois paikoiltaan - tämä kytkinkoneisto on vähän heikkolaatuinen ja olen nähnyt noita vain Helvarissa ja tässä Luxoritassa.
kontaktit_001.jpg
( 151 KB | 211 latausta )
t. // Jukka
IP kirjattu
RaimoL
Junior Member
Poissa
Viestejä: 52
Sijainti: Hki
Re: Salora Riviera 58
Vastaus #7 -
12.11.2020 klo 07:26:46
Tulosta viesti
Morgen...
Juu ei vaimene / vaella enää,viritetty ula asema pysyy nyt kohdillaan. Mitä ilmeisimmin kosketushäiriö kytkimellä,koska sen puhdistelu ja rassaus päälle pois auttoi.
Kiittäen
RaimoL
IP kirjattu
Sivu: 1
Lähetä aihe
Tulosta
‹
Edellinen aihe
|
Seuraava aihe
›
Foorumihyppy »
Koti
» 10 viimeisintä viestiä
» 10 viimeisintä aihetta
Suomen Radiohistoriallinen Seura ry - Keskustelufoorumi
Suomen Radiohistoriallinen Seura ry
Jäsenalue
Yleistä radiohistoriasta
Kotimaiset radiot, televisiot ja äänentoistolaitteet ««
Ulkomaiset radiot, televisiot ja äänentoistolaitteet
Muut radio- ja elektroniikkalaitteet
Entisöinti ja kunnostus yleisellä tasolla
Omatekoiset laitteet ja rakentelu
Sotilasradiot ja Perinneradiot
Yleinen keskustelualue
Niitä Näitä
Haku päällä
« Koti
‹ Alue
SRHS Forum
» Powered by
YaBB 2.6.12
!
YaBB Forum Software
© 2000-2026. Kaikki oikeudet pidätetään.