Valitse kieli:
English
Suomi
Tervetuloa, Vieras. Ole hyvä ja
kirjaudu
tai
Rekisteröidy
Koti
Ohjeita
Haku
Kirjaudu
Rekisteröidy
Liity SRHS:n jäseneksi
SRHS Forum
›
Suomen Radiohistoriallinen Seura ry - Keskustelufoorumi
›
Kotimaiset radiot, televisiot ja äänentoistolaitteet
› Philips 5S F 92A projekti
‹
Edellinen aihe
|
Seuraava aihe
›
Sivu:
[1]
2
Lähetä aihe
Tulosta
Philips 5S F 92A projekti (Luettu 7957 kertaa)
pekmatval
God Member
Poissa
Viestejä: 2012
Philips 5S F 92A projekti
25.03.2020 klo 18:44:37
Tulosta viesti
Philips 'raato' on odottanyt tsekkausta. Puuttuu kaikki nappulat ja nupit. Muutenkaan kunnosta ei ollut tietoa ostettaessa. Kotelo on suhteellisen siisti, mutta parista kohtaa täytynee korjailla viilutusta. Ne ihmeelliset 800ohm kaiuttimet ovat hyvässä kunnossa.
Varovaisesti nostin syöttöjännitettä, otti maltillisesti virtaa ja putket alkoivat hehkua, mutta mitään ei kuulunut. Mittasin, että anodijännitteet puuttuiat kokonaan ... sulakeen vaihto auttoi. Pääteasteet alkoivat toimia, samoin AM kanavat. Nopein koe oli vaihtaa Ula putki. Sen jälkeen Ulakin alkoi toimia. En vielä mittaillut, että onko kaikki jännitteet paikoillaan,mutta hyvin kuuluu.
päätinkokeilla, että miten toimii levysoitin (josta puuttuu rasia) . Ei toimi mitenkään, kun ei pyöri. Purkasin levarin irti kotelosta ja selvisi, että moottori ei jaksa pyöriä, vaikka saa sähköt sisäänsä. Syynä on moottorin laakerin jumitus .. ei auta voitelu. Metalli paisunut? (teräs pronssiholkissa)
Kysymyksiä:
- löytyykö jostain tähän nuppeja ja nappuloita?
- Löytyykö levariin rasia?
- Mitäs tuolle laakerille kannattaa tehdä? ... hiontaa?
takaseind_001.jpg
( 369 KB | 252 latausta )
sisus_003.jpg
( 78 KB | 269 latausta )
IP kirjattu
pekmatval
God Member
Poissa
Viestejä: 2012
Re: Philips 5S F 92A projekti
Vastaus #1 -
25.03.2020 klo 18:45:31
Tulosta viesti
tässä lisää kuvia:
levari ja jumittava laakeri
levari_001.jpg
( 214 KB | 286 latausta )
levarin_motti.JPG
( 43 KB | 273 latausta )
IP kirjattu
pekmatval
God Member
Poissa
Viestejä: 2012
Re: Philips 5S F 92A projekti
Vastaus #2 -
25.03.2020 klo 18:46:57
Tulosta viesti
ja vielä:
Kotelon tekijän lappu ja sarjanumero
kotelon_tekijd.JPG
( 22 KB | 266 latausta )
numero_ja_pdivdmddrd.JPG
( 43 KB | 292 latausta )
IP kirjattu
pekmatval
God Member
Poissa
Viestejä: 2012
Re: Philips 5S F 92A projekti
Vastaus #3 -
25.03.2020 klo 18:47:23
Tulosta viesti
levarin tyyppi
levarin_tyyppi.JPG
( 37 KB | 283 latausta )
IP kirjattu
VjpA
God Member
Poissa
SRHS
Viestejä: 2679
Sijainti: Vantaa
Re: Philips 5S F 92A projekti
Vastaus #4 -
25.03.2020 klo 19:54:46
Tulosta viesti
Siinä levarin moottorissa on molemmissa päissä laakerit ja yleensä niihin on voiteluaine pikeentynyt.
Puhdista laakerit ja uutta rasvaa peliin, mielellään synteettistä.
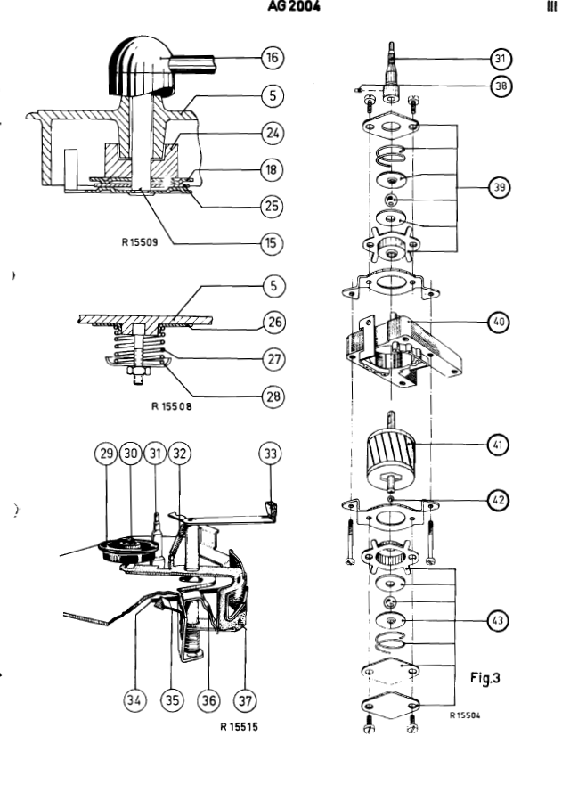
AG 2004:ään voi rasiat olla hakusessa.
Philips_AG2004.pdf
( 142 KB | 282 latausta )
Moottori.png
( 226 KB | 296 latausta )
t. // Jukka
IP kirjattu
pekmatval
God Member
Poissa
Viestejä: 2012
Re: Philips 5S F 92A projekti
Vastaus #5 -
26.03.2020 klo 14:00:25
Tulosta viesti
Kiitos Jukalle vinkeistä. En kyllä silmillä näe laakeripinnoilla likaa, mutta ehkä siellä on. Koitan tutkia asiaa paremmin.
«
Viimeksi muokattu: 26.03.2020 klo 21:34:44 Kirjoittaja pekmatval
»
IP kirjattu
oh1feb
Senior Member
Poissa
Viestejä: 487
Sijainti: Raisio
Re: Philips 5S F 92A projekti
Vastaus #6 -
26.03.2020 klo 14:34:30
Tulosta viesti
Tuosta kuvasta ei ihan tarkkaan näe josko olet myös avannut ne laakeripesän kannet. Ne pienet väkäset hajoaa helposti mutta kannattaisi yrittää avata ne koska sisällä on huovat ym jotka on todennäköisesti myös kuivat ja vaatii öljyämisen.
IP kirjattu
pekmatval
God Member
Poissa
Viestejä: 2012
Re: Philips 5S F 92A projekti
Vastaus #7 -
27.03.2020 klo 14:42:45
Tulosta viesti
Vastauksena edelliseen. En ole avannut lakeripesän kansia.
Se 'ylempi laakeri tuntui pyörivän kevyesti, mutta tämä irroitettu 'alempi' jumitti. Laitoin dremeliin kapean messinkisen harjakärjen ja pyöritin sitä lukkoöljyn kanssa laakeriholkissa ja hioin kevyesti akselin pintaa samalla harjalla. Se auttoi. Laitoin reipaasti lukkoöljyä laakereihin. Tuo öljy saa jäädä sinne muhimaan .. tukin on pahaa tavaraa?
IP kirjattu
pekmatval
God Member
Poissa
Viestejä: 2012
Re: Philips 5S F 92A projekti
Vastaus #8 -
26.04.2020 klo 15:57:04
Tulosta viesti
Palaan tähän vehkeeseen. Pitäsi saada valmiiksi ennen kesää. Onko tarjolla rasiaa tähän?
RMorg sivustolla oli tarjolla 2 erilaista rasiaa. Minulle riittäsi myös rikkinäinen tai pelkkä rasian kuori liittimineen.
Alla on kuvat 2 eri versiosta.
2009_yksi_versio.JPG
( 36 KB | 246 latausta )
2009_toinen_versio.JPG
( 21 KB | 248 latausta )
IP kirjattu
pekmatval
God Member
Poissa
Viestejä: 2012
Re: Philips 5S F 92A projekti
Vastaus #9 -
26.04.2020 klo 16:00:04
Tulosta viesti
omassa varsi on tälläinen. Meneekö tähän vain tuo versio 2?
puuttuva_rasia.JPG
( 47 KB | 234 latausta )
IP kirjattu
VjpA
God Member
Poissa
SRHS
Viestejä: 2679
Sijainti: Vantaa
Re: Philips 5S F 92A projekti
Vastaus #10 -
26.04.2020 klo 20:14:45
Tulosta viesti
Molemmat käy, "yksi versio" on uudempaa mallia ja niitä on vielä myynnissä.
Uudemmassa on kääntöneula.
«
Viimeksi muokattu: 26.04.2020 klo 22:11:02 Kirjoittaja VjpA
»
Philips_AG2004_001.pdf
( 53 KB | 330 latausta )
Philips_22GP235_rasia-1.jpeg
( 89 KB | 246 latausta )
t. // Jukka
IP kirjattu
pekmatval
God Member
Poissa
Viestejä: 2012
Re: Philips 5S F 92A projekti
Vastaus #11 -
06.05.2020 klo 23:26:42
Tulosta viesti
Sain kokeeksi rasian. Koekuuntelussa vaivasi bassojen puute Lieneekö kiderasian ominaisuus? Rasiaa kuormitin emitteriseuraajatrankulla .. sisäänmeno imbedanssi 500K. Kuvassa lähtevä taso... ok?
Lisäksi mittasin, että levari kiertää liian hitaasti. Asenossa 33rpm mittaisin 29,5rpm .. tuon eron jo kuulee selvästi. Mikähän voisi hidastaa? Kuva.
rasian_ldhtctaso.jpg
( 212 KB | 247 latausta )
hidas.jpg
( 157 KB | 278 latausta )
IP kirjattu
RJL
God Member
Poissa
SRHS 612
Viestejä: 2768
Re: Philips 5S F 92A projekti
Vastaus #12 -
07.05.2020 klo 08:28:50
Tulosta viesti
Ainakin liian pieni kuormitusimpedanssi pudottaa bassojen tasoa, yleensä vahvistimilla on ollut impedanssi 1 Mohmia, tai enemmän. Lisäksi mukaan on laskettava äänirasian liitäntäkaapelin kapasitanssi, joka muodostaa alipäästösuotimen tuloimpedanssin kanssa. Nämä yhdessä voisivat aikaansaada bassoköyhältä kuulostavan äänen. Sinänsä kideäänirasioille on annettu ihan hyviä speksejä bassopuolellakin.
Reijo Liljedahl - SRHS 612 - OH3AVA - SDXL 8092
IP kirjattu
pekmatval
God Member
Poissa
Viestejä: 2012
Re: Philips 5S F 92A projekti
Vastaus #13 -
07.05.2020 klo 10:49:24
Tulosta viesti
Täytynee kokeilla imbedanssilla on yli 1M . Näköjään tuo 1M on tuolla rasian speksissä (Vataus 10). Kiitos.
Olisiko ideaa tuolle hitaalle kiertämiselle. Voisiko kitkat olla syynä? Tai sen moottorin akselilla olevan sorvatun kappaleen kuluminenpienemmäksi?
«
Viimeksi muokattu: 07.05.2020 klo 19:22:33 Kirjoittaja pekmatval
»
IP kirjattu
AJY
Senior Member
Poissa
Viestejä: 499
Sijainti: HELSINKI, Finland
Re: Philips 5S F 92A projekti
Vastaus #14 -
07.05.2020 klo 11:10:47
Tulosta viesti
pekmatval kirjoitti
06.05.2020 klo 23:26:42:
Sain kokeeksi rasian. Koekuuntelussa vaivasi bassojen puute Lieneekö kiderasian ominaisuus? Rasiaa kuormitin emitteriseuraajatrankulla .. sisäänmeno imbedanssi 500K. Kuvassa lähtevä taso... ok?
Lisäksi mittasin, että levari kiertää liian hitaasti. Asenossa 33rpm mittaisin 29,5rpm .. tuon eron jo kuulee selvästi. Mikähän voisi hidastaa? Kuva.
On ilmiö, mikä mulla kerran noin 1970-luvun levysoittimessa on aiheuttanut liian hitaan pyörimisnopeuden, ja vielä pyörimisnopeuden "aaltoilemisen".
Se oli mekaaninen vika. Laakerit yms. mekaaniset osat oli mahdollisesti pölystä tahmautuneet, mahdollisesti pikeentynytttä laitteistoöljyä.
Kun tämän korjasin, niin mainittu noin 1970 levysoitin on sen jälkeen toiminut 100% OK.
Antti J Ylikoski GimmelHayNunShin (The Dreidel)
ESKO
WWW
IP kirjattu
Sivu:
[1]
2
Lähetä aihe
Tulosta
‹
Edellinen aihe
|
Seuraava aihe
›
Foorumihyppy »
Koti
» 10 viimeisintä viestiä
» 10 viimeisintä aihetta
Suomen Radiohistoriallinen Seura ry - Keskustelufoorumi
Suomen Radiohistoriallinen Seura ry
Jäsenalue
Yleistä radiohistoriasta
Kotimaiset radiot, televisiot ja äänentoistolaitteet ««
Ulkomaiset radiot, televisiot ja äänentoistolaitteet
Muut radio- ja elektroniikkalaitteet
Entisöinti ja kunnostus yleisellä tasolla
Omatekoiset laitteet ja rakentelu
Sotilasradiot ja Perinneradiot
Yleinen keskustelualue
Niitä Näitä
Haku päällä
« Koti
‹ Alue
SRHS Forum
» Powered by
YaBB 2.6.12
!
YaBB Forum Software
© 2000-2026. Kaikki oikeudet pidätetään.