Sivunvalintanappi Sivu: 1 ... 20 21 [22] 23 24  Lähetä aiheTulosta
Erittäin kuuma aihe (Enemmän kuin 25 vastausta) Suora vastaanotin (Luettu 194812 kertaa)
OH8UBJ
God Member
*****
Poissa



Viestejä: 826
Re: Suora vastaanotin
Vastaus #315 - 27.03.2021 klo 14:24:56
Tulosta viesti  
Mystistä.

Tein 2 kpl 80m keloja.

Toisessa on nuo lisäkondensaattorit, toisessa ei.

Ensin mainittu ei toimi, kuten ei toiminut se alkuperäinenkään 2- putkisesta periytyvä 80m kela.

Ilman aluelevitys- ja pohjakapasitanssikonkkaa oleva kela toimii.

Olen tarkistsnut kytkennän moneen kertaan virheiden varalta.

Lisäys:

Yritin erillisillä kondensaattoreilla, tarkistaakseni, että ei ole kyse oktaalipistukkaan juotettujen mica- konkkien turmeltumisesta.

Näemmä yritykseni saada aluelevitys aikaan samalla keinolla kuin 2-putkisessa saa aikaan virityspiirin vaimenemisen.

LISÄYS: pienensin RF-asteen ja ilmaisimen välistä konkkaa  12pF:iin
nyt ei vaikuta RF-säätö taajuuteen. Toimii nyt se aluelevitetty kelakin, mutta... ilmaisin laiskistuu taajuutta laskettaessa. 80m CW- päätä kohti.
Takaisinkytkennän kierroksia voisi nostaa, mutta jo nyt on takaisinkytkennän syttyminen kovin ärhäkkä.

Kuuntelin jo kyllä  illan kontestiasemia hyvällä volyymilla.

Eiköhän tämä ala 80m:lläkin toimia  Hymiö

LISÄYS:
Purin kytkennän pois,  ei tästä näin tule valmista.
« Viimeksi muokattu: 28.03.2021 klo 10:46:00 Kirjoittaja OH8UBJ »  
Sivun alkuun
 
IP kirjattu
 
Hermanni
Junior Member
**
Poissa



Viestejä: 76
Re: Suora vastaanotin
Vastaus #316 - 02.04.2021 klo 11:26:53
Tulosta viesti  
Hauska pääsiäisprojekti yksiputkivastaanotin mallia Clas Ohlson. Suunniteltu 200-1500 metrin aalloille.
Eniten työtä on varmaan laatikon tekemisessä.
Osien ei tarvitse olla 1920-luvun tyyliä, vaan toki nuoremmatkin osat käy.
  

enrcr1.jpg ( 234 KB | 247 latausta )
enrcr1.jpg
enrcr3.jpg ( 325 KB | 248 latausta )
enrcr3.jpg
Sivun alkuun
 
IP kirjattu
 
Hermanni
Junior Member
**
Poissa



Viestejä: 76
Re: Suora vastaanotin
Vastaus #317 - 02.04.2021 klo 11:29:55
Tulosta viesti  
Tässä vielä osaluettelo ja loppusivu Ohlson-vastaanottimeen.
  

enrcr2.jpg ( 288 KB | 241 latausta )
enrcr2.jpg
Sivun alkuun
 
IP kirjattu
 
OH2EO
God Member
*****
Poissa


SRHS

Viestejä: 1120
Re: Suora vastaanotin
Vastaus #318 - 02.04.2021 klo 12:13:44
Tulosta viesti  
Hermanni kirjoitti 02.04.2021 klo 11:29:55:
Tässä vielä osaluettelo ja loppusivu Ohlson-vastaanottimeen.

Tässä on käytetty valmista kelaa, joka sisältää myös variometrisäädön takaisinkytkennälle. Sen toteuttaminen lienee ongelmallisin kohta rakentelussa.

Timo OH2EO
  
Sivun alkuun
 
IP kirjattu
 
Hermanni
Junior Member
**
Poissa



Viestejä: 76
Re: Suora vastaanotin
Vastaus #319 - 02.04.2021 klo 12:33:23
Tulosta viesti  
Minulla on kaksi takaisinkytkentäkelasysteemiä. Toinen on British General, missä on takaisinkytkentäkela vain etupuoli kiinnitettynä käännettävään nuppiin. Toinen on venäläinen (muistaakseni kopsattu jostain saksalaisesta), missä on kummassakin päässä takaisinkytkentäkelaa kääntyvät  kiinnitysruuvit. Kumpikin tuntuu tukevalta.

Esim.sivulta:  https://www.6v6.co.uk/vcomp/pages/one_tube.htm
löytyy simppelin antennikelan ohjeet.

« Viimeksi muokattu: 03.04.2021 klo 17:20:02 Kirjoittaja Hermanni »  
Sivun alkuun
 
IP kirjattu
 
Hermanni
Junior Member
**
Poissa



Viestejä: 76
Re: Suora vastaanotin
Vastaus #320 - 02.04.2021 klo 13:36:50
Tulosta viesti  
Näistä kuvista pitäisi selvitä sisäkelan kiinnitys ja kääntösysteemi. British General-kelassa (vasen kuva) ja Ohlson-kelassa lienee sama yksipäinen kiinnitys. Venäläisessä kelassa (oikea kuva) on molemminpuolinen kiinnitys.
  

Vari2.jpg ( 115 KB | 234 latausta )
Vari2.jpg
vari1.jpg ( 68 KB | 234 latausta )
vari1.jpg
Sivun alkuun
 
IP kirjattu
 
Hermanni
Junior Member
**
Poissa



Viestejä: 76
Re: Suora vastaanotin
Vastaus #321 - 02.04.2021 klo 13:42:44
Tulosta viesti  
Tässä molemmat variometrit selvyyden vuoksi.
  

VRI3.jpg ( 143 KB | 249 latausta )
VRI3.jpg
Sivun alkuun
 
IP kirjattu
 
OH8UBJ
God Member
*****
Poissa



Viestejä: 826
Re: Suora vastaanotin
Vastaus #322 - 08.04.2021 klo 00:19:19
Tulosta viesti  
Ei jostain syystä toimi tämä ST-asteeni, en löydä putken anodilta RF-signaalia.
Kytkentä on edellisen kaavion mukainen.

Syötin  antenniliitäntään signaalin , katodilla 3,6MHz sini vielä rymyää, anodilta en sitä löydä.

Saa kai sitä ihmetellä, kun sillä hiljaa kuuluu...

Putkesta menee 1mA lepovirta läpi.

Juu, kyllähän se hurinoiden seasta löytyi, mutta aste vaimentaa vahvistuksen sijasta.
Eikös tässä pitäisi jännitevahvistustakin olla hieman?

LISÄYS:  pyöräytin kytkennän normaaliksi vahvistinasteeksi, pidin putken triodikytkennässä.

Ohjaushilan yhdistin 470ohm potikan liukuun, antennitulon toin potikan yläpäähän. Edelleen putkesta kulkee läpi  n. 1mA kun hehku on kytketty niin päin, että se boostaa  virtaa. Ei vahvista vieläkään, n. 1/5 saa ulos anodilta hilaan nähden.

Eikös tämä pelitä  oikein triodina pienellä jännitteellä?

Anodivirtaa kulkee  joten ei putki kuollutkaan ole...

LISÄYSTÄ:

Askartelin taas RF-asteen parissa.

En maattohilakytkennällä saanut jännitevahvistusta aikaan.
Kokeilin myös DL21- putkella.

Oskilloskoopissa käytin mittapäässä 10x asentoa.

Ei nyt mene kuin Strömsössä...

Tiedän, että maattohilakytkennässä on pieni jännitevahvistus, mutta ei sen
kai vaimentaa pidä?


« Viimeksi muokattu: 10.04.2021 klo 21:28:20 Kirjoittaja OH8UBJ »  
Sivun alkuun
 
IP kirjattu
 
artosalo
God Member
*****
Poissa



Viestejä: 2665
Sijainti: Perniö                
Re: Suora vastaanotin
Vastaus #323 - 30.12.2021 klo 19:36:06
Tulosta viesti  
Joulun alla tuli pitkästä aikaa inspiraatio taas kokeilla jotakin ennen kokeilematonta.
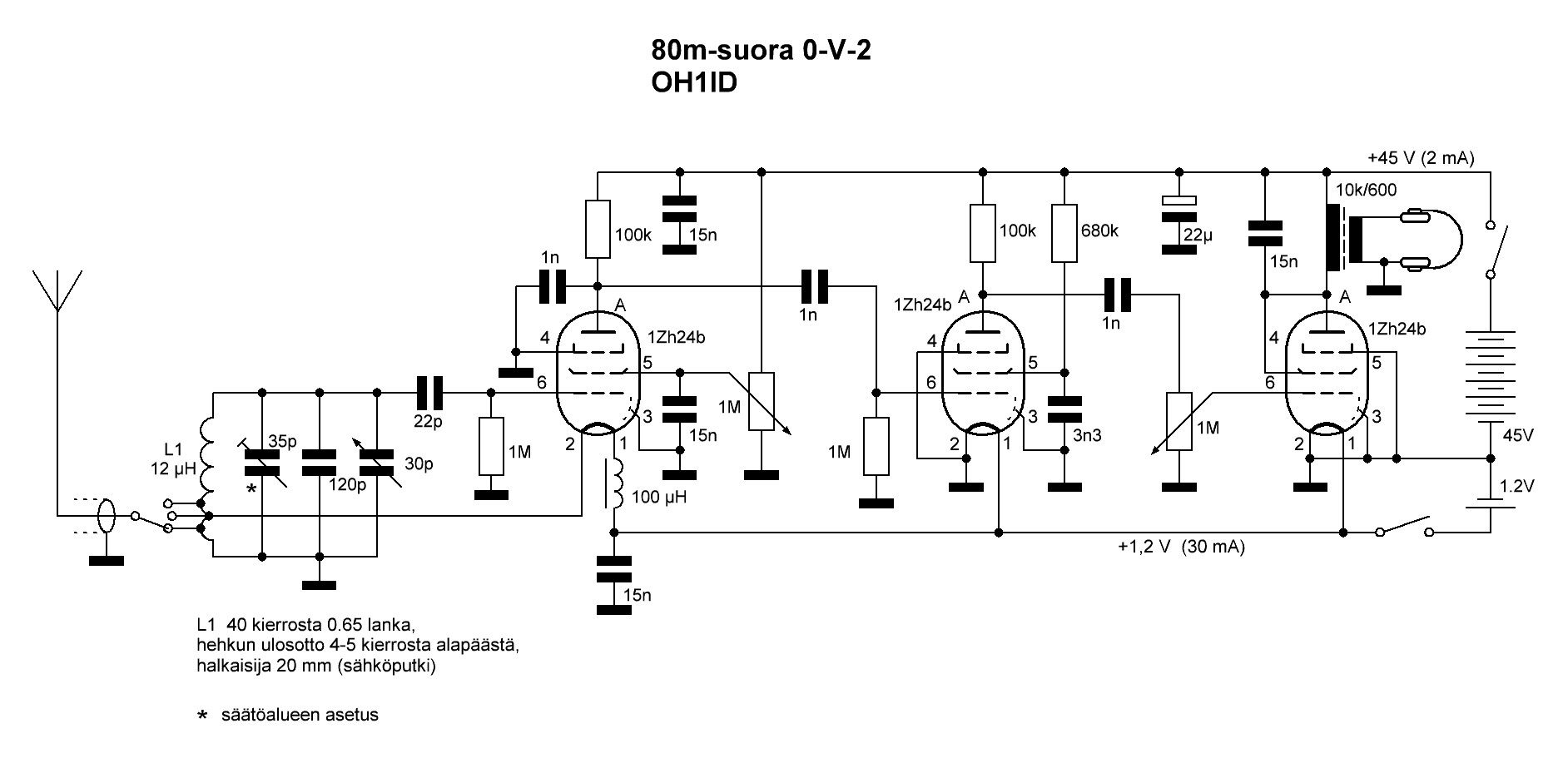
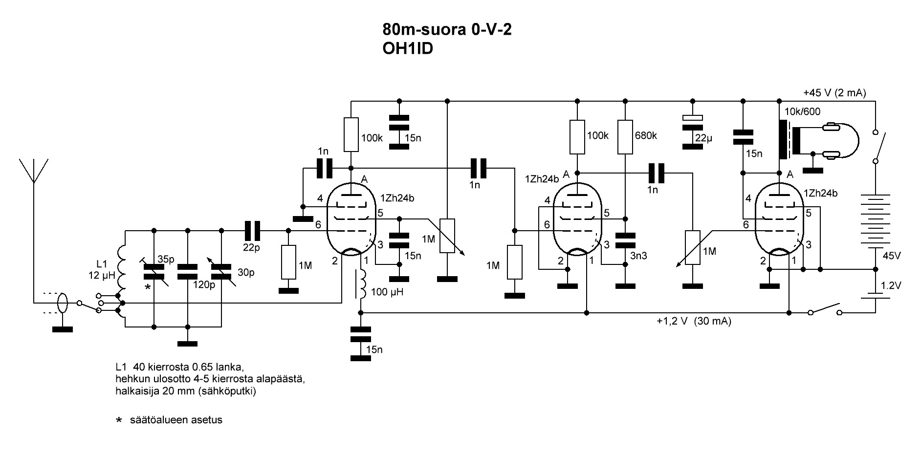
1Ж24b-putkella tuli noin puolitoista vuotta sitten kokeiltua keskipitkillä toimivaa suoraa vastaanotinta.
Ajatuksissa on ollut useamman kerran käyttää samaa putkea myös 80 m amatöörivastaanottimen tekoon.

1Ж24b on putkeksi todella poikkeuksellinen. Sen lisäksi, että se on kooltaan hyvin pieni, on myöskin sähköisissä ominaisuuksissa pientä ihmettelyn aihetta.
Esimerkiksi hehkutehoa putki tarvitsee vain n. 12 mW. Nimellinen hehkujännite on 1,2 V mutta totesin, että jo 0,9...1,0 V riittää.
Samalla hehkuvirta putoaa alle 10 mA:iin.
RM.org:sta löytyy pitkät tarinat tästä putkesta: https://www.radiomuseum.org/tubes/tube_1j24b.html

Kokeilujen kautta päädyin oheisen skeman mukaiseen kytkentään. Etupää, eli ilmaisin noudattaa samaa ECO-kytkentää, jota olen käyttänyt aikaisemminkin.
Audiovahvistin käsittää kaksi putkea.
Ensimmäinen on pentodikytketty ja muodostaa suurimman osan tarvittavasta vahvistuksesta.
Jälkimmäinen on triodikytketty ja tuottaa kuulokkeiden vaatiman milliwattiluokan audiotehon.
Käyttämäni 600 ohmin kuulokkeiden vuoksi on audiolähtö sovitettu 10k / 600 ohmin audiomuuntajalla. Testasin Hammondin tyypit 107N ja 107X.
Molemmat toimivat hyvin.
Audion taajuuskaista on tarkoituksella rajoitettu välille n. 300 Hz...2,5 kHz.

Vielä en ole päättänyt minkälaiseen mekaniikkaan tulen tämän sijoittamaan, mutta tarkoitus on tehdä vastaanottimesta kenttäkelpoinen.
Virtalähteiksi suunnittelin yhtä AAA-kokoista 1,2 V NiMh-akkua ja anodijännitteille 5 kpl. 9 V paristoa. Nämä tulen sijoittamaan erilliseen koteloon.
  

1Zh24b_80_m_skema2.JPG ( 161 KB | 237 latausta )
1Zh24b_80_m_skema2.JPG
IMG_20211229_213432__Medium_.jpg ( 220 KB | 203 latausta )
IMG_20211229_213432__Medium_.jpg
Sivun alkuun
 
IP kirjattu
 
artosalo
God Member
*****
Poissa



Viestejä: 2665
Sijainti: Perniö                
Re: Suora vastaanotin
Vastaus #324 - 30.12.2021 klo 19:38:07
Tulosta viesti  
Yksi kuva lisää.

Täällä vielä lisää tarinaa näistä putkista:

https://www.radiomuseum.org/forum/russian_subminiature_tubes.html?thread_id=2002...
« Viimeksi muokattu: 30.12.2021 klo 19:55:26 Kirjoittaja artosalo »  

IMG_20211230_125722__Medium_.jpg ( 196 KB | 202 latausta )
IMG_20211230_125722__Medium_.jpg
Sivun alkuun
 
IP kirjattu
 
artosalo
God Member
*****
Poissa



Viestejä: 2665
Sijainti: Perniö                
Re: Suora vastaanotin
Vastaus #325 - 02.01.2022 klo 11:59:31
Tulosta viesti  
Olen nyt koekuunnellut ja mittaillut vastaanottimen arvoja. Herkkyys on mikrovoltin luokkaa, jolla siis S/N on siinä 10 dB.
Kahdeksalla kympillä riittää paljon huonompikin herkkyys, sillä pohjarutinat ovat aina hallitsevia.
Näillä keleillä 3699 kHz rinkulan luettavuus on aivan samaa luokkaa, kuin Icomin IC-751 transceiverin, jota käytän referenssinä kuunteluissa.

Signaalin keston kannalta on tarpeen, että kelassa on pari ulosottoa, joista alinta voi käyttää kun kuunnellaan S9 + 20 dB signaaleja.
Oikea kohta tälle ulosotolle on yksi kierros alapäästä. Normaalikuuntelussa antennin voi tapittaa kolmanteen kierrokseen.
Tämän lisäksi takaisinkytkennän säädöllä saadaan säädettyä vahvistusta alaspäin 20 dB verran, jolloin dynamiikkaa vastaanottimessa on 50 dB luokkaa.

Oleellinen komponenttiarvo on ilmaisijan hilankondensaattorin suuruus, skemassa 22 pF. Jos tämän arvoa kasvattaa, niin ilmaisijan vahvistus kasvaa, mutta samalla takaisinkytkennän säätäminen muuttaa kuuntelutaajuutta haitallisesti. Tämän huomaa erityisesti SSB:tä kuunnellessa.
Skemassa olevalla arvolla (22pF) taajuudenmuutos on 100 Hz luokkaa kun takaisinkytkentää säädetään vahvistuksensäätötarkoituksessa.

Jos tämä projekti sattuu kiinnostamaan, niin muutama ylimääräinen piirilevy ja putkia vielä löytyy. Laita yv. siinä tapauksessa.
  
Sivun alkuun
 
IP kirjattu
 
artosalo
God Member
*****
Poissa



Viestejä: 2665
Sijainti: Perniö                
Re: Suora vastaanotin
Vastaus #326 - 02.01.2022 klo 16:04:38
Tulosta viesti  
Laitoin pari noin minuutin mittaista testivideota Youtubeen. Näissä kytkin vastaanottimen ulkopuoliseen audiovahvistimeen, jotta sain kaiutinvolyymit aikaiseksi. Toisessa SSB:tä toisessa CW:tä.

https://youtu.be/PmY_HEZubzc
https://youtu.be/Eb1RkyKmCxE
  
Sivun alkuun
 
IP kirjattu
 
RJL
God Member
*****
Poissa


SRHS 612

Viestejä: 2770
Re: Suora vastaanotin
Vastaus #327 - 02.01.2022 klo 17:31:47
Tulosta viesti  
Edelleen ihastuttaa tuo signaalin puhtaus, kirkas ja kuulas soundi. Ei millään nykyajan synteesisuhisijalla pääse likellekään.
  

Reijo Liljedahl - SRHS 612 - OH3AVA - SDXL 8092
Sivun alkuun
 
IP kirjattu
 
OH8UBJ
God Member
*****
Poissa



Viestejä: 826
Re: Suora vastaanotin
Vastaus #328 - 03.01.2022 klo 20:30:51
Tulosta viesti  
Mielenkiintoista!

Kuinka CW/SSB-kuuntelussa pärjää ilman etuastetta?

Voisi soveltaa kytkentää DF21 ja DL21- putkille, kun tuossa sellaisen mekaniikka nököttää pöydän nurkalla.
  
Sivun alkuun
 
IP kirjattu
 
artosalo
God Member
*****
Poissa



Viestejä: 2665
Sijainti: Perniö                
Re: Suora vastaanotin
Vastaus #329 - 03.01.2022 klo 23:16:37
Tulosta viesti  
Lainaus:
Kuinka CW/SSB-kuuntelussa pärjää ilman etuastetta?


Hyvin pärjää. Herkkyyshän on jotakin mikrovoltin luokkaa.
Vai mitä tarkoitat pärjäämisellä?

Etuasteesta suurin hyöty on siinä, että se erotta ilmaisijan antennista.
Lisävahvistus etupäässä ei saa olla kovin suuri, sillä ilmaisijan dynamiikka laskee ja on sitten kuuntelua rajoittava tekijä.
Toisaalta st-vahvistimeen voi rakentaa vahvistuksen säädön, mutta sen pitää yltää huomattavasti myös vaimennuksen puolelle, eli "miinus desibeleihin".

Yksi suunnittelun lähtökohta oli taas kerran yksinkertaisuus, ja tämä toimii tällaisenaan hyvin.
  
Sivun alkuun
 
IP kirjattu
 
Sivunvalintanappi Sivu: 1 ... 20 21 [22] 23 24 
Lähetä aiheTulosta