Valitse kieli:
English
Suomi
Tervetuloa, Vieras. Ole hyvä ja
kirjaudu
tai
Rekisteröidy
Koti
Ohjeita
Haku
Kirjaudu
Rekisteröidy
Liity SRHS:n jäseneksi
SRHS Forum
›
Suomen Radiohistoriallinen Seura ry - Keskustelufoorumi
›
Kotimaiset radiot, televisiot ja äänentoistolaitteet
› Philips Aristona I huolto-ohje / Asteikkonarun pujotus
‹
Edellinen aihe
|
Seuraava aihe
›
Sivu: 1
Lähetä aihe
Tulosta
Philips Aristona I huolto-ohje / Asteikkonarun pujotus (Luettu 2776 kertaa)
Jii-Pee
Junior Member
Poissa
SRHS 869
Viestejä: 51
Philips Aristona I huolto-ohje / Asteikkonarun pujotus
29.05.2018 klo 19:44:29
Tulosta viesti
Terve
Olisi Philips Aristona I radio, josta asteikkonaru revitty pois. Löytyisikö tähän joltain esim. huolto-ohjetta josta näkisi miten uusi asteikkonaru tulee pujotella?
IP kirjattu
Ruokki
God Member
Poissa
Viestejä: 1781
Re: Philips Aristona I huolto-ohje / Asteikkonarun pujotus
Vastaus #1 -
29.05.2018 klo 21:52:59
Tulosta viesti
Ellei kaaviota löydy niin narun kulun voi itse selvittää siten että piirtää omaan kaavioon kaikki trissat , säätönupin akselin ja säätökonkan narupyörän vastaaville paikoille paperille. Sitten piirretään osoitinneulan paikka asteikkolevyn päissä ylhäällä olevien trissojen väliin. Tämän jälkeen selvitetään mihin suuntaan neulan pitää liikkua suhteessa säätökonkkaan ja säätönuppiin. Suunnat merkitään paperille. Nyt voi ruveta pähkäilemään miten naru sijoitetaan paikoilleen siten että kaikki liikkuisi oikeaan suuntaan. Hommaa helpottaa tieto siitä että naru voi kulkea vain kerran kunkin trissan kautta. Säätönupin akselin ympäri naru kierretään pari kierrosta. Narun alkupää ja loppu on kiinni säätökonkan narupyörässä. Sopivaan paikkaan tulee vielä jousi pitämään narua tiukalla.
Simppeliä! Tai sitten ei...
Ruokki
IP kirjattu
putkinotko
God Member
Poissa
SRHS # 751
Viestejä: 1881
Sijainti: Lohja
Re: Philips Aristona I huolto-ohje / Asteikkonarun pujotus
Vastaus #2 -
30.05.2018 klo 07:12:15
Tulosta viesti
Ei asteikkonarun asettelu mitään korkeampaa matematiikkaa tai atomifysiikkaa kaipaa, kyllä se onnistuu ihan yksinkertaista maalaisjärkeä käyttämällä. En vahingossakaan yritä väittää itseäni neroksi, ja silti olen saanut viisarin oikein liikkumaan ilman ohjeita.
Jussi
IP kirjattu
Maja
God Member
Poissa
SRHS 478
Viestejä: 3372
Sijainti: Lounais-Suomi
Re: Philips Aristona I huolto-ohje / Asteikkonarun pujotus
Vastaus #3 -
30.05.2018 klo 14:22:47
Tulosta viesti
Jos se on sattumalta tämä, niin en kovasti ihmettele kyselyä?
Markku
Fenno_265.JPG
( 87 KB | 0 latausta )
IP kirjattu
akenyh
God Member
Poissa
SRHS 257
Viestejä: 1155
Sijainti: Halikko (Salo)
Re: Philips Aristona I huolto-ohje / Asteikkonarun pujotus
Vastaus #4 -
30.05.2018 klo 16:49:13
Tulosta viesti
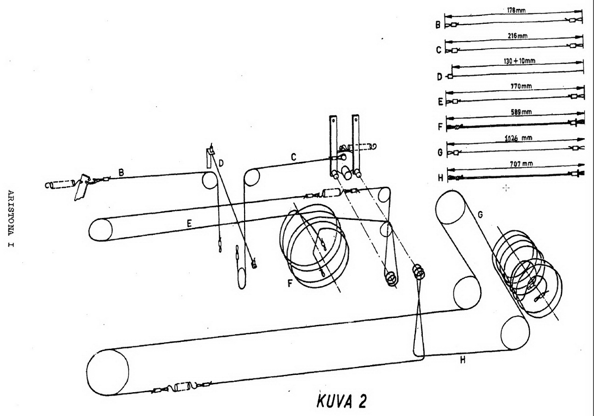
Tässä Aristona 1:n "virallinen" narukuva. Eiköhän ole sama kuin em. Fenno F265.
Terv:Åke
Aristona-1_narut.jpg
( 160 KB | 0 latausta )
IP kirjattu
Sivu: 1
Lähetä aihe
Tulosta
‹
Edellinen aihe
|
Seuraava aihe
›
Foorumihyppy »
Koti
» 10 viimeisintä viestiä
» 10 viimeisintä aihetta
Suomen Radiohistoriallinen Seura ry - Keskustelufoorumi
Suomen Radiohistoriallinen Seura ry
Jäsenalue
Yleistä radiohistoriasta
Kotimaiset radiot, televisiot ja äänentoistolaitteet ««
Ulkomaiset radiot, televisiot ja äänentoistolaitteet
Muut radio- ja elektroniikkalaitteet
Entisöinti ja kunnostus yleisellä tasolla
Omatekoiset laitteet ja rakentelu
Sotilasradiot ja Perinneradiot
Yleinen keskustelualue
Niitä Näitä
Haku päällä
« Koti
‹ Alue
SRHS Forum
» Powered by
YaBB 2.6.12
!
YaBB Forum Software
© 2000-2026. Kaikki oikeudet pidätetään.