Valitse kieli:
English
Suomi
Tervetuloa, Vieras. Ole hyvä ja
kirjaudu
tai
Rekisteröidy
Koti
Ohjeita
Haku
Kirjaudu
Rekisteröidy
Liity SRHS:n jäseneksi
SRHS Forum
›
Suomen Radiohistoriallinen Seura ry - Keskustelufoorumi
›
Kotimaiset radiot, televisiot ja äänentoistolaitteet
› Fenno sointu 123V
‹
Edellinen aihe
|
Seuraava aihe
›
Sivu: 1
Lähetä aihe
Tulosta
Fenno sointu 123V (Luettu 8185 kertaa)
pekmatval
God Member
Poissa
Viestejä: 2012
Fenno sointu 123V
19.01.2018 klo 19:47:33
Tulosta viesti
Olisko kytkis jossakin. Radiosta on purettu kaiutinjohdot. Vehje vaikuttaa hiukan ihmeelliseltä ... kaiutin on 550ohminen! Ihan pikaisella netin surffauksella ei kytkistä tullut eteen.
2.PNG
( 68 KB | 0 latausta )
IP kirjattu
pekmatval
God Member
Poissa
Viestejä: 2012
Re: Fenno sointu 123V
Vastaus #1 -
19.01.2018 klo 22:08:29
Tulosta viesti
Sain radion toimimaan. Katkaistujen johtojen (3kpl) pituuksien perusteella oli vain 2 sopivaa vaihtoehtoa ... ja toinen toimi. Anodijännitteiden sulake oli myös hapettunut. Sulake kontaktien puhdistuksen jälkeen Fenno lauloi.
Silti se kytentäkaavio olisi silti mielenkiinoinen,koska tuo kaiutin on 550ohm. Kuitenkin pääteputkia on vain yksi, joten pääte ei ole samanlainen kuin ns. "raudattomat" philips päätteet, joissa on 2 pääteputkea ja 800ohm kajari.
Toinen yllättävä seikka oli, että takakannessa on kuvassa 1 sulake poikittäin . Radion sisällä on kuitenkin 2 sulaketta pitkittäin suhteessa radion muotoon.
«
Viimeksi muokattu: 20.01.2018 klo 11:46:04 Kirjoittaja pekmatval
»
Sieppaa_006.PNG
( 464 KB | 0 latausta )
IP kirjattu
IlpoJaakko
God Member
Poissa
SRHS
Viestejä: 868
Re: Fenno sointu 123V
Vastaus #2 -
19.01.2018 klo 23:03:41
Tulosta viesti
Fennon kuvissa ei näy pääteasteen kaiutinmuuntajaa. jospa tuossa kajari on suoraan anodikuormana.
Ei auta kun piirtämään siitä pääteasteesta kytkentää. Jos ilman päätemuuntajaa, niin eipä ole sitten yleistynyt ko systeemi.
IP kirjattu
pekmatval
God Member
Poissa
Viestejä: 2012
Re: Fenno sointu 123V
Vastaus #3 -
19.01.2018 klo 23:45:31
Tulosta viesti
on siellä pieni sievä päätemuuntaja putkien alapuolella muiden osien seassa ... mutta kytkentää en alannut piirtämään. Muutajalta menee 2 johtoa kajarille. Anodi DC taitaa olla 170V.
IP kirjattu
kkv
God Member
Poissa
SRSH
Viestejä: 1195
Re: Fenno sointu 123V
Vastaus #4 -
20.01.2018 klo 08:10:53
Tulosta viesti
Fenno Sointu 123 V:ssa on sama koneisto kuin Philips B 3 SF 21 A:ssa ( kauppanimi Philips 321 A). Koneistosta käytetään myös tunnusta SF 1. Kaavio saattaa löytyä paremmin Philipsin tyyppimerkinnällä.
Esitteen mukaan radiossa on kaksoiskartikaiutin AD 3460 AM, jonka sovitus on 800 ohmia.
Kauko Viitanen
IP kirjattu
pekmatval
God Member
Poissa
Viestejä: 2012
Re: Fenno sointu 123V
Vastaus #5 -
20.01.2018 klo 11:51:36
Tulosta viesti
Kiitos Kaukolle vinkistä. Tuo radio B3SF21A kyllä löytyi,mutta ei kytkistä. Radio nyt kuitenkin toimii, joten saa olla. Pääteasteen salat jää nyt tutkimatta. Tuon kajarin imbedanssin mittasin vastusmittarilla .. 550ohm. Philips 321A taitaa olla toinen radio .. vanhempi.
IP kirjattu
VjpA
God Member
Poissa
SRHS
Viestejä: 2679
Sijainti: Vantaa
Re: Fenno sointu 123V
Vastaus #6 -
20.01.2018 klo 17:33:22
Tulosta viesti
Kovaäänisen impedanssi on varmaa 800, linkki:
Sopisiko tuon B3D32? kaavio
t. // Jukka
IP kirjattu
LGL.
God Member
Poissa
Viestejä: 1352
Re: Fenno sointu 123V
Vastaus #7 -
20.01.2018 klo 19:09:55
Tulosta viesti
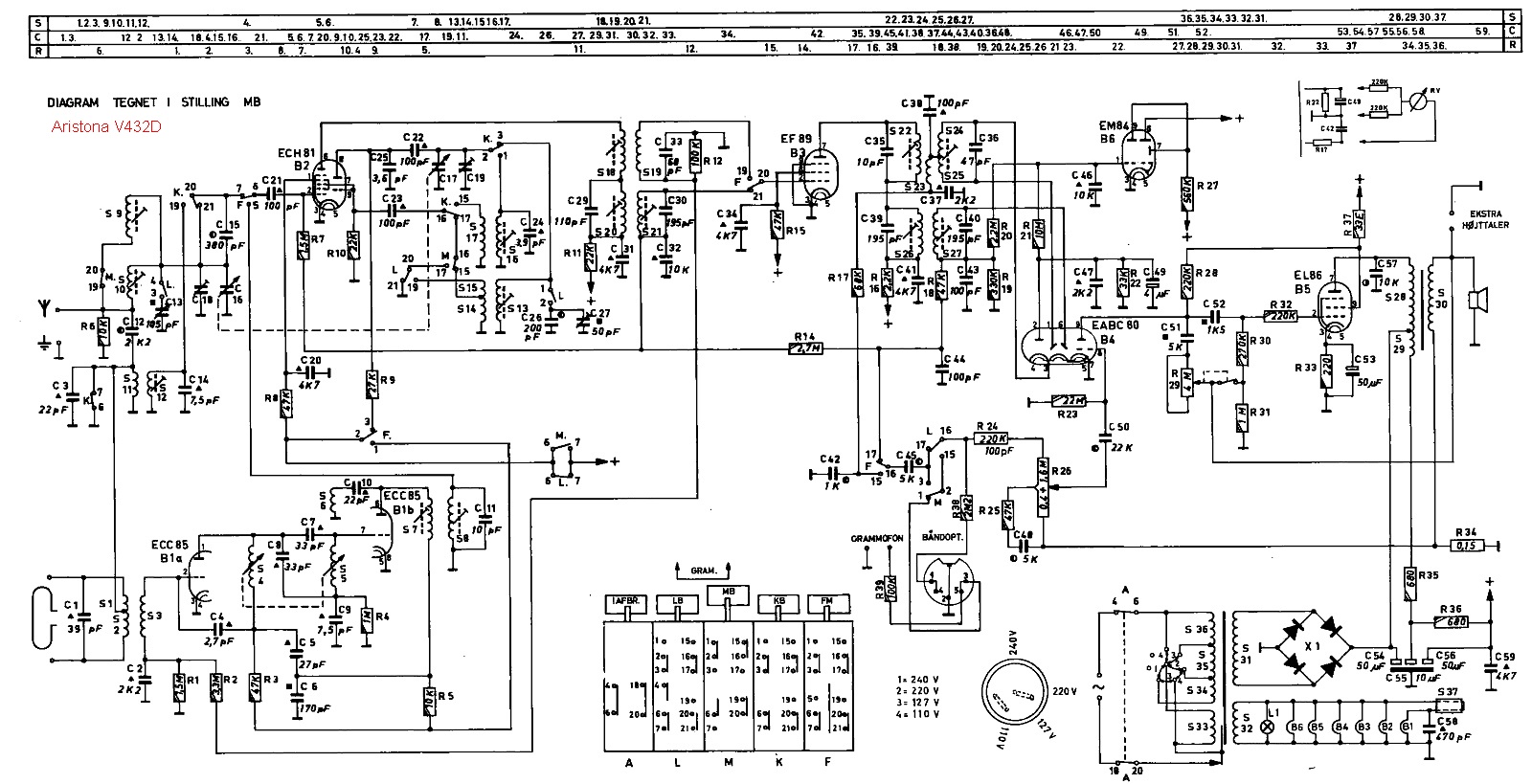
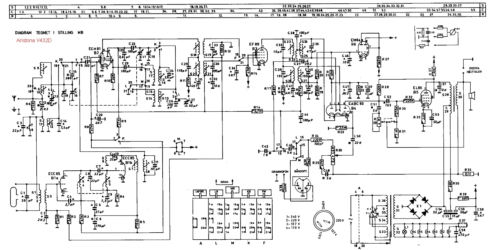
Ehkä tämä tanskalainen Aristona V432D-kuva piireista sopisi tähän Fennoon. Toivottavasti.
LGL
Aristona_V432D_philip.jpg
( 413 KB | 0 latausta )
IP kirjattu
kkv
God Member
Poissa
SRSH
Viestejä: 1195
Re: Fenno sointu 123V
Vastaus #8 -
21.01.2018 klo 11:25:23
Tulosta viesti
Aristonan pääteasteessa on ilmeisesti eroja Fenno 123 V radioon verrattuna. Joskus keräämäni luettelon mukaan sama SF 1 runko kuin Fenno 123 V:ssä pitäisi olla myös malleissa Fenno 103 V / Philips B3 SF01A ja Fenno 113 V / Philips B3 SF11A radioissa. Eiköhän jostakin näistä löydy huolto-ohje.
Kauko Viitanen
IP kirjattu
pekmatval
God Member
Poissa
Viestejä: 2012
Re: Fenno sointu 123V
Vastaus #9 -
21.01.2018 klo 11:50:25
Tulosta viesti
Aristonan kytkenässä kaiuttimen toinen johto menee runkoon ... Sounnussa mielestäni ei. Ja tuossa philips B3D32A'ssa (latasin rdiomuseum.orgista kytkiksen) myös kajarin toinen pää maassa. Saattaa olla, että avaan soinnun uudeelleen ja tutkin päätteen kytkentää hiukan.
IP kirjattu
putkinotko
God Member
Poissa
SRHS # 751
Viestejä: 1881
Sijainti: Lohja
Re: Fenno sointu 123V
Vastaus #10 -
21.01.2018 klo 13:07:18
Tulosta viesti
Moro
Tällaistakin kytkentää on ainakin naapurissa käytetty, eli ensiöstä väliotolla 800Ω:n kaiuttimelle ja toisio lisäkaiuttimelle.
Jussi
B3S91A.pdf
( 110 KB | 0 latausta )
IP kirjattu
pekmatval
God Member
Poissa
Viestejä: 2012
Re: Fenno sointu 123V
Vastaus #11 -
21.01.2018 klo 13:23:37
Tulosta viesti
Tuo Jussin kertoma vaihtoehto sopii kohtuudella piirtämääni skissiin (kuvassa). Siinä on muuntaja, piikkien jännitteet ja muuntajaan liittyvät osat. Pääteputken katodilta menee tehovastus (sen yli elko) muuntajalle ja samasta muuntajan nästasta otetaan lähtö lisäkajarille. Itse laitteen kajarille menee 156/162V dc. Otin myös (epätarkan .. sorry) kuvan pääteasteesta alapuolelta ... kuvassa näkyy se päätemuuntaja.
DSC02711.JPG
( 126 KB | 0 latausta )
DSC02709.JPG
( 143 KB | 0 latausta )
IP kirjattu
pekmatval
God Member
Poissa
Viestejä: 2012
Re: Fenno sointu 123V
Vastaus #12 -
21.01.2018 klo 15:25:24
Tulosta viesti
surffatessani netissä tämän soinnun kytkennän perässä tuli eteen mielenkiintoinen kokoelma pääteasteita. Saattaa kiinnostaa jotakuta?
http://www.novacon.com.br/audioconst2.htm
IP kirjattu
Sivu: 1
Lähetä aihe
Tulosta
‹
Edellinen aihe
|
Seuraava aihe
›
Foorumihyppy »
Koti
» 10 viimeisintä viestiä
» 10 viimeisintä aihetta
Suomen Radiohistoriallinen Seura ry - Keskustelufoorumi
Suomen Radiohistoriallinen Seura ry
Jäsenalue
Yleistä radiohistoriasta
Kotimaiset radiot, televisiot ja äänentoistolaitteet ««
Ulkomaiset radiot, televisiot ja äänentoistolaitteet
Muut radio- ja elektroniikkalaitteet
Entisöinti ja kunnostus yleisellä tasolla
Omatekoiset laitteet ja rakentelu
Sotilasradiot ja Perinneradiot
Yleinen keskustelualue
Niitä Näitä
Haku päällä
« Koti
‹ Alue
SRHS Forum
» Powered by
YaBB 2.6.12
!
YaBB Forum Software
© 2000-2026. Kaikki oikeudet pidätetään.