Valitse kieli:
English
Suomi
Tervetuloa, Vieras. Ole hyvä ja
kirjaudu
tai
Rekisteröidy
Koti
Ohjeita
Haku
Kirjaudu
Rekisteröidy
Liity SRHS:n jäseneksi
SRHS Forum
›
Suomen Radiohistoriallinen Seura ry - Keskustelufoorumi
›
Ulkomaiset radiot, televisiot ja äänentoistolaitteet
› Luxor, stereo indikointi lamppu ei loista
‹
Edellinen aihe
|
Seuraava aihe
›
Sivu: 1
Lähetä aihe
Tulosta
Luxor, stereo indikointi lamppu ei loista (Luettu 3378 kertaa)
jala
Senior Member
Poissa
SRHS
Viestejä: 428
Luxor, stereo indikointi lamppu ei loista
11.01.2018 klo 20:37:04
Tulosta viesti
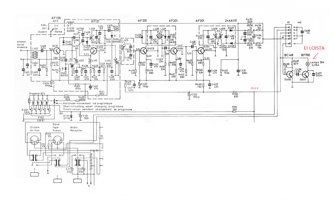
Radio toimii ja kuuluu, mutta en ole onnistunut löytämään vikaa tuohon stereo lampun oireeseen.
Polttimo uusittu ja komponentit piirissä ok.
Pitäiskö tuolla x) nasta 5 näkyä yleismittarilla jotain jännitettä?
Luxor_stereo_indikointi_lamppu_ei_loista.png
( 362 KB | 0 latausta )
IP kirjattu
Raimo Sjöberg
God Member
Poissa
SRHS #313
Viestejä: 1561
Sijainti: Espoo
Re: Luxor, stereo indikointi lamppu ei loista
Vastaus #1 -
11.01.2018 klo 21:00:54
Tulosta viesti
Kuvasta puuttuu stereodekooderi, josta lampun ohjaus tulee. Liittimeen on tuossa kytketty jumperointi, joka kytkee lampun ohjauksen maihin ja yhdistää vahvistimelle menevät L ja R-kanavat. Toimii siis monovastaanottimena. Jos kuvassa näkyvät komponentit ovat kunnossa ja dekooderi asennettu, vika on dekooderin puolella.
Rami OH1AYG - OH2AUS
WWW
IP kirjattu
Raimo Sjöberg
God Member
Poissa
SRHS #313
Viestejä: 1561
Sijainti: Espoo
Re: Luxor, stereo indikointi lamppu ei loista
Vastaus #2 -
11.01.2018 klo 21:14:07
Tulosta viesti
Tarkemmin katsottuani havaitsin, että tuota lampunohjauskytkentää syötetään 19kHz:n pilot-signaalilla. Tasavirtaohjaus ei tuossa toimi, koska transistorien välillä ei ole DC-kytkentää.
Tuossa kaaviossa on kyse monoversiosta, stereoksi se muuttuu kun dekooderi kytketään liittimeen. Liittimen nasta 5 on ilmaisimen audiolähtö, siinä näkyy myös AFC:tä ohjaava tasajännite.
Rami OH1AYG - OH2AUS
WWW
IP kirjattu
jala
Senior Member
Poissa
SRHS
Viestejä: 428
Re: Luxor, stereo indikointi lamppu ei loista
Vastaus #3 -
13.01.2018 klo 14:29:03
Tulosta viesti
Sain radion ja kaavion muuttokuorma jäämistöstä (oli menossa romutukseen).
Tähän oli vaihdettu tuohon 6V ind.polttimo, vaihdoin siihen 24V polttimon.
Mallista ei tietoa, takana ollut tyyppikilpitarra irronnut, omistaja muisteli Luxor merkiksi.
Onko tämä mono versio, vaikka radion takapanelissa on liitännät kahdelle kaiuttimelle ja etupanelissa merkintä stereo.
Jännite tuolla x) nasta 5 on 0 volttia, mittarin DC ja AC asennossa.
Luxor_005.jpg
( 189 KB | 0 latausta )
IP kirjattu
plamminen
God Member
Poissa
SRHS: 610
Viestejä: 1643
Sijainti: Loviisa
Re: Luxor, stereo indikointi lamppu ei loista
Vastaus #4 -
13.01.2018 klo 14:32:32
Tulosta viesti
Lampun jännite on sen verran iso että ei taida hehkua 6:lla voltilla.
Mimmonen kanta lampulla on. Onko kierrekanta kuten vanhoissa taskulampuissa?
Pentti Lamminen
IP kirjattu
putkinotko
God Member
Poissa
SRHS # 751
Viestejä: 1881
Sijainti: Lohja
Re: Luxor, stereo indikointi lamppu ei loista
Vastaus #5 -
13.01.2018 klo 14:40:18
Tulosta viesti
Vahvistinosa on stereo, mutta ULA-virittimestä puuttuu dekooderi, joten radio-osa on mono.
Jussi
IP kirjattu
Sivu: 1
Lähetä aihe
Tulosta
‹
Edellinen aihe
|
Seuraava aihe
›
Foorumihyppy »
Koti
» 10 viimeisintä viestiä
» 10 viimeisintä aihetta
Suomen Radiohistoriallinen Seura ry - Keskustelufoorumi
Suomen Radiohistoriallinen Seura ry
Jäsenalue
Yleistä radiohistoriasta
Kotimaiset radiot, televisiot ja äänentoistolaitteet
Ulkomaiset radiot, televisiot ja äänentoistolaitteet ««
Muut radio- ja elektroniikkalaitteet
Entisöinti ja kunnostus yleisellä tasolla
Omatekoiset laitteet ja rakentelu
Sotilasradiot ja Perinneradiot
Yleinen keskustelualue
Niitä Näitä
Haku päällä
« Koti
‹ Alue
SRHS Forum
» Powered by
YaBB 2.6.12
!
YaBB Forum Software
© 2000-2026. Kaikki oikeudet pidätetään.