Valitse kieli:
English
Suomi
Tervetuloa, Vieras. Ole hyvä ja
kirjaudu
tai
Rekisteröidy
Koti
Ohjeita
Haku
Kirjaudu
Rekisteröidy
Liity SRHS:n jäseneksi
SRHS Forum
›
Suomen Radiohistoriallinen Seura ry - Keskustelufoorumi
›
Kotimaiset radiot, televisiot ja äänentoistolaitteet
› S-käyrän etsintää
‹
Edellinen aihe
|
Seuraava aihe
›
Sivu:
[1]
2
3
Lähetä aihe
Tulosta
S-käyrän etsintää (Luettu 21603 kertaa)
Kuulessää
Full Member
Poissa
SRHS 885
Viestejä: 240
S-käyrän etsintää
26.10.2017 klo 16:37:50
Tulosta viesti
Paremman mittalaitteiston puutteessa yritin saada selville Salora 1000V:n s-käyrän muotoa seuraavalla järjestelyllä:
Kiinanihme funktiogeneraattori FeelTech FY2300S syöttää siniaaltoa (200 mV antotasolla) 56 pF konkan kautta ilmaisinta edeltävän vt-putken (EAF42) hilalle. DVM mittaa jännitettä kuvan esittämistä paikoista. Taajuuden askellus 5 kHz välein ja taajuus/jänniteparit taulukkolaskentaohjelmalle talteen ja siitä kuvaksi.
Aika erikoinen tuosta tuli, jotakin on varmaan pielessä joko mittaussysteemissä tai laitteessa itsessään? Ja niin, syy tähän operaatioon on, että ULA-vastaanotto on kovin vaisun oloista, äänenvoimakkuus on heikko. Pientaajuuspuoli ja pääteaste on käsitykseni mukaan kunnossa koska ulkoinen signaali levysoitinliitäntään kyllä tuottaa tarpeeksi kaiutinvolyymia.
Asemavirityskin toimii erikoisesti, keskitaajuudella on lähes täysin hiljaista, sen ala- ja yläpuolella ääni kuuluu.
Ilmaisinelko on vaihdettu.
Edit 27.10:
Tuohan vaikuttaa ihan siltä kuin ilmaisu tapahtuisi luiskailmaisinperiaatteeella. Otto Limanin Radiotekniikka-kirjassa tuota luiskailmaisimen toimintaa on selvitetty s.233.
Kokeilin myös kuunnella tuollaista postimerkin kokoista FM-lähetintä. Signaalitaso metrin päässä on tietysti erittäin hyvä ja sillä signaalilla radiokin toimii aivan hyvin, tuo viritysongelmakin poistuu. Eli heikko antennivastaanotto laitteen omalla koteloantennilla tuntuu tuovan nuo ongelmat.
Pari kuvaa selvittänee mittausjärjestelyä ja tulosta. Kommentit tervetulleita...
«
Viimeksi muokattu: 27.10.2017 klo 15:19:49 Kirjoittaja Kuulessää
»
Syy:
Lisätty maininta luiskailmaisimesta
V1000_1.jpg
( 123 KB | 0 latausta )
V1000_2.jpg
( 46 KB | 0 latausta )
IP kirjattu
Kuulessää
Full Member
Poissa
SRHS 885
Viestejä: 240
Re: S-käyrän etsintää
Vastaus #1 -
01.11.2017 klo 14:46:12
Tulosta viesti
Nyt on Saloran välitaajuuspurkit viritetty. Kaikki sydämet olikin sen tarpeessa ja aika hyvä tuosta mielestäni tuli. Ensin ilmaisimen viritys (mikä kyllä oli hermojakysyvä homma), todella herkkää kättä tarvittiin jotta nollakohdan sai tuohon suurin piirtein kohdalleen. Systeemi oli tuo edelläkuvattu eli signaali EAF42 hilalle. Muut välitaajuuspurkit sitten niin, että EC92:lle signaalisyöttö sen ympärillä olevan muutaman kierroksen ilmakelan kautta. Olikohan tuo nyt sitten kuitenkin hiukan kerettiläistä kun se toimii Ulalla vain esivahvistimena, sekoittajana on sitten vasta seuraava putki eli ECC81.
s-mittaus_II_1000V.jpg
( 188 KB | 0 latausta )
IP kirjattu
Kuulessää
Full Member
Poissa
SRHS 885
Viestejä: 240
Re: S-käyrän etsintää
Vastaus #2 -
04.11.2017 klo 16:34:28
Tulosta viesti
Tuli mieleen tuosta ilmaisimen toision virityksen herkkyydestä. Tuntuu, että sydän on sen verran väljähkö? tuohon kelarunkoon, että se taitaa liikahtaa heti johonkin suuntaan kun viritysmeisseli (muovinen toki) koskettaa. Tuon perusteella voisi ajatella että olisiko syytä sulattaa hiukan uutta vahaa tuohon päälle. Enemmän noita virityksiä tehneiltä kysyisinkin, kuinka tarpeelliseksi tai tarpeettomaksi näette noiden kelasydänten paikoilleen lukituksen vahalla virityksen jälkeen ?
IP kirjattu
plamminen
God Member
Poissa
SRHS: 610
Viestejä: 1643
Sijainti: Loviisa
Re: S-käyrän etsintää
Vastaus #3 -
05.11.2017 klo 09:01:01
Tulosta viesti
Jos mahtuu niin kuminauhan pala on hyvä. Tarpeeksi ohutta kuminauhaa saa kun purkaa pätkän mustekalakiristintä. Ainakin vanhoissa on noin 100kpl nippu ohuita säikeitä.
Pena
Pentti Lamminen
IP kirjattu
Kuulessää
Full Member
Poissa
SRHS 885
Viestejä: 240
Re: S-käyrän etsintää
Vastaus #4 -
14.11.2017 klo 00:58:09
Tulosta viesti
Penalle kiitos vihjeestä. Juuri kerkesin heittää roskiin tuollaisen venähtäneen mustekalan. Taas se nähtiin että heti tulee tarvis kun jotakin poistaa varastosta.
Saloran tutkiminen on jatkunut ja syy tuohon ilmaisinvirityksen yliherkkyyteen taitaa olla selviämässä. Radiota kuunnellessa kun asemaviritys tuntui siirtyilevän aina välillä ihan omia aikojaan. Ajattelin ensin, että kyse saattaisi olla komponenttiviasta, mutta sitten kokeilin seurata Saloran oskillaattoritaajuutta tuollaisella SDR-donglella ja siinähän tuo taajuuden vaihtelu näkyikin selvästi. Laskennallinen taajuus pitäisi olla 105,500 MHz (Yle Eurajoki 94,8 oli kuunneltavana). Tuo vaihtelu oli tietyllä lailla systemaattista kuitenkin joten tuli mieleen seurata verkkojännitettä tuossa rinnalla. Sieltähän se syykin sitten löytyi, jännite vaihteli hyppäyksillä välillä 226 - 235 V säännöllisen epäsäännöllisesti. Tuossa liitekuvassa vaihtelu oli 230-235 V.
Nyt sitten ehdotuksia miten tuo ehkäistään. Eihän tuo aina tunnu tuota tekevän, mutta silloin kun tekee ilmiö on kokolailla kiusallinen. Carunalle taitaa olla turha asiasta valittaa...
Jdnnitevaihtelun_vaikutus.jpg
( 464 KB | 0 latausta )
IP kirjattu
jasonisti
God Member
Poissa
Viestejä: 772
Re: S-käyrän etsintää
Vastaus #5 -
14.11.2017 klo 08:48:40
Tulosta viesti
Tulkitsen tuota jännitekäyrää niin, että vastuskuorma lyödään päälle mekaanisella termostaatilla ja kun vastus lämpiää niin virta pienenee/jännite kasvaa. Lopussa mekaaninen kytkin vielä hieman värähtelee ja tekee tuon kytkentäpiikin.
Omassa talossa on suora sähkölämmitys ja kyllä esim. olohuoneen 2 kW kun kytkeytyy niin samassa vaiheessa oleva lamppu reagoi himmenemällä.
Mielestäni radiossa on kuitenkin vikaa, ei noin pieni jännitevaihtelu pitäisi mitään vaikuttaa.
IP kirjattu
Kuulessää
Full Member
Poissa
SRHS 885
Viestejä: 240
Re: S-käyrän etsintää
Vastaus #6 -
14.11.2017 klo 09:38:23
Tulosta viesti
Tulkintasi ilmiön aiheuttajasta tuntuu olevan oikea. Eteisessä on 2kpl 550 W sähköpatteria ja kyllä tuo niiden kytketymistä tuntuu seuraavan. Katkaisun värähtely näkyy tuossa oikein selvästi, molempia pattereita ohjaa yhteinen termostaatti joka tosin on elektroninen ja kytkentäjaksot vain muutaman kymmenen sekuntia kerrallaan.
Ja varmaan olet oikeassa siinä, että ei tuon ikäinen radio noin herkkä jännitemuutoksille saisi olla. En huomaa vastaavaa ilmiötä ainakaan parissa muussa putkiradiossa jotka tuosta samasta töpselistä toimii ja varmasti on verkon jännitteet vaihdellut paljon enemmänkin silloin kun tuo on ollut vielä uusi. Mistäs tuota tuossa Salorassa nyt sitten seuraavaksi kannattaisi alkaa selvittää ?
Edit: Hauska tuo vesiputousnäyttö. Siitähän saa pysäytettynä katsottua kursorilla nuo tapahtuma-ajatkin. 1,7 sekuntia kestää tuo katkaisuprosessin tasaantuminen.
«
Viimeksi muokattu: 14.11.2017 klo 10:00:01 Kirjoittaja Kuulessää
»
Syy:
Haja-ajattelua taasen
katkaisuvdrdhtely.jpg
( 100 KB | 0 latausta )
IP kirjattu
artosalo
God Member
Poissa
Viestejä: 2663
Sijainti: Perniö
Re: S-käyrän etsintää
Vastaus #7 -
14.11.2017 klo 14:24:50
Tulosta viesti
ULA-etupäälle voisi järjestää stabiloidun käyttöjännitteen. Tarvitaan yksi zenerdiodi (150, 180 tai 200 V) sekä yksi vastus.
Paljonkohan käyttöjännite on nyt ?
IP kirjattu
Kuulessää
Full Member
Poissa
SRHS 885
Viestejä: 240
Re: S-käyrän etsintää
Vastaus #8 -
14.11.2017 klo 19:16:32
Tulosta viesti
Tuohan kuulostaa laitetta pahemmin raiskaamatta toteuttamiskelpoiselta idealta. Tuosta kuvaan merkitystä pisteestä mittasin, siinä näytti lyhyehkön seurannan aikana vaihtelevan välillä 228-234 V. Verkkojännite siinä 225-230 tällä erää.
Uusi asia minulle että noita zenereitä löytyy noinkin korkeille jännitelukemille, millainen lienee saatavuus. Kuinkas suuri vastus ja sen tehonkesto tulisi olla jos joku 220 Voltin kieppeillä olevan zenerin sinne löytäisi?
Etupddn_jdnnite.jpg
( 23 KB | 0 latausta )
IP kirjattu
putkinotko
God Member
Poissa
SRHS # 751
Viestejä: 1881
Sijainti: Lohja
Re: S-käyrän etsintää
Vastaus #9 -
14.11.2017 klo 20:41:44
Tulosta viesti
Moro
1N4990 esimerkiksi on 220V/5W eli virran kesto yli 20mA.
Jussi
IP kirjattu
artosalo
God Member
Poissa
Viestejä: 2663
Sijainti: Perniö
Re: S-käyrän etsintää
Vastaus #10 -
14.11.2017 klo 21:09:52
Tulosta viesti
Jos nuo skeman jännitelukemat ovat todellisia, mitattuja, niin parempi zenerjännite on 200 V. Sarjavastuksen yli pitää sentään jäädä muutama kymmenen volttia. Zeneriksi käy esim. tämä:
http://www.vekoy.com/product_info.php?cPath=42_690_194&products_id=3698
Sitten pitäisi saada selville etupään ottama virta, jotta sarjavastuksen arvon voi määrittää. Vain ECC81:n käyttöjännite on tarpeen stabiloida. Jos kytkentätekniset syyt edellyttävät, niin voi EC92:n ottaa mukaan tähän stabiloituun jännitteeseen.
IP kirjattu
Kuulessää
Full Member
Poissa
SRHS 885
Viestejä: 240
Re: S-käyrän etsintää
Vastaus #11 -
14.11.2017 klo 22:39:38
Tulosta viesti
Katselin tuota toteutusta alapuolelta, kyllä nuo ECC81 molempien puoliskojen anodijännitteet voi tuolta suhteellisen helposti ottaa muista erilleen.
Mittailin jännitehäviöt noiden R5 ja R6 yli ja sain seuraavanlaisia tuloksia:
R5 (10k) mitattu arvo 9,5 kΩ jännitehäviö 73 V >>> I=U/R joten virta olisi 7,7 mA
R6 (22k) mitattu arvo 22,3 kΩ jännitehäviö 88 V >>> virta 3,9 mA
Vastukset mitattu paikoillaan. Onko nuo arvot ollenkaan oikealla tontilla ?
IP kirjattu
artosalo
God Member
Poissa
Viestejä: 2663
Sijainti: Perniö
Re: S-käyrän etsintää
Vastaus #12 -
14.11.2017 klo 23:04:57
Tulosta viesti
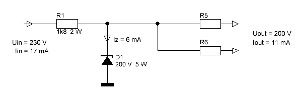
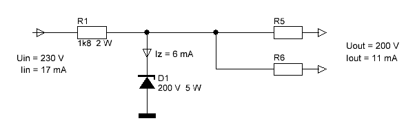
Noilla arvoilla voisi kokeilla vaikka tällaista kytkentää.
Zenerille 6 mA, ECC81:lle 11 mA, yhteensä 17 mA, jolloin 1k8 vastus zenerin kanssa sarjaan. R1:n tehohäviö on 0,5 W joten 1 W vastus käynee myös.
Shunttiregu.GIF
( 2 KB | 0 latausta )
IP kirjattu
Kuulessää
Full Member
Poissa
SRHS 885
Viestejä: 240
Re: S-käyrän etsintää
Vastaus #13 -
15.11.2017 klo 06:46:32
Tulosta viesti
Kiitos! Tuota pitää kokeilla kun saa hankituksi tuon Zenerin. Mutta pitääkö noita R5 ja R6 arvoja nyt myös jotenkin justeerata vaikka shunttivastuksilla ettei ECC:lle päätyvät jännitteet laske liikaa, siinähän häviää nyt se 30 V ennen niitä jo?
IP kirjattu
artosalo
God Member
Poissa
Viestejä: 2663
Sijainti: Perniö
Re: S-käyrän etsintää
Vastaus #14 -
15.11.2017 klo 08:50:47
Tulosta viesti
En usko että on tarpeen muuttaa R5 ja R6 arvoja. Jännitemuutos on kuitenkin aika pieni.
Jos asia sinua kiinnostaa, niin voithan toki kokeilla.
IP kirjattu
Sivu:
[1]
2
3
Lähetä aihe
Tulosta
‹
Edellinen aihe
|
Seuraava aihe
›
Foorumihyppy »
Koti
» 10 viimeisintä viestiä
» 10 viimeisintä aihetta
Suomen Radiohistoriallinen Seura ry - Keskustelufoorumi
Suomen Radiohistoriallinen Seura ry
Jäsenalue
Yleistä radiohistoriasta
Kotimaiset radiot, televisiot ja äänentoistolaitteet ««
Ulkomaiset radiot, televisiot ja äänentoistolaitteet
Muut radio- ja elektroniikkalaitteet
Entisöinti ja kunnostus yleisellä tasolla
Omatekoiset laitteet ja rakentelu
Sotilasradiot ja Perinneradiot
Yleinen keskustelualue
Niitä Näitä
Haku päällä
« Koti
‹ Alue
SRHS Forum
» Powered by
YaBB 2.6.12
!
YaBB Forum Software
© 2000-2026. Kaikki oikeudet pidätetään.