Valitse kieli:
English
Suomi
Tervetuloa, Vieras. Ole hyvä ja
kirjaudu
tai
Rekisteröidy
Koti
Ohjeita
Haku
Kirjaudu
Rekisteröidy
Liity SRHS:n jäseneksi
SRHS Forum
›
Suomen Radiohistoriallinen Seura ry - Keskustelufoorumi
›
Ulkomaiset radiot, televisiot ja äänentoistolaitteet
› Nordmende Turandot 860.614.00
‹
Edellinen aihe
|
Seuraava aihe
›
Sivu: 1
Lähetä aihe
Tulosta
Nordmende Turandot 860.614.00 (Luettu 7212 kertaa)
oskari71
God Member
Poissa
SRHS
Viestejä: 531
Sijainti: Vaajakoski
Nordmende Turandot 860.614.00
09.10.2017 klo 21:06:36
Tulosta viesti
Hei.
Tuli taas kirpparilta ostettua radio.Kuori tosi nätti mutta ULA ei toimi.Muilla alueilla vain tosi vaimeaa kohinaa.En kauaa pitänyt virroissa mutta kaikki putket lämpiää,lamppu on palanut ja näköviritysputki(EM84) himmeä.
Tarvitsisin kytkentäkaaviot kyseiseen Nordmendeen.Sattuisiko keneltäkään löytymään?Netistä löysin jotain mutta tuli suttua kun printtasin ja pienellä olevista lukemista ei saa selvää.100uf/50uf näkyy olevan tuo kannuelko,ilmeisesti nastat on olleet värikoodattuja (kannun kyljessä rt=pun,ge=kelt)mutta tuosta on värit hävinnyt.Onko vinkkiä kumpi on kumpi?Radio on alkuperäisen näköinen joten kai tuon voi päätellä kytkiksestä?
IP kirjattu
VjpA
God Member
Poissa
SRHS
Viestejä: 2679
Sijainti: Vantaa
Re: Nordmende Turandot 860.614.00
Vastaus #1 -
09.10.2017 klo 23:35:49
Tulosta viesti
Tuo on aika lähellä, jos ei muualta löydy parempaa:
https://elektrotanya.com/nordmende_859.614.00_turandot_59_sm.pdf/download.html
joudut vähän aikaa odottamaan ennekuin latauslupa tulee.
t. // Jukka
IP kirjattu
oskari71
God Member
Poissa
SRHS
Viestejä: 531
Sijainti: Vaajakoski
Re: Nordmende Turandot 860.614.00
Vastaus #2 -
10.10.2017 klo 13:51:51
Tulosta viesti
Ok.
Tuostahan tuo kannuelko ongelma selviää.Tuloste ei tule kovin selkeänä mutta täytyy tarkastella ruudulla.
Kiitos vinkistä.
IP kirjattu
VjpA
God Member
Poissa
SRHS
Viestejä: 2679
Sijainti: Vantaa
Re: Nordmende Turandot 860.614.00
Vastaus #3 -
10.10.2017 klo 16:41:52
Tulosta viesti
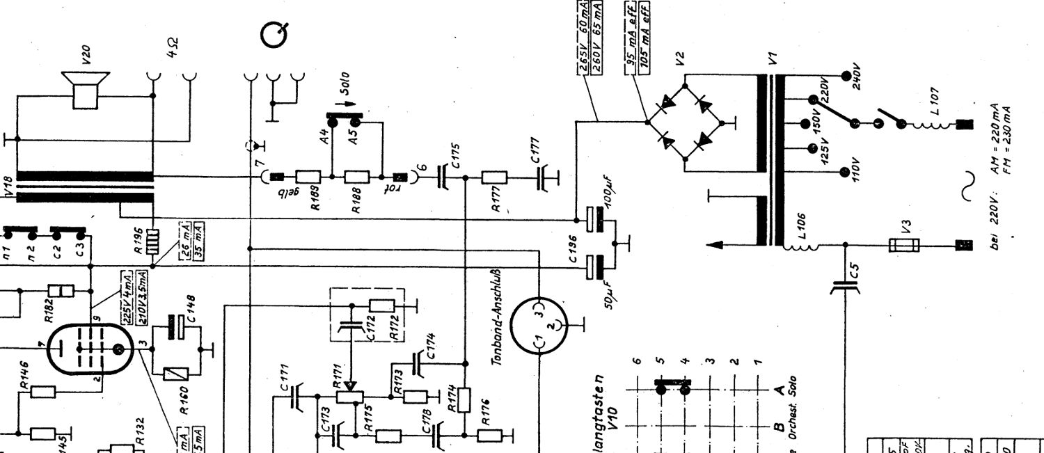
Harvoin näkee parempaa kuvaa, joku mättää tulostuksessa. Tosin kaavio on vähän isonlainen.
Tässä osakuva päätevahvistimesta ja virtalähteestä:
PS_NordmTD.jpeg
( 114 KB | 0 latausta )
t. // Jukka
IP kirjattu
Purtsi
Junior Member
Poissa
Viestejä: 91
Re: Nordmende Turandot 860.614.00
Vastaus #4 -
10.10.2017 klo 20:16:17
Tulosta viesti
Minullaon tuo sama ja täysin toimiva ! Vaihdoin vain asteikko lampun ja pelaa kuin uusi. Valitettavasti ULA ei kokonaan nykyisen laajuinen, 108 Mhz asti ,vaan 100Mhz .
IP kirjattu
oskari71
God Member
Poissa
SRHS
Viestejä: 531
Sijainti: Vaajakoski
Re: Nordmende Turandot 860.614.00
Vastaus #5 -
10.10.2017 klo 21:37:42
Tulosta viesti
Joo.Minun tulostin se reistaa.Työpaikalla kokeilin uudelleen ja tuli ihan selkeä.Uusin jo radion elkot ja asteikkolampun.Elkojen vaihto ei vielä riittänyt ,edelleenkään ei soi,rahisee kyllä eli jotain kuuluu.Kannusta oli sisälmykset ihan kuivat.Laitoin uudet elkot vanhan sisälle kun hyvin mahtuivat.Putket lämpiää.On aika kuivan näköisiä nuo kaikki vahapäiset konkat.Alan vaihtamaan kaikki vähänkään huonon näköiset.Vaikuttaa että olisi käynyt joskus kuumana kun vahat on valahtanut lähes kaikista.Osa konkista on NEOKON merkkisiä muovisia.Niitä en ole vielä tutkinut että ovatko annetuissa arvoissa.Tämähän on osittain piirilevylle tehty.Täytyy myös tutkia tuo levy että siinä on kaikki kiinni ja yhteydet kunnossa.Vaihdan seuraavaksi nuo huonot konkat ja alan tekemään mittauksia.Eiköhän tuosta vielä soiva peli tule...
IP kirjattu
oskari71
God Member
Poissa
SRHS
Viestejä: 531
Sijainti: Vaajakoski
Re: Nordmende Turandot 860.614.00
Vastaus #6 -
11.10.2017 klo 21:33:25
Tulosta viesti
No niin...alkoi soida.Konkat uusin lähes kaikki.Ecc85 putki on ilmeisesti heikko.Kokeilin toisen radion putkella ja toimii.
Nyt tarvitsisin vähän apua kun en ymmärrä.Kaaviossa konkka C182 (vahapintatainen,arvo2,2nf/500v).Osaisiko joku kertoa mikä tuon tehtävä on?Minulla ei tuota 2,2:sta ollut niin kokeilin 4.7nf konkalla ja radio kyllä soi.Kannun nastoissa mittasin(valitsin 240v) 251v toisessa ja 212 toisessa.Lampun kannasta 6.1v.Jos valitsimen kääntää 220v niin toinen nasta 272v ja toinen 231v.Lampun kannasta 6.8v.
Täytyy jatkaa mittailuja kun saa tuon oikea arvoisen C182 konkan,mikäli se on toiminnalle kriittinen.
IP kirjattu
putkinotko
God Member
Poissa
SRHS # 751
Viestejä: 1881
Sijainti: Lohja
Re: Nordmende Turandot 860.614.00
Vastaus #7 -
11.10.2017 klo 21:46:37
Tulosta viesti
Moro
Sillä rajoitetaan diskanttikaiuttimen alataajuuksia. kytke kaksi 4,7nF:n konkkaa sarjaan, niin on riittävän lähellä totuutta (2,35nF), ettei liian matalat äänekset pörise diskanttikaiuttimessa.
Jussi
IP kirjattu
oskari71
God Member
Poissa
SRHS
Viestejä: 531
Sijainti: Vaajakoski
Re: Nordmende Turandot 860.614.00
Vastaus #8 -
17.10.2017 klo 21:23:48
Tulosta viesti
Viimein sain tuon 2nf konkan vaihdettua ja kyllä ääni selkeni.
Mittailin tänään arvoja EL84 putken kannasta valinta 220v ja 240v. Minulle ei vielä ole tuo termistö hallussa joten pahoittelut siitä.220:llä piikki 7 / 255v, piikki 9 / 209v ja piikki 3 / 6.7v.Nämä arvot on aika lähellä kaavion arvoja paitsi tuo nro 7 joka on tuon 5 volttia yli annetun arvon.Kun 240:lle laittaa niin arvot jää alle,piikki 7 /236v piikki 9 / 199v piikki 3 / 6.1v.Asiantuntevuudesta olisi taas apua ja kysyisinkin siis että kun radio kerran nyt kuuluu olipa valinta 220 tai 240,niin kumpi on huonompi pieni yli vai ali jännite?Tuon ylimääräisen 5v saisi kaiketi sopivalla vastuksella korjattua,mikäli se on tarpeen.
IP kirjattu
Ruokki
God Member
Poissa
Viestejä: 1781
Re: Nordmende Turandot 860.614.00
Vastaus #9 -
17.10.2017 klo 21:32:04
Tulosta viesti
Mitä hehkujännitteet näytti?
Ruokki
IP kirjattu
oskari71
God Member
Poissa
SRHS
Viestejä: 531
Sijainti: Vaajakoski
Re: Nordmende Turandot 860.614.00
Vastaus #10 -
18.10.2017 klo 16:05:01
Tulosta viesti
Hei.Eli onko tuo hehku pinni 5?Mikäli on niin 220:llä 6.73Vac , 240:llä 6.15Vac. Lampun kannalta suunnilleen samat.
«
Viimeksi muokattu: 18.10.2017 klo 16:21:13 Kirjoittaja oskari71
»
IP kirjattu
Ruokki
God Member
Poissa
Viestejä: 1781
Re: Nordmende Turandot 860.614.00
Vastaus #11 -
18.10.2017 klo 17:57:35
Tulosta viesti
Kyllä nuo hehkun jännitteet. 6,3V olis nappiin. Eli käyttäisin 240V sisäänmenoa.
Ruokki
IP kirjattu
OH2EO
God Member
Poissa
SRHS
Viestejä: 1120
Re: Nordmende Turandot 860.614.00
Vastaus #12 -
18.10.2017 klo 17:59:30
Tulosta viesti
Kannattaa pitää 240V asennossa, niin ei tule hehkuille ylijännitettä. Putkien ikä pitenee.
E: Ruokki oli nopeampi
IP kirjattu
oskari71
God Member
Poissa
SRHS
Viestejä: 531
Sijainti: Vaajakoski
Re: Nordmende Turandot 860.614.00
Vastaus #13 -
18.10.2017 klo 21:31:16
Tulosta viesti
Kiitos kaikille avustusesta.Näin noviisina apu on välillä tarpeen ihan perusasioissakin.Löysin vielä tuosta radiosta yhden korjauskohteen.Olen ihmetellyt kun tuosta ULA välillä häviää ja kävin jo moneen kertaan kaikki juottamani komponentit läpi josko olisin huolimattomasti tinaillut.No vika ei ollut juotoksissa.Ihan vahingossa satuin tönäisemään antenniliitännältä ULA:lle tulevaa johtoa.Ulan laatikon kyljessä oleva toinen antennijohtimen prässätty läpivienti oli poikki.Tein uuden läpiviennin pienestä kumin palasta ja kuparilangasta ja juotin siihen osat ja rasian sisällä olleen ohuen käämilangan kiinni.Saapa nähdä ottaako tuo kovastikkin häiriötä??Jotakin tuolle oli tehtävä.Täytyy huomenna vielä kokeilla tuolla vanhalla ECC85 putkella koska tuli vähän sellainen olo että vaihdoin putken turhaan.
IP kirjattu
Sivu: 1
Lähetä aihe
Tulosta
‹
Edellinen aihe
|
Seuraava aihe
›
Foorumihyppy »
Koti
» 10 viimeisintä viestiä
» 10 viimeisintä aihetta
Suomen Radiohistoriallinen Seura ry - Keskustelufoorumi
Suomen Radiohistoriallinen Seura ry
Jäsenalue
Yleistä radiohistoriasta
Kotimaiset radiot, televisiot ja äänentoistolaitteet
Ulkomaiset radiot, televisiot ja äänentoistolaitteet ««
Muut radio- ja elektroniikkalaitteet
Entisöinti ja kunnostus yleisellä tasolla
Omatekoiset laitteet ja rakentelu
Sotilasradiot ja Perinneradiot
Yleinen keskustelualue
Niitä Näitä
Haku päällä
« Koti
‹ Alue
SRHS Forum
» Powered by
YaBB 2.6.12
!
YaBB Forum Software
© 2000-2026. Kaikki oikeudet pidätetään.