Valitse kieli:
English
Suomi
Tervetuloa, Vieras. Ole hyvä ja
kirjaudu
tai
Rekisteröidy
Koti
Ohjeita
Haku
Kirjaudu
Rekisteröidy
Liity SRHS:n jäseneksi
SRHS Forum
›
Suomen Radiohistoriallinen Seura ry - Keskustelufoorumi
›
Omatekoiset laitteet ja rakentelu
› 6V --> 70 V muuttaja paristoputkiradiolle
‹
Edellinen aihe
|
Seuraava aihe
›
Sivu: 1
Lähetä aihe
Tulosta
6V --> 70 V muuttaja paristoputkiradiolle (Luettu 1544 kertaa)
plamminen
God Member
Poissa
SRHS: 610
Viestejä: 1643
Sijainti: Loviisa
6V --> 70 V muuttaja paristoputkiradiolle
06.05.2017 klo 19:14:38
Tulosta viesti
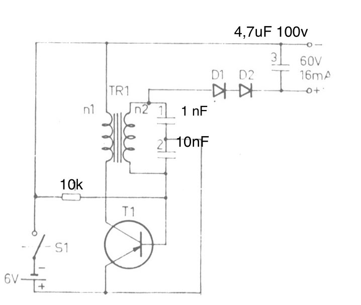
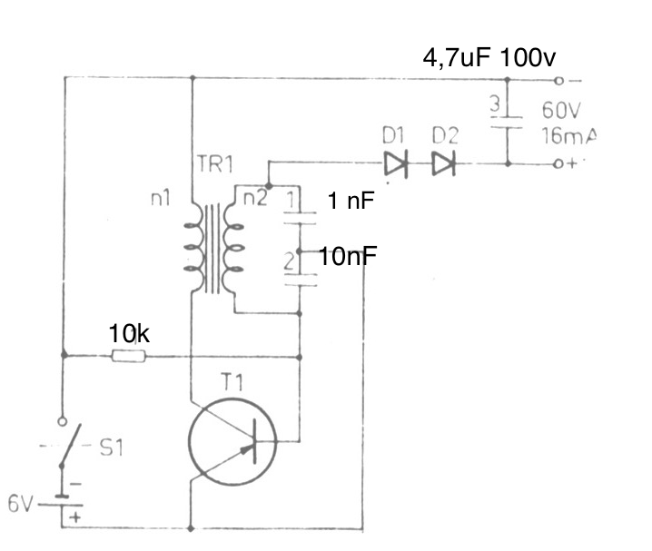
Tuossa jäljempänä on hieno pintaliitos komponenteilla tehty hieno muuttaja. Ei tässä iässä enää vapina ja näkö anna myöten noin hienoa tehdä. Tässä tosi yksinkertainen vempain samaan tarpeeseen. Peltikuoreen asennettuna ei häiritse radiota.
Kela. Runko Al 400 nH/kierros
N2: Valmis kela numeroissa 28 ja 29
- 68mH —> n= 412
N1: Muuntosuhde 75V/6V = 12.5
N1 n= 412/13 = 31
Kierrä 31 kierrosta kelan n2 päälle.
Myynnissä muutama kpl rakennussarjoja. Mukana muut osat paitsi kytkentälevy ja lisäksi itse joutuu N1 kelan kääminään (0,25 lanka mukana). Hinta 10€ kpl postitettuna.
Hyötysuhde 80% joka on kelvollinen tämän tyyppiselle muuttajalle.
Varaudu kytkennässä vaihtamaan n1 kelan johdon päät. Kun oikein Uo on ilman kuormaa noin 90V ja 10 mA kuormalla 70..75V riippuen hieman transistorista.
Transistori: Germanium PNP 1W / 1A esim AC188, AC153, AC142, AC128 ym. Yleensä ei tarvita lisäjäähdytystä. Kuvassa tasasuuntauksessa 2 diodia, 1 kpl 1N4007 riittää.
Alkuperäinen kaavio kirjasta B Kruger Likspänningsomvandlare.
Laita yv tai sähköposti (pentti (at) sulo.fi) jos sarja kiinnostaa.
edit: Otan mukaan Petäjävedelle jos ei ihan räntäsadetta luvata.
Pena
«
Viimeksi muokattu: 06.05.2017 klo 20:02:50 Kirjoittaja plamminen
»
kytkaavio_muuttaja.png
( 59 KB | 0 latausta )
Muuttaja_koelevy_70v.JPG
( 348 KB | 0 latausta )
Pentti Lamminen
IP kirjattu
Sivu: 1
Lähetä aihe
Tulosta
‹
Edellinen aihe
|
Seuraava aihe
›
Foorumihyppy »
Koti
» 10 viimeisintä viestiä
» 10 viimeisintä aihetta
Suomen Radiohistoriallinen Seura ry - Keskustelufoorumi
Suomen Radiohistoriallinen Seura ry
Jäsenalue
Yleistä radiohistoriasta
Kotimaiset radiot, televisiot ja äänentoistolaitteet
Ulkomaiset radiot, televisiot ja äänentoistolaitteet
Muut radio- ja elektroniikkalaitteet
Entisöinti ja kunnostus yleisellä tasolla
Omatekoiset laitteet ja rakentelu ««
Sotilasradiot ja Perinneradiot
Yleinen keskustelualue
Niitä Näitä
Haku päällä
« Koti
‹ Alue
SRHS Forum
» Powered by
YaBB 2.6.12
!
YaBB Forum Software
© 2000-2026. Kaikki oikeudet pidätetään.