Valitse kieli:
English
Suomi
Tervetuloa, Vieras. Ole hyvä ja
kirjaudu
tai
Rekisteröidy
Koti
Ohjeita
Haku
Kirjaudu
Rekisteröidy
Liity SRHS:n jäseneksi
SRHS Forum
›
Suomen Radiohistoriallinen Seura ry - Keskustelufoorumi
›
Entisöinti ja kunnostus yleisellä tasolla
› Mikä komponentti ?
‹
Edellinen aihe
|
Seuraava aihe
›
Sivu: 1
Lähetä aihe
Tulosta
Mikä komponentti ? (Luettu 3374 kertaa)
Kuulessää
Full Member
Poissa
SRHS 885
Viestejä: 240
Mikä komponentti ?
17.04.2017 klo 20:16:48
Tulosta viesti
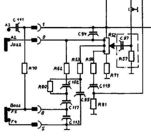
Mikä komponentti mahtaa olla kuvassa. Ilmeisesti kondensaattori ja vastus samoissa kuorissa, mutta sarjassa vaiko rinnan kytkettyinä?
Mikd_komponentti.jpg
( 87 KB | 0 latausta )
IP kirjattu
IlpoJaakko
God Member
Poissa
SRHS
Viestejä: 868
Re: Mikä komponentti ?
Vastaus #1 -
17.04.2017 klo 20:30:50
Tulosta viesti
Kuulessää kirjoitti
17.04.2017 klo 20:16:48:
Mikä komponentti mahtaa olla kuvassa. Ilmeisesti kondensaattori ja vastus samoissa kuorissa, mutta sarjassa vaiko rinnan kytkettyinä?
Selviää resistanssimittauksella: mittari näyttää 10 Mohm, rinnakkain ovat.
mittari näyttää ääretön, sarjassa ovat.
IP kirjattu
balticsuper
God Member
Poissa
Viestejä: 888
Sijainti: Tampere
Re: Mikä komponentti ?
Vastaus #2 -
17.04.2017 klo 20:35:29
Tulosta viesti
Jokseenkin täydellisen tietämättömyyden suomalla edellytyksellä
arvelen että kyse on tavallista paremman eristysvastuksen omaavasta
paperikonkasta, normaalisti niissä on aina vuotoa, uutenakin...
Vastus-konkkayhdistelmiäkin on mutta niissä vastus on sarjaankytketty
ja pieniohminen, esim. 47..100R
Oikaista saa...
IP kirjattu
Lasse Nirhamo
God Member
Paikalla
SRHS #12
Viestejä: 962
Sijainti: Nurmes
Re: Mikä komponentti ?
Vastaus #3 -
17.04.2017 klo 21:34:30
Tulosta viesti
Asian selvittelyä helpottaa kun kerrot missä laitteessa ko komponentti on, merkki ja malli?
Ystävällisesti Lasse - Radiohistorian parissa jo vuodesta 1951
IP kirjattu
Nipa
God Member
Poissa
SRHS #477
Viestejä: 1622
Sijainti: Turku
Re: Mikä komponentti ?
Vastaus #4 -
17.04.2017 klo 22:00:34
Tulosta viesti
Tuolla jotain aiheesta..
http://www.dampfradioforum.de/viewtopic.php?f=34&t=14592
Nipa
IP kirjattu
Kuulessää
Full Member
Poissa
SRHS 885
Viestejä: 240
Re: Mikä komponentti ?
Vastaus #5 -
17.04.2017 klo 23:03:18
Tulosta viesti
Kiitos vihjeistä, tuo Nipan linkki lopulta selvitti asian. Kytkennässä näyttäisikin kuvan mukaan olevan 3 karvaa. Näkyy ne nyt kun osaa katsoa, tuo mustan johtimen oikealla puolella oleva kirkas johto tulee möykyn sisältä myös, päistä lähtevien lisäksi. Tuollainen löytyi siis Nordmende Tannhäuser 58 radiosta.
Komponentti_OK_jpg.jpg
( 25 KB | 0 latausta )
IP kirjattu
Sivu: 1
Lähetä aihe
Tulosta
‹
Edellinen aihe
|
Seuraava aihe
›
Foorumihyppy »
Koti
» 10 viimeisintä viestiä
» 10 viimeisintä aihetta
Suomen Radiohistoriallinen Seura ry - Keskustelufoorumi
Suomen Radiohistoriallinen Seura ry
Jäsenalue
Yleistä radiohistoriasta
Kotimaiset radiot, televisiot ja äänentoistolaitteet
Ulkomaiset radiot, televisiot ja äänentoistolaitteet
Muut radio- ja elektroniikkalaitteet
Entisöinti ja kunnostus yleisellä tasolla ««
Omatekoiset laitteet ja rakentelu
Sotilasradiot ja Perinneradiot
Yleinen keskustelualue
Niitä Näitä
Haku päällä
« Koti
‹ Alue
SRHS Forum
» Powered by
YaBB 2.6.12
!
YaBB Forum Software
© 2000-2026. Kaikki oikeudet pidätetään.