Sivunvalintanappi Sivu: 1 [2] 3 4  Lähetä aiheTulosta
Erittäin kuuma aihe (Enemmän kuin 25 vastausta) Grundig 3025 HI-FI 3D Klang (Luettu 28565 kertaa)
jouko
God Member
*****
Poissa


SRHS

Viestejä: 808
Sijainti: Skutskär
Re: Grundig 3025 HI-FI 3D Klang
Vastaus #15 - 12.04.2017 klo 08:22:38
Tulosta viesti  
Neljä kertaa hiottu ja lakattu. Ei se vieläkään hyvä ole, mutta saa nyt välttää.

Lakkana puolikiiltävä vesiohenteinen kalustelakka, 10 % ohennettuna, halvalla yläkannuruiskulla. ( kopio DeVilbiksen laadukkaasta ammattiruiskusta ) Pienellä paineella ja viimeinen kerros reilusti tasopinta uittaen. Isossa tallissa, eli pihalla.

Hionta epäkesko 120, 180, 240 ja lopuksi hierominen 400.
Välihionnan tein 400 karkeudella. Vesilakka on hiukan kranttu hiottava. Kuivuu hitaast.

  

IMG_0792.JPG ( 53 KB | 0 latausta )
IMG_0792.JPG
Sivun alkuun
 
IP kirjattu
 
jouko
God Member
*****
Poissa


SRHS

Viestejä: 808
Sijainti: Skutskär
Re: Grundig 3025 HI-FI 3D Klang
Vastaus #16 - 12.04.2017 klo 19:53:57
Tulosta viesti  
Lätkin nippuun koneiston kojetauluineen. Samalla säädin ULA purkista kanavan 102 mhz esille. Parilla napsulla siirtyi asteikko, mutta ei haittaa. Virityssilmäkin hehkuu hiukan, mutta aika ujo on väritys.

Asteikkovalot samalla uusiksi, ja hampaat puhtaaksi.
  
Sivun alkuun
 
IP kirjattu
 
jouko
God Member
*****
Poissa


SRHS

Viestejä: 808
Sijainti: Skutskär
Re: Grundig 3025 HI-FI 3D Klang
Vastaus #17 - 18.04.2017 klo 19:27:34
Tulosta viesti  
Putki saapui ja sitten kiinnilaittamaan, tottakai. Huomasin, että Venäläinen putki, merkintä OCR II on paksumpi ja kaksi nastaa puuttuu.

No, eipä mitään, ajattelin. Onhan se lienee mahdollista, kaikkiin nastoihinhan ei tule jännitettä. Asennus ja radio tulille.
Hehku löytyi, samoin vihreä valo. Mutta yht'äkkiä vihreä saamui ja samanaikaisesti muuntajan takaa nousi savu.

Virrat tappokykimestä poikki ja miettimään. Lyökö kanta oikoseen, jos putki on liian syvällä. Ei. Onko väärin kytketty. Ei.

Pari kertaa kokeilin, ja alennetulla jännitteellä putki toimii ok. Mutta suoralla verkkokvirralla ei.

Olen nähtävästi

A. Saanut väärän putken
B. Putken, joka on viallinen
C. Mukana jossain muussa opettavaisessa tapahtumasarjassa.

Putken siis piti olla EM 34 vastaava Venäläinen versio. Putkessa himmeä merkintä OCR II

No jep. Väärä putkihan se. 6E5S on tyyppinsä

http://www.radiomuseum.org//tubes/tube_6e5.html

« Viimeksi muokattu: 18.04.2017 klo 19:44:25 Kirjoittaja jouko »  

IMG_0794.JPG ( 60 KB | 0 latausta )
IMG_0794.JPG
Sivun alkuun
 
IP kirjattu
 
Nipa
God Member
*****
Poissa


SRHS #477

Viestejä: 1622
Sijainti: Turku
Re: Grundig 3025 HI-FI 3D Klang
Vastaus #18 - 18.04.2017 klo 20:06:17
Tulosta viesti  
Tuolta löytyy ohjetta..

http://www.radiomuseum.org/forum/replacing_the_em34_by_the_6e5c.html

Laitatko Jouko vähän paremman kuvan tuosta "OCR II"(?) putkesta.

Nipa
  
Sivun alkuun
 
IP kirjattu
 
jouko
God Member
*****
Poissa


SRHS

Viestejä: 808
Sijainti: Skutskär
Re: Grundig 3025 HI-FI 3D Klang
Vastaus #19 - 18.04.2017 klo 21:05:20
Tulosta viesti  
Moi

Kiitos ohjeesta ! Tuollahan sen saa sitten ehkä pelaamaan.

Joo, toki voin laittaa, mutta juttu putkesta kyllä selvisi. Se oli väärä putki, eikä yhteensopiva EM 34, tai 35 kanssa.

Tyyppi on 6E5S, selvisi lähetyslistasta. Myyjä oli mielestään lähettänyt oikean putken. No,samapa tuo. Pitää hankkia josaain välissä EM 34.

Kumma juttu, laitoin omat kaiuttimet kiinni. Ne tulevat parin konkan kautta ja varsinkin pääkaiutin hurisee. Eli kalvo tärisee koko ajan. ELKO ongelma ? Hurina voimistuu potikan mukaan.

Siinä on kyllä pari konkkaa, josko sitten vuotavat ?

Irtokaiuttimella, samasta linjasta otettuna, soi vallan hienosti.


  
Sivun alkuun
 
IP kirjattu
 
Timo Haveri
God Member
*****
Poissa



Viestejä: 2962
Sijainti: Parkano
Re: Grundig 3025 HI-FI 3D Klang
Vastaus #20 - 18.04.2017 klo 23:10:22
Tulosta viesti  
Tuo 6e5c on nimenomaan se putki jota yleisesti käytetään EM34:n korvaajana, muita ei oikein olekaan paitsi aito EM34. Putken 6e5c kantakytkentä on erilainen joten kytkentämuutos tarvitaan. Kas kun myyjä ei semmoista huomannut mainita?

Timo
  
Sivun alkuun
WWW  
IP kirjattu
 
jouko
God Member
*****
Poissa


SRHS

Viestejä: 808
Sijainti: Skutskär
Re: Grundig 3025 HI-FI 3D Klang
Vastaus #21 - 19.04.2017 klo 08:23:29
Tulosta viesti  

Joo. Näitä sattuu..Hyvä kun laitoit tuon ohjeen.

Ostin putken periaatteella yks - yhteen vaihto. Noita Venäjän putkia olen aiemminkin käyttänyt hyvällä menestyksellä. Tässä kaupassa myyjä ei hoksannut valottaa tätä muutosoperaatita.

No, toisaalta. Oma vika, olis pitänyt tarkemmin tsekkaa etukäteen. Tässähän sitä samalla oppii taas yhden jutun Hymiö ja pääsee juottelemaan kannan uusiksi. Ei näyttänyt kovin hankalalta.

Btw. Ostin pari päivää sitten vanhasta radiokorjaamon kuolinpesästä läjän uutta / käytettyä romua. ELKOja, vastuksia, putkia ja transostoreja. Saas nähdä, löytyykö niistä sopivia varaosia tähän ao. Grundigiin, joka muuten toimiikin jo ihan ok.

Pitää vaan se matala ja voimakas hurina saada tuosta pois. Se tulee etenkin kaiuttimen päälinjalta, eli voi siis olla ( jos on tuuria ) että linjan konkka on kypsä. Oli muuten  pinnaltaan kostea tämä Siemensi konkka. Olisko sitten masentunut, kun 30 vuotinen lepo päättyi ?

C65, C66, ja sitten 62. Noista kun aloittaa.

  

IMG_0795.JPG ( 42 KB | 0 latausta )
IMG_0795.JPG
Sivun alkuun
 
IP kirjattu
 
jouko
God Member
*****
Poissa


SRHS

Viestejä: 808
Sijainti: Skutskär
Re: Grundig 3025 HI-FI 3D Klang
Vastaus #22 - 19.04.2017 klo 08:27:20
Tulosta viesti  
Hiukan elkoja.
  

IMG_0799.JPG ( 29 KB | 0 latausta )
IMG_0799.JPG
Sivun alkuun
 
IP kirjattu
 
jouko
God Member
*****
Poissa


SRHS

Viestejä: 808
Sijainti: Skutskär
Re: Grundig 3025 HI-FI 3D Klang
Vastaus #23 - 19.04.2017 klo 08:32:39
Tulosta viesti  
Vastuksia
  

IMG_0797.JPG ( 40 KB | 0 latausta )
IMG_0797.JPG
Sivun alkuun
 
IP kirjattu
 
jouko
God Member
*****
Poissa


SRHS

Viestejä: 808
Sijainti: Skutskär
Re: Grundig 3025 HI-FI 3D Klang
Vastaus #24 - 19.04.2017 klo 20:56:29
Tulosta viesti  
Venäjän Neuvostovalmisteinen silmä sujahti paikalleen. On herkkä ja palaa siis koko ajan, tai sitten kytkennässä on joku kämmi. Toisaalta, ei kytkennässä ole montaa vaihtoehtoa ja ohjeessa oli kyllä mainittu, että 3 m. Vastus olisi paikallaan.

Täytyypä tutkia, mutta hienosti loistaa.

Voiskohan tuon kaiutinlinjan päässä olevan 10uF elkon korvata tavan polyesterikonkalla ? Saattais hurinat loppua. Ehkä.
  

IMG_0801.JPG ( 100 KB | 0 latausta )
IMG_0801.JPG
Sivun alkuun
 
IP kirjattu
 
jouko
God Member
*****
Poissa


SRHS

Viestejä: 808
Sijainti: Skutskär
Re: Grundig 3025 HI-FI 3D Klang
Vastaus #25 - 20.04.2017 klo 13:11:13
Tulosta viesti  
Tuon silmän herkkyyden ajattelin poistaa ohjeen mukaan lisävastuksella. Jäi vaan hieman epäselväksi, mitä radiomuseum.org ohjeessa tarkoitetaan.
pitäiskös vastus laittaa sarjaan jo olevan vastuksen kanssa, vai ?
  
Sivun alkuun
 
IP kirjattu
 
jouko
God Member
*****
Poissa


SRHS

Viestejä: 808
Sijainti: Skutskär
Re: Grundig 3025 HI-FI 3D Klang
Vastaus #26 - 21.04.2017 klo 18:51:44
Tulosta viesti  
Yksi sektori silmästä on ja pysyy himmeänä. Muut loistavat kirkkaasti, kaikilla taajuusalueilla, väänsipä kanavavalintaa eli ei.

Ainoa, mikä sitten jännitemittauksessa muuttuu on miinusjännite, kun kanava on kohdallaan niin -1,44 v, muuten se on -  0,03 v.
1 m Vastuksen kautta jännite silmälle on 34 v, ja silmälle tulee 232 v= myös suoraan.

Joten silmän värin voimakkuuteen ja / tai sektorien määrrään vaikuttaa tuo - jännite. Sehän oli ainoa, joka muuttuu ?

Hehku on 6,4 v.

Radio oli n. 30 min. Päällä. Ääni säröytyy ja hurina on ja pysyy.
Lienee siis verkkoelko. Ehkäpä se tasasuuntaajakin kaipaa vaihtoa. No, tutkimusmatka jatkuu.
  

IMG_0802.PNG ( 2 KB | 0 latausta )
IMG_0802.PNG
Sivun alkuun
 
IP kirjattu
 
putkinotko
God Member
*****
Poissa


SRHS # 751

Viestejä: 1881
Sijainti: Lohja
Re: Grundig 3025 HI-FI 3D Klang
Vastaus #27 - 21.04.2017 klo 21:33:18
Tulosta viesti  
Oliskohan se putki ottanut nokkiinsa siitä, kun se sai alkuperäisellä kytkennällä ohjaushilalle negatiivisen sijasta täyden anodijännitteen? Mullakin oli kerran venäläinen korvike putki EM80:n tilalla, jossa ohjaushila oli oikkarissa katodiin, ja viuhka oli täysin auki. Sen sai korjattua pienellä räpsäyksellä anodijännitettä hilalle, mikä ei ole mikään suositeltava keino, kun silloin kulkee liian suuret jännitteet ilmaisimen suuntaan, ja voi tehdä tihutöitä siellä.

Jussi
  
Sivun alkuun
 
IP kirjattu
 
jouko
God Member
*****
Poissa


SRHS

Viestejä: 808
Sijainti: Skutskär
Re: Grundig 3025 HI-FI 3D Klang
Vastaus #28 - 22.04.2017 klo 07:28:04
Tulosta viesti  
Moi

Tuotapa en ajatellutkaan. Voi tosiaan olla, että putki sai kipeää.


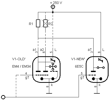
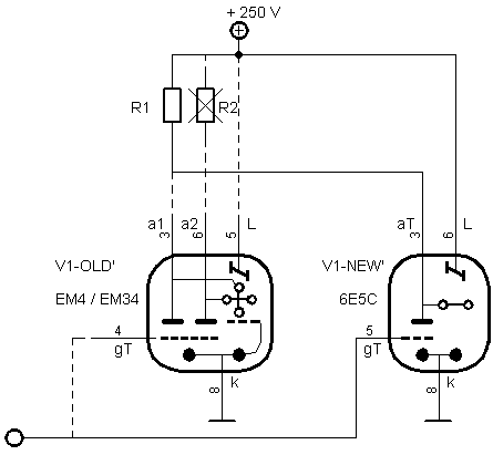
Tuossa on kuitenkin myös maininta lisävastuksesta. Mulle ei vaan aukea, mihin väliin se pitäisi laittaa.


""If the 6e5s (Cyrillic 6E5C) is too sensitive (close on too weak a signal), as is likely, then put a resistor divider such as 3M3 Ohms in series with grid and 1M Ohm from grid to ground will give about 1/4 sensitivity.""


Ja tuo putkihan on koko ajan samassa tilassa. Joten vaatus tuskin auttaa.


  
Sivun alkuun
 
IP kirjattu
 
putkinotko
God Member
*****
Poissa


SRHS # 751

Viestejä: 1881
Sijainti: Lohja
Re: Grundig 3025 HI-FI 3D Klang
Vastaus #29 - 22.04.2017 klo 08:53:25
Tulosta viesti  
Moro

Noin se tarkoitettiin.

Jussi
  

Muutos.JPG ( 46 KB | 0 latausta )
Muutos.JPG
Sivun alkuun
 
IP kirjattu
 
Sivunvalintanappi Sivu: 1 [2] 3 4 
Lähetä aiheTulosta