Sivunvalintanappi Sivu: [1]  Lähetä aiheTulosta
Erittäin kuuma aihe (Enemmän kuin 25 vastausta) Pioneer CT-70r c-kasettidekki (Luettu 21171 kertaa)
Dartagnan
Senior Member
****
Poissa


SRHS 1061

Viestejä: 276
Sijainti: Turku
Pioneer CT-70r c-kasettidekki
19.03.2017 klo 09:42:13
Tulosta viesti  
Tuollainen Pioneerin unohdettu väliinputoaja malli -83 vuodelta löytyi kirpputorilta niin ilmaiseen hintaan että se oli pakko ottaa mukaan.
Laitetta ei ole käytetty varmaan 2000luvulla kertaakaan ja sitä on hieman huolimattomasti säilytetty kun siihen on tullut maskin yläreunaan muutamia ilkeitä jälkiä.
Positiivista on se ettei laitetta ole ropattu aikaisempien käyttäjien jäljiltä ja että kaikki osat ovat tallella.
Tämä ct-70r on Pioneerin toiseksi paras malli, ainoastaan kolmiäänipäinen ct-90r on ollut sen yläpuolella.
Laitteessa on erikoinen kolmen suoravetomoottorin järjestelmä capstanmoottorin quarzikide lukituksella joka takaa poikkeuksellisen hyvän 0.03% huojunnan.
Erikoisuutena on kappalehaku ja tyhjän kohdan ohitus. Laite myös toistaa ja äänittää kumpaankin suuntaan sekä se on varustettu Dolby B ja C.
Mekaniikka on haasteellinen huollettava monimutkaisen rakenteensa takia. Otin dekistä etumaskin ja mekaniikan irti korjausta varten, piti keittiön pöydän nurkkaan tehdä pieni tila jossa pystyy ropaamaan, ja siitähän vaimo tykkää Pyöritä silmiä. Työpöytä edelleen hakusessa muuton jäljiltä..


Tuon näköinen laite kun sen kotiin kannoin.




Pahimmasta ruhjeesta kuva.


Äänipäät ja vetoakselisto. Ei varmaan koskaan puhdistettu.


Kummatkin kelalautaset ovat suoravetoiset.


Suoravetoinen capstanmoottori. Vetohihna on mennyt poikki ja rullaantunut messinkisen pylpyrän ympärille. Se oli muuttunut liisteriksi kun poistin sen jäänteet vauhtipyörien ympäriltä. Tämän vuoksi en ole myöskään kytkenyt laitteeseen vielä ollenkaan virtoja (en tiedä edes tuleeko siihen virrat) ennen kuin uusi vetohihna on paikoillaan.


Maskin yläreunan kunnostusta.


Hioin yläreunan 150 hiomapaperilla ,joka oli tuettuna vanerilevyyn ,yhdensuuntaisilla vedoilla. Sitten siirryin 600 paperiin ja lopuksi karhunkieleen.




Seuraavaksi täytyisi löytää sopivan kokoinen vetohihna että saisi mekaniikkaan eloa. Omista melko mittavista hihnavarastoista ei tällä kertaa löytynyt sopivan kokoista hihnaa. Partcon 82 x 0,6 x 7mm hihna oli hieman liian suuri. jokin 75 halkaisijaltaan kävisi varmaan passelisti.
Tietäisikö kukaan mitään muuta liikettä kuin Partco josta hihnoja saisi ostettua? Siellä ei ole sopivan kokoista myynnissä. Ebaysta tietenkin saisi mutta hinnat ovat kovia. Ehkä jollain harrastajalla olisi omissa varastoissaan sopiva hihna?





  
Sivun alkuun
 
IP kirjattu
 
HeikT
God Member
*****
Poissa


SRHS 782

Viestejä: 776
Sijainti: Lohja
Re: Pioneer CT-70r c-kasettidekki
Vastaus #1 - 19.03.2017 klo 11:03:51
Tulosta viesti  
  
Sivun alkuun
 
IP kirjattu
 
Dartagnan
Senior Member
****
Poissa


SRHS 1061

Viestejä: 276
Sijainti: Turku
Re: Pioneer CT-70r c-kasettidekki
Vastaus #2 - 21.03.2017 klo 21:16:49
Tulosta viesti  
^Hyvältä sivulta vaikuttaa, mutta unohtui sanoa että mielellään Suomesta. Ei nimittäin ole osaamista tilata ulkomailta. Kaverini kautta olen Ebaysta tilannut mutta ei viitsisi aina häntä vaivata.
No oikeanlainen vetohihna löytyi tänään onneksi ihan paikallisesta radio/tv huollosta ja dekin arvo samalla kolminkertaistui.. Pyöritä silmiä


Uusi vetohihna paikoillaan.


Vaihdoin samalla kaikki elkot tuohon capstanmoottorin piirilevyyn ihan vain varmuuden vuoksi nyt kun se kerran oli auki. Ei viitsisi ihan hetken päästä uudestaan purkaa, on sen verran pirullinen.

  
Sivun alkuun
 
IP kirjattu
 
Dartagnan
Senior Member
****
Poissa


SRHS 1061

Viestejä: 276
Sijainti: Turku
Re: Pioneer CT-70r c-kasettidekki
Vastaus #3 - 22.03.2017 klo 22:11:09
Tulosta viesti  
Luin netistä että kyseisellä mekaniikalla (kolme suoravetomoottoria) varustetut Pioneerin dekit tuottavat paljon lämpöä kun kasettia soitetaan monta tuntia yhtäjaksoisesti. Täytyy vielä katsoa pikkukonkkia kriittisen näköisistä paikoista joissa altistuvat kuumuudelle ja vaihtaa vielä varmuudeksi myös ne.
Mekaniikka vaikuttaa vetojärjestelmänsä puolesta kestävältä ja pitkäikäiseltä mutta kääntyvät äänipäät ja niiden mekaniikka on varmasti herkempi aikaa myöten.
Siksi purin vielä napamoottorit pois ja puhdistin sekä voitelin mekaniikan liikkuvat metalliosat. Moottorien akselit voitelin myös. Äänipää on kiinnitetty sylinteriin joka sallii pyörähdyksen. Sinne en laittanut mitään voiteluainetta, koska saattaa aikaa myöten kerätä likaa ja jumittaa sen. Nyt pelaa herkästi.
Äänipääsillan nostomekanismissa on pienet kuulat ja pikkuinen metallipyörä, ne puhdistin myös ja voitelin uudestaan.
Laitan reilusti kuvia kun ei tunnu tästä mekaniikasta löytyvän pahemmin internetistäkään tietoa tai kuvia.


Suoravetomoottorit purettuna.


Mekaniikka voideltuna. Tuon pellin, joka on äänipäiden takana, on kuula joka sallii äänipääsillan nousevan herkästi. Tuon ruuvin kun irrottaa niin koko paketti lähtee pois. Malttia ja varovaisuutta siis kannattaa olla. Yläpäästään se on laakeroitu tuon valkoisen nylonin takana olevalla metallirullalla joka kulkee tuossa hahlossa joka on pystysuuntaisesti.


Kasattuna. Äänipäät ja painotelat puhdistin myös mutta ainakin painotelat vaativat vielä hieman jatkokäsittelyä ennenkuin kelpuutan ne. Onneksi ovat muuten kunnossa, kovin likaiset vain.
« Viimeksi muokattu: 23.03.2017 klo 05:41:43 Kirjoittaja Dartagnan »  
Sivun alkuun
 
IP kirjattu
 
Dartagnan
Senior Member
****
Poissa


SRHS 1061

Viestejä: 276
Sijainti: Turku
Re: Pioneer CT-70r c-kasettidekki
Vastaus #4 - 29.03.2017 klo 21:55:41
Tulosta viesti  
Eilen illalla kasasin mekaniikan ja oli ensimmäisen testin vuoro.
Kytkin virrat päälle ensimmäisen kerran. Olin takapaneelista vaihtanut 240V, oli sitä ennen 220V.
Valot syttyivät eikä mistään noussut palaneen käryä. Hienosta digitaalisesta nauhalaskurista oli suunnilleen puolet ledeistä pimeänä.
Laitoin kasetin sisälle ja kokeilin ensiksi kelauksia, toimivat hyvin ja täsmällisesti kumpaankin suuntaan. Sitten kokeilin toistoa ja painoin playta niin dekki kytkeytyi puoliksi toistolle (äänipäät eivät nousseet aivan kokonaan yläasentoon) ja puoliksi kelaukselle. Samalla koneistosta kuului paha räpätys kun toisen puolen ratas otti puoliksi kiinni vasemman puoleisen vetoakselin rattaaseen.
Mietin että mikä ihme siinä oli mennyt pieleen. Olin tarkistanut ajoitukset moneen kertaan ennen kuin kasasin sen. Kaikki piti olla "nolla kohdassa"ja toiminta valmiina.
Huomasin että ikään kuin ratas pyrkisi pyörimään väärään suuntaan. En enää jaksanut illalla paneutua siihen sen enempää ja menin nukkumaan, monesti se auttaa. Aamulla mieli virkeänä aloin miettimään ongelmaa uudestaan.
Sitten hoksasin että kun tämä on kerran kahteen suuntaan soittava dekki niin silloin myös vetoakselien kuuluu pyöriä toisiinsa nähden vastakkaisiin suuntiin. Itselläni kun on pelkästään yhteen suuntaan soittavia kahden vetoakselin dekkejä niin niissä tietysti akselien pitää myös pyöriä samaan suuntaan. Tässä kun oli vanha hihna mennyt puuroksi eikä netissäkään ole pahemmin näistä kuvia niin olin laittanut hihnan kulkemaan samaa reittiä kuin normi tuplavetoakseli koneissa.
Tänään laitoin hihnan kulkemaan niin että se pyörittää vastakkaisiin suuntiin ja sitten testi. Nyt toimii ja palkit alkoivat pomppimaan näytössä musiikin tahtiin.
Riensin hakemaan kuulokkeet niin aluksi ei kuulunut niiden kautta mitään ja sitten kuului vasemmasta kanavasta. Hetken päästä ei kuulunut enää kummastakaan.
Olen kuitenkin tyytyväinen siihen että nyt laite on mekaanisesti toimintakunnossa. Tästä on hyvä jatkaa.


Vetohihnan oikea reitti.

  
Sivun alkuun
 
IP kirjattu
 
Dartagnan
Senior Member
****
Poissa


SRHS 1061

Viestejä: 276
Sijainti: Turku
Re: Pioneer CT-70r c-kasettidekki
Vastaus #5 - 02.04.2017 klo 14:15:57
Tulosta viesti  
Testasin sitä nyt vahvistimen kautta niin äänessä kuuluu suuri särö. Kummatkin kanavat olivat pelissä mukana. Vaihdoin muutaman epäilyttävän näköisen elkon sillä tuloksella että nyt dolby kohinanvaimennus rupesi myös toimimaan. Särö on edelleen.
Täytyy ottaa konkkarempan alle seuraavaksi. Harmi kun ei löydy tähän malliin, tai edes ct-90r mallin huolto-ohjetta mistään.
  
Sivun alkuun
 
IP kirjattu
 
balticsuper
God Member
*****
Poissa



Viestejä: 888
Sijainti: Tampere
Re: Pioneer CT-70r c-kasettidekki
Vastaus #6 - 02.04.2017 klo 16:32:30
Tulosta viesti  
CT-90r löytyy:

https://elektrotanya.com/pioneer_ct-90r_sch.pdf/download.html

Jos et saa ladattua niin voin lähettää, otin se itsellekin talteen.
  
Sivun alkuun
 
IP kirjattu
 
Dartagnan
Senior Member
****
Poissa


SRHS 1061

Viestejä: 276
Sijainti: Turku
Re: Pioneer CT-70r c-kasettidekki
Vastaus #7 - 02.04.2017 klo 17:23:24
Tulosta viesti  
Sain ladattua, kiitoksia linkistä.
  
Sivun alkuun
 
IP kirjattu
 
Maja
God Member
*****
Poissa


SRHS 478

Viestejä: 3372
Sijainti: Lounais-Suomi
Re: Pioneer CT-70r c-kasettidekki
Vastaus #8 - 02.04.2017 klo 18:01:20
Tulosta viesti  
Alkuperäinen täydellinen huolto-ohje löytyy paperisena, oikeastaan se on liki 100-siviunen kirja, yritän ehtiä skannaamaan sen
pdf-versioksi lähiaikoina, laitan sitten s.postilla tulemaan. Kevätkiireet haittaavat nyt hiukan harrastuksen keskituntinopeutta.

Markku  Hymiö
  
Sivun alkuun
 
IP kirjattu
 
Dartagnan
Senior Member
****
Poissa


SRHS 1061

Viestejä: 276
Sijainti: Turku
Re: Pioneer CT-70r c-kasettidekki
Vastaus #9 - 02.04.2017 klo 18:32:38
Tulosta viesti  
^Suurkiitokset!
  
Sivun alkuun
 
IP kirjattu
 
Dartagnan
Senior Member
****
Poissa


SRHS 1061

Viestejä: 276
Sijainti: Turku
Re: Pioneer CT-70r c-kasettidekki
Vastaus #10 - 09.04.2017 klo 14:59:07
Tulosta viesti  
Tänään sain kuulokepuolen toimimaan, kiitos Markun lähettämän huolto-ohjeen, jonka kuvista oli helppo lähteä ongelmaa ratkaisemaan.
Kaksi 220uf/25v elkoa osoittautui aivan kuolleiksi. Kokeilin niitä yleismittarilla irti kolvattuna, ja mittari näytti pelkkää nollaa. Korvasin ne vastaavilla, mutta 35v ja 105c kestävillä uusilla elkoilla.
Nyt on taas helpompi jatkaa tästä kun pystyy kuulokkeiden kautta aika pitkälle tekemään testauksia ja säätöjä.


Vialliset elkot.

Olen siistinyt ulkoisesti laitetta myös melkoisesti. Etupaneelista sain hiottua kaikki pahimmat jäljet pois. Onneksi noissa alumiinisissa napeissa ei ollut mitään ruhjeita, vaan lähtivät puhdistuksella puhtaiksi. Samaten kasettiluukun kannesta tuli erittäin hyvä kun siitä lähti tuo hintalapun jättämä liimapinta pois.
Peltikuoressa oli harmittavaisia jälkiä ja naarmuja jotka eivät lähteneet puhdistuksellakaan pois. Siinä on alkuperäisesti sellainen kohtalaisen paksu muovipinnoite sen peltikuoren päällä.
Päätin kokeilla jo muutaman vuoden markkinoilla ollutta Mastonin Rubber comp -kumimaalia siihen. Siitä kun löytyi melkoisen lähellä alkuperäistä oleva Smoke grey -savunharmaa sävykin.
Sillä sai tehtyä alkuperäisen kaltaisen, hieman röpelöisen pinnan kun ruiskutti hieman kauempaa sitä maalia. Peittää mielestäni erittäin hyvin pienemmät naarmut alleen. Isommat hioin tasaiseksi ennen maalausta. Lopputulokseen olen erittäin tyytyväinen.


Rubber comp -kumimaali. Testatusti kuulemma kestää -30 - +90 astetta lämpöä. Saa helposti tehtyä hyvin tasaisen pinnan.


Pystyy tekemään alkuperäisen kaltaisen hieman röpelöisen pinnan kun suihkuttaa kauempaa.

  
Sivun alkuun
 
IP kirjattu
 
Tuomo Ahonen
Senior Member
****
Poissa


SRHS, Oulu

Viestejä: 266
Sijainti: Oulu
Re: Pioneer CT-70r c-kasettidekki
Vastaus #11 - 09.04.2017 klo 18:48:33
Tulosta viesti  
Kuvistä päätellen jälki on hienoa!
  
Sivun alkuun
 
IP kirjattu
 
Dartagnan
Senior Member
****
Poissa


SRHS 1061

Viestejä: 276
Sijainti: Turku
Re: Pioneer CT-70r c-kasettidekki
Vastaus #12 - 09.04.2017 klo 20:19:53
Tulosta viesti  
Joo, olen itsekin siihen oikein tyytyväinen. Ja tuon pystyy vielä kuorimaan tarvittaessa siitä siististi kalvona pois. Eli sopii myös ratkaisuihin joissa halutaan palauttaa ihan alkuperäiseksi.

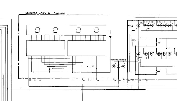
Led näytön ongelmia yritin alkaa myös ratkomaan. Tuossa dekissä on siis todella näyttävä vihreän sävyinen digitaalinen nauhalaskuri, mutta siinä palaa ehkä n.40% ledeistä. Itse ledit ovat todella pieniä, miltei  luokkaa nuppineulan pää. En myöskään tiedä millä tekniikalla ne ovat tuohon piirilevyyn kiinnitetty. Mutta ehkä vika ei kuitenkaan ole niissä itse ledeissä?
Samalta piirilevyltä löytyi myös tummunut vastus, jonka arvoksi pikaisesti katsoin että 51k. Vastuksen irrottamalla sammui loputkin ledeistä. Sen siis ajattelin seuraavaksi vaihtaa niin näkee herääkö näyttö henkiin.


Tuon näköinen tummunut vastus löytyi ledien läheisyydestä. Minkä tyyppinen tämä on ihan tarkalleen ottaen? Ja millä sen voisi turvallisesti korvata?
  
Sivun alkuun
 
IP kirjattu
 
balticsuper
God Member
*****
Poissa



Viestejä: 888
Sijainti: Tampere
Re: Pioneer CT-70r c-kasettidekki
Vastaus #13 - 09.04.2017 klo 20:48:58
Tulosta viesti  
Ei se ole vastus vaan diodi, tyyppi löytynee huolto-ohjeesta.
  
Sivun alkuun
 
IP kirjattu
 
Maja
God Member
*****
Poissa


SRHS 478

Viestejä: 3372
Sijainti: Lounais-Suomi
Re: Pioneer CT-70r c-kasettidekki
Vastaus #14 - 09.04.2017 klo 21:33:58
Tulosta viesti  
Näyttää ihan vakio 1A diodilta, mutta se voi olla myös zenerdiodi, pitää mitata kumpi se on? Ne ei ole vaihtokelpoisia
keskenään, kaaviossa ei ole mainittu tyyppiä koska se kuuluu osana näyttömoduliin.

Markku  Pyöritä silmiä
  

CT-70R_ndyttc.JPG ( 49 KB | 0 latausta )
CT-70R_ndyttc.JPG
Sivun alkuun
 
IP kirjattu
 
Dartagnan
Senior Member
****
Poissa


SRHS 1061

Viestejä: 276
Sijainti: Turku
Re: Pioneer CT-70r c-kasettidekki
Vastaus #15 - 09.04.2017 klo 22:01:19
Tulosta viesti  
Ok. Diodi ostoksille siis. Täytyy vain selvittää sen oikea arvo ensiksi. En löytänyt tai osannut tulkita huolto-ohjeesta sitä ainakaan vielä.
Miten sen saisi mittaamalla selvitettyä?
  
Sivun alkuun
 
IP kirjattu
 
Dartagnan
Senior Member
****
Poissa


SRHS 1061

Viestejä: 276
Sijainti: Turku
Re: Pioneer CT-70r c-kasettidekki
Vastaus #16 - 16.04.2017 klo 12:54:01
Tulosta viesti  
Yleismittarilla mitattuna diodi vaikuttaisi olevan ehjä. Kolvasin sen takaisin paikoilleen. Epäilin sitä kovasti aluksi koska sen jalat olivat tummuneet. Tainnut mennä kovia virtoja läpi?




Miten noita pienen pieniä ledejä pysyisi vaihtamaan? Taitavat olla samankaltaisia kuin joissain vanhemmissa kännyköissä on käytetty?
  
Sivun alkuun
 
IP kirjattu
 
putkinotko
God Member
*****
Poissa


SRHS # 751

Viestejä: 1881
Sijainti: Lohja
Re: Pioneer CT-70r c-kasettidekki
Vastaus #17 - 16.04.2017 klo 16:29:07
Tulosta viesti  
Jospa sillä on hopeoidut kintut, jotka aikojen saatossa tummuneet?

Jussi
  
Sivun alkuun
 
IP kirjattu
 
Jari
God Member
*****
Poissa


SRSH

Viestejä: 808
Sijainti: Oulu
Re: Pioneer CT-70r c-kasettidekki
Vastaus #18 - 16.04.2017 klo 17:22:09
Tulosta viesti  
Näyttäisi siltä, että led-chipit on bondattu suoraan piirilevylle. Yläpuolelta lähtee ohuen ohut kultalanka viereiselle piirilevyfoliolle. Noiden vaihtamiseksi tarvitaan kultalankabonderi, kultalankaa ja chip-liimaa sekä erikoisosaamista, joten käytännössä ainoa mahdollisuus lienee sovitella tilalle mahdollisimman pienikokoisia pintaliitosledejä.

Jari
  
Sivun alkuun
 
IP kirjattu
 
Dartagnan
Senior Member
****
Poissa


SRHS 1061

Viestejä: 276
Sijainti: Turku
Re: Pioneer CT-70r c-kasettidekki
Vastaus #19 - 16.04.2017 klo 18:03:59
Tulosta viesti  
Katsoin äsken suurennuslasilla ja toden totta siitä lähtee juuri ja juuri erotettavissa oleva hiuksen hieno lanka viereiselle kontaktille.
Itse led on luokkaa milli x milli. Puhutaan todella pienistä komponenteista. Osa niistä vilkahteli kun pumpulipuikolla kevyesti painoin.
Miten tässä kannattaisi edetä? Jos kokeilisi (tuskin siinä enää mitään menettää) vaihtaa niitä edes hieman kookkaampiin pintaliitosledeihin, kuten tuossa ehdotettiin. Miten nuo olisi viisainta irrottaa niin ettei riko mitään? Tuntuu että ne ovat kiinnitetty jollain elastisella, hieman silikonia muistuttavalla aineella kiinni. Mitään tinaa ei näy missään.
Eipä ole ennen tullut tällaistakaan vastaan.
Olisi kiva saada kuitenkin toiminaan kun nauhalaskuri on dekissä aikas tärkeä.
  
Sivun alkuun
 
IP kirjattu
 
Jari
God Member
*****
Poissa


SRSH

Viestejä: 808
Sijainti: Oulu
Re: Pioneer CT-70r c-kasettidekki
Vastaus #20 - 16.04.2017 klo 19:37:08
Tulosta viesti  
Chipit pitäisi olla kiinni johtavalla liimalla ja luulisin niiden irtoavan vaikkapa
kirurgin veitsellä kampeamalla. Varovainen juottimella lämmittäminen mahdollisesti voisi helpottaa irtoamista mutta kannattaa varoa liiallista lämpöä
jotta piirilevyfoliot eivät irtoa.

Jari
  
Sivun alkuun
 
IP kirjattu
 
Dartagnan
Senior Member
****
Poissa


SRHS 1061

Viestejä: 276
Sijainti: Turku
Re: Pioneer CT-70r c-kasettidekki
Vastaus #21 - 17.04.2017 klo 17:19:16
Tulosta viesti  
http://forum.vegalab.ru/showthread.php?t=73134

Venäläisellä foorumilla joku on näköjään paininut samojen ongelmien kanssa. Näyttäisi olevan myös mahdollista korjata pintaliitos ledeillä. Harmi kun ei ymmärrä Venäjää sanaakaan. Olisi kiva tietää minkä arvoisilla ledeillä kaveri on korvannut alkuperäiset.
Mitä netistä katselin ct-70 ja 90 mallin dekkejä niin niissä kaikissa on järjestäin nauhalaskurin ledeistä puolet pimeinä.
  
Sivun alkuun
 
IP kirjattu
 
Jari
God Member
*****
Poissa


SRSH

Viestejä: 808
Sijainti: Oulu
Re: Pioneer CT-70r c-kasettidekki
Vastaus #22 - 17.04.2017 klo 18:22:04
Tulosta viesti  
Linkissä Googlen konekäännös suomeksi, jospa tuosta jotakin vinkkiä saa

https://translate.google.com/translate?hl=fi&sl=ru&tl=fi&u=http%3A%2F%2Fforum.ve...

Jari
  
Sivun alkuun
 
IP kirjattu
 
RJL
God Member
*****
Poissa


SRHS 612

Viestejä: 2768
Re: Pioneer CT-70r c-kasettidekki
Vastaus #23 - 17.04.2017 klo 20:14:11
Tulosta viesti  
Käännökset eksoottisemmista kielistä kannattaa tehdä ensin englanniksi, se on vähän helpompi kohdekieli kuin suomi. Jos sitten vielä tarvii suomalaista tekstiä, syntyy englannista usein järkevämpää juttua.
  

Reijo Liljedahl - SRHS 612 - OH3AVA - SDXL 8092
Sivun alkuun
 
IP kirjattu
 
Dartagnan
Senior Member
****
Poissa


SRHS 1061

Viestejä: 276
Sijainti: Turku
Re: Pioneer CT-70r c-kasettidekki
Vastaus #24 - 13.05.2017 klo 18:06:10
Tulosta viesti  
Projekti ollut nyt pari viikkoa jäissä kun olen odotellut uuden juotosaseman saapumista Saksasta. Siinä on myös kuumailmajuotin, ei mikään Welleri mutta toivottavasti ajaa harrastekäytössä asiansa.
Mekaniikasta meni rikki painevalettu osa ja hommat ottivat senkin takia hieman takapakkia. Sen osan hajoaminen on tämän dekkisarjan tyyppivika, ja varaosa onkin jo vahvistettua mallia. Nyt siis uusi osa paikoillaan ja taas pelittää.
Alkaa kyllä pikkuhiljaa ymmärtämään miksei näitä dekkejä enää liiku oikein missään.


Uusi vahvistettu varaosa ja vanha rikkinäinen vierekkäin.


Alkuperäinen.


Uusi.


  
Sivun alkuun
 
IP kirjattu
 
Dartagnan
Senior Member
****
Poissa


SRHS 1061

Viestejä: 276
Sijainti: Turku
Re: Pioneer CT-70r c-kasettidekki
Vastaus #25 - 18.05.2017 klo 22:47:19
Tulosta viesti  
Kolvausasema saapui Saksasta ja olen sitä innokkaasti käyttänyt jo muutaman päivän. Olisi pitänyt vain paljon aikaisemmin kyseinen laite hankkia.
Seitsemän pikku LEDiä olen nyt tuohon nauhalaskurin näyttöön vaihtanut. Meni hetki ennen kuin hoksasin että ne pitää ketjuttaa toinen toisiinsa nähden niin että se niiden takana oleva viiva on aina päinvastainen aikaisempaan nähden.


Ledit istutettu vanhojen tilalle.


Kuva ei anna oikeutta, mutta saa hieman osviittaa miltä näyttää. Ledit ovat Nokian kännykkään tarkoitettuja.
  
Sivun alkuun
 
IP kirjattu
 
Dartagnan
Senior Member
****
Poissa


SRHS 1061

Viestejä: 276
Sijainti: Turku
Re: Pioneer CT-70r c-kasettidekki
Vastaus #26 - 31.05.2017 klo 18:14:51
Tulosta viesti  
Äänipäät eivät joka kerta kääntyneet täydellisesti. Jälleen yksi ct-70/90r tyyppivioista. Äänipäitä auttaa kääntymään yksi jousi, joka yhdessä rattaiston kanssa pitäisi kiepsauttaa ne ympäri aina kun halutaan vaihtaa kasetin puolta. Yksi jousi on kuitenkin heikkotehoinen ja välillä äänipäät jäivät puoliväliin kun ne eivät jaksaneet kääntyä. Monet näiden dekkien omistajista ovat tuskastelleet tämän saman ongelman kanssa.
Ratkaisin sen lisäämällä kaksi pientä jousta kummallekin puolelle. Porasin nailoniin millin terällä reiät ja tein kaksi saman mittaista jousta jotka viritin niin että sen puolen jousi on kutakuinkin levossa jonka puolelle äänipäät kääntyvät. Vastaavasti toisessa on hieman pänniä jotta kääntyminen toiselle puolelle taas onnistuu.
Olen kokeillut niitä nyt kaksi päivää erittäin monta kertaa suuntaa vaihtamalla ja joka kerta ovat kääntyneet luotettavasti.
Dekissä on myös asennettuna se Pioneerin jälkeenpäin valmistama vahvistettu osa joka on aikaisemmissa kuvissakin esitetty. Pioneer kuulemma teki tätä mekaniikkaa neljää eri versiota, kun näissä oli alusta asti ongelmia. Tämä minun dekissä oleva on toiseksi viimeistä versiota (RYM-152). Olisikohan siinä viimeisessä ollut jo vakiona tuo vahvistettu painevaluosa? Tuo kolmen suoravetomoottorin järjestelmä on mielestäni edelleen mielenkiintoinen. Tämä dekkiprojekti on tarjonnut myös aivan uusia haasteita aikaisempiin verrattuna.
Hyvin näkee myös että kahteen suuntaan soittavat dekit olivat vasta lapsen kengissään 80 luvun alkupuolella ja samalla laskutikkuosaston miehet yrittivät painaa kustannuksia alaspäin tinkimällä materiaaleista ja niiden vahvuuksista.
No projekti jatkuu. Puolet nauhalaskurin ledeistä on myös nyt vaihdettu uusiin.


Nuo kaksi reunimmaista jousta lisäsin.


Reiät millisellä terällä nyloniin.

« Viimeksi muokattu: 31.05.2017 klo 18:39:09 Kirjoittaja Dartagnan »  
Sivun alkuun
 
IP kirjattu
 
Dartagnan
Senior Member
****
Poissa


SRHS 1061

Viestejä: 276
Sijainti: Turku
Re: Pioneer CT-70r c-kasettidekki
Vastaus #27 - 21.06.2017 klo 21:09:56
Tulosta viesti  
Nuo lisäjouset ovatkin osoittautuneet hyväksi ratkaisuksi. Dekki on ollut nyt päivittäisessä testikuuntelussa, eikä ole enää ollut ongelmia äänipäiden kääntymisen kanssa. Muutenkin mekaniikka toimii nyt luotettavasti.
En ole myöskään huomannut että kolmen suoravetomoottorin koneisto tuottaisi normaalia enemmän lämpöä vaikka olen antanut nauhan pyöriä repeatilla useamman tunnin yhtäjaksoisesti. Ehkä sekin ongelma koski vain alkupään laitteita (vanhalla koneistolla)? Monet vastaavan dekkisarjan omistajat ovat ulkomaisilla internetin keskustelupalstoilla kertoneet että kuumeneminen olisi ongelma.


Vaihdoin mittariston rikkoontuneet valosegmentit uusiin punaisiin 0603 smd ledeihin. Partcon valikoimasta ja 12 microcandelaa. Vastaa hyvin alkuperäistä valotehoa ja punaisen sävyä.


Harrastin myös hieman tarpeetonta puuhastelua kun tein mahonkiviilutetusta vanerista tuollaiset puupäädyt. Mitään peruuttamatonta noilla ei onneksi saa aikaan ja voi jättää pois jos tuntuu siltä ettei sovi.



Tulostimella tein päätyihin alkuperäisen kaltaiset varoitustarrat.


Tuohon tyyliin.

Projekti jatkuu vielä nauhalaskurin ledien kanssa. Niistä on kaksi ensimmäistä numeroa nyt kunnossa, mutta ledit loppuivat harmittavasti kesken ja loppujen metsästys on nyt käynnissä.
Ledit ovat 0603 tyyppisiä ja valkoista valoa antavia (dekin alkuperäiset olivat vihreät). Kyseessä on Nokian 8850 ja ilmeisesti myös 8910 sekä 9210 käytetyt ledit. Mistään en vain ole saanut selville esimerkiksi niiden valotehoa, kuinka monta mcd?
  
Sivun alkuun
 
IP kirjattu
 
Dartagnan
Senior Member
****
Poissa


SRHS 1061

Viestejä: 276
Sijainti: Turku
Re: Pioneer CT-70r c-kasettidekki
Vastaus #28 - 08.07.2017 klo 20:47:50
Tulosta viesti  
Nyt on viimeisetkin ledit laitettu paikoilleen ja tein lopulta sellaisen päätöksen että vaihdan ihan kaikki, sekä mittariston, nauhatyypin osoittimen että nauhalaskurin ledit uusiin pintaliitosledeihin. Tyypiltään ledit ovat 0603 ja 12mcd. Ne ovat Partcon valikoimasta ja lopulta laitoin nauhalaskuriinkin vihreän väriset ledit niin kuin siinä alkuperäisestikin on. Ledien sävy ja valovoima osuvat mielestäni aika hyvin kohdalleen jos vertaa alkuperäiseen. Hieman kirkkaampina nämä loistavat mutta siitä ei liene haittaa.
Dekin peltikannen olin jo aikaisemmin suihkuttanut Rubber comp nimisellä kumimaali -spraylla. Nyt vedin sen pinnan vielä saman valmistajan Rubber shield kovettimella, joka teki pinnasta kovan. Nyt se on todella alkuperäisen näköinen ja tuntuinen. Kannattaa tutustua tähän tuotesarjaan jossa on useita sävyjä. En ainakaan ihan heti keksi miten olisin saanut vaurioituneen pinnan tilalle tehtyä kohtuu kustannuksin vastaavaa jälkeä.
Omalla tavallaan dekin desing on ihan hienoa. 80 luvun alkupuoliskolla kaiken piti olla stereolaitteissa tasaista ja sileää. Potikat vaihtuivat liukusäätimiksi ja etulevystä pyrittiin tekemään mahdollisimman tasainen ja varmasti tarkoituksella teknisenkin näköinen. Tässäkin Pioneerin dekissä on kuitenkin vielä nappeja myöten kaikki valmistettu alumiinista, huomattavasti ohuemmasta tavarasta vain kuin muutama vuosi aikaisemmin, 70 -luvun loppupuolella. Kaikenlaiset hipaisukytkimet ym. tulivat muotiin.
Tällaista tai tämän tapaista nauhuria kuolasin junnuna, mutta rahkeet eivät silloin riittäneet sellaisen hankintaan. Paikallisen osto-ja myyntiliikkeen ikkunan takana käytiin kuitenkin säännöllisesti katselemassa ja uneksimassa.
Näitä tämän sarjan dekkejä ei ole pahemmin tullut missään vastaan, ei ainakaan täysin toimintakuntoisena, joten projekti oli senkin kannalta mielekäs. Oli se kyllä opettavainen muutenkin. Selvisi myös monilta osin miksei näitä laitteita ole pahemmin säästynyt näihin päiviin asti, ongelmia on varmasti tullut jo hyvin tuoreeltaan. Siitä kertoo myös se että Pioneer valmisti useita päivitettyjä mekanismeja näihin, joiden kanssa huoltoliikkeet sitten saivat takuunalaisten laitteiden kanssa tapella.
Tässä minun dekissäni on nyt mekanismin osalta ymmärtääkseni parhaimmat osat mitä Pioneer aikoinaan päivittänyt näihin ja äänipäiden kääntymisen kanssa ei ole enää kertaakaan ole ollut ongelmia sen jälkeen kun ratkaisin  sen lisäämällä ne kaksi kierrejousta. Eikä pitäisi ihan heti olla ongelmia myöskään näytön valaistuksen suhteen. Virtalähteestä on myös elkot vaihdettu, kuten myös koko mekanismin piirilevyltä.
Kiitoksia ystävälliselle foorumin porukalle, ilman teidän apua tämä dekki tuskin olisi valmistunut täysin kuntoon saakka ainakaan noiden ledien osalta. Itseltäni ainakin meinasi usko olla koetuksella kun en ollut sellaisia hommia aikaisemmin tehnyt.
Ja niin. Photobucket näytti menneen maksulliseksi, joten sen takia projektivalokuvat eivät enää näy foorumilla. Harmi kun mielenkiintoisia kuvia olisi ollut vielä aika monta.
« Viimeksi muokattu: 13.07.2017 klo 20:50:17 Kirjoittaja Dartagnan »  

HPIM6014.JPG ( 452 KB | 0 latausta )
HPIM6014.JPG
HPIM6018.JPG ( 410 KB | 0 latausta )
HPIM6018.JPG
Sivun alkuun
 
IP kirjattu
 
Sivunvalintanappi Sivu: [1] 
Lähetä aiheTulosta