Valitse kieli:
English
Suomi
Tervetuloa, Vieras. Ole hyvä ja
kirjaudu
tai
Rekisteröidy
Koti
Ohjeita
Haku
Kirjaudu
Rekisteröidy
Liity SRHS:n jäseneksi
SRHS Forum
›
Suomen Radiohistoriallinen Seura ry - Keskustelufoorumi
›
Kotimaiset radiot, televisiot ja äänentoistolaitteet
› ASA 1046 LK/2 huolto-ohje
‹
Edellinen aihe
|
Seuraava aihe
›
Sivu: 1
Lähetä aihe
Tulosta
ASA 1046 LK/2 huolto-ohje (Luettu 8417 kertaa)
tapani
YaBB Newbies
Poissa
Viestejä: 11
Sijainti: sastamala
ASA 1046 LK/2 huolto-ohje
07.03.2017 klo 07:11:47
Tulosta viesti
Löytyneekö kyseiseen malliin huolto-ohjetta, sekä mahdollisesti kaaviota, miten ULA:n asteikkonaru pujotellaan. Levysoittimen jonkinlainen räjähdyskuva olis myös poikaa. Hihna on poikki ja moottori jumissa...
«
Viimeksi muokattu: 07.03.2017 klo 11:23:21 Kirjoittaja tapani
»
IP kirjattu
tapani
YaBB Newbies
Poissa
Viestejä: 11
Sijainti: sastamala
Re: ASA 1046 LK/2 huolto-ohje
Vastaus #1 -
22.03.2017 klo 09:18:47
Tulosta viesti
Eikö kellään oo tietoa, mistä sais huolto-ohjeen tähän malliin..? Narutuksen sain jo kuntoon, mutta hurisee lämmettyä. varsinkin pienillä voimakkuuksilla.
IP kirjattu
RJL
God Member
Poissa
SRHS 612
Viestejä: 2768
Re: ASA 1046 LK/2 huolto-ohje
Vastaus #2 -
22.03.2017 klo 10:43:26
Tulosta viesti
Tuolla foorumiohjeessa kirjoitin näin:
-Usein kysellään Asan ja Helvarin kytkentäkaavioita. Nämä Asan ja Helvarin kaaviot on vähän hmm, vaikea aihe. Asoistahan on koottu lähes kaiken kattava romppu ja Helvareista muistitikku:
http://www.radiohistoria.fi/myytavana.htm
Hinnat ovat todella halpoja mutta onhan siinä toki pieni ketunhäntä mukana, niitä myydään vain Radiohistoriallisen Seuran jäsenille. Näin houkutellaan tällaisella porkkanalla lisää väkeä Seuraan. Näitä romppuja ja tikkuja on jäsenillä vaikka kuinka mutta sieltä kaavioiden eteenpäin luovutus on vähän arveluttava juttu. Saattaa olla oikeudellisiakin esteitä mutta vähintäänkin moraalisia esteitä löytyy. Tekijät ovat nähneet mahdottoman vaivan tietoja kootessaan - ja ovat sitten lahjoittaneet tuloksen Seuralle. Ei näitä voi kuka tahansa mennä eteenpäin jakelemaan.
Toki näitä huolto-ohjeita on muutenkin liikkeellä ja niiden jakelu on ihan ok. Hurinat usein johtuvat virtalähteen huonosta suodatuselektrolyytistä, siihen voisi rinnalle koittaa kytkeä toista kondensaattoria kokeeksi. Tai sitten joku putkista EL84, ECC83 tai EABC80 vuotaa sisäisesti välillä hehkulanka-katodi. Tuo hurina vasta lämmettyä viittaisi vähän siihen.
Reijo Liljedahl - SRHS 612 - OH3AVA - SDXL 8092
IP kirjattu
tapani
YaBB Newbies
Poissa
Viestejä: 11
Sijainti: sastamala
Re: ASA 1046 LK/2 huolto-ohje
Vastaus #3 -
22.03.2017 klo 11:00:19
Tulosta viesti
Ok... poikkesin tuolla antamallasi sivulla ja kyseiset tikut on nyt loppu.. Oon kyllä eniten epäillyt noita verkkolyyttejä, mutta ei nyt enään satu oleen yhtään sopivaa elkoa, jolla testais.. Tosiaan kylmänä ei hurise, mutta n. vartin lämmettyä on häiritsevä pohjahurina, joka kyllä poistuu, kun voimakkuutta lisää. Pitänee varmaan tilata EL 84 putket ja testata,,Muut putket kyllä löyty ja niistä ei ole apua..
IP kirjattu
VjpA
God Member
Poissa
SRHS
Viestejä: 2679
Sijainti: Vantaa
Re: ASA 1046 LK/2 huolto-ohje
Vastaus #4 -
22.03.2017 klo 20:15:13
Tulosta viesti
Hae nyt ensin juttuja vastaavista koneista täältä sivustoilta ja sitten eliminoit muut viat. Putketkin voi toki aiheuttaa hurinaa, mutta ei kovin yleistä - veikkaisin enemmänkin kontaktihäiriöitä liittimissä.
t. // Jukka
IP kirjattu
hilavitkutin
Full Member
Poissa
Viestejä: 149
Sijainti: Espoo
Re: ASA 1046 LK/2 huolto-ohje
Vastaus #5 -
22.03.2017 klo 20:22:02
Tulosta viesti
Onko radiossa valittavana levysoitinasentoa? Jos on, niin paina levysoitin nappula alas, näin saat pelkän pientaajuusosan (ja verkko-osan) aiheuttamat hurinat kuuluviin. Jos hurisee edellleen, niin vikaa voi etsiä em. lohkoista. Jos hurina poistuu niin se tulee jostain etuasteista.
Hilavitkutin - jumittuneen jarruhilan irroitustyökalu
IP kirjattu
putkinotko
God Member
Poissa
SRHS # 751
Viestejä: 1881
Sijainti: Lohja
Re: ASA 1046 LK/2 huolto-ohje
Vastaus #6 -
22.03.2017 klo 22:39:05
Tulosta viesti
Lieneeköhän Asassa ollut EL84:t sovitettuja pareja siihen aikaan? epäilen. Ainakin omassa 1153:ssa Telefunkenin toinen oli lähes loppu, ja toinen jopa tehokkaampi kuin JJ:n uusi. Jos toinen vuotaa hehku/katodi välillä, niin sitähän ei vuorovaihe pääteastekaan kompensoi, vaan tulee 50Hz:nä läpi. Suodatuksen hurinan pitäisi olla 100Hz kokoaalto tasasuuntauksesta johtuen.
Jussi
IP kirjattu
tapani
YaBB Newbies
Poissa
Viestejä: 11
Sijainti: sastamala
Re: ASA 1046 LK/2 huolto-ohje
Vastaus #7 -
23.03.2017 klo 07:13:26
Tulosta viesti
Kiitos vinkeistä, mutta olen koittanut eliminoida mahdolliset katkokset ja aluevaihto kytkimien kontaktihäiriöt. Pohjahurina tulee n. 15 min päästä, kun kone lämpiää ja ikäänkuin pikkuhiljaa kasvaen. Kuuluu selkeästi, kun voimakkuus on nollissa ja riittävällä voimakkuuden nostolla se häviää .
Vaihdoin ECC 83:n 82:seen, kun en löytänyt oikeaa, mutta näytti pelaavan tuollakin ja hurinan taso laski selkeästi..
Oon tosiaan tilannut pääteputket EL 84 ja verkkolyytit, joten katsotaan. Huolto-ohjeesta toki olis hyötyä, mutta ymmärrän kyllä, että täällä foorumilla niitä ei enään jaeta, kun ne kerran maksaa.. ja tikut on loppunut, joten niitä en tilaa..
Eiköhän tämä selviä ja kenties täällä vielä tulee uusia vinkkejä.
IP kirjattu
balticsuper
God Member
Poissa
Viestejä: 888
Sijainti: Tampere
Re: ASA 1046 LK/2 huolto-ohje
Vastaus #8 -
23.03.2017 klo 10:58:33
Tulosta viesti
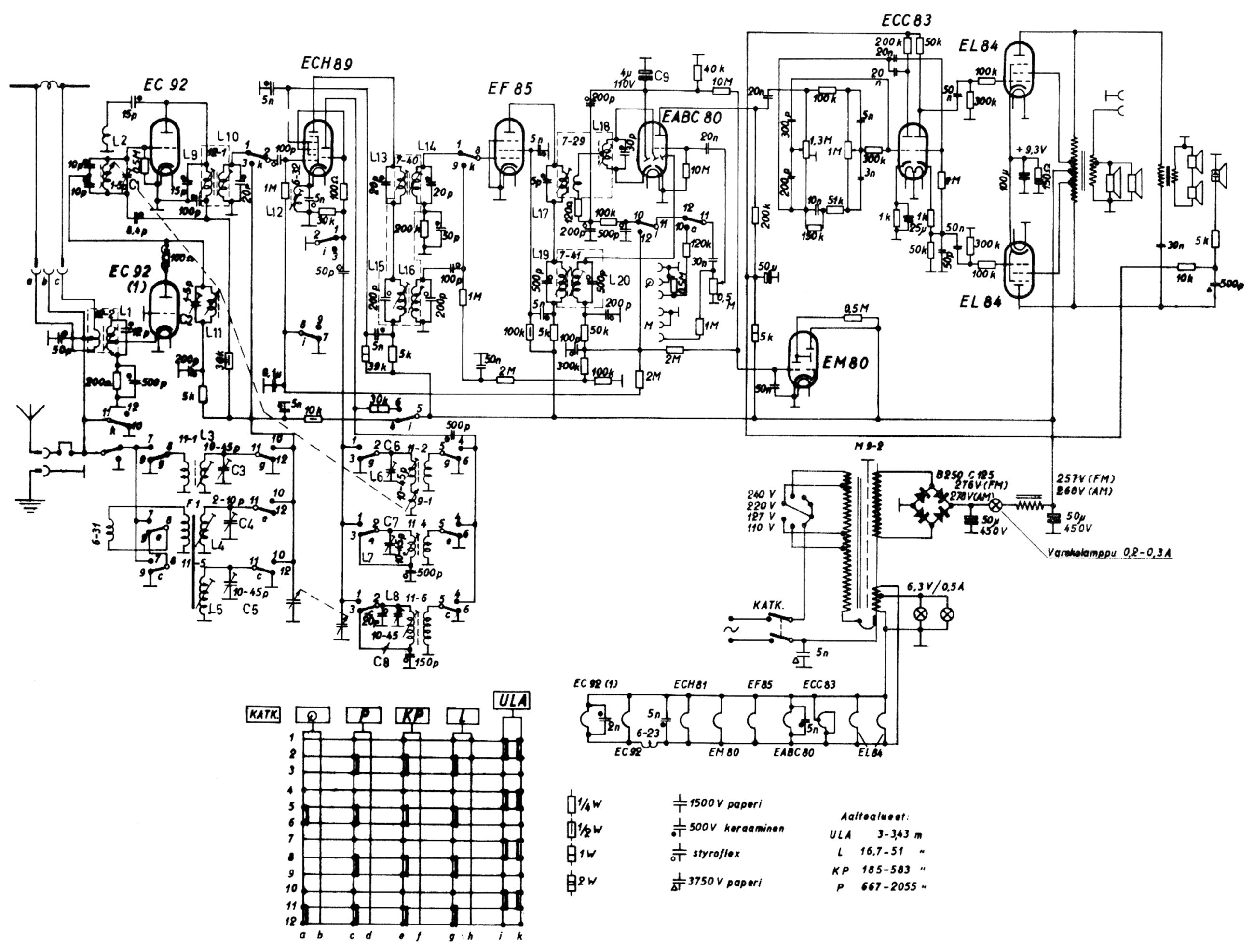
Asa 1046 kytkinkaava. Minulla ei ole 1046LK/2 mallille kaaviota erikseen,
lieneekö sellaista olemassakaan. Asa-rompun mukaan siinä on koneistona 1034.
Pikaisen vartailun perusteella näyttävät (jokseenkin?) samoilta.
Kaavion olen skannannut omasta Asa-huolto-ohjekirjastani.
Asa_1046.jpg
( 472 KB | 0 latausta )
IP kirjattu
tapani
YaBB Newbies
Poissa
Viestejä: 11
Sijainti: sastamala
Re: ASA 1046 LK/2 huolto-ohje
Vastaus #9 -
23.03.2017 klo 11:21:27
Tulosta viesti
Suurkiitokset kuvasta.. se on "sata jänestä", niinkuin meilläpäin ruukataan sanoo.. eiköhän tällä hurinat selviä. On vaan niin paljon jo aikaa kun näitä hommia joskus 70 luvun alkupuolella ammattikoulussa päntättiin..
IP kirjattu
RJL
God Member
Poissa
SRHS 612
Viestejä: 2768
Re: ASA 1046 LK/2 huolto-ohje
Vastaus #10 -
23.03.2017 klo 15:40:18
Tulosta viesti
Kiinnitti kaaviossa huomiota tuo 50uF:n konkka joka suodattaa pt-etuasteiden anodijännitettä. Se on myös potentiaalinen vikakohde. En kyllä tiedä miksi se vasta ajan kuluttua alkaa näyttää heikkouksiaan, mutta sen vaihtaisin melkein ensimmäisenä.
Reijo Liljedahl - SRHS 612 - OH3AVA - SDXL 8092
IP kirjattu
tapani
YaBB Newbies
Poissa
Viestejä: 11
Sijainti: sastamala
Re: ASA 1046 LK/2 huolto-ohje
Vastaus #11 -
23.03.2017 klo 17:51:19
Tulosta viesti
Kyllä se mokoma vaan se 50 uF:n elko oli sökö.. hämäs vaan hieman, kun alkoi hurista vasta kunnolla lämmettyä. No, nyt on 2kpl uusia PL 84 hyllyssä vastaisuuden varalta.
Sellaseen kiinnitin vielä huomioo, että toinen pääteputki lämpiää selvästi toista enemmän, oikeestaan kuumenee kunnolla. Liekö kuulua asiaan, vai onkohan jotain selkeää vinkkiä kellään..?
IP kirjattu
RJL
God Member
Poissa
SRHS 612
Viestejä: 2768
Re: ASA 1046 LK/2 huolto-ohje
Vastaus #12 -
23.03.2017 klo 18:42:43
Tulosta viesti
Tämä onkin jo helpompi vika. EL84:n ohjaushiloille tuodaan signaali 100kohm ja 50nF kautta ja nuo molemmat 50nF kondensaattorit varmaan ovat ajalle tyypillisesti paperikondensaattoreita jotka vuotavat. Näin kaaviossa ylempi EL84 saa alempaa positiivisemman hilajännitteen koska hilalle vuotaa plussasähköä ECC83:n anodilta, ja tämän seurauksena putken läpi kulkee enemmän tasavirtaa joka sitten kuumentaa putken. Kaikkien putkiradioiden perushommana on vaihtaa vuo hilakonkat, esimerkiksi tällaisiin:
http://www.uraltone.com/elektroniikan-komponentit/kondensaattorit/muovikalvokond...
Jos sinulla on digitaalinen yleismittari voit mitata jännitteet hiloilla olevien 300kohmin vastusten yli, runkoa vasten pitäisi löytyä 0V, veikkaanpa että ylemmällä putkella on plussajännitettä hilan puoleisessa päässä.
Reijo Liljedahl - SRHS 612 - OH3AVA - SDXL 8092
IP kirjattu
putkinotko
God Member
Poissa
SRHS # 751
Viestejä: 1881
Sijainti: Lohja
Re: ASA 1046 LK/2 huolto-ohje
Vastaus #13 -
23.03.2017 klo 18:48:19
Tulosta viesti
Toivottavasti kyseessä on panovihreä paholainen, eikä hyllyssä ole kahta PL84:sta, vaan EL84:set. PL84:sta ei tarvita kuin vanhassa putkitelkkarissa. Pääteputkilla kun on yhteinen katodivastus, niin pitäisi olla sovitettu pari, että molemmissa kulkisi samankokoinen anodivirta. Nyt toisessa putkessa kulkee enemmän virtaa, ja se käy kuumempana. Kokeile miten käy uusilla putkilla, ei ne kokeilusta kulu, eikä nokkiinsa ota.
Jussi
Edit: En ole tähän ikään mennessä löytänyt yhtään vuotamatonta Televoxin konkkaa.
IP kirjattu
tapani
YaBB Newbies
Poissa
Viestejä: 11
Sijainti: sastamala
Re: ASA 1046 LK/2 huolto-ohje
Vastaus #14 -
23.03.2017 klo 18:54:19
Tulosta viesti
Todella suuret kiitokset taas neuvoista.. pitää heti vaan tilata noita konkkia ja vaihdella pois.. vielä kun löytyis levysoittimeen hihna ja välipyörä.. Siis Cosmokseen..
IP kirjattu
Sivu: 1
Lähetä aihe
Tulosta
‹
Edellinen aihe
|
Seuraava aihe
›
Foorumihyppy »
Koti
» 10 viimeisintä viestiä
» 10 viimeisintä aihetta
Suomen Radiohistoriallinen Seura ry - Keskustelufoorumi
Suomen Radiohistoriallinen Seura ry
Jäsenalue
Yleistä radiohistoriasta
Kotimaiset radiot, televisiot ja äänentoistolaitteet ««
Ulkomaiset radiot, televisiot ja äänentoistolaitteet
Muut radio- ja elektroniikkalaitteet
Entisöinti ja kunnostus yleisellä tasolla
Omatekoiset laitteet ja rakentelu
Sotilasradiot ja Perinneradiot
Yleinen keskustelualue
Niitä Näitä
Haku päällä
« Koti
‹ Alue
SRHS Forum
» Powered by
YaBB 2.6.12
!
YaBB Forum Software
© 2000-2026. Kaikki oikeudet pidätetään.