Valitse kieli:
English
Suomi
Tervetuloa, Vieras. Ole hyvä ja
kirjaudu
tai
Rekisteröidy
Koti
Ohjeita
Haku
Kirjaudu
Rekisteröidy
Liity SRHS:n jäseneksi
SRHS Forum
›
Suomen Radiohistoriallinen Seura ry - Keskustelufoorumi
›
Ulkomaiset radiot, televisiot ja äänentoistolaitteet
› Philips B4 S 70 A
‹
Edellinen aihe
|
Seuraava aihe
›
Sivu:
[1]
2
3
...
5
Lähetä aihe
Tulosta
Philips B4 S 70 A (Luettu 38971 kertaa)
jouko
God Member
Poissa
SRHS
Viestejä: 808
Sijainti: Skutskär
Philips B4 S 70 A
24.02.2017 klo 14:10:02
Tulosta viesti
Tuommoisen ostin pois pölyttymästä antiikkikauppiaan varastosta.
Havaintoja, kun kokeilin sarjalytkentäisen lampun kautta, ei ainakan ole oikarissa.
Virta tulee
Putket hehkuvar
Ula katkaisija ei pysy päällä
Ääni löytyy ( ULA, AM ) mutta krähisee.
Äänenvoimakkuuspotikka ei toimi
Äänenväri ei toimi
Kanavahakunarut luistelevat vallattomasti.
Viikonloppuna jos avais ja putsailis.
IMG_0716.JPG
( 198 KB | 0 latausta )
IP kirjattu
jouko
God Member
Poissa
SRHS
Viestejä: 808
Sijainti: Skutskär
Re: Philips B4 S 70 A
Vastaus #1 -
24.02.2017 klo 14:10:30
Tulosta viesti
Ja takaa..
IMG_0717.JPG
( 225 KB | 0 latausta )
IP kirjattu
jouko
God Member
Poissa
SRHS
Viestejä: 808
Sijainti: Skutskär
Re: Philips B4 S 70 A
Vastaus #2 -
24.02.2017 klo 19:26:46
Tulosta viesti
Pikainen siivous tehty ja potikka napsahti liikkeelle. Samoin näppäimistön lukitus pelaa nyt. Oli täynnä vaseliinia ?
Sisältä chassis on hapettunut huolella ja kontaktihäiriöitä ihan joka paikassa. Putket pelaa, ei pelaa, pelaa. Heiluttelulla henkiin, hetkittäin. Vaihdoin EL 84 ja sain hiukan ääntä Ulalta. Vaihtelin m. Muita putkia, ei vaikutusta. EM 80 ei jaksa reagoida asemaan.
Mittasin jännitteet EL 84 löytyi 5 v kolmosjalasta ja 8, 189 v 9 , 210 v.
Kaikki konkat ovat vanhoja pikinokkia. No, ei ne kyllä ole vuotaneetkaan, ehkä kuitenkin varmaan syytä vaihdella.
IMG_0720.JPG
( 266 KB | 0 latausta )
IP kirjattu
pekmatval
God Member
Poissa
Viestejä: 2012
Re: Philips B4 S 70 A
Vastaus #3 -
24.02.2017 klo 19:58:06
Tulosta viesti
viimeaikaisen kokemukseni perusteella nuo paperikuoriset konkat vuotavat melko (=lähes aina) usein ... kannattaa tsekata ne. Pääteputken hilakonkka on yleensä sökö. Myös nuo vanhat elkot on syytä tarkistaa ... ainakin siellä on elko pääteputken katodilla?
IP kirjattu
jouko
God Member
Poissa
SRHS
Viestejä: 808
Sijainti: Skutskär
Re: Philips B4 S 70 A
Vastaus #4 -
24.02.2017 klo 20:07:32
Tulosta viesti
Joo. Onneksi nuo pikikonkat on somasti esillä.
Ilmeisesti tuo on tosiaan ollut myös ulkoruokinnassa, kun oli hapettumapölyä täynnä.
IP kirjattu
jouko
God Member
Poissa
SRHS
Viestejä: 808
Sijainti: Skutskär
Re: Philips B4 S 70 A
Vastaus #5 -
25.02.2017 klo 19:26:36
Tulosta viesti
Konkat vaihdettu ja radio toimii. Joskin äänen volymi on todella heikko. Vaihdoin EL 84 ja tulos oli hiukan parempi, mutta ei hyvä. Oliskohan vika vielä noissa parissa jäljelle jääneessä konkassa ? Tai sitten se potikka vaan on loppu.
( vielä ) Vaihdettavat konkat keskellä ja oikealla.Tuo oikealla oleva on +- merkeillä ja keltainen tepillä merkattu on elko.
Mutta etenee..
IMG_0725.JPG
( 190 KB | 0 latausta )
IP kirjattu
plamminen
God Member
Poissa
SRHS: 610
Viestejä: 1642
Sijainti: Loviisa
Re: Philips B4 S 70 A
Vastaus #6 -
25.02.2017 klo 19:36:06
Tulosta viesti
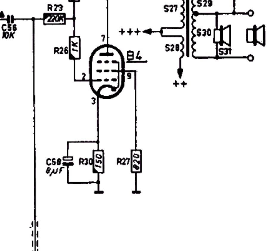
Oletko vaihtanut C58 Elkon 8uF.
Ihan en ole varma onko kaavio josta otteen nappasin juuri sinun laitteesta mutta vastaava kondensaattori löytyy joka radiosta. Yleensä kun se kuivaa niin vahvistus pienenee murto-osaan
c58.png
( 133 KB | 0 latausta )
Pentti Lamminen
IP kirjattu
jouko
God Member
Poissa
SRHS
Viestejä: 808
Sijainti: Skutskär
Re: Philips B4 S 70 A
Vastaus #7 -
25.02.2017 klo 20:17:20
Tulosta viesti
Hyvinkin mahdollista, että tuo on vaihtamatta. Arvo ei osu yhteen vaihdettujen kanssa.Siellä on vielä yksi pikinokka, ja se on varmaankin juuri se. Schemaa olen tuohon haeskellut, näyttää olevan kiven alla. jos Sinulla se on, niin voitko lähettää ?
JoukoreÄTmsn.com
IP kirjattu
plamminen
God Member
Poissa
SRHS: 610
Viestejä: 1642
Sijainti: Loviisa
Re: Philips B4 S 70 A
Vastaus #8 -
25.02.2017 klo 20:34:48
Tulosta viesti
Se on elektrolyytti, ei piki konkka. Löydät sen kun katsot pääteputken nastaa 3.
Kaavio löytyy osoitteesta:
http://www.radiomuseum.org/r/philips_b4x95ab_4_x_95.html
Mene kaavion päälle, klikkaa. pidä valinta alhaalla kunnes kysyy sähköposti osoitteesi niin saat kaavion sähköpostissa.
Jossain näillä sivuilla oli äskettäin tarkka ohje kuinka kaavion saa noudettua raorgista.
Saattaa olla tuo rajaamani elko
«
Viimeksi muokattu: 25.02.2017 klo 20:53:53 Kirjoittaja plamminen
»
Nimetcn_001.png
( 285 KB | 0 latausta )
Pentti Lamminen
IP kirjattu
jouko
God Member
Poissa
SRHS
Viestejä: 808
Sijainti: Skutskär
Re: Philips B4 S 70 A
Vastaus #9 -
25.02.2017 klo 21:16:04
Tulosta viesti
Tsekkasin nuo kolme konkkaa. ( muut vaihdettu ) ja EL 84 lie tuo B4 ? Ohessa kuvassa, konkan arvo ei kyllä täsmää ?
Kiitos, joka tapauksessa.! Voiko muuten nuo näkyvät konkat korvata samanarvoisilla ts. Vastaavilla konkilla ? Vai onko syytä kipaista kaupan kautta.
IMG_0729.JPG
( 201 KB | 0 latausta )
IP kirjattu
jouko
God Member
Poissa
SRHS
Viestejä: 808
Sijainti: Skutskär
Re: Philips B4 S 70 A
Vastaus #10 -
25.02.2017 klo 21:16:57
Tulosta viesti
Ja toinen tapaus..Viimeinen paperikonkka
IMG_0730.JPG
( 176 KB | 0 latausta )
IP kirjattu
jouko
God Member
Poissa
SRHS
Viestejä: 808
Sijainti: Skutskär
Re: Philips B4 S 70 A
Vastaus #11 -
25.02.2017 klo 21:19:09
Tulosta viesti
Ja sitten vielä tämä. Elko.
IMG_0731.JPG
( 186 KB | 0 latausta )
IP kirjattu
jouko
God Member
Poissa
SRHS
Viestejä: 808
Sijainti: Skutskär
Re: Philips B4 S 70 A
Vastaus #12 -
25.02.2017 klo 21:21:14
Tulosta viesti
No,, meni sitten päällekäin nämä viestit.
Kiitos vielä kerran. Tutkin huomenna.
IP kirjattu
plamminen
God Member
Poissa
SRHS: 610
Viestejä: 1642
Sijainti: Loviisa
Re: Philips B4 S 70 A
Vastaus #13 -
25.02.2017 klo 21:26:32
Tulosta viesti
Vaihda nuo molemmat elkot. 100uF ja tuo 5uf. 5uF taitaa olla Ula ilmaisimen kondensaattori.
Tup 8uf kaaviossa tuntikin pieneltä Tyypillisesti arvo on 100uF.
Kaaviossa taitaa olla virhe.
Pentti Lamminen
IP kirjattu
jouko
God Member
Poissa
SRHS
Viestejä: 808
Sijainti: Skutskär
Re: Philips B4 S 70 A
Vastaus #14 -
25.02.2017 klo 21:55:35
Tulosta viesti
Näin näyttäisi tosiaan olevan. Latasin nuo kuvat ja ovat samat k. tuo mun radio, erona vaan se valmistusmaa S, ja hauskana yksityiskohtana konkissakin merkintä Made in Sweden.
100uF on elkon arvo.
Tuo toinen on sen 5 uF. Joskin malliltaan hieman erilainen.
Hauska tutkittava ja fiksattava kuitenkin, on meikäläisen taidoille sopivan yksinkertainen ! Laatikkokin on ehjä, kunhan sen saa putsattua ja ölyttyä aikanaan, niin hyvä tulee. Pitää viedä vanhalle mutsille keittiöradioksi.
IP kirjattu
Sivu:
[1]
2
3
...
5
Lähetä aihe
Tulosta
‹
Edellinen aihe
|
Seuraava aihe
›
Foorumihyppy »
Koti
» 10 viimeisintä viestiä
» 10 viimeisintä aihetta
Suomen Radiohistoriallinen Seura ry - Keskustelufoorumi
Suomen Radiohistoriallinen Seura ry
Jäsenalue
Yleistä radiohistoriasta
Kotimaiset radiot, televisiot ja äänentoistolaitteet
Ulkomaiset radiot, televisiot ja äänentoistolaitteet ««
Muut radio- ja elektroniikkalaitteet
Entisöinti ja kunnostus yleisellä tasolla
Omatekoiset laitteet ja rakentelu
Sotilasradiot ja Perinneradiot
Yleinen keskustelualue
Niitä Näitä
Haku päällä
« Koti
‹ Alue
SRHS Forum
» Powered by
YaBB 2.6.12
!
YaBB Forum Software
© 2000-2026. Kaikki oikeudet pidätetään.