Sivunvalintanappi Sivu: [1] 2  Lähetä aiheTulosta
Erittäin kuuma aihe (Enemmän kuin 25 vastausta) Luxor 1170W (Luettu 17135 kertaa)
pekmatval
God Member
*****
Poissa



Viestejä: 2012
Luxor 1170W
10.02.2017 klo 22:53:14
Tulosta viesti  
Olisiko tietoa, mistä saa kytkiksen? 
Pientä eloa havaittavissa ... hurisee.

AM radiossa on 'etupäässä' 3  Putkea ja 3-osainen säätökonkka .. siis hiukan parempi radio kyseessä?

  

pieni1.jpg ( 154 KB | 0 latausta )
pieni1.jpg
takaa_1.jpg ( 176 KB | 0 latausta )
takaa_1.jpg
Sivun alkuun
 
IP kirjattu
 
pekmatval
God Member
*****
Poissa



Viestejä: 2012
Re: Luxor 1170W
Vastaus #1 - 11.02.2017 klo 23:20:30
Tulosta viesti  
hiukan tutkin jo tätäkin.  Pääteputken hilajännite tässäkin hukassa, mutta enpä keksinyt ilman kytkistä, miten se tehdään negatiiviseksi. Hilajännite oli aluksi pahasti positiivinen ja vaihdoin sen hilakonkan  ... nyt hilajännite on noin 0V. Ainakaan se konkka ei vuoda.


ohessa putkitus ja kuva koneistosta
  

putket1_001.jpg ( 112 KB | 0 latausta )
putket1_001.jpg
koneisto_1.jpg ( 206 KB | 0 latausta )
koneisto_1.jpg
Sivun alkuun
 
IP kirjattu
 
pekmatval
God Member
*****
Poissa



Viestejä: 2012
Re: Luxor 1170W
Vastaus #2 - 11.02.2017 klo 23:20:55
Tulosta viesti  
koneisto alta
  

koneisto_2_001.jpg ( 302 KB | 0 latausta )
koneisto_2_001.jpg
Sivun alkuun
 
IP kirjattu
 
pekmatval
God Member
*****
Poissa



Viestejä: 2012
Re: Luxor 1170W
Vastaus #3 - 12.02.2017 klo 00:34:34
Tulosta viesti  
jäin ihmettelemään kytkentää ja pääteputken osalta löytyikin minulle uusi juttu ... pääteputki 6N6G ei tarvitse negatiivista hilajännitettä.´Nyt ei kulu aikaa tuon pohtimisessa.

Mutta radio hurisee omiaan. Pääteaste ei toimi.

  

6n6g.PNG ( 155 KB | 0 latausta )
6n6g.PNG
Sivun alkuun
 
IP kirjattu
 
pekmatval
God Member
*****
Poissa



Viestejä: 2012
Re: Luxor 1170W
Vastaus #4 - 12.02.2017 klo 22:48:52
Tulosta viesti  
kokeeksi syötin anodijänniteet tasuriputkelle (jonka otin pois) . Tällöin hävisi hurinat ja huomasin, että kyllä pääteaste toimii.  Siis nyt ongelma on radio-osan kanssa.  Mitään ei kuulu!

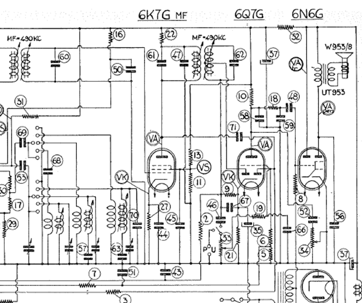
Jonkinlainen kytkiskin on loytynyt ... kiitos LGL'lle.  Ei liene ihan oikea, mutta ehkä tämä jo auttaa riittävästi.

Voisiko tuo 'näyttöputki' ... 6G5  tehdä muutakin kuin näyttää aseman virityksen.  Se putki vaikuttaa kovin kylmältä .. tuskin hehkuu.
« Viimeksi muokattu: 13.02.2017 klo 16:26:25 Kirjoittaja pekmatval »  

Sieppaa_4.PNG ( 32 KB | 0 latausta )
Sieppaa_4.PNG
Sivun alkuun
 
IP kirjattu
 
pekmatval
God Member
*****
Poissa



Viestejä: 2012
Re: Luxor 1170W
Vastaus #5 - 12.02.2017 klo 23:10:09
Tulosta viesti  
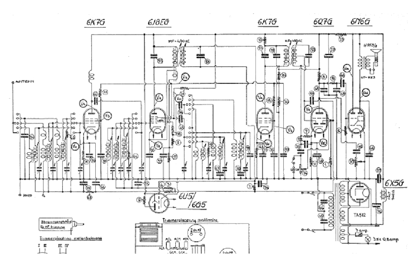
ohessa mahdollinen kytkis ... putket on samat.

Jos radio ei toimi, mutta pääteaste 'rokkaa' .. niin onko hyviä ideoita tutkittavaksi???

Olin havaitsevinani, että osk värähteli , mutta kovin pienellä amplitudilla (tai sitten mittasin väärästä paikasta).
  

kytkis_1.PNG ( 181 KB | 0 latausta )
kytkis_1.PNG
Sivun alkuun
 
IP kirjattu
 
pekmatval
God Member
*****
Poissa



Viestejä: 2012
Re: Luxor 1170W
Vastaus #6 - 14.02.2017 klo 20:58:29
Tulosta viesti  
jonkun verran jumppasin ... ei ole helppo rasti.   Mitä enempi mittaan, niin tulee vaan kysymyksiä.  Hukassa oon!

ei kuulu pihaustakaan radiosta.  Jos olisi noita putkia, niin olisi kiva kokeilla ihan pikana vaihtaa Silmänisku

sen verran on selvillä, että oskillaattori putki (toinen alusta) värähtelee pitkillä ja keskipitkillä.

ekan putken katodilla pitäisi olla tuon saaminani kytkiksen mukaan 5,5V ... on vain 1,3V.

sitten välitaajuusputken (kolmas putki)  anodilla näkyy reippaasti oskillaattorin värähtely .. esim 1,9MHz 11Vp-p ... siltähän pitäisi mennä toiselle välitaajuuskelalle  tavaraa ... mutta miksi taajuus on tuo osk taajuus .. ei välitaajuus?  Ja sen kelan toisiosta en oikeastaan näe mitää kelvollista signaalia (siis putken 4 hiloilla ja diodeilla) ???    Mutta nelosputken hilalla olevan potikan lähdön (ja inputin) kosketus hurisee terveesti. 

Kolmannen putken nastoilla 4ja5 (yhdessä) pitäisi olla 85V .. mutta on vain 40V.  samoin ekan ja tokan putken 'screen hiloilla' on vain 40V ... pitäisi olla luokkaa 90V ???

siis ainakin putken 4 vahvari toimii ...ja pääteputki toimii ... ja osk toimii.   

tuohon 'virityksen' ilmaisuputkeen minulla menee 4 johtoa ... kytkiksessä 5 johtoa?

Minulla kytkentä  Luxor 1270W  ja 370W. Näyttäisi siltä, että isojen kelapurkkien sisällä on paljon osia ... noita mahdollisesti vuotavia konkkia. 

Olen vaihtanut muutaman konkan kokeeksi ... hiukan epäilin ... eivät silti auttaneet.  Ainoastaan tuo pääteputken hilakonkka auttoi.
« Viimeksi muokattu: 14.02.2017 klo 21:56:31 Kirjoittaja pekmatval »  
Sivun alkuun
 
IP kirjattu
 
Timo Lehtonen
Senior Member
****
Poissa


SRHS 714

Viestejä: 250
Sijainti: Ähtäri
Re: Luxor 1170W
Vastaus #7 - 14.02.2017 klo 21:24:44
Tulosta viesti  
Onko sinulla signaaligenistä, jolla voisit tarkistaa meneekö välitajuus läpi?

Timo L.
  
Sivun alkuun
 
IP kirjattu
 
pekmatval
God Member
*****
Poissa



Viestejä: 2012
Re: Luxor 1170W
Vastaus #8 - 14.02.2017 klo 21:59:58
Tulosta viesti  
löytyy genis, jolla saan siniä siellä 480KHz paikkeilla. 

Epäilen tuota ilmaisinputkea (P4) tai sitä kelapurkkia ennen sitä.

Tämä ei mene nyt ihan arvaamalla. Pitää seurata jotain johtolankaa .. kun vain tietäis mitäSilmänisku
  
Sivun alkuun
 
IP kirjattu
 
Timo Lehtonen
Senior Member
****
Poissa


SRHS 714

Viestejä: 250
Sijainti: Ähtäri
Re: Luxor 1170W
Vastaus #9 - 14.02.2017 klo 22:11:10
Tulosta viesti  
Siis, eikö kuulu mitään jos syötät generaattorista välitaajuussignaalin vt-vahvistinputken 6K7G (kolmas putki) ohjaushilalle?
  
Sivun alkuun
 
IP kirjattu
 
pekmatval
God Member
*****
Poissa



Viestejä: 2012
Re: Luxor 1170W
Vastaus #10 - 14.02.2017 klo 23:03:52
Tulosta viesti  
syötin P3 hilalle siniä (noin 1v p-p)... kun taajuus oli 465Khz, niin adodiltä löytyi kauniisti 60Vp-p siniä. Jos muutin taajuutta 3Hz, niin amplitudi puoliintui. Vaikuttaisi olevan kelapurkin resonanssi kohdillaan. Putken 3 hila oli kiinni radion muissa osissa ... siis edeltävä kelapurkki mukana. Olisiko pitänyt irroittaa?

Amplitudin ollessa maksimissaan radiosta ei kuulu mitään. Putken P4  nastoilla 4 ja 5 (diodit) näkyy tuota kelapurkin läpi yrittävää siniä vain 130mV p-p ... miksi noin vähän??  Otin kokeeksi putken P4 irti ... ei vaikuta pinnien 4 ja 5 jännitteeseen.
  
Sivun alkuun
 
IP kirjattu
 
pekmatval
God Member
*****
Poissa



Viestejä: 2012
Re: Luxor 1170W
Vastaus #11 - 14.02.2017 klo 23:29:49
Tulosta viesti  
alla 370W kytkentä tältä osin ... ei juurikaan eroa?

tässä muuten näkyy, että välitaajuus olisi 490Khz.
Voisiko tässä olla ongelman syy?  Nythän kelapurkki tuntui olevan resonanssissa 465KHz'llä.
  

370W_loppu.PNG ( 232 KB | 0 latausta )
370W_loppu.PNG
Sivun alkuun
 
IP kirjattu
 
Timo Lehtonen
Senior Member
****
Poissa


SRHS 714

Viestejä: 250
Sijainti: Ähtäri
Re: Luxor 1170W
Vastaus #12 - 15.02.2017 klo 07:50:41
Tulosta viesti  
Kokeilitko vt-signaalinsyöttöä am-moduloidulla äänitaajuudella (esim. 400Hz sini), kuuluuko kaiuttimesta mitään? Oletko tarkistanut aallonvaihtokytkimen, ettei siellä ole katkosta?
En tiedä mikä on Luxorisi oikea välitaajuus, mutta jos tuo kaava on yhtäpitävä, pitäisi piirien tosiaan olla resonanssissa 490 kHz:n kohdalla. On muuten poikkeuksellisen korkea välitaajuus.
Jos saat äänisignaalin (moduloitu välitaajuus) tulemaan vt-vahvistimesta läpi, voit yrittää varovasti virittää ilmaisinta edeltävää kelapurkkia edellyttäen tietysti, että kelasydämet liikkuvat. Jos ne ovat jumissa, ne saa todella helposti rikki ruuvimeisselillä. Väkisin ei kannata yrittää.
Ensiö- ja toisiokeloilta pitäisi molemmilta löytyä sama resonanssitaajuus kohtuullisen helposti. Jos ei löydy, on vt-muuntajassa tai sen välittömissä kytkennöissä jotain vikaa. Jos saat signaalin tulemaan läpi tästä asteesta, siirrä signaalinsyöttö sekoittajan ohjaushilalle. Signaalin pitäisi silloin kuulua selvästi vahvempana edellyttäen, että vt-muuntajat ovat molemmat resonanssissa samalla taajuudella (ja että asteet toimivat muutenkin).
  
Sivun alkuun
 
IP kirjattu
 
pekmatval
God Member
*****
Poissa



Viestejä: 2012
Re: Luxor 1170W
Vastaus #13 - 15.02.2017 klo 17:43:58
Tulosta viesti  
en moduloinut signaalia ( koska sitä ominaisuutta ei ole geniksessäni).

Signaali kyllä kulkee kelapurkilta  kytkimen kautta putken 4 hilalle.

Koska kytkiksen mukaan oli osia, joita en näy... loogisesti  niiden piti olla kelapurkin sisällä.  Sieltähän ne löytyivätkin.  Seuraavaksi tutkin purkin sisustan ... jos selviäisi syy, miksi purkin läpi ei mene signaalia.

MItä ovat nuo valkoiset kiekot?? ... ihmeellisiä konkkia?
  

purkki_5_a.jpg ( 228 KB | 0 latausta )
purkki_5_a.jpg
purkki_5_b.jpg ( 176 KB | 0 latausta )
purkki_5_b.jpg
Sivun alkuun
 
IP kirjattu
 
LGL.
God Member
*****
Poissa



Viestejä: 1352
Re: Luxor 1170W
Vastaus #14 - 15.02.2017 klo 18:07:46
Tulosta viesti  
Valkoinen kiekko ob Saban silver Mica konkka. Kannattaa uusia. Pitää kai olla 190 pF.

LGL
  
Sivun alkuun
 
IP kirjattu
 
Sivunvalintanappi Sivu: [1] 2 
Lähetä aiheTulosta